Физическое содержание соотношения (2.6) состоит в следующем. Как известно, электрический ток в металлах связан с направленным движением электронов. В электротехнике направление тока выбрано противоположным, т. е. представляется как направление перемещения положительных зарядов. Положительные заряды перемещаются от точек с большими потенциалами к точкам, имеющим более низкий потенциал. Именно такая ситуация отражена на схеме рис. 2.5 знаками «плюс» и «минус».
Рис. 2.5. Контур электрической схемы
В сопротивлениях r1 и r2 обход совершается от плюса к минусу, т. е. потенциал в направлении обхода снижается и имеют место падения напряжения r1I1 и r2I2, входящие в левую часть уравнения со знаком «плюс». Сопротивления r3 и r4, наоборот, повышают потенциал в направлении обхода контура, поэтому
вуравнение (2.6) произведения r3I3 и r4I4 включены со знаком «минус».
2.1.1.Последовательность определения токов ветвей по законам Кирхгофа
1)Выбираются произвольно направления токов ветвей. Число токов равно числу ветвей схемы. Токи ветвей с источниками тока известны.
2)Записываются уравнения по первому закону Кирхгофа. Их число на единицу меньше числа узлов схемы.
3)Выбираются независимые контуры и направления их обхода. Независимым считается такой контур, который от любого соседнего отличается хотя бы одной ветвью. Через источник тока может проходить только один контур.
20
4)Записываются уравнения по второму закону Кирхгофа для независимых контуров, при этом уравнения для контуров, включающих в себя источники тока, не составляются.
5)В результате совместного решения уравнений, составленных по первому и второму законам Кирхгофа, определяются токи ветвей.
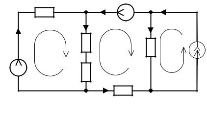
2.2.Метод контурных токов
Вэтом методе за неизвестные принимают токи независимых контуров (контурные токи), а токи ветвей выражают через контурные.
Рассмотрим вывод правил формирования уравнений на примере схемы, приведенной на рис. 2.6, в которой известны ЭДС и ток источника тока, а также все сопротивления.
Рис. 2.6. Схема электрической цепи с контурными токами
Сначала выбираются независимые контуры и направления их обхода. Допустим, что в каждом контуре протекает свой контурный ток, совпадающий с направлением обхода, – I11, I22, I33. Выберем направления токов ветвей и составим уравнения по второму закону Кирхгофа для выбранных контуров (для контура с источником тока уравнение не составляется, так как I33 = J):
r I r r |
I |
2 |
E ; |
|
|
|
||||||
|
1 1 |
2 |
3 |
|
|
|
1 |
|
|
(2.7) |
||
|
r |
r I |
|
r I |
|
r I |
|
E . |
||||
|
|
2 |
3 |
2 |
|
4 |
|
3 |
5 |
4 |
2 |
|
|
|
|
|
|
||||||||
Выразим токи ветвей через контурные: I1 = I11; I2 = I11 – I22; I3 = I6 = – I22; I4 = I22 + I33; I5 = I33 = J и подставим их в систему уравнений (2.7):
21
r I |
r r |
I |
|
I |
22 |
E ; |
|
|
|
|
|
|
|||||
|
1 11 |
2 |
3 |
11 |
|
|
1 |
|
|
|
|
|
|
(2.8) |
|||
|
r |
r I |
I |
|
r |
I |
|
r |
I |
|
I |
|
E . |
||||
|
|
2 |
3 |
11 |
|
22 |
|
4 |
|
22 |
5 |
|
22 |
|
33 |
2 |
|
|
|
|
|
|
|
|
|
||||||||||
После группировки получим:
r r r |
I |
|
r r |
I |
22 |
E ; |
|
|
|
|
|||||||
|
1 |
2 |
3 |
11 |
|
2 |
3 |
|
|
1 |
|
|
|
(2.9) |
|||
r |
r I |
|
|
r |
r |
r |
r I |
|
r I |
|
E . |
||||||
|
2 |
3 |
11 |
|
2 |
3 |
|
4 |
|
5 |
|
22 |
5 |
33 |
2 |
|
|
|
|
|
|
|
|
||||||||||||
В конечном итоге получим систему уравнений в общем виде:
r I |
r I |
|
r I |
|
E ; |
(2.10) |
|
|
11 11 |
12 |
22 |
13 |
33 |
11 |
|
r21I11 r22I22 |
r23I33 |
E22 , |
|
||||
где r11, r22 – собственные сопротивления контуров 1 и 2, каждое из которых равно сумме сопротивлений, входящих в данный контур;
r12 = r21, r13, r23 – общие или взаимные сопротивления контуров. Общее сопротивление равно сопротивлению ветвей, общих для рассматриваемых контуров. Общие сопротивления берутся со знаком «плюс», если контурные токи в них направлены одинаково, и со знаком «минус», если контурные токи направлены встречно. Если контуры не имеют общей ветви, то их общее сопротивление равно нулю. В рассматриваемом примере r13 = 0;
Е11, Е22 – контурные ЭДС, каждая из которых равна алгебраической сумме ЭДС данного контура. ЭДС берется со знаком «плюс», если ее направление совпадает с направлением контурного тока, если не совпадает – со знаком «минус».
Структура уравнений (2.10), использующая понятия собственных и взаимных сопротивлений контуров, а также контурных ЭДС, является общей для метода контурных токов. В зависимости от сложности исследуемой цепи изменяется лишь количество уравнений.
2.2.1. Последовательность определения токов ветвей методом контурных токов
1)Выбираются независимые контуры и направления контурных токов.
2)Записывается система уравнений в общем виде. Число уравнений равно числу независимых контуров схемы минус число контуров, содержащих ис-
22
точники тока. Количество слагаемых в левой части уравнения равно числу независимых контуров.
3)Определяются коэффициенты при неизвестных – собственные и общие сопротивления контуров, а также контурные ЭДС. Если общей ветвью контуров является источник ЭДС без сопротивления, то общее сопротивление этих контуров равно нулю.
4)Рассчитываются контурные токи.
5)Выбираются направления токов ветвей.
6)Определяются токи ветвей.
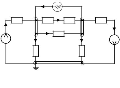
2.3.Метод узловых потенциалов
Вэтом методе за неизвестные принимают потенциалы узлов схемы. Рассмотрим вывод правил формирования уравнений на примере схемы,
приведенной на рис. 2.7, в которой известны ЭДС и ток источника тока, а также все сопротивления.
Рис. 2.7. Электрическая схема для метода узловых потенциалов |
В этой схеме два неизвестных потенциала – φ1 и φ2, поскольку φa = φb, φc = φd, φe = φf, а потенциал одного из узлов, в данном случае φ3, принимается равным нулю, что на схеме обозначают заземлением узла (
).
Запишем уравнения по первому закону Кирхгофа, предварительно выбрав направления токов в ветвях:
23
узел1: I1 I3 I4 I5 I7 0; узел 2 : I2 I3 I4 I6 I7 0.
Выразим токи ветвей через потенциалы узлов:
I 3 1 E1 1 E1 ; |
|||||||||
1 |
|
|
|
r1 |
|
r1 |
|||
|
|
|
|
|
|||||
I2 |
|
2 3 E2 |
2 E2 ; |
||||||
|
|
|
|
r2 |
|
r2 |
|||
I3 |
|
1 2 ; |
|
|
|||||
|
|
|
|
r3 r4 |
|
|
|||
I4 |
|
|
|
1 2 |
; |
|
|
||
|
|
|
|
||||||
|
|
|
|
r5 |
|
|
|||
I5 |
|
1 3 |
|
|
1 ; |
|
|||
|
|
|
|||||||
|
|
|
|
r6 |
r6 |
|
|||
I6 |
|
|
2 3 |
|
2 ; |
|
|||
|
|
||||||||
|
|
|
|
r7 |
r7 |
|
|||
I7 J |
|
|
|||||||
и подставим в уравнения (2.11) и (2.12): |
|
|
|||||||
|
|
|
|
|
1 E1 1 2 |
|
1 2 1 J 0; |
|
||||||||||||||||||||||||||||
|
|
|
|
|
|
|
|
r1 |
|
|
|
|
r3 r4 |
|
|
|
|
|
r5 |
|
|
|
|
r6 |
|
|
|
|
|
|
||||||
|
|
|
|
|
|
|
|
|
|
|
|
|
|
|
|
|
|
|
|
|
|
|
|
|
|
|
||||||||||
|
|
|
|
|
|
E2 1 2 |
1 2 |
2 J 0. |
|
|||||||||||||||||||||||||||
|
|
|
|
|
2 |
|
||||||||||||||||||||||||||||||
|
|
|
|
|
|
r2 |
|
|
|
r3 r4 |
|
|
|
r5 |
|
|
|
|
r7 |
|
|
|
|
|
|
|
|
|||||||||
|
|
|
|
|
|
|
|
|
|
|
|
|
|
|
|
|
|
|
|
|
|
|
|
|||||||||||||
После группировки получим: |
|
|
|
|
|
|
|
|
|
|
|
|
|
|
|
|
|
|
|
|
||||||||||||||||
|
1 |
|
|
1 |
|
|
|
1 1 |
|
|
|
|
1 |
|
|
|
|
1 |
|
|
|
|
E |
|
||||||||||||
|
|
|
|
|
|
|
|
|
|
|
|
1 |
|
|
|
|
|
|
|
|
|
2 |
1 |
J; |
||||||||||||
r |
r r |
r |
r |
r |
r |
r |
r |
|||||||||||||||||||||||||||||
|
1 |
|
|
3 |
|
4 |
|
|
5 |
|
6 |
|
|
|
3 |
|
|
4 |
|
|
|
5 |
|
|
|
|
1 |
|
|
|
||||||
|
|
|
|
1 |
|
|
1 |
|
|
|
1 |
|
|
|
|
1 |
|
|
|
1 |
|
|
|
1 |
|
|
|
|
|
E2 |
|
|||||
|
|
|
|
|
|
|
|
|
|
|
|
|
|
|
|
J. |
||||||||||||||||||||
r |
r |
|
|
|
|
|
r |
|
r |
|
r |
|
r |
|||||||||||||||||||||||
|
|
|
r |
1 |
|
r r |
|
|
|
|
|
|
|
|
2 |
|
|
|
||||||||||||||||||
|
|
3 |
4 |
|
5 |
|
|
|
3 |
4 |
|
|
5 |
|
|
|
2 |
|
|
|
7 |
|
|
|
2 |
|
||||||||||
Система уравнений в общем виде принимает вид:
(2.11)
(2.12)
(2.13)
(2.14)
(2.15)
24