Материал: Analochifr_i_chifroanalog_preobrazovat

Внимание! Если размещение файла нарушает Ваши авторские права, то обязательно сообщите нам

 

,

(2.9)

 

где – время выборки УВХ, мкс.

Для ГТИ длительность импульса, мкс,

 

,

(2.10)

 

где tацп – максимальное время преобразования АЦП, мкс.

После расчета длительностей импульсов по формулам (2.9) и (2.10) для одновибратора и ГТИ производится подбор параметров их времязадающих элементов с использованием формулы (2.8) (или другой согласно справочной литературе для микросхем, кроме К155 АГ1, К555 АГ1). При выборе времязадающих элементов рекомендуется использовать резисторы марки МЛТ, ОМЛТ и других мощностью 0,125 Вт и конденсаторы любой марки с номинальным напряжением 10–15 В.

Принципиальную схему блока управления следует составить соответствующей структурной, приведенной на рисунке 1.3. Для этого можно использовать один из двух нижеследующих вариантов.

Вариант 1: применить микросхемы одновибраторов (ждущих мультивибраторов). Для составления схемы понадобится три одновибратора, на двух из которых собирается ГТИ, представляющий собой мультивибратор. При этом одновибраторы соединяются между собой в соответствии с рекомендациями, указанными в справочной литературе [4, 5] или другой, по которой выбирались микросхемы. Необходимо обратить внимание на то, что в одном корпусе микросхемы может находиться несколько устройств.

Вариант 2: применить микросхемы мультивибратора (автогенератора) и одновибратора (ждущего мультивибратора).

Для составления принципиальной схемы БУ применяются либо указанные выше микросхемы, либо иные, выбранные по справочной литературе. К соответствующим выводам микросхем подключаются резисторы и конденсаторы, указания по выбору которых приведены выше. Разработанная схема БУ приводится на общей принципиальной схеме устройства. Три или два (в зависимости от заданного типа АЦП) выхода получившейся схемы БУ с соответствующих выводов микросхем необходимо подключить к нужным элементам для обеспечения работоспособности устройства (в соответствии со структурной схемой, представленной на рисунке 1.3).

3 РАЗРАБОТКА ПРИНЦИПИАЛЬНОЙ СХЕМЫ ЦИФРО-АНАЛОГОВОГО ПРЕОБРАЗОВАТЕЛЯ

Для проектирования устройства предлагается использовать один из трех типов ЦАП (в зависимости от варианта): с суммированием напряжений; с суммированием напряжений на аттенюаторе сопротивлений; с суммированием токов.

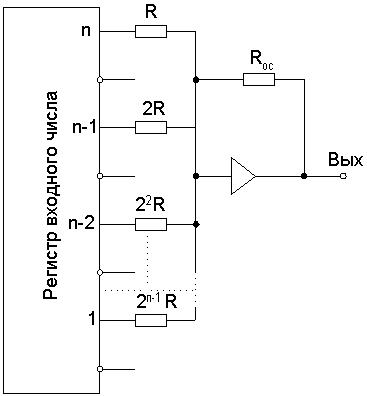
Одна из таких схем с суммированием напряжений на операционном усилителе приведена на рисунке 3.1. В регистр входного числа помещаются двоичные числа, предназначенные для перевода в пропорциональные им значения напряжения на выходе. Будем считать, что напряжение на выходе каждого из триггеров регистра может принимать одно из двух возможных значений: Е при состоянии "1" и 0 при состоянии "0".

Напряжения с выходов триггеров передаются на выход ЦАП через операционный усилитель, работающий в режиме взвешенного суммирования напряжений (аналогового сумматора). Для каждого триггера предусматривается отдельный вход в сумматоре с определенным коэффициентом передачи

. (3.1)

Рисунок 3.1 – Схема ЦАП с суммированием напряжений

Таким образом, напряжение с выхода триггера n-го разряда передается на выход усилителя с коэффициентом передачи

 

;

(3.2)

 

для (n – 1)-го разряда

 

;

(3.3)

 

для (n – 2)-го разряда:

 

и т.д.

(3.4)

 

Следует обратить внимание на то, что коэффициенты передачи усилителя с отдельных его входов находятся в том же соотношении, что и весовые коэффициенты соответствующих разрядов двоичного числа. Taк, Кn в 2 раза больше Kn-1 и весовой коэффициент n-го разряда в 2 раза больше весового коэффициента (n – 1)-го разряда. Следовательно, напряжения, передаваемые на выход усилителя с выходов триггеров отдельных разрядов, находящихся в состоянии "1", пропорциональны весовым коэффициентам разрядов.

Если в состоянии "1" находятся одновременно триггеры нескольких разрядов, то напряжение на выходе усилителя равно сумме напряжений, передаваемых на этот выход от отдельных триггеров. Пусть цифры отдельных разрядов двоичного числа в регистре – аn, аn-1, ... , а1. Тогда напряжение на выходе усилителя

(3.5)

где N – десятичное значение двоичного числа, введенного в регистр.

Из выражения (3.5) видно, что напряжение на выходе ЦАП пропорционально значению числа в регистре.

Рассмотрим работу ЦАП в случае, когда в схеме, изображенной на рисунке 3.1, вместо регистра входного числа находится двоичный счетчик. Если подать на вход этого счетчика последовательность импульсов, то с приходом каждого очередного импульса число в счетчике будет увеличиваться на единицу и напряжение на выходе ЦАП будет возрастать на ступеньку, соответствующую единице младшего разряда счетчика. Величина такой

ступеньки . Таким образом, напряжение на выходе ЦАП будет иметь ступенчатую форму, как показано на рисунке 3.2. После поступления (2n – 1) импульсов все разряды счетчика будут содержать "1", на выходе ЦАП образуется максимальное напряжение

(3.6)

При большом числе разрядов и Далее очередным импульсом счетчик будет сброшен в нулевое состояние, нулевым будет и выходное напряжение ЦАП. После этого счетчик начинает счет импульсов сначала и на выходе ЦАП вновь формируется напряжение ступенчатой формы.

Рисунок 3.2 – Диаграмма работы ЦАП с суммированием напряжений

Суммарная абсолютная погрешность преобразователя ∆ Uвых должна быть меньше выходного напряжения, соответствующего единице младшего разряда входного двоичного числа:

(3.7)

Отсюда можно получить условие для относительной погрешности:

(3.8)

Это соотношение определяет связь между относительной погрешностью

преобразователя η и числом его разрядов n. Так, при n = 10 0,001 = 0,1%.

Недостатки рассмотренной схемы преобразователя:

а) используются высокоточные резисторы с различными сопротивлениями; б) трудно обеспечить высокую точность выходного напряжения триггеров

регистра.

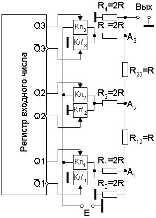
Недостатки предыдущей схемы (см. рисунок 3.1) устранены в схеме ЦАП, приведенной на рисунке 3.3, где показана схема трехразрядного преобразователя.

Нетрудно построить схему с любым заданным числом разрядов. Особенности этой схемы состоят в том, что, во-первых, используются резисторы лишь с двумя значениями сопротивлений (R и 2R) и, во-вторых, выходные напряжения триггеров непосредственно не участвуют в формировании выходного напряжения ЦАП, а используются лишь для управления состоянием ключей, т.е. устранены отмеченные выше недостатки предыдущей схемы ЦАП (см. рисунок 3.1).

Рассмотрим подробнее работу такого преобразователя. В каждом разряде имеется два ключа, через один из них в аттенюатор сопротивлений подается напряжение Е, через другой – нулевое напряжение.

Рисунок 3.3 – Схема ЦАП с суммированием напряжений на аттенюаторе сопротивлений

Определим напряжения, возникающие на выходе ЦАП от единиц отдельных разрядов числа, помещаемого в регистр. Пусть в регистр введено