Материал: Analochifr_i_chifroanalog_preobrazovat

Внимание! Если размещение файла нарушает Ваши авторские права, то обязательно сообщите нам

Рисунок 2.1 – Схема УВХ со стробированием прямоугольными импульсами при малой постоянной времени (а) и диаграммы, поясняющие ее работу (б)

В качестве сопротивления R можно выбрать резистор типа МЛТ-0,125 (номиналы от 8,2 Ом до 3 МОм, допуск 5 %, ряд E24), а в качестве емкости СН – конденсатор К10-50 МПО (номиналы от 1100 до 30000 пФ, допуск 5 %,

ряд E24). При этом необходимо, чтобы было равно RC

 

 

RC.

(2.1)

 

 

 

 

2.1.2 Устройство выборки и хранения с модуляцией импульсов генератора пилообразного напряжения

УВХ с модуляцией импульсов генератора пилообразного напряжения (ГПН) состоит из ГПН, компаратора К, накапливающего конденсатора Сн и выходного усилителя У (рисунок 2.2, а). При подаче на ГПН стробирующего импульса (момент времени t1), напряжение на его выходе сбрасывается до нуля, накапливающий конденсатор разряжается, компаратор устанавливается в положение "1". ГПН начинает вырабатывать линейно возрастающее напряжение. В момент времени t2, когда напряжение на

выходе ГПН сравняется со входным, срабатывает компаратор (рисунок 2.2, а), на его выходе появляется "0", блокирующий ГПН. Напряжение на выходе УВХ при этом остается равным входному напряжению Uвх, соответствующему моменту времени t2. В момент времени t3 приходит следующий стробирующий импульс и процесс повторяется.

Рисунок 2.2 – Схема УВХ с модуляцией импульсов ГПН (а) и диаграмма, поясняющая ее работу (б)

Длительность стробирующего импульса в рассматриваемом типе УВХ

должна превышать время , необходимое для достижения напряжением, вырабатываемым ГПН, значения от нуля до максимально допустимого значения Uвх.

На принципиальной схеме устройства необходимо изобразить заданный тип УВХ в соответствии с рисунками 2.1, а или 2.2, а, подключив три его вывода к соответствующим элементам для обеспечения работоспособности устройства (в соответствии со структурной схемой, представленной на рисунке 1.2).

БУ формирует управляющие импульсы: импульсы выборки, поступающие в УВХ и фиксирующие моменты дискретизации, импульсы сброса счетчика последовательного АЦП с пилообразным напряжением (в случае применения такого типа АЦП ) и импульсы разрешения записи выходного кода АЦП в буферный регистр БМП. Структурная схема БУ представлена на рисунке 2.3.

Рисунок 2.3 – Структурная схема БУ: ГТИ –

генератор тактовых импульсов; S – одновибратор

2.2Разработка аналого-цифрового преобразователя

2.2.1Определение разрядности аналого-цифрового преобразователя

В преобразовании сигналов из аналоговой формы в цифровую можно выделить следующие процессы: дискретизацию, квантование, кодирование. Процесс дискретизации заключается в том, что из непрерывного во времени сигнала (в рассматриваемом случае таким сигналом является напряжение) выбираются отдельные его значения, соответствующие тактовым моментам времени (на рисунке 2.4 это моменты времени t0, t1 ...), следующим через определенный временной интервал Т, называемый тактовым интервалом. Операция квантования состоит в округлении значений аналогового напряжения, выбранных в тактовые моменты времени, до ближайшего уровня квантования (рисунок 2.4). Уровни квантования сдвинуты друг относительно друга на величину ∆ , называемую шагом квантования. Каждому уровню квантования присваивается порядковый номер (0, 1, 2, 3 и

т.д.).

Рисунок 2.4 – Сетка уровней квантования

На диаграмме рисунка 2.4 значение напряжения в тактовый момент времени t0 заменяется ближайшим к нему уровнем квантования с номером 3,

в момент t1 – уровнем 6, t2 – 7, t3 – 7, t4 – 3, t5 – 1, t6 – 2, t7 – 3. Смысл операции кодирования заключается в представлении полученной в результате квантования последовательности десятичных чисел (3, 6, 7, 7, 3, 1, 2, 3) двоичным кодом. Теперь рассматриваемая выше последовательность будет выглядеть следующим образом: 011, 110, 111, 111, 011, 001, 010, 011.

Необходимое количество уровней квантования проектируемого устройства

 

,

(2.2)

 

где L – ширина диапазона изменения тока (напряжения), А (В); ∆ m – максимальный шаг квантования, А (В).

Шаг квантования, А (В), определяется исходя из заданной точности (шума квантования):

 

,

(2.3)

 

где δ – шум квантования, % .

Далее необходимо определить минимальное количество разрядов АЦП, которое может обеспечить рассчитанное число уровней квантования. Количество разрядов определяется как ближайшее целое число по условию

(2.4)

Исходя из рассчитанного количества разрядов определяется действительное число уровней квантования

N' = 2n,

(2.5)

действительное значение шага квантования, А (В)

 

,

(2.6)

 

а также действительное значение шума квантования, выраженное в процентах от ширины диапазона измерений

 

.

(2.7)

 

Рассчитанная разрядность АЦП определяет разрядность микропроцессора и ЦАП.

Для проектирования устройства предлагается использовать один из трех типов АЦП (в зависимости от варианта): последовательный АЦП со ступенчатым пилообразным напряжением; АЦП следящего типа; параллельный АЦП.

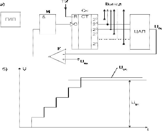
2.2.2 Последовательный аналого-цифровой преобразователь со ступенчатым пилообразным напряжением

Структурная схема преобразователя данного типа приведена на рисунке 2.5, а. Тактовым импульсом (ТИ) счетчик Сч сбрасывается в нулевое состояние.

Нулевое напряжение Uoc = 0 возникает на выходе ЦАП, преобразующего число счетчика в пропорциональное напряжение. Устанавливается неравенство Uвх > Uос, при котором компаратор К подает на вход элемента И уровень логической "1". При этом импульсы генератора импульсной последовательности ГИП проходят через элемент И на вход счетчика.

Каждый поступивший на вход счетчика импульс вызывает увеличение хранившегося в нем числа на единицу, на одну элементарную ступеньку напряжение возрастает на выходе ЦАП. Таким образом, напряжение Uос растет по ступенчатому закону, как показано на рисунке 2.5, б.

В момент времени, когда напряжение Uос достигает уровня, превышающего Uвх, компаратор выдает уровень логического "0", и в дальнейшем прекращается доступ импульсов генератора в счетчик. Полученное к этому моменту времени в счетчике число пропорционально напряжению Uвx.

Рисунок 2.5 – Схема последовательного АЦП со ступенчатым пилообразным напряжением (а) и диаграмма его работы (б)

2.2.3 Аналого-цифровой преобразователь следящего типа