Материал: 832

Внимание! Если размещение файла нарушает Ваши авторские права, то обязательно сообщите нам

160

На рис. 14.2 представлены три этапа работы автогенератора, начиная с момента его запуска и до установления в нем стационарной амплитуды колебаний. До момента пуска (автогенератор выключен) ни одно из условий (или хотя бы одно из них) не выполнено и автогенератор не работает. С момента пуска условия баланса амплитуд и фаз выполнены: Т >1, φк + φос = 2πn и в автогенераторе возникают и нарастают колебания от Uвых = 0 до Uвых= Аг. Следует подчеркнуть, что на этапе установления колебаний уравнение баланса амплитуд автогенератора превращается в неравенство Т>1 и время нарастания колебаний до стационарного уровня будет тем меньше, чем сильнее это неравенство.

uвых

Выключен

Аг

0

t

Пуск

 

Т>1, φк + φос = 2πn

 

Режим установления

Стационарный режим

Т> 1, φк + φос =2πn

Т = 1, φк + φос = 2πn

Рис. 14.2 – Этапы работы автогенератора

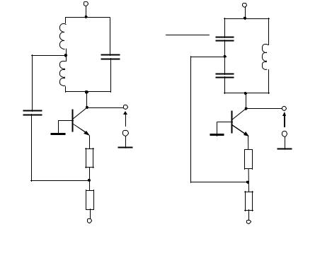
14.2Автогенератор с трансформаторной обратной связью

Электрическая схема высокочастотного автогенератора

гармонических колебаний с трансформаторной обратной свя-

зью показана на рис. 14.3. Эту схему принято называть классической. Основу генератора составляет резонансный усилитель с колебательным контуром LC, катушка которого индуктивно связана

161

с катушкой обратной связи Lос, выполняющей роль четырехполюсника обратной связи. Величина взаимоиндукции между ка

тушками равна М. Для обеспечения положительной обратной связи катушки L и Lос должны быть включены встречно (показано точками на рис. 14.3).

 

 

 

Ср

М

 

 

 

 

 

Lос

L

 

 

 

 

 

C

CЭ

RЭ

R2

R1

 

 

 

 

 

Cф

 

Rф

- Е

Рис. 14.3 – Схема автогенератора с трансформаторной обратной связью

При инженерных расчетах автогенератора может быть полезен тот факт, что величина коэффициента обратной связи γос численно равна коэффициенту связи kсв двух магнитно-связанных катушек L и Lос при величине взаимной индукции М:

γос = kсв = M .

L Lос

Частично включенный колебательный контур LC последовательно включен в нагрузочную цепь биполярного транзистора p-n-p-типа c общим эмиттером. Резистор RЭ блокирован конденсатором CЭ для устранения отрицательной обратной связи по переменному току. Резисторы R2, R1 обеспечивают необходимое начальное положение рабочей точки. Конденсатор Ср является разделительным. Фильтр Rф, Cф в цепи питания препятствует проникновению токов ра-

iБ

А

С

0

uБЭ

t

Рис. 14.4 – Смещение рабочей точки

162

бочих частот в источник питания, исключая тем самым возможность паразитных связей между каскадами устройства по цепям питания.

Исходное положение рабочей точки А (рис. 14.4) на входной характеристике транзистора обеспечивает возможно большее значение крутизны транзистора S h11Э , необходимое для вы-

полнения условия самовозбуждения S Rэкв γос > 1, при этом в системе возникают автоколебания. По мере их роста начинается отсечка базового тока, что приводит к появлению постоянной составляющей тока, которая заряжает конденсатор Ср, смещая рабочую точку влево до тех пор (положение С), пока величина крутизны не снизится до значения, удовлетворяющего условию стационарного режима работы.

Мягкий и жесткий режимы работы автогенератора

Применительно к автогенераторным устройствам существуют два понятия: мягкий режим работы, жесткий режим работы. Сделаем пояснения с помощью рис. 14.4.

Предположим, что рабочая точка на входной характеристике может занимать либо позицию А, либо позицию С. В первом случае, как было пояснено выше, после пуска генератора в нем плавно, начиная с нуля, колебания нарастают до стационарного уровня. Такой режим работы получил название «мягкий». Положительным качеством такого режима является простота запуска, недостатком – низкий коэффициент полезного действия.

При положении рабочей точки в позиции С генератору необходим внешний толчок для возбуждения в нем колебаний. Этот режим работы получил название «жесткий». Положительным качеством такого режима является высокий коэффициент полезного действия (ток в коллекторной цепи транзистора протекает лишь половину периода, как в режиме класса В), недостатком – сложность возбуждения в нем колебаний.

В автогенераторе, собранном по схеме рис. 14.3, перемещение рабочей точки из положения А в положение С происходит автоматически, что обеспечивает ему два полезных качества:

- легкий и плавный запуск;

163

- высокий коэффициент полезного действия в стационарном режиме.

Несмотря на несинусоидальную форму тока в выходной цепи транзистора, форма Uвых близка к синусоидальной, так как контур хорошо фильтрует высшие гармоники. Поэтому в схемах высокочастотных генераторов обычно не применяют специальных методов регулирования выходного сигнала усилителя, а выходное напряжение Uвых снимают непосредственно с контура.

14.3 Трехточечные генераторы

Более технологичны в изготовлении так называемые трехточечные генераторы. В них часть напряжения с контура подается в нужной фазе на вход усилительного элемента за счет использования индуктивного или емкостного делителя напряжения.

В генераторах, собранных по схемам индуктивной (рис. 14.5, а) и емкостной (рис. 14.5, б) трехточки, транзистор VT1 включен по схеме c общей базой. Напряжение обратной связи, снимаемое с индуктивного или емкостного делителя, имеет ту же фазу, что и коллекторное напряжение. Необходимая величина коллекторного тока задается источником отрицательного смеще-

 

Е

 

 

Е

 

L=L1+L2

L1

С

С1 С2

C1

 

 

С1 С2

 

L

C

 

L

 

 

 

 

 

 

L2

 

 

C2

 

C1

VT1

Uвых

 

VT1

Uвых

 

 

 

R1

 

 

R1

 

 

R2

 

 

R2

 

а

-E1

 

б

-E1

 

Рис. 14.5 –

Варианты схем трехточечных генераторов

164

ния и резисторами R1 и R2: I0 Е1 0,7. Резистор R1 поставлен

R1 R2

для того, чтобы малое входное сопротивление каскада с общей базой не шунтировало контур.

14.4 Кварцевая стабилизация частоты

Стабильность частоты колебаний автогенератора. При передаче информации по радиоканалам требуется высокая стабильность частоты радиопередающего устройства, недостижимая без принятия специальных мер по стабилизации частоты задающего генератора. Сделаем некоторые пояснения. Обозначим номинальную частоту некоторого высокочастотного автогенератора f0. Под действием целого ряда дестабилизирующих факторов (влияние окружающей температуры, нестабильность источников питания, влажность, вибрации, старение элементов схемы и др.) мгновенное значение частоты fг автогенератора отличается от номинального. Разность fгf0= f носит название абсолютной нестабильности частоты автогенератора. Качество автогенератора принято характеризовать относительной нестабильностью его частоты δf = f / f0. Для автогенератора, в котором не предпринято специальных мер по стабилизации частоты, значение относительной нестабильности его частоты δf 10–3, что не является удовлетворительным. В результате применения целого комплекса конструктивно-технологических мероприятий, таких, например, как применение высокостабильных элементов колебательного контура LС, высокостабильных источников питания, обеспечение минимальной связи с нагрузкой, стабилизация режима работы нелинейного элемента, термостатирование автогенератора и других мер, удается достигнуть относительной нестабильности нелучше δf >10–4 10–5, что для систем связи также не является удовлетворительным.

Прежде чем наметить пути решения этой проблемы, рассмотрим упрощенный механизм возникновения нестабильности частоты генератора. Вспомним условие баланса фаз в автогенераторе и запишем его в несколько иной форме:

s + φос) + φz = φ1 + φz = 2 π n = 0,