180
напряжение приближается к заданному значению, т.е. стабилизируется.
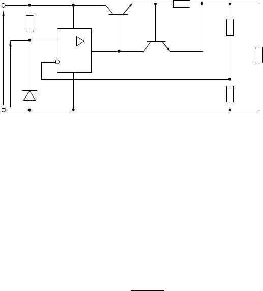
Одна из простейших схем последовательного компенсационного стабилизатора представлена на рис. 15.6. Здесь транзистор VT1 выполняет функцию регулируемого сопротивления, на управляющий вход которого (базу) поступает сигнал с транзистора VT2. В транзисторе VT2 потенциал эмиттера стабилизирован с помощью параметрического стабилизатора (стабилитрон VD1 вместе с резистором R1 и конденсатором C1), а напряжение на базе является частью выходного напряжения. Отклонение выходного напряжения от номинального изменяет исходное напряжение между базой и эмиттером транзистора VT2, что в свою очередь сказывается на величине базового и коллекторного токов этого транзистора. Коллекторной нагрузкой транзистора VT2 является резистор R2 и транзистор VT1. Изменение коллекторного тока транзистора VT2 приводит, следовательно, к изменению потенциала коллектора VT2 и соответственно базы VT1. Изменение потенциала базы VT1 в свою очередь приведет к изменению сопротивления участка коллектор – эмиттер VT1, следовательно, и к изменению падения напряжения на нем.
VT1
+ 






+
R2 |
C2 |
|
R1 |
|
Uвых |
Uвх |
|
|
VT2 |
|
R3 |
|
|
|
C1 |
VD1 |
|
|
|
Рис. 15.6 – Схема последовательного компенсационного стабилизатора
Таким образом, в транзисторе VT2 происходит сравнение эталонного напряжения с текущим значением выходного напряжения, т.е. выработка сигнала рассогласования и последующее его усиление. Меняя положение движка потенциометра R3, можно в определенных пределах менять величину номинального вы-
181
ходного напряжения. Конденсатор C2 обеспечивает увеличение быстродействия схемы по пульсациям. Более высокую стабильность источника опорного напряжения и Uвых можно получить, если резистор R1 подключить к выходу стабилизатора.
В схемах, подобных рассмотренной, обеспечивается выходное сопротивление порядка десятых долей ома, а коэффициент стабилизации – от нескольких десятков до нескольких сотен. Улучшение параметров достигается за счет усложнения схемы – использования операционного усилителя с большим коэффициентом усиления в петле обратной связи; использования составного транзистора для увеличения коэффициента передачи тока базы регулирующего элемента.
Недостатком стабилизаторов последовательного типа является то, чтопри токовыхперегрузкахиликороткомзамыкании навыходе могут выходить из строя регулирующие транзисторы, поэтому в схемыстабилизаторов вводятспециальныеэлементызащиты.
15.5Стабилизатор на операционном усилителе
сограничением выходного тока
Схема качественного стабилизатора, в котором управляющий транзистор заменен операционным усилителем, приведена на рис. 15.7. Питание ОУ осуществляется однополярным положительным напряжением Uвх (в данном случае не требуется получение на выходе ОУ отрицательных напряжений), что позволяет использовать стандартные операционные усилители в схемах стабилизаторов с выходным напряжением почти до 30 В.
Резистор R2 и транзистор VT2 образуют схему ограничения выходного тока. При номинальных токах нагрузки падение напряжения на R2 не превышает напряжения отпирания перехода база-эмиттер VT2, транзистор VT2 закрыт и не оказывает влияния на работу схемы стабилизатора. Операционный усилитель с дополнительным усилителем выходного тока VT1 включен по схеме неинвертирующего УПТ, откуда следует соотношение для расчета выходного напряжения
Uвых |
U |
|
R3 |
|
|
ст 1 |
|
. |
|||
R4 |
|||||
|
|
|
|
|
|
182 |
|
|
+ |
VT1 |
R2 |
|
|
|
|
|
||
|
|
|
|
|
R1 |
DA1 |
|
R3 |
|
|
|
|
|
|
Uвх |
|
VT2 |
|
Rн |
Uст |
|
|
|
|
VD1 |
|
|
R4 |
|
|
|
|
|
|
– |
|
|
|
|
Рис. 15.7 – Схема стабилизатора постоянного напряжения на ОУ |
|
|||
|
с ограничением выходного тока |
|
|
|
Если падение напряжения на R2 превысит величину, равную приближенно 0,6 В, транзистор VT2 откроется и предотвратит дальнейшее увеличение тока базы транзистора VT1. Таким образом, величина выходного тока стабилизатора ограничена уровнем
Iнmax 0,6/R2.
Качественные показатели стабилизатора по схеме рис. 15.7 определяются следующими соотношениями:
а) коэффициент стабилизации (его можно повысить, если заменить R1 источником тока)
Кст R1 Uст ; rстUвх
б) выходное сопротивление
|
r |
h1 |
/β |
||||
R |
вых |
|
11Э |
1 |
, |
||
вых |
|
R4 |
|||||
|
1 К |
||||||
|
|
|
|
||||
R3 R4
где К – коэффициент усиления ОУ по напряжению; rвых – выходное сопротивление ОУ;
в) температурный коэффициент напряжения
|
|
|
R3 |
|
|
|
ТКН ТКНст |
Uсм |
1 |
|
|
IвхR3, |
|
R4 |
||||||
|
|
|
|
|
где Uсм – дрейф напряжения смещения ОУ;
183
Iвх – дрейф входного тока ОУ;
ТКНст – температурный коэффициент напряжения стабилитрона.
Все рассмотренные стабилизаторы эффективно подавляют нестабильность Uвх не только за счет медленных колебаний сетевого напряжения, но и пульсации Uвх после выпрямителя, выполняя роль электронного сглаживающего фильтра. Поэтому на входе стабилизатора допустим сравнительно высокий уровень пульсаций напряжения.
15.6Микросхемы стабилизаторов постоянного напряжения
Стабилизаторы напряжения, подобные схеме рис. 15.7, выполняются в виде интегральных микросхем. Основные характеристики микросхем стабилизаторов напряжения серии К142 приведены в таблице 15.1. Среди них
КНU Uвых 100 Uвх , %
В – коэффициент нестабильно-
Uвых
|
|
Uвых |
|
Iвых |
сти по напряжению; |
|
КНI |
|
100 |
, % – коэффициент нестабильно- |
|||
|
|
|||||
|
|
Uвых |
Iвых |
|||
|
|
|
|
|
сти по току. |
|
Таблица 15.1 – Характеристики микросхем стабилизаторов постоянного напряжения серии К142
К142 |
Iн , |
Uвх, |
Uвых , |
К |
НU |
, |
К |
НI |
, |
Рmax , |
А |
В |
В |
|
|
|
|
Вт |
|||
|
%/В |
|
% |
|
||||||
ЕН1Б |
0,15 |
40 |
3–12 |
0,1 |
|
0,2 |
|
0,8 |
||
ЕН2Б |
0,15 |
40 |
12–30 |
0,1 |
|
0,2 |
|
0,8 |
||
ЕН3,4 |
1 |
40 |
15–30 |
0,05 |
|
0,5 |
|
4 |
||
ЕН5А |
3 |
35 |
5 1% |
0,05 |
|
|
3 |
|
10 |
|
ЕН6 |
0,2 |
35 |
15 |
0,001 |
0,2 |
|
4 |
|||
ЕН8В |
1,5 |
35 |
15 |
0,05 |
|
|
1 |
|
|
|
184
Для стабилизаторов К142ЕН1 (2, 3, 4) требуется подключение внешних компонентов (делителя цепи обратной связи, элементов коррекции, защиты по току). Микросхемы К142ЕН5 (6, 8) являются функционально законченными стабилизаторами на фиксированные значения Uвых. Выходное напряжение микросхемы К142ЕН5 равно 5 В с возможным изменением этой величины в зависимости от экземпляра ИМС на 0,2 В. Максимальный ток нагрузки 3 А. Минимальное входное напряжение 7,5 В. Тепловая защита выключает стабилизатор при температуре кристалла 175оС 10%, при превышении допустимого значения по току на (20–25)% срабатывает защита по току.
Существенным недостатком стабилизаторов параллельного и последовательного типов, называемых линейными, являются большая потеря мощности в регулирующем транзисторе (управляемом сопротивлении) и, как следствие этого, недостаточно высокий КПД. Стремление повысить КПД привело к созданию стабилизаторов с импульсным регулированием, в которых регулирующим элементом служит периодически замыкающийся ключ (как правило, транзистор в ключевом режиме), подключающий нагрузку к источнику входного постоянного напряжения Uвх. Если при периоде включения T ключ находится в замкнутом состоянии в течение времени tвкл, то постоянная составляющая напряжения на нагрузке Uвых = Uвх tвкл / T.
Регулирующий транзистор в импульсном стабилизаторе работает в ключевом режиме, т.е. большую часть времени находится либо в режиме отсечки, либо в режиме насыщения. Ключевые режимы работы транзистора и импульсные устройства будут рассмотрены при изучении дисциплины «Электронные цепи и микросхемотехника» [10].