|
|
|
|
150 |
|
|
|
|
|
13 ИЗБИРАТЕЛЬНЫЕ УСИЛИТЕЛИ |
|
|
|
||||
|
13.1 Резонансный усилитель с параллельным |
|
||||||
|
LC-контуром |
|
|
|
|
|
||
|
Усилители, предназначенные для усиления сигналов в узкой |
|||||||
полосе частот, называют избирательными. Избирательное уси- |
||||||||
ление можно получить с помощью частотно-зависимой цепи (на- |
||||||||
пример, параллельного или последовательного LC-контура), |
||||||||
включенной либо в нагрузку, либо в цепь обратной связи транзи- |
||||||||
сторного усилительного каскада. Усилители с резонансными кон- |
||||||||
|
|
|
|
Е |
турами иначе назы- |
|||
|
|
|
|
вают резонансными |
||||
|
R1 |
L |
|
C |
усилителями. |
|
||
|
|
|
C2 |
Избирательные |
||||
|
|
|
|
|||||
|
|
|
|
усилители |
широко |
|||
C1 |
|
|
|
|
||||
|
|
|
|
используются |
для |
|||
|
|
|
|
|
||||
|
|
|
|
|
усиления |
сигналов |
||
|
|
|
|
Rн |
радиочастот (усили- |
|||
Uвх |
R2 |
R3 |
|
C3 |
теливысокихчастот– |
|||
|
|
|
|
УВЧ), при суперге- |
||||
|
|
|
|
|
теродинном приеме |
|||
|
|
|
|
|
(усилители |
проме- |
||
Рис. 13.1 – Схема резонансного усилителя |
жуточной частоты – |
|||||||
УПЧ), в измери- |
||||||||
|
с параллельным LC-контуром |
|||||||
|
|
|
|
|
тельной технике, в |
|||
системах телемеханики с частотным разделением каналов. |
|
|||||||
|
В представленном на рис. 13.1 усилительном каскаде в цепь |
|||||||
коллекторной нагрузки включен параллельный колебательный |
||||||||
контур. Сопротивление контура зависит от частоты. На резо- |
||||||||
нансной частоте |
f0 |
1 |
оно имеет максимальное значение |
|||||
|
|
2 |
LC |
|
|
|
||
R0. Соответственно коэффициент усиления каскада на этой час- |
||||||||
тоте максимальный и убывает при расстройке частоты в область |
||||||||
более высоких и низких значений. |
|
|
|
|||||
|
Эквивалентная схема каскада приведена на рис. 13.2. Пред- |
|||||||
полагается, что в рассматриваемом диапазоне частот конденсато- |
||||||||
151
ры C1, C2, C3 можно считать закороченными, а частотные свойства транзистора еще не проявляются.
Uвх |
|
|
iБ |
h11Э |
|
|
|
|
h22Э |
|
L |
|
C |
|
R0 |
|
Rн |
|
||||||
|
|
|
|
|||||||||||||||||||||
|
|
RБ |
|
|
iБ h21Э |
|
|
|
|
|
|
|
|
|
|
|
|
Uвых |
||||||
|
|
|
|
|
|
|
|
|||||||||||||||||
|
|
|
|
|
|
|
|
|||||||||||||||||
|
|
|
|
|
|
|
|
|
|
|
|
|
|
|
|
|
|
|
|
|
|
|
|
|
|
|
|
|
|
|
|
|
|
|
|
|
|
|
|
|
|
|
|
|
|
|
|
|
|
|
|
|
|
|
|
|
|
|
|
|
|
|
|
|
|
|
|
|
|
|
|
|
|
|
|
|
|
|
|
|
|
|
|
|
|
|
|
|
|
|
|
|
|
|
|
|
|
|
|
Рис. 13.2 – Эквивалентная схема каскада для диапазона частот вблизи резонансной частоты контура
Резисторы R1 и R2 отображены на схеме одним эквивалентным резистором
R1 R2 RБ R1 R2.
Выходное напряжение можно определить как произведение тока h21ЭiБ на комплексное сопротивление выходной цепи каскада Zэкв(j ) и записать коэффициент усиления каскада по напряжению в виде
|
|
|
К j |
h21ЭiБZэкв j |
|
h21ЭZэкв j |
, |
(13.1) |
|||||||||||||||||||||||||||||
|
|
|
|
|
|
|
|
|
|
|
|
|
|||||||||||||||||||||||||
|
|
|
|
|
|
|
|
|
|
|
|
|
|
|
|
|
|
iБh11Э |
|
|
|
|
|
|
|
|
h11Э |
|
|
|
|
||||||
где |
Zэкв j |
|
|
|
|
|
|
|
|
1 |
|
|
|
|
|
|
|
|
|
|
|
Rэкв |
|
|
|
; |
|||||||||||
|
|
|
|
|
|
|
|
1 |
|
|
|
1 |
|
|
|
|
|
|
|
|
|
|
|
1 |
|
||||||||||||
|
|
|
|
|
|
|
|
|
j C |
|
|
|
|
|
|
|
1 jR |
C |
|
||||||||||||||||||
|
|
|
|
|
|
|
|
|
|
|
|
|
|
|
|
|
|
|
|
|
|
||||||||||||||||
|
|
|
|
|
|
|
|
|
j L |
Rэкв |
|
|
|
||||||||||||||||||||||||
|
|
|
|
|
|
|
|
|
|
|
|
|
|||||||||||||||||||||||||
|
|
|
|
|
|
|
|
1 |
|
|
|
|
|
|
|
|
|
|
|
|
|
экв |
|
|
|
|
L |
||||||||||
|
R |
|
R |
|
|
|
|
|
|
|
|
|
R . |
|
|
|
|
|
|
|
|
|
|
|
|
|
|
|
|
|
|
|
|||||
|
|
|
|
|
|
|
|
|
|
|
|
|
|
|
|
|
|
|
|
|
|
|
|
|
|||||||||||||
|
|
|
|
|
|
|
|
|
|
|
|
|
|
|
|
|
|
|
|
|
|
|
|
|
|
|
|
||||||||||
|
|
экв |
0 |
|
|
|
|
h |
|
|
|
|
|
|
н |
|
|
|
|
|
|
|
|
|
|
|
|
|
|
|
|
|
|
|
|||
|
|
|
|
|
|
|
|
|
|
|
|
|
|
|
|
|
|
|
|
|
|
|
|
|
|
|
|
|
|
||||||||
|
|
|
|
|
|
|
|
|
22Э |
|
|
|
|
|
|
|
|
|
|
|
|
|
|
|
|
|
|
|
|
|
|
||||||
|
Модуль К(j ) определяет амплитудно-частотную характе- |
||||||||||||||||||||||||||||||||||||
ристику коэффициента усиления по напряжению |
|
|
|
|
|||||||||||||||||||||||||||||||||
|
|
|
|
|
|
|
|
|
|
К |
|
|
|
|
|
|
|
К0 |
|
|
|
|
, |
|
|
(13.2) |
|||||||||||
|
|
|
|
|
|
|
|
|
|
|
|
|
|
|
|
|
|
|
|
|
|
|
|
|
|
|
|||||||||||
|
|
|
|
|
|
|
|
|
|
|
|
|
|
|
|
|
|
|
|
|
|
|
|
|
|||||||||||||
|
|
|
|
|
|
|
|
|
|
|
|
|
|
|
|
|
|
|
1 R |
2 |
|
|
|
C |
1 |
2 |
|
|
|
|
|||||||
|
|
|
|
|
|
|
|
|
|
|
|
|
|
|
|
|
|
|
|
|
|
|
|
|
|
|
|
|
|||||||||
|
|
|
|
|
|
|
|
|
|
|
|
|
|
|
|
|
|
|
|
|
|
|
|
|
|
|
|||||||||||
|
|
|
|
|
|
|
|
|
|
|
|
|
|
|
|
|
|
|
|
|
экв |
|
|
|
|
L |
|
|
|
|
|||||||
где К0 h21ЭRэкв – коэффициент усиления каскада на частоте
h11Э
резонанса.
Соотношение (13.2) легко приводится к типовому виду
152
|
|
|
|
|
|
|
|
|
|
|
|
|
|
|
К |
|
К0 |
|
|
|
|
, |
|
|
|
|
|
|
|
|
|
|
(13.3) |
||||||||
|
|
|
|
|
|
|
|
|
|
|
|
|
|
|
|
|
|
|
|
|
|
|
|
|
|
|
|
|
|
|
|
|
|||||||||
|
|
|
|
|
|
|
|
|
|
|
|
|
1 Q |
|
|
|
|
|
|
|
|
|
|
|
|||||||||||||||||
|
|
|
|
|
|
|
|
|
|
|
|
|
|
|
|
|
|
|
|
|
|
Y 2 |
|
|
|
|
|
|
|
|
|
||||||||||
|
|
|
|
Rэкв |
|
|
|
|
|
|
|
|
|
|
|
|
|
|
|
|
|
экв |
|
|
|
|
|
|
|
|
|
|
|
|
|
|
|
||||
где Q |
|
|
– эквивалентная добротность каскада; |
|
|
|
|
(13.4) |
|||||||||||||||||||||||||||||||||
|
|
|
|
|
|
||||||||||||||||||||||||||||||||||||
|
экв |
|
|
|
|
|
|
|
|
|
|
|
|
|
|
|
|
|
|
|
|
|
|
|
|
|
|
|
|
|
|
|
|
|
|
|
|
|
|
|
|
|
|
|
|
|
|
|
|
|
|
|
|
|
|
|
|
|
|
|
|
|
|
|
|
|
|
|
|
|
|
|
|
|
|
|
|
|
|
|
|
||
|
L |
1 |
|
|
|
|
L |
|
– волновое сопротивление контура; |
||||||||||||||||||||||||||||||||
|
|
|
|
|
|
|
|
|
|||||||||||||||||||||||||||||||||
|
|
0 |
|
|
0C |
|
|
|
|
C |
|
|
|
|
|
|
|
|
|
|
|
|
|
|
|
|
|
|
|
|
|||||||||||
|
|
|
|
|
|
|
|
|
|
|
|
|
|
|
|
|
|
|
|
|
|
|
|
|
|
|
|
|
|
|
|||||||||||
|
Y |
|
|
|
0 |
|
|
|
0 0 |
|
2 |
– относительная рас- |
|||||||||||||||||||||||||||||
|
|
|
|
|
|
|
|
||||||||||||||||||||||||||||||||||
|
|
|
0 |
|
|
|
|
|
|
|
|
|
|
0 |
|
|
|
0 |
|
|
|
|
|
|
|
|
|
||||||||||||||
стройка частоты. |
|
|
|
|
|
|
|
|
|
|
|
|
|
|
|
|
|
|
|
|
|
|
|
К |
|
|
|
|
|
||||||||||||
Полосе пропускания каскада на уровне К |
0 |
|
|
|
соответ- |
||||||||||||||||||||||||||||||||||||
|
|
|
|
|
|||||||||||||||||||||||||||||||||||||
|
|||||||||||||||||||||||||||||||||||||||||
|
|
|
|
|
|
|
|
|
|
|
|
|
|
|
|
|
|
|
|
|
|
|
|
|
|
|
|
|
|
|
|
|
|
|
|
|
2 |
|
|
|
|
|
|
|
|
|
|
|
|
|
|
|
|
|
|
|
|
|
|
|
|
|
|
ствует |
относительная |
расстройка |
|||||||||||||||||
|
|
|
|
|
|
|
|
|
|
|
|
|
|
|
|
|
|
|
|
|
|
частоты |
Y |
2 f ' |
|
1 |
|
, |
откуда |
||||||||||||
|
|
|
|
|
|
|
|
|
|
|
|
|
|
|
iвых |
|
Q |
|
|||||||||||||||||||||||
|
iвх |
|
|
|
|
|
|
|
|
|
|
|
|
|
|
|
|
|
|
|
|
|
|
|
f |
0 |
|
|
|
|
|
|
|||||||||
|
|
|
|
|
|
|
|
|
|
|
|
|
|
|
|
|
|
|
|
|
|
|
|
|
|
|
|
|
|
|
|
|
|
экв |
|
||||||
|
|
|
|
|
|
|
|
|
|
|
|
|
|
|
|
|
|
Uвых |
получаем выражение для опреде- |
||||||||||||||||||||||
|
|
|
|
|
|
|
|
|
|
|
|
|
|
|
|
|
|
||||||||||||||||||||||||
Uвх |
|
|
|
|
|
|
|
|
|
|
|
|
|
|
|
|
ления |
f0 |
добротности |
|
|
|
|
каскада: |
|||||||||||||||||
|
|
|
|
|
|
|
|
|
|
|
|
|
|
|
|
|
|
|
|||||||||||||||||||||||
|
|
|
|
|
|
|
|
|
|
|
|
|
|
|
|
|
|
|
|
|
|
Q |
|
|
|
|
. Следовательно, доб- |
||||||||||||||
|
|
|
|
|
|
|
|
|
|
|
|
|
|
|
|
|
|
|
|
|
|
|
|
|
|||||||||||||||||
|
|
|
|
|
|
|
|
|
|
|
|
|
|
|
|
|
|
|
|
|
|
|
|
|
|
||||||||||||||||
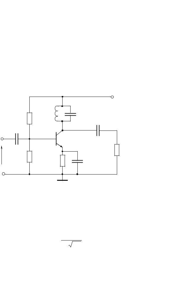
Рис. 13.3 – Каскодное вклю- |
экв |
|
|
2 f |
|
|
|
|
|
|
|
|
|
||||||||||||||||||||||||||||
чение транзисторов по схе- |
ротность |
каскада |
можно |
опреде- |
|||||||||||||||||||||||||||||||||||||
мам с общим эмиттером и |
лить |
экспериментально |
как отно- |
||||||||||||||||||||||||||||||||||||||
|
|
общей базой |
шение резонансной частоты к по- |
||||||||||||||||||||||||||||||||||||||
|
|
|
|
|
|
|
|
|
|
|
|
|
|
|
|
|
|
|
|
|
|
||||||||||||||||||||
лосе пропускания (см. рис. 13.5, а). |
|
|
|
|
|
|
|
|
|
|
|
|
|
|
|
|
|
|
|
||||||||||||||||||||||
Важной характеристикой усилителя является его избирательность, определяемая как отношение коэффициента усиления на резонансной частоте к коэффициенту усиления на заданной частоте помехи fп
|
К0 |
|
|
|
|
|
|
|
fп |
|
f |
|
2 |
|
|
|
|
|
2 |
|
2 |
|
0 |
|
|||||
|
|
|
|
|
|
|
|
|
||||||
М |
|
|
|
1 QэквYп |
|
|
|
|
|
(13.5) |
||||
|
1 Qэкв |
f0 |
|
. |
||||||||||
|
К fп |
|
|
|
|
|
|
f |
п |
|
||||
Добротность контура Q R0 должна быть выше добротно-
сти каскада, рассчитанной по заданной избирательности:
Qэкв 
М 2 1 М ,
Yп Yп
153
так как контур шунтируется выходным сопротивлением транзистора и сопротивлением нагрузки.
13.2 Каскодный усилитель
Если один каскад обеспечивает требуемую избирательность, но не обеспечивает необходимое усиление, можно ввести дополнительный усилительный каскад с резистивной нагрузкой.
При последовательном включении двух резонансных усилителей, настроенных на одну и ту же частоту, их избирательности перемножаются.
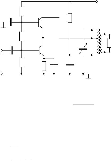
Высокочастотные избирательные усилители с большим коэффициентом усиления склонны к самовозбуждению за счет внутренней обратной связи по напряжению в транзисторе (ее отражает параметр h12Э, который мы не учитывали в приближенных эквивалентных схемах). Для устранения самовозбуждения используется каскодное включение транзисторов (рис. 13.3). Входной транзистор включен по схеме с ОЭ, выходной – по схеме с ОБ. Эквивалентный транзистор имеет следующие параметры:
h11 h11Э; |
h21 h21Э; |
h12 h12Б; |
h22 h22Б. |
Каскад с общей базой отличается очень малыми значениями параметров h12Б и h22Б. Поэтому в каскодном усилителе уменьшается внутренняя обратная связь в транзисторе по напряжению и шунтирующее влияние выходной проводимости транзистора на контур. Это позволяет устранить самовозбуждение при высоком коэффициенте усиления каскада.
Для уменьшения шунтирующего влияния нагрузки связь контура с ней делается трансформаторной или автотрансформаторной. Для уменьшения влияния выходной проводимости транзистора используется неполное включение транзистора в контур.
С учетом ряда отмеченных приемов построена схема резонансного усилителя, приведенная на рис. 13.4. Выходные цепи транзистора VT1 с ОЭ и транзистора VT2 с ОБ по постоянному току включены последовательно. Задаваясь током в выходной цепи I0 1 мА и током делителя Iд 10IБ = 10I0 / легко рассчитать сопротивления резисторов Rф, R1, R2, R3, RЭ, задающих указанные на схеме потенциалы.
|
|
|
154 |
|
|
|
|
|
|
|
9 B |
|
R1 |
|
|
|
|
|
CБ |
|
|
Rф |
|
|
5 B |
VT2 |
|
L |
|
|
|
|
|||
|
|
|
|
||
|
|
|
|
|
a |
|
|
|
|
|
d |
|
R2 |
4,3 B |
|
|
b |
|
C1 |
VT1 |
|
C |
Rн |
|
2 B |
|
L1 |
||
|
|
1,3 B |
8 B |
|
e |
Uвх |
R3 |
|
CЭ |
Cф |
c |
RЭ |
|
||||
|
|
|
|
|
|
|
Рис. 13.4 – |
Схема каскодного усилителя |
|
||
Коэффициент усиления каскада на резонансной частоте оп-
ределяется выражением К0 pnh21Э Rэкв , (13.6)
h11Э
эквивалентная добротность каскада
Qэкв |
|
|
Q |
|
|
|
, |
(13.7) |
|
|
|
|
|
||||
|
|
|
|
n2 |
|
|||
1 R |
p2h |
|
|
|
|
|||
|
|
|||||||
0 |
|
22Б |
|
R |
|
|||
|
|
|
|
|
н |
|
||
где n Wde – коэффициент трансформации трансформатора;
Wac
p Wbc L1 – коэффициентвключения транзистора в контур;
Wac L
Q – добротность свободного контура;
R0 – резонансное сопротивление контура;
R |
|
R |
|
|
|
|
Rн |
|
|
1 |
– эквивалентное сопротивлениеконтура. |
|
|
|
|||||||||
|
|
|
|
|
|
|
|
|
|||
|
экв |
0 |
|
|
|
|
n2 |
|
|
p2h |
|
|
|
|
|
||||||||
|
|
|
|
|
|
|
|
|
|
22Б |
|
Катушка контура выполнена с применением ферритового сердечника. Настройка контура на резонансную частоту осуществляется с помощью конденсатора переменной емкости C.