145
|
|
|
|
DA1 |
|
r1 |
DA1 |
|
|
|
|
r2 |
|
|
|
r2 |
|
|
|
a |
|
|
U0 |
a |
U0 |
|
|
R1 |
|
|
R3 |
|
R1 |
||
|
|
|
|
|
R3 |
|||
|
|
|
|
r3 |
|
Uвых |
|
r3 |
|
|
|
|
r4 |
|
|
Uвых |
|
|
|
|
|
|
|
|
|
|
|
R2 |
|
R4 |
|
|
R2 |
R4 |
|
|
|
b |
|
DA2 |
|
b |
DA2 |
|
|
|
r5 |
|
r4 |
||||
|
|
r6 |
|
|
|
r5 |
|
|
|
|
|
|
|
|
a |
б |
|
|
|
|
|
|
|
|
||
|
|
|
|
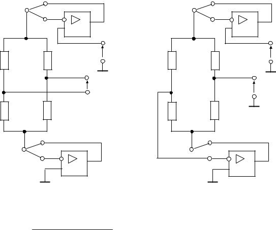
Рис. 12.19 – Варианты схем мостовых ПСН |
||||
U |
|
|
U0(R1R4 |
R2R3) . |
Более совершенным является ПСН по |
|||
|
вых |
|
R R R R |
|
|
|||
|
|
|
1 |
2 |
3 |
4 |
|
|
схеме рис. 12.19, б. Здесь достаточно пятипроводной линии, а усилитель может быть недифференциальным. На верхнюю вершину моста a с помощью DA1 подано напряжение U0. На нижней же вершине b с помощью DA2 поддерживается такое напряжение, при котором обеспечивается равенство нулю потенциала на левой вершине моста. А это равенство может быть достигнуто только при условии, что Ub U0R2 / R1. Выходное напряжение в данном случае будет определяться выражением
U |
|
U |
|
R4 |
|
U |
|
|
R3 |
U |
|
R1R4 R2R3 |
. |
||
|
a R R |
|
b R R |
|
|||||||||||
|
вых |
|
4 |
|
|
0 R R R |
|||||||||
|
|
|
3 |
|
3 |
4 |
|
1 |
3 |
4 |
|
||||
Простой пример мостового ПСН показан на рис. 12.20. Резисторы R1 должны быть равными, а сопротивление R подбирается равным сопротивлению датчика (он включен в цепь обратной связи ОУ) при Uвых = 0. Выходное напряжение определяется суммарным воздействием источника напряжения U0 со стороны
146
R1 |
|
R+ R |
|
|
|
|
|
U0 |
R1 |
Uвых

R
Рис. 12.20 – Схема мостового измерительного преобразователя
неинвертирующего и инвертирующего входа операционного усилителя
Uвых |
|
U0R |
|
R1 R R |
|
||||
R1 R |
|
|
|
||||||
|
|
|
|
|
R1 |
||||
U0 |
|
R R |
|
U0 R |
. |
||||
|
|
||||||||
|
|
|
R1 |
|
|
R1 R |
|||
12.12Пример расчета погрешностей измерительного УПТ
Рассмотрим пример расчета масштабирующего инвертирующего УПТ, предназначенного для усиления сигнала датчика тока (шунт со шкалой выходного напряжения 75 мВ) до уровня, необходимого для работы аналого-цифрового преобразователя со шкалой входного аналогового сигнала 10 В (рис. 12.21).
|
|
|
R2 |
|
I |
Rн |
|
DA1 |
|
|
6 |
Uвых |
||
|
R1 |
|
||
|
2 |
|
||
|
|
4 |
-15 В |
|
|
|
|
||
|
|
|
7 |
|
|
|
|
+15 В |
|
|
Uвх |
|
1 |
|
|
|
|
||
|
Rш |
3 |
R3 |
|
|
|
|
||
|
|
|
|
|
|
|
|
8 |
|
|
Рис. 12.21 – Схема проектируемого УПТ |
|
||
Таким образом, коэффициент усиления УПТ должен быть равен
147
КОС Uвых
Uвх R2
R1 10000
75.
Выбраны особостабильные резисторы ОС С2-29В(А) класса точности 0,1% номиналом R1=750 Ом, R2=100 кОм.
При этом мощность, выделяющаяся на резисторе R2 при Uвых 10В, незначительна и составляет
Р Uвых2
R2 102
100 1мВт.
Казалось бы, для уменьшения температурной погрешности от входного тока ОУ желательно работать с меньшими значениями сопротивлений (например, R1=75 Ом, R2=10 кОм). Однако тогда на резисторе R2 рассеивалась бы мощность 10 мВт, вызывая его некоторый разогрев относительно R1 и снижение температурной нестабильности КОС.
Относительная погрешность КОС за счет возможного отклонения от выбранной величины сопротивлений R1 и R2
R1, R2 R2 R1 .
Так как технологический разброс резисторов от номинальных значений может быть разным по знаку, в расчете на худший
случай погрешности R и должны по модулю суммироваться.
2 R1
Однако совпадение предельных значений погрешностей маловероятно (погрешности являются некоррелированными случайными величинами), и обычно результирующую погрешность определяют как
R1, R2 техн |
|
|
2 |
|
2 |
|
|
|
R2 |
|
R1 |
R |
2 0,14%. |
||
Дополнительную погрешность резисторов за счет изменения температуры окружающей среды оценим из условий (здесь ТКС –
температурный коэффициент сопротивления): |
|
|||
ТКС 75 10 6 |
К 1 |
при Т<20оС; |
|
|
ТКС 25 10 6 |
К 1 |
при Т >20оС. |
|
|
Для диапазона рабочих температур от 0 до 40оС (20оС ± Т) |
||||
дополнительная |
погрешность |
резисторов |
составит |
|
R 75 10 6 20 0,0015 или R 0,15%. Изменение КОС за счет температурной погрешности резисторов будет примерно на по-
|
148 |
рядок меньше ( R |
и в данном случае вычитаются) и соста- |
2 |
R1 |
вит R1, R2 темп |
0,015%. |
Результирующую порешность КОС за счет резисторов оце- |
|
ниваем примерно в R1, R2 0,15%.
В схеме используется прецизионный ОУ типа К140УД17А с
параметрами:К 150000; |
Uсм 0,25 мВ; |
Uсм 1,3 мкВ/К; |
Iвх 10 нА; Iвх 5 нА; Iвх 0,12 нА/К; |
||
Мсф 100 дБ; |
f1 400 кГц. |
|
Частотная коррекция ОУ не требуется.
Если балансировку нуля не производить (не ставить в схему резистор R3), сдвиг выходного напряжения при закороченном входе может достигать значения
Uвыхсдв Uсм 1 R2
R1 IвхR2 0,25 134 1 34,5 мВ.
Если эту погрешность устранить балансировкой нуля при комнатной температуре, то смещение нуля будет определяться только дрейфом выходного напряжения Uвых
Uвыхдр Uсм Т 1 R2
R1 Iвх Т R2
1,3 20 134 0,12 20 100 3484 240 3724 мкВ 3,7 мВ.
Относительная погрешность усилителя за счет дрейфа нулевого уровня составит
др 3,7
10000, или др 0,037%.
Относительная нестабильность коэффициента усиления ОУ по напряжению может составить ориентировочно
К Тmax Тmin 40 15%,
Тср 300
где Тср – средняя рабочая температура в градусах Кельвина. Относительная нестабильность КОС за счет нестабильности
коэффициента усиления ОУ определится выражением
К |
|
К |
|
К |
|
|
15 133 |
0,013%. |
|
1 К |
К КОС |
150 103 |
|||||||
|
|
|
|
||||||
Результирующую погрешность КОС за счет неидеальности ОУ оценим как
149
оу др К 0,037 0,013 0,05%.
Суммарная погрешность КОС измерительного усилителя не превысит значения
Σ R1, R2 оу 0,15 0,05 0,2%.