Материал: 832

Внимание! Если размещение файла нарушает Ваши авторские права, то обязательно сообщите нам

 

 

 

 

 

 

 

 

 

 

 

 

 

135

 

 

 

 

 

 

 

 

 

 

Т р К р р

К

 

 

1

 

,

 

 

 

 

 

 

 

 

 

 

 

 

 

 

 

 

 

 

 

 

1 р оу 1

1

 

 

 

 

 

К

 

 

 

 

 

р

 

 

 

 

 

 

 

 

 

 

 

 

 

 

 

 

 

где К р

 

 

передаточная

функция

 

операционного

1 р оу

 

усилителя;

 

 

 

 

 

 

 

 

 

 

 

 

 

 

R

 

 

 

 

 

1

 

 

 

 

 

 

 

 

 

 

р

 

 

 

 

 

 

 

– коэффициент передачи цепи обрат-

R

 

1

 

1

1

 

 

 

 

 

 

 

 

 

 

 

 

 

 

 

рС

р

 

 

 

 

 

 

 

 

 

 

 

 

 

 

 

 

 

 

 

 

 

 

 

 

ной связи.

Для реального ОУ передаточную функцию интегратора можно записать в виде

 

 

 

1

 

 

 

 

 

 

 

 

КОС р

 

рRС

 

К

 

 

.

(12.5)

 

 

 

 

1

 

 

 

 

 

1

 

 

 

 

оу

 

 

 

 

 

 

 

 

 

 

 

 

 

 

 

 

 

 

 

Т р

 

1 р К 1 р

 

 

 

 

 

 

 

 

К

 

 

 

 

 

 

 

 

 

 

 

 

ЛАЧХ реального интегратора, построенная по выражению (12.5), приведена на рис. 12.8, б (там же пунктиром изображена ЛАЧХ ОУ). Ниже частоты1К она идетна уровнеК дБ, а вышечастоты единичного усиления ОУ увеличивает наклон до–40 дБ/дек. Таким образом, полоса рабочих частот реального интегратора отличается от идеального интегратора (у него ЛАЧХ сохраняет наклон –20 дБ/дек на всех частотах) на низких частотах за счет конечности величины коэффициента усиления операционного усилителя К, на высоких – за счет конечной величины частоты единичного усиления f1 реального ОУ.

Ошибку смещения нуля можно определить как напряжение на выходе схемы рис. 12.8, в при размыкании ключа S:

Uвыхсдв

Uсм

 

1

 

Uсмdt

1

Iвхdt Uсм

 

Uсмt

 

Iвхt

.

 

С

 

 

 

 

 

 

 

 

С

Следовательно, после создания нулевых начальных условий напряжение на конденсаторе линейно нарастает, пока ОУ не перейдет в насыщение. Эта ошибка ограничивает максимальное время интегрирования. Для ее уменьшения необходимо или периодически разряжать С аналоговым ключом (так поступают при

136

интегрировании импульсных сигналов), или параллельно С поставить резистор R1 (так поступают при интегрировании сину-

соидальных

сигналов). В последнем

случае Uвыхсдв

Uсм 1 R1

R IвхR1, но полоса рабочих

частот сужается (от

12 R1C до f1, тогда как раньше интегрирование было возможно от 12 К до f1).

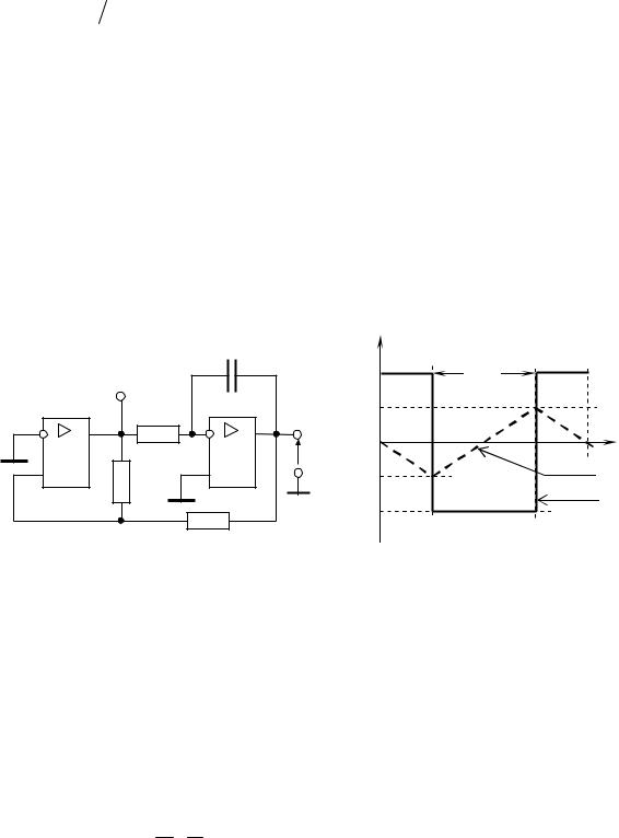
Переходная характеристика интегратора представляет собой линейно изменяющееся напряжение, идущее с наклоном минус Uвх , где Uвх – амплитуда ступеньки, подаваемой на вход. Это свойство интегратора используется в генераторе прямоугольного и треугольного напряжений, схема которого приведена на рис. 12.9, а. Операционный усилитель DA1 работает как компаратор, переключаясь с к –Е всякий раз, когда напряжение на неинвертирующем входе, изменяющееся за счет работы интегратора DA2, переходит нулевое значение.

 

Uвых1

C

 

E

T/2

DA1

R

DA2

 

E/2

 

 

Uвых2

t

 

 

 

 

0

 

 

 

 

 

 

R1

 

 

–E/2

Uвых2

 

 

 

Uвых1

 

 

 

–E

 

 

 

 

 

R1 = 2 R2

R2

а

 

б

 

 

 

Рис. 12.9 – Схема (а) и временные диаграммы напряжений (б) генератора напряжений прямоугольной и треугольной формы

При отрицательном напряжении на выходе DA1 (Uвых1 = –Е) напряжение на выходе интегратора линейно нарастает со скоро-

стью E/ . Когда выполняется условие Uвых2 / R2 = Uвых1 / R1, т.е. при Uвых2 = E / 2, схема переключается в другое состояние и напряжение на выходе интегратора с той же скоростью изменяется в противоположном направлении до –E / 2 (рис. 12.9, б).

Из условия E T E получаем соотношение для оценки пе-

2

риода генерируемых колебаний.

T 2 2RC.

выхсдв

137

12.6 Усилители переменного напряжения

В усилителях переменного напряжения на ОУ возможно применение разделительных конденсаторов. В инвертирующем УНЧ на операционном усилителе (рис. 12.10, а) по постоянному току ОУ охвачен стопроцентной ООС и сдвиг выходного напряжения невелик: U Uсм IвхR2. Вследствие этого отпа-

дает необходимость балансировки нуля и возможно подключение нагрузки без разделительного конденсатора. Коэффициент передачи УНЧ для идеального операционного усилителя

 

 

 

 

 

 

 

 

 

 

 

 

 

 

 

Z2

 

 

 

R2

 

 

 

 

R2

 

 

 

 

 

 

 

 

 

 

 

 

 

 

 

 

 

К

ОС

р

 

 

 

 

 

 

, где R1C1.

 

 

 

 

 

 

 

 

 

R1

 

 

 

 

 

 

 

 

 

 

 

 

 

 

 

 

 

 

 

 

 

 

 

 

 

 

 

 

 

 

 

 

 

 

 

 

 

Z1

 

 

R1

1

 

 

 

 

 

 

1

1

 

 

 

 

 

1

 

 

 

 

 

 

 

 

 

 

 

 

 

 

 

 

 

 

 

 

 

 

 

 

 

 

 

 

 

 

 

 

 

 

 

 

 

 

 

 

 

 

 

 

 

 

 

 

 

 

 

 

 

 

 

 

 

рС1

р 1

 

 

 

 

 

 

 

 

 

 

 

 

 

 

 

 

 

 

 

 

 

 

 

 

 

 

 

 

 

 

 

 

 

 

 

 

 

 

 

 

 

 

 

 

 

 

 

 

 

 

 

 

 

 

 

 

ЛАЧХ коэффициента усиления приведена на рис. 12.10, б.

 

Пунктиром изображена ЛАЧХ ОУ. Полоса пропускания УНЧ на

 

уровне 3 дБ идет от fн

 

 

1

 

 

 

 

 

 

до

fв

 

 

 

 

f1

.

 

 

 

 

 

 

 

 

 

 

 

 

 

 

 

 

 

 

 

 

 

 

 

 

 

 

 

 

 

 

 

 

 

 

 

 

 

 

 

 

 

 

 

2 R1C1

 

 

 

1 R2 R1

 

 

 

 

 

 

 

 

 

 

 

 

 

 

 

 

 

 

 

 

 

 

 

 

 

 

 

 

 

 

 

 

 

 

 

 

 

 

 

 

 

К, дБ

 

 

 

 

 

 

 

 

 

 

 

 

 

 

 

 

 

 

 

 

 

 

 

 

 

 

 

 

 

 

 

 

 

 

 

 

 

 

 

 

 

 

 

КОС

 

 

 

 

 

 

 

 

 

 

 

 

 

 

 

 

 

 

 

 

 

 

 

 

 

 

 

 

 

 

 

 

 

 

 

 

 

 

 

 

 

 

 

 

 

 

 

 

 

 

 

 

 

 

 

 

 

 

 

 

 

 

 

 

 

 

 

 

 

 

 

 

 

 

 

 

 

 

 

 

 

 

 

 

 

 

 

 

 

 

 

 

 

C1 R1

 

 

 

 

 

R2

 

 

 

 

 

 

 

 

 

 

 

 

 

 

 

 

 

 

 

 

 

 

Uвх

 

 

 

 

 

 

 

 

 

 

 

 

 

 

 

 

 

 

 

 

 

 

 

 

 

 

 

 

2 f

 

 

 

 

 

 

 

 

 

 

 

 

 

 

 

 

 

 

 

 

 

 

 

 

 

 

 

 

 

 

 

 

 

 

 

 

 

 

 

 

 

 

 

 

 

 

 

 

 

 

 

 

 

 

 

 

 

 

 

 

 

 

 

 

 

 

 

 

 

 

 

 

 

 

 

1

 

 

 

 

 

 

 

 

 

 

 

 

 

 

 

 

 

 

 

 

 

 

 

 

 

 

 

 

 

 

Uвых

 

 

 

 

1 1

 

 

в

ω

 

 

 

 

 

 

 

 

 

 

 

 

 

 

 

 

 

 

 

 

 

 

 

 

 

 

 

 

 

 

 

 

 

 

 

 

 

 

 

 

 

 

 

 

 

 

 

 

 

 

 

 

 

 

 

 

 

 

 

 

 

 

 

 

 

 

 

 

 

 

 

 

 

 

 

 

 

 

 

 

 

 

 

 

 

 

 

 

 

 

 

 

 

 

 

 

 

 

 

 

 

 

 

 

 

 

 

 

 

 

 

 

 

 

 

 

 

 

 

 

 

 

 

 

 

 

 

 

 

 

 

 

 

 

 

 

 

 

 

 

 

 

 

 

 

 

 

 

 

 

 

 

 

 

 

 

 

 

 

 

 

 

 

 

 

 

 

Рис. 12.10 – Схема инвертирующего УНЧ

В неинвертирующем УНЧ (рис. 12.11, а) наряду с разделительным конденсатором С2 включен конденсатор С1 для уменьшения сдвига и дрейфа нуля на выходе ОУ (в этом случае обратная связь на постоянном токе стопроцентная и значительно глубже, чем на переменном).

При R2=R3 сдвиг нуля определяется как

Uвыхсдв Uсм IвхR2.

138

Коэффициент усиления по напряжению в рабочем диапазоне частот равен КОС 1 R2R1. Входное сопротивление Rвх R3.

Бόльшую величину входного сопротивления обеспечивает схема, представленная на рис. 12.11, б. Резистор R3 по переменной составляющей включен между входами ОУ, напряжение между которыми близко к нулю. Поэтому входной ток почти не те-

чет в R3. В этой схеме R

А R3

К

R3.

 

 

вх

 

КОС

 

 

 

 

 

 

 

C1

R2

 

R1

C1

 

 

 

 

 

R1

 

 

 

R2

 

 

 

 

R3

 

 

Uвых

 

Uвых

 

 

 

 

 

Uвх

C2

Uвх

C2

 

 

 

 

 

 

R3

 

 

 

 

 

а

 

 

 

б

Рис. 12.11 – Варианты схем неинвертирующих УНЧ

12.7 Усилители с токовым выходом

При измерении постоянных напряжений с помощью токового прибора (миллиамперметра) возникают погрешности за счет влияния измерительной цепи на измеряемую, изменения сопротивления медной рамки прибора при изменении температуры окружающей среды. В вольтметрах переменного напряжения к ним добавляются погрешности за счет падения напряжения на диодах выпрямителя.

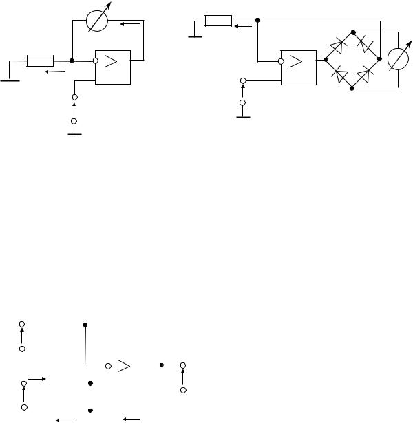
Применение операционных усилителей (рис. 12.12) позволяет существенно уменьшить перечисленные погрешности и построить милли-вольтметры постоянного и переменного напряжения. Применение неинвертирующего включения ОУ обеспечивает большое входное сопротивление измерительной цепи. Поэтому при ее подключении величина Uвх не изменяется. Так как разность потенциалов между входами ОУ практически равна нулю,

139

ток через калибровочный резистор R определяется соотношением I = Uвх/R. Такой же ток течет через стрелочный прибор (миллиамперметр), подключенный в цепь ООС операционного усилителя. Величина этого тока не зависит от сопротивления рамки токового прибора и других сопротивлений, последовательно с ней включенных (в частности, диодов выпрямительной схемы). С помощью резистора R легко изменять шкалу прибора.

 

 

R

R

I

I

 

 

I

 

Uвх

Uвх

 

а

б

Рис. 12.12 – Преобразователи напряжение ток:

а – вольтметр постоянного тока; б – вольтметр переменного тока

В схеме вольтметра переменного напряжения в момент перехода измеряемого напряжения через ноль цепь обратной связи ОУ разомкнута. Поэтому напряжение на выходе ОУ быстро достигает порога отпирания диодов. Следовательно, ошибка за счет напряжения отпирания диодов уменьшается в К раз.

Схема дифференциального усилителя с токовым выходом

 

 

 

 

 

 

 

 

 

 

R

 

 

 

R

приведена на рис. 12.13.

 

 

 

 

 

 

 

 

 

 

 

 

 

 

 

 

 

 

 

 

 

 

 

 

 

 

Наряду с ООС в ней ис-

 

 

 

 

 

 

 

 

 

 

 

 

 

 

 

 

 

 

 

 

 

 

 

 

 

 

U1

 

 

 

 

 

 

 

 

 

 

 

 

 

 

 

 

 

 

 

 

 

 

 

 

 

 

 

 

 

 

 

 

 

 

 

 

пользуется ПОС

с выхода

 

 

 

 

 

 

 

 

i2

 

 

 

 

R

 

 

 

 

 

 

 

 

 

ОУ на неинвертирующий

 

 

 

 

 

 

 

 

 

 

 

 

 

 

 

 

 

 

 

 

 

 

 

 

 

 

 

 

 

 

 

 

 

 

 

 

 

 

 

 

 

 

 

 

 

 

 

 

 

 

 

 

 

 

 

 

 

 

 

 

 

Uвых

вход.

 

 

 

 

 

 

 

 

 

 

 

 

 

 

 

 

 

 

 

 

 

 

 

 

 

 

 

 

 

 

 

 

 

 

 

 

 

 

 

 

 

 

 

 

 

 

 

 

 

 

 

 

 

 

 

 

 

 

 

 

 

 

 

 

 

 

 

 

 

 

 

 

 

 

 

 

U2

 

 

 

 

 

 

 

 

 

 

 

 

 

 

 

Напряжение на выходе

 

 

 

Rн

 

 

 

 

R

 

 

 

 

 

 

 

 

 

 

 

 

 

 

 

 

 

 

 

 

 

 

 

 

 

 

 

 

 

 

 

 

 

 

 

 

операционного усилителя

 

 

 

 

 

 

 

 

 

 

 

 

 

 

 

 

 

Uн

 

 

 

 

 

 

 

 

 

 

 

 

 

 

 

 

 

 

 

 

 

iн

 

i1

Uвых 2Uн U1.

 

 

 

 

 

 

 

 

 

 

 

 

 

 

 

 

 

 

 

 

 

 

 

 

 

 

 

 

 

 

 

 

 

 

 

 

 

 

 

 

 

Подставив

это выра-

Рис. 12.13 – Схема усилителя

жение в уравнение тока на-

грузки iн = i2+ i1, получаем

 

 

 

 

 

 

 

с токовым выходом