125
висит и от класса точности элементов, используемых в цепи ООС операционного усилителя. Изучению таких устройств и оценке основных составляющих их погрешности посвящена следующая глава, в которой рассмотрены вопросы применения ОУ. С практической точки зрения эти вопросы являются наиболее важными в изучаемой дисциплине.
126
12 ПРИМЕРЫ ПРИМЕНЕНИЯ ОПЕРАЦИОННЫХ УСИЛИТЕЛЕЙ
12.1 Инвертирующий усилитель постоянного тока
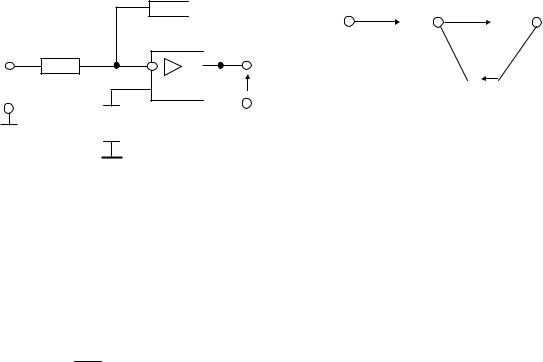
В инвертирующем УПТ (рис. 12.1, а) резистор R3 поставлен для улучшения температурной стабильности режима (уменьшения ошибок сдвига и дрейфа нулевого уровня) и может отсутствовать. Операционный усилитель охвачен параллельной ООС по напряжению.
R1
Uвх
R3 

а
R2
|
|
|
|
|
|
|
|
|
|
Uвх σ U- -K |
Uвых |
||||||
|
|
|
|
|
|
|
|
||||||||||
|
|
|
|
|
|
|
|
||||||||||
|
|
|
|
|
|
|
|
|
|
|
|
|
|
|
|
|
|
|
|
|
|
|
|
|
|
Uвых |
γ |
б |
|||||||
|
|
|
|
|
|
|
|
||||||||||
|
|
|
|
|
|
|
|
||||||||||
|
|
|
|
|
|
|
|
|
|
||||||||
|
|
|
|
|
|
|
|
|
|||||||||
|
|
|
|
|
|
|
|
|
|
|
|
|
|
|
|
|
|
|
|
|
|
|
|
|
|
|
|
|
|
|
|
|
|
|
|
|
|
|
|
|
|
|
|
|
|
|
|
|
|
|
|
|
|
|
|
|
|
|
|
|
|
|
|||||||||
|
|
R2 |
|
|
– коэффициент передачи входной цепи; |
||||||||||||
|
|
|
|
|
|
|
|||||||||||
|
|
|
R1 R2 |
|
|||||||||||||
|
|
|
R1 |
|
|
– коэффициент обратной связи. |
|
||||||||||
|
|
|
|
|
|
|
|
|
|||||||||
R1 R2
Рис. 12.1 – Схема инвертирующего масштабного УПТ
Для идеального ОУ коэффициент усиления УПТ определяется соотношением (11.14) при Z1=R1, Z2=R2. Следовательно,
КОС R2. Такой усилитель инвертирует входной сигнал и из-
R1
меняет его масштаб пропорционально отношению сопротивлений резисторов в цепи обратной связи. В измерительной технике его называют масштабным усилителем.
Относительная погрешность коэффициента усиления за счет неидеальности резисторов (учитывающая их технологические и температурные погрешности R1 и R2)
|
|
|
|
|
|
KОС |
dR |
|
KОС |
dR |
|
dR |
|
|
|
|
|
|
|
|
|
dK |
|
|
|
R |
R |
|
dR |
|
|
|
|
||||||
R |
, R |
ОС |
|
|
2 |
|
1 |
|
|
|
|
|
|||||||
|
|
|
2 |
|
1 |
|
|
2 |
|
1 |
|
R |
|
R |
, |
||||
|
|
|
|
|
|
|
|
|
|||||||||||
1 |
2 |
KОС |
|
KОС |
|
|
R2 |
R1 |
|
|
|||||||||
|
|
|
|
|
2 |
|
1 |
|
|||||||||||
|
|
|
|
|
|
|
|
|
|||||||||||
127
где R – относительная погрешность резисторов.
Для повышения точности масштабного усилителя в цепи ООС используются прецизионные резисторы с одинаковыми температурными коэффициентами сопротивления.
С учетом конечности коэффициента усиления K реального ОУ (см. сигнальный граф, представленный на рис. 12.1, б) уточненное значение KОС можно записать в виде
KОС |
K |
|
R2 R1 |
|||
|
|
|
|
. |
||
1 K |
1 |
1 |
|
|||
|
|
|
||||
K
Относительная погрешность KОС за счет нестабильности коэффициента усиления K операционного усилителя зависит от глубины обратной связи 1 K A K
KОС :
K |
|
K |
, |
|
|
||
|
1 K |
||
где K К – относительная нестабильность коэффициента уси-
К
ления операционного усилителя K. При изменении температуры окружающей среды на десятки градусов она может составлять десятки процентов.
Например, при K 105, KОС 100, K 50 % получаем
50 100
K 0,05 %.
105
Возможная величина сдвига нулевого уровня (значение выходного напряжения при нулевом входном напряжении УПТ) оп-
|
R1 |
R2 |
ределяется |
напря- |
|
жением смещения и |
|||
|
|
|
||
|
I - |
|
входными |
токами |
|
|
реального ОУ (эк- |
||
|
Uсм |
|
||
|
|
вивалентная |
схема |
|
|
|
U |
||
R3 |
|
выхсдв для расчета |
этого |
|
I+ |
|
параметра приведе- |
||
|
|
|
на на рис. 12.2): |
|
Рис. 12.2 – Эквивалентная схема для оценки сдвига нулевого уровня
|
|
|
|
|
128 |
|
|
|
|
|
|
R1 R2 |
|
|
|
R1 R2 |
|
||
U |
|
|
U |
см |
I R3 I |
|
. |
(12.1) |
|
R1 |
R1 R2 |
||||||||
выхсдв |
|
|
|
|
|
|
|||
Резистор R3 вводится в усилитель с целью уменьшить погрешность сдвига от входных токов I+ и I . В случае равенства этих токов полная коррекция погрешности достигается при R3 R1
R2. Однако в общем случае входные токи ОУ не равны друг другу. Имеется не равный нулю разностный входной токIвх I I . Поэтому при выполнении условия компенсации можно записать соотношение (12.1) в виде
|
|
R1 R2 |
|
|
|
R1 R2 |
|
|
||
U |
|
|
U |
см |
Iвх |
|
|
U |
см 1 |
|
R1 |
R1 R2 |
|||||||||
выхсдв |
|
|
|
|
|
|
|
|||
R2
IвхR2.
R1
С помощью балансировки нуля при комнатной температуре погрешность сдвига можно скорректировать до нуля. Но при изменении температуры окружающей среды может появиться погрешность дрейфа за счет температурной нестабильности Uсм иIвх ( Т – диапазон изменения температуры):
|
|
|
R2 |
|
|
|
U |
U |
см 1 |
|
Т I |
вхR2 Т . |
|
R1 |
||||||
выхдр |
|
|
|
|
Входное сопротивление УПТ (как усилителя с параллельной ООС)
R R1 r |
|
|
R2 |
R1. |
|
|
|||||
вх |
вх |
|
1 K |
||
Выходное сопротивление УПТ (как усилителя с ООС по напряжению)
Rвых rвых .
1 K
Если передаточная функция операционного усилителя описывается выражением
К р К , 1 р оу
где оу К
2 f1 – постоянная времени ОУ, то передаточную функцию инвертирующего УПТ можно записать в виде
|
129 |
|
|
|
|
КОС р |
|
R2 R1 |
. |
||
|
|
||||
|
1 р |
оу |
|||
|
|
|
|
||
1 К
Верхняя граничная частота полосы пропускания УПТ на
уровне 3 дБ определяется соотношением fв f1 . 1 R2
R1
Она тем меньше, чем больше коэффициент усиления УПТ.
12.2 Неинвертирующий усилитель постоянного тока
В неинвертирующем УПТ (рис. 12.3, а) операционный усилитель охвачен последовательной ООС по напряжению. С учетом конечности величины К реальных ОУ сигнальный граф неинвертирующего УПТ можно представить в виде, показанном на рис. 12.3, б.
R1 |
R2 |
|
|
K |
|
|
|
Uвх |
|
|
|
|
Uвых |
|
|
|
|
|
|
R3 |
|
|
|
-K |
|
Uвых |
|
|
|
|
|
|
||
Uвх |
|
|
U- |
|
|
|
|
||
а |
|
|
б |
|
|
|
|
Рис. 12.3 – Схема неинвертирующего УПТ (а) и ее сигнальный граф (б)
Для идеального ОУ коэффициент усиления равен (см. вы-
ражение 11.15 при Z1=R1, Z2=R2) КОС 1 R2.
R1
Коэффициент усиления УПТ с учетом конечности К
1 |
R2 |
|
|
|
R1 |
|
|
||
КОС |
|
|
. Относительная погрешность коэффициента уси- |
|
|
|
|
||
1 |
1 |
|
|
|
|
|
|
||
К
ления УПТ за счет неидеальности резисторов в цепи ОС