Кнопка «РЕГИСТР./РЕЖИМ» 16 обеспечивает путём последовательного нажатия вывод и переключение информации на цифровых индикаторах данных регистратора и текущей даты и времени [29].
Индикация состояния крана-трубоукладчика и положения его механизмов, осуществляемая автоматически в режиме Работа, представлена следующими единичными светодиодными индикаторами. В частности [29]:
• при срабатывании исполнительного реле по условиям перегрузки крана-трубоукладчика или недопустимых перемещениях обо-
рудован я, засвеч вается красным |
светом индикатор с надписью |
«ОПА НО» 1; |
|
С |
«СТРЕЛА↑» 7, «КРЮК↑» 8 и |
• засвеч ван е ндикаторов |
« ТРЕЛА↓» 9 св детельствует о срабатывании физических или программных концевых выключателей предельного верхнего положения
стрелы, предельного верхнего положения крюка и предельного ниж- |
|
него положен я стрелы соответственно; |
|
и |
|
• |
засвеч ван е светодиодной линейки 6 производится относи- |
тельно шкалы (60 – 110%), отражающей в процентах степень загрузки
ной загрузке красного свечения – при перегрузке.
крана- |
; светодиоды зеленого свечения – при нормаль- |
|
трубоукладчика |
|
А |
При неисправностях при ора блок БОД создает управляющий сигнал на исполнительное реле. Вместе с этим загорается индикатор перегрузки «ОПАСНО» 1, создается непрерывный звуковой сигнал, и на верхний цифровой индикатор Двыводится сигнал неисправности Err, а на нижний индикатор – код неисправности [29].
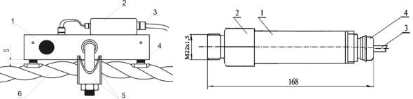
Датчик нагрузки тензометрический (усилия) НТ-У (рис. 5.5, а) устанавливается на канат подвески стрелы. атчик служит для определения усилия, создаваемого грузом и стрелой, и представляет собой тензобалку с тензорезисторным мостом внутриИ1, сигнал которого определяет статическую характеристику датчика. Под действием внешней нагрузки в чувствительном элементе датчика возникают упругие деформации, которые он преобразует в электрический сигнал, пропорциональный величине действующей нагрузки. В корпусе 2 расположена плата со стабилизатором напряжения и усилителем, сигнал с которого передаётся в блок БОД через соединитель 3. Для механического соединения с канатом 6 на датчике находится хомут 5, с пом о- щью которого трос зажимается между двух опор 4 [29].
Датчики нагрузки тензометрические (давления) ДНТ-Д (рис. 5.5, а) устанавливаются в переходные узлы, обеспечивающие подключение их в поршневую и штоковую полости гидроцилиндра подъёма стре-
156
лы. Датчик, подключаемый в штоковую полость, служит для определения давления, создаваемого грузом и стрелой, а датчик, подключаемый в поршневую полость, служит для компенсации избыточного давления, возникающего при движении стрелы [29].
а |
|
б |
С |
|
|
Р с. 5.5. В д о |
датчиков нагрузки прибора ПТБ-1: |
|
а – датч к ус лия ДНТ-У; |
– датчики давления ДНТ-Д |
|
Датч к ДНТ-Д представляет |
упругий элемент с наклеен- |
|
щий |
|
|
ным на него тензорез сторным мостом, сигнал которого определяет |
||
статическую характер стику датчика. Под действием внешней нагруз- |
||
ции, которыесобойон прео разует в электрический сигнал, пропорциональный величине действующего давления. Чувствительный элемент заключен в корпус 1, заканчивающийся шестигранником 2 для обеспе-
ки в чувствительном элементе датчика возникают упругие деформа-
чения возможности вкручивания в переходные гидравлические узлы. |
|
Для механического соединения с узлами, передающими давление на |
|
А |
|
датчик, на его торце имеется резьба М22х1,5. Сигнал датчика выводит- |
|
ся кабелем 3, сальниковый ввод которого закрыт гайкой 4 [29]. |
|
Датчик угла наклона стрелы |
монтируется с любой сторо- |
ны стрелы, при этом измерительнаяДУНСплоскость датчика должна быть параллельна плоскости поворота (наклона) Истрелы. Чувствительный элемент датчика представляет собой консольную балку со смещенным центром тяжести, на которой наклеен тензометрический мост. Механическое напряжение балки зависит от наклона корпуса датчика, с которым связан защемленный конец балки. Датчик преобразует упругие деформации балки в электрический сигнал, пропорциональный величине синусу угла наклона, который выводится через соединитель.
Датчик угла наклона рамы ДУНП устанавливается на раме (портале) крана-трубоукладчика, при этом плоскость его установки должна быть параллельна горизонтальной плоскости рамы. Датчик аналогичен по принципу действия датчику ДУНС, но содержит два преобразователя, ориентированных в двух ортогональных плоскостях [29].
157
Антенный блок представляет собой высокопрочный пластмассовый корпус, закрепляемый на головке стрелы через стальную подставку. Внутри корпуса размещена антенна и печатная плата со схемой преобразования сигнала ЛЭП в кодированный сигнал, передаваемый в блок БОД [29].
Корпуса всех датчиков выполнены в пыле-, водозащищенном исполнении, что обеспечивается применением уплотнительных прокладок и герметиков. Все составные части корпусов покрыты лакокрасочными матер алами [29].
5.2. Прибор безопасности АЗК110 |
|
С |
|
Пр бор |
АЗК110, выпускаемый ООО НПП «Резо- |
безопасности |
|
нанс», г. Челяб нск, |
предназначен для защиты крана-трубоукладчика |
б |
|
от перегрузок опрок дывания при подъёме груза, измерения и ото- |
|
бражен я нформац |
параметрах машины. Прибор даёт информа- |
цию о факт ческой массе поднимаемого груза и предельной грузоподъёмности, о степени загрузки машины и величине вылета, угле наклона стрелы и высотеАподъёма её оголовка, углах продольного и поперечного наклонов азового трактора [56].
Устанавливается на кранах-трубоукладчиках различной грузоподъёмности с механическим или гидравлическим приводом стрелы на
•удобное представление Динформации с отображением всех основных параметров машины на дисплее блока индикации;
•регистратор параметров с часами реального времени и USB-интерфейсом для считывания регистратораИпараметров;
•простота установки и защита соединений узлов за счёт использования «тракторного» исполнения соединительных жгутов, включая применение металлорукавов, и герметичных разъёмов AMP;
•прочные герметичные корпуса всех блоков и датчиков, обеспечивающие степень защиты от внешних воздействующих факторов
IP54 по ГОСТ 14254–96;
•повышенная устойчивость всех составных частей и соединительных жгутов к воздействию агрессивных сред, вибрационных и ударных нагрузок;
•защита от перенапряжений в бортовой сети и защита всех выходов от короткого замыкания нагрузки.гусеничном или пневмоколесном ходу. ля различных моделей трубо-
158
АЗК110 как система защиты крана-трубоукладчика [56]:
автоматически формирует сигнал отключения механизмов машины при подъёме груза, масса которого превышает максимальную грузоподъёмность для текущего вылета. При этом сохраняется возможность обратного движения механизмов с целью уменьшения степени загрузки трубоукладчика;
производит остановку механизмов подъёма крюка при его подходе к крайним верхнему и нижнему положениям;
про звод т остановку механизмов изменения вылета в край-
них положен ях стрелы крана (координатная защита); |
||
вание |
||
|
обеспеч вает своевременное обнаружение ЛЭП и блокиро- |
|
Смехан змов трубоукладчика при вхождении оголовка стрелы в |
||
опасную зону позволяет совершать обратные движения с целью вы- |
||
хода оголовка стрелы |
з опасной зоны. |
|
Рег |
б |
|
стратор параметров состоит из трёх областей памяти, пред- |
||
назначенных для хранения: |
||
• |
операт вной |
нформации; |
• |
нформац |
о перегрузках трубоукладчика; |
|
А |
|
• |
долговременной информации. |
|
Оперативная информация и информация о перегрузках состоит из набора записей и включает в себя следующие параметры: дату и время записи; значение степени загрузки трубоукладчика; значение массы груза; значение максимально допустимой массы груза для текущего вылета; значение угла наклонаДстрелы; значение вылета; значение высоты подъёма оголовка стрелы; информацию о сработавших ограничениях; информацию о дискретных входах и выходах; информацию о принудительном снятии ограничения.
Долговременная информация включает в себя: общую наработку крана в моточасах; суммарное число рабочихИциклов; статистику поднятых грузов; характеристическое число; номер прибора безопасности; номер трубоукладчика; дату установки прибора безопасности на кран.
В состав прибора АЗК110 (рис. 5.6) входят [56]:
•блок индикации БИ110.2 – 1;
•датчики усилия ДСТ5.2 – 2;
•выключатель концевой серии ВМ – 3.
•контроллер СБУК СМ5 – 4 (для кранов-трубоукладчиков с гидравлическим приводом стрелы);
•датчик угла наклона ДУГ45.4 – 5;
•датчик угла наклона ДУГ45.5 – 6;
•датчик опасного приближения к ЛЭП ДЛ220.3 – 7.
159
1 |
2 |
|
|
|
4 |
С |
|
3 |
|
|
и |
6 |
7 |
||
5 |
|
|
|
|
|
Р с. 5.6. Внешний вид элементов прибора АЗК110 |
|
||
|
|
А |
|
|
|
На рисб. 5.7 приведена схема оснащения крана-трубоукладчика с |
|||
механическим приводом стрелы прибором ЗК110. |
|
|||
|
|
|
Д |
|
ДЛ220.3
|
ВМ |
ДСТ5.2 |
БИ |
|
|
|
110.2 |
ДУГ45.5 |
|
ДУГ45.4
Рис. 5.7. Схема расположения прибора АЗК110 на кране-трубоукладчике
160