Материал: 2451

Внимание! Если размещение файла нарушает Ваши авторские права, то обязательно сообщите нам

Датчик угла наклона представляет собой электронный потенциометр, приводимый в действие силой гравитации и преобразующий угол наклона среднего колена подъёмника в электрический сигнал. Датчик размещен на боковой поверхности колена вблизи основания.

Си б А Д И

Рис. 4.8. Схема соединений ограничителя АС-АОГ-02.1 на АГП-22.04 146

 

 

Контрольные вопросы и задания

1.

Каковы назначение, область применения, устройство и прин-

цип работы ограничителя предельного груза ОПГ-2000М?

2.

Какой тип датчика усилия используется в ОПГ-2000М?

3.

Какие индикаторы имеет ограничитель ОПГ-2000М?

4.

Каковы назначение, область применения, устройство и прин-

цип работы ограничителя предельной грузоподъёмности ОПГ11?

5.

В чём отл ч е ограничителей ОПГ11 и ОПГ-2000М?

6.

Каковы назначение, область применения, устройство и прин-

При

цип работы огран ч теля грузоподъёмности ОКМ-1?

С7. как х уровнях фактической нагрузки в сравнении с но-

минальной огран ч тель ОКМ-1 формирует предупредительный и

запрещающ й с гналы?

8.

бор

Для чего в ограничителе ОКМ-1 применяются тензометриче-

ские преобразователи ПТК?

9.

Сколько

сполнительных реле имеет блок коммутации огра-

ничителя ОКМ-1?

10.

Каковы назначение, о ласть применения, устройство и прин-

цип работы при

а езопасности лестниц ПБЛ240?

11.

Перечислите функции прибора безопасности ПБЛ240.

12.Какая информация ото ражается на передней панели блока индикации БИ04.3 прибора безопасности лестниц ПБЛ240?

13.Для чего предназначен блок управления горизонтированием БУГ45.1 прибора безопасности лестниц ПБЛ240?

14.Каковы назначение, область применения, устройство и принцип работы ограничителя грузоподъёмности АС-АОГ-02.1?

15.Каким образом измеряется фактическая нагрузка в ограничителе грузоподъёмности АС-АОГ-02.1?

16.Опишите места установки датчиков ограничителя грузоподъёмности АС-АОГ-02.1 на автогидроподьемнике АГП-22.04.

17.Какие индикаторы и органы управления расположены на передней панели блока АОГ ограничителя АС-АОГ-02.1?АИ

147

5. ОГРАНИЧИТЕЛИ ГРУЗОПОДЪЁМНОСТИ КРАНОВ-ТРУБОУКЛАДЧИКОВ

5.1. Прибор безопасности ПБТ-1

овременные требования к оснащению грузоподъёмных машин приборами безопасности предопределили создание изделий на базе микропроцессорной техники с расширенными функциональными, информац онными, д агностическими и регистрационными возможно-

стями. Таковым

здел ем является многофункциональный прибор

безопасности ПБТ-1, выпускаемый ООО «Яуза-10», г. Мытищи.

С

 

Пр бор безопасности ПБТ-1 (рис. 5.1) предназначен для защиты

кранов-трубоукладч ков от перегрузки и опрокидывания, а также

обеспечен я маш н ста информацией о загруженности трубоуклад-

, положен

его ра очего о орудования (в том числе относи-

чика тельно ЛЭПб) допуст мых движениях этого оборудования [55].

А Д И

Рис 5.1. Внешний вид прибора безопасности ПБТ-1:

1 – блок обработки данных БОД, 2 – датчик усилия ДНТ-У, 3 – датчик угла наклона стрелы ДУНС, 4 – датчик угла наклона платформы ДУНП, 5 – прибор считывания информации регистратора, 6 – диск с программой обработки на ПЭВМ информации регистратора

148

Прибор обеспечивает выполнение требований ПБ 10-157–97 «Правил устройства и безопасной эксплуатации крановтрубоукладчиков», согласно которым проходит работа трубоукладчика в следующих технологических режимах [29]:

в режиме указателя, когда обеспечивается только информи-

С

 

 

рование машиниста о параметрах работы крана-трубоукладчика (при

работе в колонне);

 

 

в режиме ограничителя, когда,

помимо информационных

сигналов, создается управляющий сигнал

на отключение механизмов

(при работе крана-трубоукладчика вне колонны и при наличии на нем

эксплуатации

если фактическая нагрузка на кран-

исполн тельных устройств),

трубоукладч превыс т допустимое значение.

Пр бор также о еспечивает регистрацию и хранение информа-

ции о работе тру оукладчика.

 

б

 

Пр бор ор ент рован на установку как на выпускаемых, так и

находящ хся в

кранах-трубоукладчиках, оснащенных

различным составом технических средств. Поэтому он выполняется из ун ф ц рованных модулей, обеспечивающих возможность его применения на различных типах машин. На конкретную модель кра- на-трубоукладчика ориентировано соответствующее исполнение при-

бора [29].

Конструктивно при ор выполнен из унифицированных модулей,

состав которых определяется конкретным исполнением [29]:

 

блок обработки данных, информации и питания

предна-

А

 

значен для приема и последовательного преобразования сигналов

датчиков в цифровой код, обработки и создания информационных и

управляющих сигналов, регистрации и хранения информации.

 

датчик нагрузки тензометрический (усилия) НТ-У предна-

значен для преобразования в электрический сигнал усилия в канатной

 

БОД

подвеске стрелы (исполнение для кранов-трубоукладчиков с канатной

подвеской стрелы);

 

датчики нагрузки тензометрические (давления) ДНТ-Дш и

 

И

ДНТ-Дп предназначены для преобразования в электрический сигнал давления соответственно в штоковой и поршневой полостях гидроцилиндра на кранах-трубоукладчиках с жесткой подвеской стрелы;

датчик угловых перемещений ДУНС предназначен для преобразования в электрический сигнал угла наклона стрелы кранатрубоукладчика;

датчик угла наклона рамы (портала) ДУНП предназначен для преобразования в электрический сигнал углового перемещения рамы

149

(портала) относительно горизонта; датчик ДУНП контролирует наклон рамы в двух (продольной и поперечной) вертикальных плоскостях крана-трубоукладчика;

антенный блок АБ предназначен для контроля наличия напряжения ЛЭП вблизи крана-трубоукладчика;

Сконцевые выключатели подъёма крюка (КВПК) и положения контргруза (КВ1 и КВ2) предназначены для контроля положения указанного оборудования;

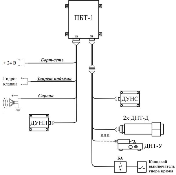
Все модули пр бора соединяются между собой посредством ка-

белей, оканч вающ хся разъёмными соединениями (рис. 5.2) [29]. и б А Д И

Рис. 5.2. Схема электрическая общая прибора ПБТ-1

150