50 – 70% от номинальной и подготавливает привод к останову. При появлении перегрузки останов происходит на пониженной скорости. Если перегрузки нет, то продолжение работы происходит с любой скоростью, заданной крановщиком.
По требованию заказчика на базе ограничителя ОГШ-2.10 могут быть собраны специальные комплектации с реализацией дополнительных функций управления, например, весоизмерение, учёт наработки и т.д.
В базовый комплект ограничителя ОГШ-2.х входят [25]:
• |
блок м кропроцессорный БМ; |
• |
блок п тан я БП (блок питания и зажимов БПЗ); |
С |
|
• |
блок заж мов БЗ (может совмещаться с БП) или блок зажи- |
мов реле БЗР (в зав с мости от модификации); |
|
• |
короб клеммный КК; |
• |
пульт управления ПУ; |
• |
комплект соед нительных кабелей; |
и |
|
• |
датч ки тензометрические (количество датчиков зависит от |
модиф кац огран ч теля от 2 до 4); |
|
• |
прео разователи тензометрические кода ПТК; |
• |
нормировщикбН4 (см. рис. 3.50, г); |
• прибор считывания информации ПСИ-03 (см. рис. 3.50, д); |
|
• |
диск с программой о ра отки и документацией. |
Общая электрическая схема ОГШ-2.7 изображена на рис. 3.51. |
|
|
А |
|
Д |
|
И |
Рис. 3.51. Схема электрическая общая ограничителя ОГШ-2.7
126
Для реализации основных и дополнительных функций управления в ОГШ-2.х имеются 4 – 8 управляющих реле, предназначенных для коммуникации цепей управления переменного тока напряжением 380 В. Управляющие реле расположены в блоке питания (2 – 3 реле) или в отдельных блоках (БП3, БЗР).
СОграничители ОГШ-2.7 могут комплектоваться дополнительным оборудованием, например светофором, анемометром, блоком светодиодной или цифровой индикации, выносным табло и т.д.
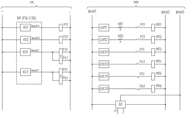
Рассмотр м пр нцип работы ограничителя ОГШ-2.10Ц с двумя
лебёдками, пр нц п альная схема которого показана на рис. 3.52 [25]. б А
Рис. 3.52. Схема электрическаяДпринципиальнаяИ ограничителя ОГШ-2.10Ц и электросхемы крана
На рис. 3.52 приведены следующие обозначения: ЦУП 1, 2 – цепь управления подъёмом (основной, вспомогательный); ЦУСК 1,2 – цепь управления скоростью подъёма (основного, вспомогательного); ЦУСЛ 1,2 – цепь управления слабиной каната (основной и вспомогательный подъём); КВ1, КВ2 – концевые выключатели; КП1, КП2 – ключи подъёма (основного, вспомогательного); КСК – ключ скорости основного подъёма; КСЛ – ключ слабины каната; Р11, Р21 – реле подъёма (основного и вспомогательного); Р31, Р41 – реле скорости подъёма (основного и вспомогательного); Р51, Р61 – реле слабины каната (основ-
127
ной и вспомогательный подъём); МП1, МП2 – магнитные пускатели; МП3, МП4 – магнитные пускатели скорости основного и вспомогательного подъёмов; МП5, МП6 – магнитные пускатели слабины основного и вспомогательного подъёмов; БП – блок питания [25].
Питание ограничителя включается при включении крана. Переключение режимов возможно только при отсутствии нагрузки на крюке, а при замене грузозахватного органа – только после выключения питания. Исходное состояние крана: кран готов к работе, включе-
но питан е, крюковая подвеска без груза, концевые выключатели |
||
КВ1, КВ2 огран чен я высоты подъёма крюка замкнуты, сигналы |
||
датчиков ус л я в пределах допустимых отклонений от «нуля». |
||
С |
|
|
«Нуль» – вел ч на с гнала, полученная при нормировке без нагрузки |
||
на крюке [25]. |
|
|
В сходном |
|
ключи подъёма КП1, КП2 замыкаются, |
включается световая |
|
гнализация блока индикации, горит зеленый |
светод од «РАБОТА» |
раздается короткий звуковой сигнал, который |
|
состоянии |
||
свидетельствует |
справности ограничителя и готовности к работе. |
|
Появлен е трёх коротк х звуковых сигналов при включении ограни- |
||
чителя свидетельствует о рассла лении каната, вызванном опускани- |
||
об ем грузозахватного органаАна землю или об изменении параметров
настройки ограничителя по отношению к начальной установке, работа разрешена. Если при включении питания звучат три длинных звуковых сигнала с короткими перерывами, то работа крана разрешена. Указанная сигнализация появляется, как правило, в том случае, если
детельствует о неисправности датчикаДили прибора. При количестве датчиков более одного неисправный датчик определяется с помощью блока индикации [25].
на кране в предшествующем цикле было выключено питание с грузом на крюке. Если при включении питания звучит непрерывный звуко-
вой сигнал, то подъём крюка запрещен. Указанная сигнализация сви- И
Далее в рабочем режиме замыкаются реле Р11, Р21– работа ос-
новного (лебёдка 1) и вспомогательного (лебёдка 2) подъёма разрешена. Совместная работа основного и вспомогательного подъёма без груза разрешена до тех пор, пока величина нагрузки на одном из них не достигнет нижнего порога регистрации рабочего цикла (5%). После этого разрешена работа только в соответствии с выбранным режимом [25].
При увеличении нагрузки до заданного значения порога предварительного останова при работе с крюком включаются предупредительная световая и звуковая сигнализации с кратковременным размы-
128
канием реле Р1 или Р2, что позволяет снизить динамическую нагрузку за счет снижения скорости подъёма или кратковременной остановки двигателя механизма подъёма (при работе с грейфером предварительная сигнализация не включается) [25].
Запрещение работы лебедок основного и вспомогательного подъёмов происходит при перегрузке крана или отдельной лебёдки. В этом случае ключи КП1, КП2 размыкаются и соответственно обесточиваются реле Р11, Р21. Контакты реле Р11, Р21 размыкаются [25].
Блок п тан я БП-2.7 обеспечивает бесперебойное питание мик- |
|||
ропроцессорного блока напряжением +24 В при колебаниях напряже- |
|||
ния питан я от ~300 до ~420 В, а также при кратковременном пропа- |
|||
С |
|
|
|
дании п тан я (на троллеях). |
|
||
Блок м кропроцессорный БМ содержит: плату микропроцессора |
|||
плату нд кац |
. В ограничителях ОГШ-2.х сигнальные устройства |
||
размещаются на передней панели БМ. Назначение элементов индика- |
|||
с гнальных устройств БМ показано на рис. 3.53 [25]. |
|
||
ции |
|
||
2 |
|
1 |
|
б |
2 |
||
|
4 |
|
|
3 |
6 |
3 |
|
5 |
А |
||
4 |
|||
|
|||
|
|
||
|
5 |
|
|
|
Д |
|
|
Рис. 3.53. Внешний вид передней панели БМ ОГШ-2.х: |
|
||
1 – цифровой индикатор; 2 – индикаторы работы ограничителя; |
|
||
3 – указатель режима работы; 4 – указатель процента загрузки; |
|
||
5 – индикатор слабины; 6 – индикаторы работы лебедок (каналов) |
|
||
|
И |
||
Светодиод «РАБОТА» обозначает разрешение работы крана. Включение светодиода «ОПАСНО» свидетельствует о приближении нагрузки к максимальному значению или достижению порога снижения скорости. Включение светодиода «СТОП» соответствует запрещению работы крана вследствие перегрузки крана или лебёдки, а также неисправности.
129
Светодиод «РЕЖИМ» (1, 2 или 3) ограничителей ОГШ-2.хИ начинает мигать при включении соответствующего режима работы. Непрерывное свечение светодиода соответствует рабочему циклу крана.
К индикаторам нагрузки относятся цифровая индикация (ОГШ-2.10Ц) и светодиодные индикаторы процента нагрузки. Цифровой индикатор при работе крана показывает суммарную нагрузку на
Скране или на одну из лебедок крана при раздельной их работе. Светодиодный индикатор показывает величину суммарной нагрузки на кран или на одну з лебедок крана при раздельной их работе с шагом 20%.
ветод од «СЛАБИНА» сигнализирует о расслаблении грузового каната вследств е опирания грузозахватного органа на землю либо об уходе «нуля» вн з за пределы заданного порога.
Указатель ра оты механизмов имеет четыре группы светодио-
дов: по два светод ода в каждой группе. Каждая пара светодиодов |
|
(сверху) соответствует каналам 1, 2, 3, 4 (лебёдкам). Нижние свето- |
|
соответствующей пары загораются, если при включении вы- |
|
бранногодиодыреж ма предусмотрена |
данного канала. Включение |
верхнего светод ода соответствует началу рабочего цикла для данно- |
|
го канала. М ган е верхнего светодиода соответствует запрету рабо- |
|
ты по перегрузке данного канала. |
|
ПультработаПУ предназначен для переключения режимов работы |
|
крана. ПУ ограничителей со светодиодной индикацией имеет только |
|
переключатель режимов, пульт ограничителей с цифровой индикаци- |
|
ей имеет дополнительную кнопку управления цифровой индикацией. |
|
Нормировщик Н4 предназначен для нормирования ограничите- |
|
А |
|
ля. Н4 выполнен в виде коробки с кабелем и разъемом, на которой |
|
размещены кнопки для нормировки каналов. Нормировка произво- |
|
дится в служебном режиме, вход в который происходит при включе- |
|
нии питания и нажатой кнопке 0%. Кнопкой «ВЫБОР |
КА» |
выбирается номер датчика, и загорается соответствующий светодиод. |
|
ДАТЧ |
|
Нормировка производится кнопками «0%» при отсутствии нагрузки и |
|
«100%» – при номинальной нагрузке. ЗавершениеИнормировки индицируется загоранием соответствующего светодиода.
Для измерения нагрузки в силовой цепи грузоподъёмного механизма используются тензометрические датчики промышленного изготовления различных фирм (FLINTEC, ТЕНЗО-М и др.) и датчики собственного изготовления (ДНК, ДДН, ДС, тензооси и др.) Характеристики датчиков, применяемых в составе ограничителей типа ОГШ, даны в приложениях. Все датчики поставляются в комплекте с преобразователями тензометрическими кода ПТК, которые могут быть автономными (ПТК-1, ПТК-2, ПТК-3) или встроенными в датчик.
130