Материал: 2426

Внимание! Если размещение файла нарушает Ваши авторские права, то обязательно сообщите нам

Пуск

1

3

Задание исходных данных: координат точки подвеса груза xгр, yгр, zгр,

координат шасси q1q6, постоянных конструктивных параметров кра-

на x1,2, y1,2, x3,33, y4,43, q8max, q8min, q9max, q9min, q10max, q10min

 

 

 

 

 

 

 

 

5

 

ρ =

(xгр q1 )2 + (zгр q3 )2

 

 

 

 

 

 

 

 

 

7

 

 

 

 

 

 

 

 

 

Определение q6,7 по (4.77)

 

9

 

 

 

 

 

 

 

 

 

 

 

 

q7= q6,7 q6

 

 

 

 

 

 

 

 

 

 

 

 

11

 

 

 

 

 

 

 

q8=q8max; q9=q9min

13

 

 

 

 

 

 

 

 

 

 

 

 

 

q8,1=arctg(y4,43/(x3,33+q9));

 

 

 

 

R2,5 =

(x3,33 + q9 )2 + y4,432

;

 

 

 

q8,2=q8q8,1; ρ1=R2,5∙cos q8,2 – x1,2

q8=q8max; q9=q9max 15 17

q8,1=arctg(y4,43/(x3,33+q9));

R2,5 = (x3,33 + q9 )2 + y4,432 ; q8,2=q8q8,1; ρ2=R2,5∙cos q8,2 – x1,2

19

q8=q8min; q9=q9max 21

q8,1=arctg(y4,43/(x3,33+q9));

R2,5 = (x3,33 + q9 )2 + y4,432 ; q8,2=q8q8,1; ρ3=R2,5∙cos q8,2 – x1,2

23

q8=q8min; q9=q9min 25

q8,1=arctg(y4,43/(x3,33+q9));

R2,5 = (x3,33 + q9 )2 + y4,432 ; q8,2=q8q8,1; ρ4=R2,5∙cos q8,2 – x1,2

Нет

59

Да

Задается q9

 

 

 

 

 

 

27

 

 

 

q8=q8max; q9=q9min

 

 

 

Нет

 

29

 

 

 

 

 

ρ1ρ<ρ2

 

 

31

 

 

 

 

Да

 

 

 

Определение [q8В

q8Н]; [q9В

q9Н]по (4.85)

 

Нет

 

33

 

 

 

 

 

 

ρ2ρ<ρ3

 

 

35

 

 

 

 

Да

 

 

 

Определение [q8В

q8Н]; [q9В

q9Н]по (4.86)

 

Нет

 

37

 

 

 

 

 

ρ3ρρ4

 

 

39

 

 

 

 

Да

 

 

 

Определение [q8В

q8Н]; [q9В

q9Н]по (4.87)

 

Вывод сообщения о невоз-

41

43

 

 

 

Останов

можности обеспечить тре-

 

буемые координаты груза

45 q10Н=tg(q8Н–arctg(y4,43/(x3,33+q9Н)))∙(ρ+x1,2)–(yгр

– (q2+y1,2)); q10В=tg(q8В–arctg(y4,43/(x3,33+q9В)))∙(ρ+x1,2)–(yгр

– (q2+y1,2))

Да

47

 

Нет

 

 

 

 

49

 

 

51

q10В<q10min

 

 

Да

(q10Вq10min)

 

 

 

 

 

 

 

 

 

 

 

 

 

(q10Н<q10min)

 

 

 

 

Коррекция q10Н, q9Н и q8Н

 

 

 

 

 

 

 

 

 

 

 

Нет

 

 

 

 

по (4.94), (4.97) и (4.96)

 

 

 

 

 

 

 

 

 

 

 

 

 

 

 

 

53

 

 

 

 

 

 

 

 

 

 

 

 

 

 

 

 

 

 

 

 

 

Нет

Задается q8

55

 

 

 

 

 

 

 

Да

 

 

 

 

q9=(x1,2+ρ–y4,43∙sin q8)/cos q8 x3,33

 

 

 

 

 

 

 

 

 

 

 

 

 

 

 

57

 

 

 

 

 

 

Определение q10 по (4.90)

 

 

 

 

 

 

 

 

 

 

 

 

 

 

 

 

 

 

 

 

 

 

 

 

 

 

 

 

 

q8=arctg(y4,43/(x3,33+q9))+arccos((x1,2+ρ)/

71

 

 

 

 

/

y4,432 + (x3,33 + q9 )2

)

 

 

61

Определение q10 по (4.90)

 

q9 = y4,432 + ( (q10 + yгр q2 y1,2 )2 + (x1,2 + ρ)2 )2 x3,33

63

q8=arctg(y4,43/(x3,33+q9))+arccos((x1,2+ρ)/ 65

/ y4,432 + (x3,33 + q9 )2 )

67

Вывод q8В, q8Н, q9В, q9Н,

q10В, q10Н, q7, q8, q9, q10

Останов 69

Рис. 4.20. Блок-схема алгоритма определения управляемых координат ГПК по упрощенной методике при нулевых углах наклона шасси

205

3. По значению одной из управляемых координат (q8, q9, q10), заданному внутри соответствующего диапазона [q8В q8Н], [q9В q9Н], [q10В q10Н], определяются значения двух оставшихся управляемых координат.

 

 

 

Задана координата q8.

 

 

 

q9=(x1,2+ρ–y4,43∙sin q8)/cos q8 x3,33;

(4.95)

q10 определяется по (4.90).

 

 

 

 

 

 

 

 

Задана координата q9.

 

 

 

 

 

 

 

 

);

 

q8=arctg(y4,43/(x3,33+q9))+arccos((x1,2+ρ)/ y4,43

2 + (x3,33 + q9 )2

(4.96)

q10 определяется по (4.90).

 

 

 

 

 

 

 

 

Задана координата q10.

 

 

 

 

 

 

x3,33 ;

 

 

 

2 + (

 

 

 

)2

 

q9 = y4,43

(q10 + yгр q2 y1,2 )2 + (x1,2 + ρ)2

(4.97)

q8 определяется по (4.96).

Блок-схема алгоритма определения управляемых координат ГПК при нулевых углах наклона шасси приведена на рис. 4.20.

Рассмотренный алгоритм позволяет моделировать управляемые координаты ГПК для заданного положения груза, при нулевых углах наклона шасси; позволяет в автоматизированном режиме решать обратную задачу кинематики ГПК [103]. Алгоритм может использоваться при планировании траекторий перемещения груза, при решении задач кинематического анализа и синтеза конструктивных параметров ГПК и технологических параметров его рабочего процесса.

4.4.Методика проверки положения автомобильного крана

впространстве конфигураций по ограничению на устойчивость

Проверка положений ГПК на устойчивость является необходимым элементом обеспечения безопасной эксплуатации. Возможно выполнение данной проверки как для уже найденной, имеющейся траектории, так и в процессе поиска траектории, что позволяет заранее исключить неустойчивые конфигурации из рассмотрения. Методика проверки отдельного положения ГПК в пространстве конфигураций по ограничению на устойчивость, описанная в данном разделе,

206

использована как составляющая часть общей методики поиска оптимальной траектории в пространстве конфигураций ГПК.

Математическая модель динамической системы ГПК [104, 105], сведенная в систему из 11-ти дифференциальных уравнений второго порядка с постоянными коэффициентами с 11 неизвестными функциями – обобщенными координатами, позволяет решать задачи статики и динамики ГПК.

Статическая составляющая разработанной модели использовалась для оценки устойчивости ГПК и проверки положения ГПК в пространстве конфигураций по ограничению на устойчивость [86, 87, 93, 96, 111, 117, 119, 123, 127, 128].

Практическую значимость представляют при этом зависимости обобщенных координат qi, i [1;6], которые использовались для определения значений показателей устойчивости ГПК. Полученные обобщенные координаты также использовались для моделирования значений информационных

параметров для вычисления крите-

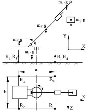
Рис. 4.21. Прямоугольный опорный рия устойчивости [93, 96]. контур ГПК

Для проверки устойчивости положения ГПК, имеющего прямоугольный опорный контур (рис. 4.21), в пространстве его конфигура-

ций предлагается использовать следующий критерий оценки устойчивости:

ξ = min

ìk ;

k

 

;

1

;

1

ü

,

(4.98)

2

 

 

ý

 

í

1

 

 

k1

k2

 

 

 

î

 

 

 

 

þ

 

 

где k1, k2, 1/k1, 1/k2 – показатели устойчивости для четырех осей опрокидывания, входящих в опорный контур, вычисляемые на основе нормальных реакций в опорных элементах:

k =

R1

+ R2

;

1

= R3 + R4 ;

k

2

=

R2 + R3

;

1

=

R1 + R4

,

(4.99)

 

 

 

 

 

 

1

R3

+ R4

k1

R1 + R2

 

 

R1

+ R4

 

k2

 

R2 + R3

 

 

 

 

 

 

 

 

 

 

 

 

 

 

 

 

207

 

 

 

 

 

 

 

где R1, R2, R3, R4 – нормальные реакции на опорных элементах ГПК

(см. рис. 4.21).

Из этих показателей только два (k1, k2) являются независимыми. Аналитические выражения для вычисления критерия устойчиво-

сти (sgn – функция знака числа):

ξ1=k2∙sgn(1+ sgn(k1k2))+k1∙sgn(1+ sgn(k2k1));

 

ξ2=(1/k2)∙sgn(1+ sgn(1/k1–1/k2))+ (1/k1)∙sgn(1+ sgn(1/k2–1/k1)).

(4.100)

Тогда

 

ξ=ξ2∙sgn(1+ sgn(ξ1ξ2))+ξ1∙sgn(1+ sgn(ξ2ξ1)).

(4.101)

После подстановки (4.100) в (4.101) полное аналитическое выражение критерия будет иметь вид:

ξ=((1/k2)∙sgn(1+sgn(1/k1–1/k2))+(1/k1)∙sgn(1+sgn(1/k2– –1/k1)))∙sgn(1+sgn((k2∙sgn(1+sgn(k1k2))+k1∙sgn(1+sgn(k2k1)))–

– ((1/k2)∙sgn(1+sgn(1/k1–1/k2))+(1/k1)∙sgn(1+sgn(1/k2– –1/k1)))))+(k2∙sgn(1+sgn(k1k2))+k1∙sgn(1+sgn(k2

k1)))∙sgn(1+sgn(((1/k2)∙sgn(1+sgn(1/k1–1/k2))+(1/k1)∙sgn(1+sgn(1/k2– –1/k1)))–(k2∙sgn(1+sgn(k1k2))+k1∙sgn(1+sgn(k2k1))))). (4.102)

Значение критерия устойчивости может быть также определено путем последовательных сравнений показателей устойчивости для четырех осей опрокидывания.

Для получения нормальных реакций R1, R2, R3, R4 на опорных элементах ГПК как первичных информационных параметров использовались отклонения обобщенных координат q2, q4, q5, q6, полученные в результате решения задачи статики при заданных больших значениях обобщенных координат q1q11.

Вертикальное смещение δyio,0 характерной точки выносной гидравлической опоры io [1;4] ГПК вдоль оси O0Y0 инерциальной системы координат является второй компонентой вектора Rio,0 , задающе-

го смещения характерной точки опоры вдоль координатных осей инерциальной системы координат:

v

= [δxio,0

δyio,0 δzio,0 1]T ; i [1;4],

(4.103)

Rio,0

Вектор Rio,0 определяется по формуле

 

 

 

R

= R

 

-T * × R

,

(4.104)

 

io,0

io,1

1 io,1

 

 

 

 

 

208

 

 

где Rio,1 – вектор положения характерной точки опоры io в локальной системе координат базового шасси, к которому относится масса каж-

дой выдвижной опоры, R

= [x

y

z

1]T ; T1* – матрица перехо-

io,1

io,1

io,1

io,1

 

да из локальной системы координат звена базового шасси в инерциальную с учетом как больших, так и малых значений обобщенных ко-

ординат (qj+qj), j=2;4;5;6.

 

 

 

 

 

 

 

 

 

 

 

 

 

 

 

 

 

 

 

 

 

 

 

 

 

Пуск

 

 

 

1

 

 

 

 

 

 

 

 

 

 

 

 

 

 

 

 

 

 

 

 

 

 

 

 

 

 

 

 

 

 

 

 

 

 

 

 

 

 

 

 

 

 

 

Ввод исходных данных:

 

 

2

 

 

 

 

 

 

 

 

 

 

 

 

 

 

 

 

 

 

 

 

 

 

 

 

 

 

 

 

 

 

 

 

 

 

 

 

 

 

 

 

 

 

 

 

 

 

 

 

 

 

 

 

 

 

 

 

 

 

 

 

 

 

 

 

 

 

 

 

 

 

 

 

 

 

q1q11; m1m5; { Ris }

 

 

 

 

 

 

 

 

3

 

 

 

 

 

 

 

 

 

 

 

 

 

 

 

 

 

 

 

 

 

 

 

 

 

 

 

 

 

 

 

 

 

 

 

 

 

 

 

 

 

 

 

 

 

 

 

 

 

 

 

 

 

 

 

 

 

 

 

 

 

 

 

 

 

 

 

 

 

 

 

 

 

 

 

 

 

 

 

 

 

 

 

 

 

 

 

 

 

 

 

 

 

 

 

 

 

 

 

 

 

 

 

 

 

 

 

 

 

 

Расчет статических отклонений обобщенных

 

 

 

 

 

 

 

 

 

 

 

 

 

 

 

 

 

 

 

 

 

 

 

 

 

 

 

 

 

координат q1q11 по модели ГПК

 

 

 

 

 

 

 

 

4

 

 

 

 

 

 

 

 

 

 

 

 

 

 

 

 

 

 

 

 

 

 

 

 

 

 

 

 

 

 

 

 

 

 

 

 

 

 

 

 

 

 

 

 

 

 

 

 

 

 

 

 

 

 

 

 

 

 

 

 

 

 

 

 

 

 

 

 

 

 

 

 

 

 

 

 

 

 

 

 

 

 

 

 

 

 

 

 

é cos(q6 + q6 )×cos(q5 + q5 )

 

sin(q5 + q5 )

 

 

 

-sin(q6 + q6 )×cos(q5 +q5 )

0

ù

 

 

 

 

 

 

 

 

 

ê

sin(q +q )×sin(q +q

)-

 

 

cos(q5 + q5 )´

 

 

cos(q + q

)×sin(q + q

)+

 

 

 

 

 

ú

 

 

 

 

 

 

 

 

 

 

 

6

 

6

 

4

 

4

 

 

 

 

 

 

 

 

6

 

 

 

 

6

 

4

4

 

 

 

 

 

(q + q )ú

 

 

 

 

 

*

ê-cos(q + q

)×cos(q + q )´

 

 

 

+sin(q + q )×cos(q +q )´

 

 

 

 

 

T1 = ê´sin(q + q )

 

 

 

4

 

4

 

 

´cos(q4 +q4 )

 

 

´sin(q + q

)

 

 

 

4

 

4

 

 

 

2

 

ú .

 

 

 

 

 

 

 

 

ê

 

6

6

 

 

 

 

 

 

 

 

 

 

 

 

 

 

 

 

 

 

 

 

6

 

 

6

 

 

 

 

 

 

 

 

 

2 ú

 

 

 

 

 

 

 

 

 

 

 

5

5

 

 

 

 

 

 

 

 

 

 

 

 

 

 

 

 

 

 

 

 

 

 

 

5

 

 

5

 

 

 

 

 

 

 

 

 

 

 

 

 

 

 

 

 

 

 

 

 

 

 

ê

sin(q + q )×cos(q + q

 

)+

 

-cos(q5 +q5 )´

 

cos(q

 

+ q

)×cos(q

+ q

 

)-

 

 

 

 

ú

 

 

 

 

 

 

 

 

 

ê

 

6

 

6

 

4

4

 

 

 

 

 

 

6

 

 

 

 

6

 

4

4

 

 

 

 

 

 

ú

 

 

 

 

 

 

 

 

 

ê+cos(q + q

)×sin(q +q )´

 

 

-sin(q +q

)×sin(q +q )´

0

ú

 

 

 

 

 

 

 

 

 

ê

 

6

6

 

 

 

4

 

4

 

 

´sin(q4 + q4 )

 

 

 

 

 

 

 

6

 

 

6

 

 

 

4

 

4

 

 

 

 

 

ú

 

 

 

 

 

 

 

 

 

 

 

 

+ q5 )

 

 

 

 

 

 

 

 

 

 

 

 

 

´sin(q5 +q5 )

 

 

 

 

 

 

 

 

 

 

 

 

 

 

 

 

 

ê´sin(q5

 

 

 

 

 

 

 

 

 

 

 

 

 

 

 

 

 

 

 

 

 

 

 

 

 

 

 

 

ú

 

 

 

 

 

 

 

 

 

ê

 

 

 

 

 

 

0

 

 

 

 

 

 

 

 

 

0

 

 

 

 

 

 

 

 

 

 

 

 

 

 

 

 

0

 

 

 

 

 

 

 

 

1

 

ú

 

 

 

 

 

 

 

 

 

ë

 

 

 

 

 

 

 

 

 

 

 

 

 

 

 

 

 

 

 

 

 

 

 

 

 

 

 

 

 

 

 

 

 

 

 

 

 

 

 

 

 

 

 

 

 

 

 

û

 

 

 

 

 

 

 

 

 

 

 

 

 

 

 

 

 

 

 

 

 

 

 

 

 

 

 

 

 

 

 

 

 

 

 

 

 

 

 

 

 

 

 

 

 

 

 

 

 

 

 

 

 

 

 

 

 

 

 

 

 

 

 

 

 

 

 

 

 

6

 

 

 

 

 

 

 

 

 

 

 

 

 

 

 

 

 

 

 

 

 

 

 

 

 

 

 

 

5

 

 

 

 

 

 

 

 

 

 

 

 

R1=co∙δy1o,0; R2=co∙δy2o,0;

 

 

 

 

 

 

 

 

 

 

 

 

 

 

 

 

 

 

 

 

 

 

 

 

 

 

 

 

 

 

 

 

 

 

 

 

 

 

 

 

 

 

 

 

R

 

 

 

= R

 

 

 

 

- T * × R

 

 

 

 

 

 

 

 

 

 

 

 

 

 

 

 

 

R3=co∙δy3o,0; R4=co∙δy4o,0

 

 

 

 

 

 

io ,0

io ,1

io ,1

 

 

 

 

 

 

 

 

 

 

 

 

 

 

 

 

 

 

 

 

 

 

 

 

 

 

 

 

 

 

1

 

 

 

 

 

 

 

 

 

 

 

 

 

 

 

 

 

 

 

 

 

 

 

 

 

 

 

 

 

 

 

 

 

 

 

 

 

 

 

 

 

 

 

 

 

 

 

 

 

 

 

 

 

 

 

 

 

 

 

 

 

 

 

 

 

 

 

 

 

 

 

 

 

 

 

 

 

 

 

 

 

 

 

 

 

 

 

 

 

 

 

 

 

 

 

 

 

 

 

 

 

 

 

 

 

 

 

 

 

 

 

 

 

 

 

 

 

 

 

 

 

 

 

 

 

 

 

 

 

 

 

 

 

 

 

7

 

 

 

 

 

 

 

 

 

 

 

 

 

 

 

 

 

 

11

 

 

 

 

 

 

 

 

 

 

 

 

 

 

 

 

 

15

 

 

 

 

 

 

 

 

 

k1 =

R1 + R2

 

 

 

 

 

 

 

 

 

 

 

 

 

 

 

 

 

 

 

 

 

 

 

 

 

 

 

Да

 

 

 

 

 

 

 

Нет

 

 

 

 

 

 

 

 

 

 

 

 

 

 

 

 

 

 

 

 

 

 

 

 

 

 

 

 

 

 

 

 

 

 

 

 

 

 

 

 

 

 

 

 

 

 

 

 

 

 

 

 

 

 

 

 

 

 

R2 + R3

 

 

 

 

 

 

 

 

 

 

 

 

 

 

 

ξ1<ξ2

 

 

 

 

 

R3 + R4

 

 

 

 

 

 

 

 

 

 

k2 =

 

 

 

 

 

 

 

 

 

 

 

 

 

 

 

 

 

 

 

 

 

 

 

 

 

 

 

 

 

 

 

 

 

 

 

 

 

 

 

 

 

 

 

 

 

 

 

 

 

 

 

 

 

 

 

 

 

 

 

 

 

 

 

 

 

 

 

 

 

 

 

 

 

 

 

 

 

 

 

R1 + R4

 

 

 

 

 

 

 

 

 

 

 

 

 

16

 

 

 

 

 

 

17

 

 

 

 

 

 

 

 

 

 

 

 

 

 

 

 

 

 

 

 

 

 

 

 

 

 

 

 

 

 

 

 

 

 

 

 

 

 

 

 

 

 

 

 

 

 

 

 

 

 

 

 

 

 

 

 

 

 

8

 

 

 

 

 

 

 

 

 

 

 

 

 

 

 

 

 

 

 

 

 

 

 

 

 

 

 

 

 

 

 

 

 

 

 

 

 

Да

 

k1<k2

 

Нет

 

 

 

 

 

 

 

 

 

1

1

12

 

 

 

 

 

 

 

 

 

 

ξ=ξ1

 

 

 

 

 

 

 

ξ=ξ2

 

 

 

 

 

 

 

 

 

 

 

 

 

 

 

 

 

 

 

 

 

 

 

 

 

 

 

 

 

 

 

 

 

 

 

 

 

 

 

 

 

 

 

 

 

 

 

 

 

 

 

Да

 

 

 

 

 

 

 

 

 

 

 

 

 

 

 

 

 

 

 

 

 

 

 

 

 

 

 

 

 

 

 

 

 

 

 

 

 

 

 

 

 

 

 

 

 

 

 

 

 

 

 

 

Нет

 

 

 

 

 

 

 

 

 

 

 

 

 

 

 

 

 

 

 

 

 

10

 

 

 

 

 

 

 

9

 

 

 

 

 

 

 

 

 

k

<

k

2

 

 

 

 

 

 

 

 

 

 

 

 

 

 

 

 

 

18

 

 

 

 

 

 

 

 

 

 

 

 

 

 

 

 

 

 

 

 

 

 

 

 

 

 

 

 

 

 

 

 

 

 

 

 

 

 

 

 

 

 

 

 

ξ1=k1

 

 

 

 

 

ξ1=k2

 

 

 

 

 

 

 

13

 

1

 

 

 

 

 

 

14

 

 

 

 

 

 

 

Да

 

 

 

 

 

 

 

 

 

Нет

 

 

 

 

 

 

 

 

 

 

 

 

 

 

 

 

 

 

 

 

 

 

 

 

 

 

 

 

 

 

 

 

 

ξ < ξкрит

 

 

 

 

 

 

 

 

 

 

 

 

 

 

 

 

 

 

 

 

 

 

 

ξ2=1/k1

 

 

 

 

 

 

 

ξ2=1/k2

 

 

 

 

 

 

 

 

 

 

 

 

 

 

 

 

 

 

 

 

 

 

 

 

 

 

 

 

 

 

 

 

 

 

 

 

 

 

 

 

 

 

 

 

 

 

 

 

 

 

 

 

 

 

 

 

 

19

 

20

 

 

 

 

 

 

 

 

 

 

 

 

 

 

 

 

 

 

 

 

 

 

 

 

 

 

 

 

 

 

 

 

 

 

 

 

 

 

 

 

 

 

 

 

 

 

 

 

 

 

 

 

 

 

 

 

 

 

 

 

 

 

 

 

 

 

 

 

 

 

 

 

 

 

 

 

 

 

 

 

 

 

 

 

 

 

 

 

 

 

 

 

 

 

 

 

 

 

 

 

 

 

 

 

 

 

 

 

 

 

 

 

 

 

 

 

 

 

 

 

 

 

 

 

 

 

 

 

 

 

 

 

 

 

 

 

 

 

 

 

 

 

 

 

 

 

 

 

21

 

Opr =1

 

 

Opr =0

 

 

 

 

 

 

 

 

 

 

 

 

 

 

 

 

 

 

 

22

 

 

 

 

 

Вывод

 

 

 

 

 

 

 

 

 

 

 

 

 

 

 

 

 

 

 

 

 

 

 

 

 

 

 

 

 

 

 

 

 

 

 

 

 

 

 

 

 

 

 

 

 

 

 

 

 

 

 

 

 

 

 

 

 

 

 

 

 

 

 

 

 

Останов

 

 

 

 

 

 

 

 

 

 

 

 

 

 

 

 

 

 

 

 

 

 

 

 

 

 

 

 

 

 

 

 

 

 

 

 

 

 

 

 

 

 

 

 

 

 

 

 

 

 

 

 

 

 

 

 

 

 

 

 

 

 

 

 

 

 

 

 

 

 

 

 

 

 

 

 

 

 

 

 

 

 

 

 

 

 

 

 

 

 

 

 

 

 

 

 

 

 

результатов: Opr

 

 

 

 

 

 

 

 

 

 

 

 

 

 

 

 

 

 

 

 

 

 

 

 

 

 

 

 

 

 

 

 

 

 

 

 

 

 

 

 

 

 

 

 

 

 

 

 

 

 

 

 

 

 

 

 

 

 

 

 

 

 

 

 

 

 

 

 

 

 

 

 

 

 

 

 

 

 

 

 

 

 

 

 

 

 

 

 

 

 

 

 

 

 

 

 

 

 

 

 

 

 

 

 

 

 

 

 

Рис. 4.22. Блок-схема алгоритма определения критерия устойчивости ГПК на основе нормальных реакций

209