Среднее давление перед сопловыми отверстиями принимаем равным 40 МПа (максимальное 67 МПа), а плотность топлива – 850 кг/м3.
Для номинальной мощности дизеля КамАЗ-740. 63 – 400, с учетом формулы (1.4), цикловая подача равна 160 мм3.
Для оценки расчетного значения µF определим теоретическую скорость истечения дизельного топлива через сопловые отверстия [5]
ϑТ = |
2 ∆Ρ/ ρТ м/с, |
(1.12) |
где Р – средний перепад |
давления топлива перед |
сопловыми от- |
верстиями, Па (Н/м2), берется с учётом давления газов в цилиндре :
ϑ = 2 400 105 |
/850 =306 м/с. |
Т |
определим из выражения |
Объемный расход топлива Q, м3/с, |
|
Q = µF ϑТ , |
(1.13) |
|
И |
где µF – эффективное проходное сечение распылителя, м2. |
|
Объемный расход топлива за цикл, мм3/с, определим также по |
|
его количеству qц, поданному в камеру сгорания за время впрыска τ : |
||||||||||||
|
|
|
|
|
Q = qц / τ . |
|
|
|
|
(1.14) |
||
Зная продолжительность впрыска φВ в |
|
градусах (например, |
||||||||||
100), частоту вращения вала насоса nн в мин –1, время впрыска опре- |
||||||||||||
делим из выражения |
ϕ |
|
|
|
10 |
Д |
|
|
|
|
|
|
|
|
в |
|
|
|
с. |
|
(1.15) |
||||
|
τ = |
|
|
= |
|
=0,001754 |
|
|
||||
|
6 nн |
6 950 |
|
|
||||||||
|
|
|
|
|
|
|
|
|
||||
Величина действительногоАо ъёмного расхода топлива через |
||||||||||||
форсунку составит Q = 160 / 0,001754 = 914285 мм3/с = 0,000914 м3/с, |
||||||||||||
откуда |
|
б |
|
|
|
|
|
|
||||
|
иµF = Q /ϑТ , |
|
2 |
2 |
. |
(1.16) |
||||||
|
µF = 0,000914 / 306 = 0,00000299 м |
|
= 0,3 мм |
|
||||||||
Цикловая подача топлива проверялась по формуле (1.14) |
и рав- |
|||||||||||
на расчетной величине, полученной из выражения (1.4) : |
|
|
||||||||||
|
С |
|
|
|
|
|
|
|
|
|
|
(1.17) |
|
qц = µF· τ · Д ·1000 = 0,3·0,001754·306·1000 = 160 мм3. |
|||||||||||
При коэффициенте расхода, равном 0,8, |
суммарная площадь |
|||||||||||
сопловых отверстий составит 0,375 мм2. При числе сопловых отвер- |
||||||||||||
стий 5 площадь сечения одного сопла Fc составит 0,075 мм2. По известной величине площади соплового отверстия определим его диаметр
|
|
|
|
|
|
|
dc = |
4 F |
|
4 0,075 |
= 0,3 |
мм. |
(1.18) |
c |
= |
3,14 |
||||
|
π |
|
|
|
|
36
Для определения необходимого значения µF в зависимости от цикловой подачи топлива qц и продолжительности впрыска φВ (интенсивности подачи топлива) предлагается номограмма. Общая формула для расчета номограммы имеет вид
|
qц |
=µ F |
ϕВ |
|
|
|
1000 . |
|
|
|
2 ∆Ρ/ ρТ |
(1.19) |
|||||
|
|
|
||||||
|
|
|
6 n н |
|
Р. Так, для Р = 40 МПа |
|||
Величина скорости Т |
зависит от |
|||||||
значение Т достигает 306 м/с. Для постоянных значений µF, |
Р, nн , |
|||||||
но переменной φВ (например, 100; 150; 200; 250) определялась величи- |
||||||||
на qц. |
|
|
|
|
|
qц проводилась прямая линия (на- |
||
По найденным значениям |
||||||||
пример, для µF = 0,1 мм2). Каждая линия поля номограммы соответ- |
||||||||
ствовала постоянному значению |
µF и неизменной скорости истече- |
|||||||
|
|
|
|
|
|
|
И |
|
ния топлива из сопла Т. Изменялась только продолжительность |
||||||||
впрыска φВ, а определялась цикловая подача топлива qц . |
|
|||||||
На рис. |
1.19 |
|
|
|
|
Д |
|
|
представлена номограмма, построенная для |
||||||||
nн = 950 мин-1, |
Р = 40 МПа, |
|
ρТ = 850 кг/м3. Номограмма позволяет |
|||||
предварительно определять величину эффективного проходного се- |
|||
|
|
А |
|
чения распылителей для тракторных и автомобильных дизелей с ци- |
|||
линдровой мощностью от 10 до 70 кВт [5]. |
|||
|
б |
|
|
и |
|
|
|
С |
|
|
|
Рис. 1.19. Номограмма для |
Рис. 1.20. Номограмма для |
||
определения µF в зависимости |
определения µF в зависимости |
||
от qц и φВ: 1 – 0,1 мм2; |
от qц и φВ :1 – µF= 0,3 мм2; |
||
2 – 0,2 мм2; 3 – 0,3 мм2; |
2 – 0,4 мм2; 3 – 0,5 мм2; |
||
4 – 0,4 мм2 |
|
4 – 0,6 мм2 |
|
По данной номограмме для заданной цикловой подачи топлива и требуемой продолжительности впрыска рекомендуется выбирать соответствующую величину эффективного проходного сечения рас-
37
пылителя. Например, для цикловой подачи топлива qц = 160 мм3 и значения φВ = 100 величина µF = 0,3 мм 2. Выбранная величина µF уточняется при доводке дизеля.
На рис. 1.20 показана номограмма, которая построена для частоты вращения вала насоса nн = 800 мин-1, среднего давления топлива перед сопловыми отверстиями Р = 40 МПа, плотности топлива ρт = 850 кг/м3. Номограмма позволяет определить эффективное проходное сечение распылителей для дизеля цилиндровой мощностью до
100 кВт [5].
На рис. 1.21 предложена номограмма, построенная для частоты вращения вала насоса nн = 500 мин-1, среднего давления топлива перед сопловыми отверстиями Р = 40 МПа, плотности топлива
ρт = 850 кг/м3. |
И |
Номограмма позволяет определить эффективное проходное сечение распылителей для судовых и тепловозных дизелей с цилиндро-
вой мощностью до 300 кВт [5]. |
Д |
||
|
|||
|
|
А |
|
|
б |
|
|
и |
|
|
|
С |
|
|
|
Рис. 1.21. Номограмма для определения µF
в зависимости от qц и φВ : 1 – µF = 0,6 мм2;
2 – 0,7 мм2; 3 – 0,8 мм2; 4 – 0,9 мм2; 5 – 1 мм2
38
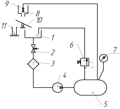
В процессе длительной эксплуатации форсунок при отсутствии закоксовывания или его наличия величина µF распылителей изменяется. Для определения µF распылителей рекомендуется установка, изображенная на рис. 1.22 [1].
|
|
|
|
И |
|
|
|
Д |
|
|
|
А |
|
|
|
б |
|
|
|
и |
|
|
|
|
С |
|
|
|
|
Рис. 1.22. хема установки для определения проходного сечения распылителя: 1 – бак с топливом; 2 – кран; 3 – фильтр; 4 – насос; 5 – аккумулятор; 6 – клапан перепускной; 7 – манометр;
8 – гаситель пены; 9 – форсунка с распылителем; 10 – распределитель впрыскиваемого топлива; 11 – мерная емкость
В баке 1 находится дизельное топливо. При открытом кране 2 оно проходит через фильтр 3 на вход к насосу высокого давления 4. Насос 4 подает топливо в аккумулятор 5, в котором поддерживается постоянное давление (5 МПа) при помощи перепускного клапана 6. Манометром 7 контролируется давление топлива в аккумуляторе 5.
Из аккумулятора 5 топливо поступает к форсунке с распылителем 9. При помощи регулировочного винта пружина форсунки долж-
39
на быть полностью ослаблена или удалена. Давление начала подъема иглы распылителя должно быть равно нулю. Топливо, вытекающее из сопловых отверстий, поступает в гаситель пены 8. При помощи распределителя 10 топливо из распылителя поступает в бак 1 или мерную емкость 11. Распределитель 10 управляется ручным способом или при помощи электромагнита и счетного устройства времени.
1. В форсунку 9 (см. рис. 1.22) устанавливают опытный распылитель, предварительно определив ход иглы распылителя, указав его номер и маркировку. Давление начала открытия иглы в форсунке должно быть равно нулю (форсунка без пружины).
2. Распределитель впрыскиваемого топлива 10 устанавливают в положение, при котором топливо сливается в бак 1.
3. Включают стенд и по манометру 7 контролируют давление топлива в аккумуляторе 5. Оно должно быть равно 5·106 Н/м2. Из рас-
пылителя поступает поток топлива. |
И |
|
4. Распределитель 10 |
|
|
при помощи электромагнита устанавли- |
||
вают в положение «замер», и топливо поступает в мерную емкость 11. |
||||||||||
При помощи счетного устройства |
|
Д |
|
|||||||
определяют время заполнения ем- |
||||||||||
кости 11. |
|
|
|
|
|
|
|
|
|
|
5. Объемный расход топливаАQ из распылителя (м3/с) опреде- |
||||||||||
ляют из выражения [1] |
б |
|
|
|
|
|
|
|
||
|
|
|
|
|
|
|
|
|
||
|
|
|
2 ∆Р/ ρ , |
(1.20) |
||||||
|
Q = µF ϑ = µF |
|
||||||||
где µF – эффективное проходное сечение распылителя, м2; |
ϑ – ско- |
|||||||||
|
и |
Р – давление топлива перед сопловы- |
||||||||
рость истечения топлива м/с; |
||||||||||
ми отверстиями, Н/м2; |
ρ – плотность топлива, кг/м3. |
|
||||||||
|
6 |
2 |
|
|
|
3 |
величина ϑ = 108 м/c. |
|||
При РС= 5·10 Н/м и ρ = 850 кг/м |
|
|||||||||
6. Объемное количество топлива V (м3), поступившее в емкость |
||||||||||
11, зависит от расхода Q (м3/с) |
и времени ее заполнения t (с). |
|||||||||
|
|
V = Q t = µF 2 ∆Р/ ρ t . |
(1.21) |
|||||||
Откуда |
|
µF =V / t / |
|
. |
(1.22) |
|||||
|
2 ∆Р/ ρ |
|||||||||
Например, за время t = 15 c в мерную емкость 11 поступило 300 см3 топлива (3·10-4 м3), величина µF = 0,0000002 м2 , или 0,2 мм2.
Для обеспечения высоких экономических и экологических характеристик двигателя все его распылители должны иметь одинаковые по величине µF. При различных значениях µF распылителей
40