Материал: 2410

Внимание! Если размещение файла нарушает Ваши авторские права, то обязательно сообщите нам

Таблица 12.2

Причины и способы устранения неисправностей турбокомпрессора

1

2

3

4

5

6

7

8

9

 

 

 

Причины

 

Способы устранения

 

 

 

 

 

 

 

 

 

 

 

 

 

 

 

 

 

 

 

 

 

 

 

 

 

 

 

1

 

 

 

 

 

 

 

 

2

 

 

 

 

 

3

 

 

 

*

*

*

*

 

 

*

 

 

Воздушный фильтр 1 за-

Замените фильтр

 

 

 

 

 

 

 

грязнен (рис. 12.3)

 

 

 

 

 

 

 

 

 

 

 

 

 

 

 

 

 

Приток воздуха в систему

Замените прокладки и подтя-

 

*

*

*

*

*

 

 

 

 

впуска

2 до компрессора

ните соединение

 

 

 

 

 

 

 

 

 

 

 

 

(рис. 12.3)

 

 

 

 

 

 

 

 

 

 

 

 

 

 

 

 

 

 

 

Образование загрязнения

Очистите колесо, удалите ис-

 

*

*

*

*

*

*

*

 

 

в каналах колеса компрес-

точник загрязнения

воздуха,

 

 

 

 

 

 

 

 

 

 

сора или диффузоре

 

замените масло и фильтр

 

 

 

 

 

 

 

 

 

 

 

Утечка воздуха из нагне-

Замените прокладки и подтя-

 

*

*

*

*

*

 

 

 

 

тательной системы 6

 

ните соединение

 

 

 

 

 

 

 

 

 

 

 

 

(рис. 12.3)

 

 

 

 

 

 

 

 

 

 

 

 

 

 

 

 

 

 

 

Повышенное сопротивле-

Замените

патрубок

сливной

 

 

 

*

*

 

 

*

 

 

ние в сливной масляной

 

магистрали узла смазки тур-

 

 

 

 

 

 

 

 

 

 

магистрали компрессора

бокомпрессора

 

 

 

 

 

 

 

 

 

 

 

 

Утечка газов из входного

Замените прокладки и подтя-

 

*

*

 

 

*

 

*

 

 

канала

турбины

в соеди-

И

 

 

 

 

 

 

 

 

 

 

ните соединение

 

 

 

 

 

 

 

 

 

 

 

 

нение с коллектором

 

 

 

 

 

 

 

 

 

 

 

 

 

 

 

 

 

 

 

Д

 

 

 

 

 

 

 

*

 

 

 

 

Утечка

газов в

систему

Устраните утечки газа

 

 

 

 

 

 

 

 

 

 

выпуска тур ины

 

 

 

 

 

 

 

 

 

 

 

 

 

 

 

 

 

 

 

 

 

 

 

 

 

 

 

 

 

 

 

 

 

 

 

 

 

 

 

 

 

 

 

 

 

 

 

 

Утечка газов в соединение

Замените прокладки и подтя-

 

*

*

 

 

 

*

*

 

 

 

 

 

А

10

ните соединение

 

 

 

 

 

 

 

 

выпускного коллектора

 

 

 

 

 

 

 

 

 

 

 

 

дв гателя (рис. 12.3)

 

 

 

 

 

 

 

 

 

 

 

 

 

 

 

 

 

 

б

 

 

 

 

 

 

 

 

 

 

 

 

 

 

 

 

 

 

Повышенное давление

в

Промойте

фильтр

отвода

 

 

 

*

*

 

 

*

 

 

системе

вентиляции кар-

картерных газов в атмосферу

 

 

 

 

 

 

 

 

 

 

и

 

 

 

 

 

 

 

 

 

 

 

 

 

 

 

 

 

 

 

тера двигателя

 

 

 

 

 

 

 

 

 

 

 

 

 

 

 

 

 

 

Неисправность

камеры

Проверьте

правильность

ра-

 

*

 

 

 

 

 

 

 

 

управления 7 и заслонки

боты

камеры

управления и

 

 

 

 

 

 

 

С

 

 

 

 

 

заслонки

 

 

 

 

 

 

 

 

 

 

 

 

 

 

12 (рис. 12.3)

 

 

 

 

 

 

 

 

 

 

 

 

 

 

 

 

Неисправность клапана

Проверьте

правильность

ра-

 

*

*

 

 

 

 

 

 

 

16 рециркуляции отрабо-

боты

клапана рециркуляции

 

 

 

 

 

 

 

 

 

 

тавших газов (рис. 12.3)

 

отработавших газов

 

 

 

 

 

 

 

 

 

 

 

 

Высокое или низкое дав-

Проверьте

работу перепуск-

*

*

*

 

 

 

 

 

*

 

ление наддува

 

 

ной заслонки 12 (рис. 12.3) и

 

 

 

 

 

 

 

 

 

 

 

 

подвижность

диска

7

или

 

 

 

 

 

 

 

 

 

 

 

 

 

 

 

 

 

 

 

 

 

 

 

 

 

 

 

 

 

 

 

 

штока 1 (рис. 12.5)

 

 

 

 

 

 

 

 

 

 

 

 

Образование нагара в зо-

Удалите нагар, замените

 

*

*

 

 

 

 

 

 

* не диска 4 или

поворот-

уплотнение между

валом и

 

 

 

 

 

 

 

 

 

 

ных лопаток 6 (рис. 12.5)

корпусом турбины

 

 

191

 

 

 

 

 

 

 

 

 

 

 

 

 

 

 

Окончание табл. 12.2

 

 

 

 

 

 

 

 

 

 

 

 

 

 

 

 

 

 

 

 

 

1

 

 

 

 

 

 

2

 

 

3

 

*

*

 

*

*

*

 

*

*

Поврежден турбоком-

Отремонтируйте или устано-

 

 

 

прессор

 

 

 

 

вите новый турбокомпрессор

 

 

 

 

 

 

 

 

 

 

Изношены

 

поршневые

В соответствии с инструкци-

 

*

*

 

*

*

 

 

*

*

кольца,

цилиндры

(про-

ей по эксплуатации отремон-

 

 

 

 

рыв газов,

снижена

ком-

тируйте двигатель

 

 

 

 

 

 

 

 

 

 

прессия)

 

 

 

 

 

 

 

 

 

 

 

 

 

 

 

Топливная

система

вы-

В соответствии с инструкци-

 

*

*

 

 

 

 

 

 

 

шла из

строя

или плохо

ей по эксплуатации двигателя

 

 

 

 

 

 

 

 

отрегулирована

 

отремонтируйте и отрегули-

 

 

 

 

 

 

 

 

 

 

 

 

 

 

 

 

 

 

 

 

 

 

 

 

 

 

руйте топливную аппаратуру

 

*

*

 

 

 

 

 

 

 

Неправильное

опереже-

Установите требуемый угол

 

 

 

 

 

 

 

 

ние впрыска топлива

 

опережения впрыска топлива

 

 

 

 

 

 

 

 

 

 

 

 

 

 

 

 

 

 

 

 

 

Резкая

остановка

рабо-

И

 

 

 

 

 

*

 

 

*

*

тающего двигателя

 

гласно инструкции

 

 

 

Было

рассмотрено диагностирование

турбокомпрессора непо-

средственно на автомобиле или на другой технике. Но при ремонте двигателя турбокомпрессор иногда демонтируют. Его техническое

состояние

можно определить, используя специальный стенд

(рис. 12.6).

 

 

 

Д

 

 

 

А

 

 

б

 

 

и

 

 

 

С

 

 

 

Рис. 12.6. Стенд для внешнего осмотра и анализа технического состояния внутренних частей турбокомпрессора

Для внешнего осмотра колеса компрессора и турбины выполняют частичную разборку турбокомпрессора. Снимают улитку компрес-

192

сора и турбины. Затем при помощи специального зажимного устройства устанавливают корпус компрессора с колесом турбины и компрессора на стенд.

Диагностика турбокомпрессора на стенде позволяет выявить допустимые осевые и радиальные зазоры (люфты) вала, наличие механических повреждений колеса компрессора и турбины, повреждение уплотнений на валу у компрессора и турбины. Колесо турбины приводится во вращательное движение при помощи струи воздуха, поступающей под определенным давлением из ресивера компрессора.

Во внутреннюю полость турбокомпрессора подается под давлением моторное масло кинематической вязкостью, соответствующей значению при работающем двигателе (например, моторное масло

М10 Г1

имеет примерную вязкость 10 сСт при 100 оС). При отсутст-

 

 

И

вии течи масла через поверхность вала в сторону колеса компрессо-

ра и турбины уплотнения считается исправным.

 

 

Д

Для исследования и диагностирования турбокомпрессора пред-

лагается специальный стенд.

 

 

12.3. Устройство и работа стенда для диагностирования

 

и испытания агрегатов наддува

Для диагностики и получения экспериментальных характери-

 

и

Аыла предложена схема стенда [37]. За

стик компрессора и тур ины

основу

принят стенд для продувки турбин турбокомпрессоров типа

 

С

 

ТКР-14,

созданный на кафедреб«Двигатели внутреннего сгорания»

Тихоокеанского государственного университета города Хабаровска

[44].

Стенд включает в себя две воздуходувки ТВ-42, соединенных последовательно для получения необходимого давления перед турбиной. Имеет систему смазки подшипников, трубопроводы с регулировочными задвижками, позволяющими установить необходимый режим работы турбокомпрессора, приборы для измерения давления, температуры и частоты вращения ротора. Полное давление фиксируется манометрами, перепады между полным и статическим давлением

– жидкостными пьезометрами. В качестве тормоза для турбины используется центробежный компрессор. Нагрузка регулируется изменением расхода воздуха через компрессор при помощи заслонки, установленной на его выходе.

193

На рис. 12.7 приведена схема рекомендуемого стенда, позволяющая проводить диагностирование и испытание турбокомпрессоров с радиально-осевой турбиной бензиновых и дизельных быстроходных двигателей мощностью до 400 кВт.

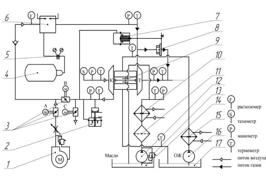
бАДИ Рис. 12.7. Стенд для диагностирования и испытания турбокомпрессоров:

1воздуходувка;и2 предохранительный клапан (Blow - off); 3 заслонки (клапаны) поворотные с электромеханическим приводом; 4 баллон с газом (пропан - бутан);С5 редуктор газовый; 6 камера сгорания с искровым розжигом; 7 камера управлен я перепускного устройства; 8 клапан (заслонка) перепускного устройства; 9 турбокомпрессор; 10 терморегулятор (охладитель

масла); 11фильтрующий элемент; 12 насос; 13 перепускной клапан; 14 емкость для масла; 15 охладитель; 16 насос центробежный; 17 емкость для охлаждающей жидкости

Данный стенд позволяет проводить следующие работы:

диагностику и настройку турбокомпрессоров бензиновых и дизельных быстроходных двигателей;

холодную и горячую обкатку турбокомпрессоров после ре-

монта;

моделирование режимов работы турбокомпрессора для условий эксплуатации;

снятие характеристик компрессора и турбины.

194

Установка имеет систему смазки подшипников турбокомпрессора, включающую емкость для масла 14, насос 12 с перепускным клапаном 13, фильтрующий элемент 11 терморегулятор и холодильник 10. Марка масла должна соответствовать моторному маслу, применяемому на двигателе, на котором установлен испытуемый турбокомпрессор. Температура масла должна быть не менее 100 0С и соответствовать условиям эксплуатации. При использовании моторного масла SAE 5W-30, API-CD (М3З-10Д2) для высокофорсированных двигателей с наддувом его кинематическая вязкость при 100 0С лежит в пределах 9,5 – 11,5 сСт.

При износе подшипников скольжения увеличивается зазор между валом и подшипником, при этом расход масла также возрастает. По изменению расхода масла рекомендуется оценка величины зазора в подшипниковом узле и определение его предельногоИ значения.

также является дефектом в работе турбокомпрессора.

При нарушении уплотнения между подшипниковым узлом и колесом компрессора или турбины возможноДпросачивание масла, что

Для охлаждения турбокомпрессора, когда рабочим телом является газ с температурой до 900 К, используется система охлаждения, состоящая из ёмкости для охлаждающей жидкости 17, насоса центробежного типа 16 и охладителя 15. Установка может работать в одном

из двух режимов:

и

 

В первом режиме в качествеАрабочего тела используется сжа-

тый атмосферный воздух (холодный режим). С пульта управления

С

заслонки 3. При включении возду-

приводятся в действ е поворотныеб

ходувки 1 и открытом клапане 3 перед ней (верхний клапан закрыт) воздух поступает на вход в турбину турбокомпрессора 9. Расход воздуха через турбину регулируется дросселем.

Перед тем как запустить воздуходувку 1, нужно включить систему смазки и убедиться, что давление на входе в узел смазки подшипников составляет не менее 0,2 МПа. Так как турбина приводится в движение от воздуха, который имеет температуру не более 30 0С, то систему охлаждения можно не включать.

Частоту вращения вала ротора турбокомпрессора определяют в процессе исследования при помощи тахометра АТТ6002. Для измерения температуры воздуха на входе и выходе из компрессора используют термометры, давления – манометры, расхода − расходомеры. В качестве тормоза для турбины используется компрессор (К) турбокомпрессора 9. Изменяя положение заслонки 3 на выходе из

195