Материал: 2387

Внимание! Если размещение файла нарушает Ваши авторские права, то обязательно сообщите нам

 

 

 

 

 

ж

 

 

 

и

 

7

 

 

 

 

 

 

 

 

 

 

 

 

 

 

 

 

С

 

 

 

 

 

 

8

 

 

 

10

 

 

 

 

 

 

 

 

9

 

 

 

 

 

 

 

 

 

 

 

 

 

 

 

 

 

 

 

 

к

 

 

 

7

 

 

 

 

 

 

 

 

 

 

 

 

 

10

 

 

 

 

 

 

 

 

и

 

 

 

 

 

 

 

 

 

 

 

 

 

 

 

 

 

б

 

 

 

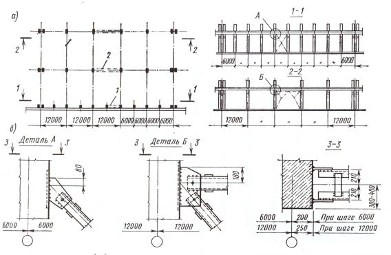
Р с. 7. Железо етонные фундаменты

а – монол тный; - с орный; в – свайный; г, д – заделка колонн в фундаменты; е –

стык стальной колонны с фундаментом; ж – опирание фундаментных балок (и – при

шаге колонн 6 м. К – при шаге колонн 12 м) ;

1 – ростверк; 2 – связевая; 3 – бетон; 4

 

 

А

– колонна; 5 – стальная пл та; 6 – анкер; 7 – набетонка δ=120; 8 – то же δ=20; 9 – опорный столбик; 10 – фундаментная алка.

Железо етонные колонны. Фахверк и связи по колоннам.

В зданиях без мостовых кранов устанавливают колонны без консолей (рис. 8а.), а в зданиях с мостовымиДкранами колонны с консолями, на которые опирают подкрановые балки (рис.8б,в). По местонахождению в здании на крайние, средние и фахверковые, располагаемые у торцовых и крайних продольных стен. В массовом промышленном строительстве при высоте помещений от пола до низа конструкций покрытий до 10,8 м применяют колонны прямоугольного сеченияИ(серия КЭ.01-49) для зданий без мостовых кранов и оборудованных мостовыми кранами, а при больших высотах (10,8 – 18 м) и оборудованных мостовыми кранами – двухверковые (серия КЭ.01-52). Марки колонн для определенного типа здания подбирают в зависимости от грузоподъемности крана, шага колонн, пролета и высоты здания, нагрузки от покрытия и давления ветра. По сравнению с колоннами прямоугольного сечения двухветвевые колонны имеют повышенную жесткость, но они более трудоемки в изготовлении. Применяют их в зданиях с высотой более 10,8 м. На изготовление колонн двутаврового сечения бетона расходуется на 25-30% меньше, чем на колонны прямоугольного сечения. Размеры колонн в поперечнике принимают: прямоугольного сечения - от 400х400 до 500х800

26

мм, двутаврового сечения - 400х600 и 400х800 мм, двухветвевых - от 400х1000 до 600х 1900 мм. Ветви колонн сквозного сечения связаны распорками через 1,5-3,0 м по высоте.

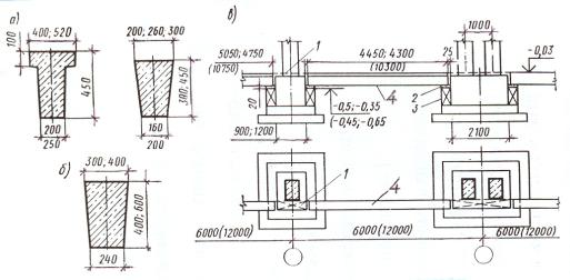
СРиси. 8. Основныебт пы железо етонных колонн. а – колонна типа К (для каркасов зданий без мостовых опорных и подвесных кранов и зданий, оборудованных под-

весными кранами, при Астропильных конструкциях покрытий с прямолинейным нижним поясом); – колоны типа КК (для каркасов зданий, оборудованных мостовыми электрическими опорными кранами, при стропильных конструкциях покрытий с прямолинейным нижним поясом); в – колонны типа КД (двухветвевая, для каркасов зданий, оборудованных электрическими опорными и подвесными кранами и зданий без кранов).

Помимо основных колонн в зданияхДпредусматривают фахверковые, устанавливаемые в торцах зданий и между основными колоннами крайних продольных рядов при шаге 12 м и длине стеновых панелей 6 м. Фахверковые колонны предназначены для крепления стен; они частично воспринимают массу стен и ветровые нагрузкиИ. Фахверковые колонны изготовляют железобетонные и стальные. Железобетонные колонны имеют сечение от 300х300 до 400х600 мм; колонны кольцевого сечения имеют диаметр 300 мм. Стальные колонны фахверка выполняют из сварных широкополочных двутавров. Соединяют фахверковые колонны с фундаментами и диском покрытия на шарнирах. К фундаментам колонны крепят анкерными болтами. Верхние концы колонн торцового фахверка крепят к стропильным конструкциям (рис. 9 а);- ветровым балкам или фермам, а продольного фахверка - к плитам покрытия и вертикальным связевым фермам (рис. 9 б). Такое соединение обеспечивает передачу ветровых нагрузок на каркас здания и исключает воздействие вертикальных нагрузок от покрытия на колонны фахверка.

27

С

 

обеспечивают

иР . 9. Т пы фахверковых колонн. а - , б - , 1 … 10 - .

В поперечном направлении устойчивость зданий с железобетонным

каркасом

А

защемлением низа колонн в фундаменты и об-

разованием жесткого диска покрытия путем сварки стропильных конструкций с закладными деталями панелей. Горизонтальные силы, действующие на диск покрытия в поперечном направлении, передаются на поперечные ряды колонн.

Для повышения устойчивостиДзданий в продольном направлении, кроме того, предусматривают систему вертикальных связей между колоннами и в покрытии. В зданиях без мостовых кранов и с подвесным транспортом межколонные связи ставят только при высоте помещений более 9,6 м. В целях снижения усилий в элементахИкаркаса от температурных и других воздействий вертикальные связи располагают в середине температурных блоков в каждом ряду колонн.

При шаге колонн 6 м применяют крестовые связи, а при шаге 12 и 18 м - портальные (рис. 10 a). Рядовые колонны соединяют со связевыми колоннами распорками, размещаемыми по верху колонн, а в зданиях с мостовыми кранами - подкрановыми балками. Связи выполняют из уголков или швеллеров и крепят к колоннам с помощью косынок на сварке (рис. 10 б).

Железобетонные подкрановые балки.

Подкрановые балки с уложенными по ним рельсами образуют пути движения мостовых кранов. Они придают зданию также дополнитель-

28

ную пространственную жесткость.

Железобетонные подкрановые балки могут иметь. тавровое или двутавровое сечение (рис. 11 а, б). Первые предусматривают при шаге Сколонн 6 м, вторые - при шаге 12 м. Железобетонные подкрановые балки устанавливают под краны грузоподъемностью до 30 т. Высота балок при пролете (шаге колонны) – 6 м - 800, 1000, а при пролете (шаге колонны)

– 12 м - 1400 мм (сер я КЭ.01-50.51).

и б А Д Рис. 10. Связи между железобетоннымиИколоннам

29

Си б АРис. 11. Железо етонные подкрановые балки.

а – длина шага колонн 6 м; – то же 12 м; в – крепление балок к колоннам; г – крепление кранового рельса к алке; д – устройство упора для мостового крана; 1 – опорный стальной лист; 2 – анкерный олт; 3 – стальная пластина; 4, 5 – закладные

элементы колонны; 6 – стальная лапка; Д7 – болт; 8 – упругие прокладки толщиной 8 мм; 9 – крановый рельс; 10 – деревянный брус; 11 – швеллер №45; 12 – стальная пластина.

К колоннам балки крепят сваркой закладных элементов и анкерными болтами (рис. 11 в). Гайки анкерных болтовИпосле выверки балок заваривают. Рельсы с подкрановыми балками соединяют парными стальными лапками, располагаемыми через 750 мм (рис. 11 г). Для уменьшения динамических воздействий на балки и снижения шума движущихся кранов под рельсы укладывают упругие прокладки из прорезиненной ткани толщиной 8-10 мм.

Во избежание ударов мостовых кранов о колонны торцового фахверка здания на концах подкрановых путей устраивают стальные упоры с амортизаторами - буферами из деревянного бруса (рис. 11 д).

Стальной каркас одноэтажных производственных зданий. Здания со стальным каркасом целесообразны при укрупненной сет-

ке колонн, большой высоте, с тяжелыми мостовыми кранами, в эксплуа-

30