Материал: 2387

Внимание! Если размещение файла нарушает Ваши авторские права, то обязательно сообщите нам

тационных установках, когда железобетонный каркас недостаточно надежен при динамических нагрузках.

Наиболее целесообразно для каркасов использовать легкие металлические конструкции, поставляемые на стройку с полной заводской готовностью.

тальной каркас одноэтажных зданий состоит из взаимосвязанных конструктивных элементов - колонн, стропильных и подстропильных ферм, подкрановых балок, прогонов, фахверка и связей.

Основными несущ ми конструкциями здания являются поперечные

и

рамы, состоящ е з шарнирно (или жестко) связанных между собой ко-

Слонн р гелей; колонны с фундаментами имеют обычно жесткую связь.

Элементы стальных конструкций соединяют между собой, как пра-

вило, на сварке. С целью снижения трудоемкости монтажа на стройке

 

б

элементы каркаса соед няют на олтах (черных, чистых и высокопроч-

ных).

 

Корроз онную стойкость стального каркаса повышают нанесением защитных покрыт й. Для ра оты в агрессивной среде следует применять круглые, гнутые, сплошностенчатые формы конструктивных элементов, в которых нет мест скопления влаги и пыли, являющихся источником

развития коррозии.

или переменное сечениА. Колонны подразделяются также на сплошные (рис. 12 а, б) и двухветвевые (рис. 12 в. г). По конструктивной схеме двухветвевые колонны делят на работающие совместно с ветвями (рис. ) и раздельные, состоящие из работающих независимо шатровой и подкрановой ветвей (рис. 12 г).

Стальные колонны и их базы.

Стальные колонны одноэтажных зданий могут иметь постоянное

Колонны постоянного сеченияДустанавливают в зданиях бескрановых и с кранами небольшой грузоподъемности (до 20 т), как правило, высотой до 9,6 м; в остальных случаях предусматривают колонны пе-

Колонны сплошного сечения целесообразноИиспользовать при центральном сжатии или малых эксцентриситетах продольной силы. Чаще применяют двухветвевые колонны из-за меньшего расхода стали, хотя они более трудоемки в изготовлении.

ременного сечения.

Раздельные колонны можно применять в зданиях с тяжелыми мостовыми кранами (Q≥ 125 т), при двухъярусном расположении кранов, а также в тех пролетах, со стороны, которых предполагается расширение цеха. Постановка таких колонн позволяет усилить подкрановую часть (например, в случае увеличения грузоподъемности крана), не нарушая

31

шатровой ветви.

Стальные подкрановые балки по статической схеме подразделяют на разрезные и неразрезные. Преимущественно распространены разрезные балки, так как они просты по конструкции, менее чувствительны к осадкам опор, несложны в монтаже, но по сравнению с неразрезными имеют

Сбольшую высоту и более металлоемки. Неразрезные балки сложнее монтировать и перевозить.

и б

АРис. 12. Основные типы стальных колонн:

а – постоянного по высотеДсечения; б, в – то же, переменного; г – раздельного типа.

Стальные подкрановые балки разработаны для применения в зданиях с пролетами от 18 до 36 м с обычным и тяжелым режимами работы, оборудованных мостовыми кранами грузоподъемностьюИот 5 до 320 т

различного режима работы, при шаге колонн 6, 12, 18 и 24 м (серия

1.426-1).

По сечению подкрановые балки подразделяют на сплошные и решетчатые. Балки сплошного сечения, устанавливаемые при шаге колонн 6м и небольшой грузоподъемности кранов, изготовляют из прокатного двутавра с усилением верхнего пояса стальным листом или уголками. Чаще применяют балки сплошного двутаврового сечения, сваренные из трех листов. Для восприятия горизонтальных усилий, возникающих при торможении кранов, предусматривают тормозные фермы или балки. Наиболее экономичными по сравнению с балками сплошного сечения являются решетчатые подкрановые балки в виде шпренгельных систем.

Высоту сечения сплошных балок принимают от 650 до 2050 мм

32

(через 200 мм). Стенки балок усиливают поперечными ребрами жесткости, располагаемыми через 1,2-1,5 м. Подкрановые балки опирают на консоли колонн и крепят анкерными болтами и планками (рис. 13 а,б). Между собой балки соединяют болтами через опорные ребра.

Сжелезобетонные фундаменты, а сверху шарнирно крепят к стропильным Приконструкц ям, пл там покрытия или вертикальными связевым фермам.

Фахверки и связи между стальными колоннами.

Фахверковые колонны торцовых и продольных стен выполняют обычно з ш рокополочных двутавров. Внизу их шарнирно опирают на

нал ч ветровых ферм, которые располагают через 10-12 м по высоте стены, фахверковые колонны крепят и к ним.

Верх фахверковыхбколонн располагают на 150 м ниже уровня нижнего пояса строп льных конструкций. До высоты стропильной конструкции колонны наращ вают надставками из двутавра, а до высоты парапета - насадками з уголков. Верх колонн к стропильной ферме шарнирно прикрепленАс помощью изогнутых пластин - листовых шарниров. Листовой шарнир дает возможность передавать ветровые нагрузки на основной каркас и устраняет вертикальные воздействия покрытия на стойки фахверка.

Да) И

33

б)

в)

и

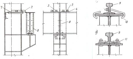
Р с. 13. Основные типы стальных подкрановых балок

Са –креплен е

алок к железо етонной колонне; б – то же, к стальной; в –

креплен е рельса к

алке крюками; з – то же, лапками; 1 – тормозная балка; 2

– крепежная планка; 3 – упорный уголок; 4 – стальная фасонка; 5 – подставка;

6 – цементно-песчаный раствор М200; 7 – тормозная балка; 8 – опорное ребро;

9 – рельс; 10 – крюк; 11 – стальная лапка.

Верт кальныебсвязи по стальным колоннам, обеспечивающие продольную устойч вость каркаса, предусматривают в каждом продольном ряду колонн. Связи подразделяют на основные (подкрановые) и верхние (надкрановые). Основные связи предусматривают в середине здания или температурного отсека, а верхние - по краям температурных отсеков и в тех панелях, где вертикальные и поперечные горизонтальные связи рас-

В зависимости отАшага колонн, высоты здания и ширины поперечных проездов применяют основные связи - крестовые и портальные. Верхние связи выполняют в виде подкосов и фермочек. зготовляют связи из уголков и крепят к колоннам черными болтами, а в зданиях с

положены в фермах покрытия (рис. 14).

кранами большой грузоподъемности тяжелого режима работы - монтаж-

ной сваркой и чистыми болтами.

Д

Покрытия промышленныхИзданий.

В системе конструкций промышленного здания покрытие выполняет одну из главных ролей. Оно определяет долговечность здания в целом, характер внутреннего пространства и нередко внешний облик здания. На покрытие одноэтажного здания приходится 20—30, а иногда до 40% стоимости и 30% трудоемкости строительства. На содержание покрытий в процессе эксплуатации зданий тоже требуются значительные расходы.

Покрытия промышленных зданий, как правило, устраивают бесчердачными. Состоят они из несущих и ограждающих конструкций. Несущие конструкции покрытий устраивают в виде ферм, балок, арок и

34

рам, которые поддерживают ограждающую часть, придавая ей уклон, соответствующий материалу кровли. Ограждающая часть покрытий кроме защиты помещений от атмосферных воздействий вместе с несущими конструкциями обеспечивают зданиям пространственную жест-

Скость.

и б А Д

Рис. 14. Фахверк при стальном каркасеИи связи между колоннами а – схема торцового фахверка и детали; б – схема связей при колоннах постоянного

сечения; в – то же, при двухветвевых колоннах; 1 – стальная фахверковая колонна; 2

– ветровая ферма; 3 – ремонтная площадка крана; 4 – надставка; 5 – насадка; 6 – парапет; 7 – стальные пластины; 8 – стропильная ферма; 9 – связи по верхнему и нижнему поясам ферм; 10 – рифленая сталь; 11 – ограждение; 12 – цементно-песчаный раствор; 13 – фундамент; 14 – подстропильная ферма; 15 – основные связи; 16 – верхние связи.

35