Материал: 2257

Внимание! Если размещение файла нарушает Ваши авторские права, то обязательно сообщите нам

 

 

 

 

И

Рис. 50. Выполнение операции Растянуть при создании динамического блока

 

 

А

 

 

б

ДВизуальное различие между

и

 

выделенными на чертеже статиче-

 

ским и динамическим блоками пока-

 

 

 

С

 

 

зано на рис. 51. Стрелка на чертеже

 

 

блока определяет изменяющийся па-

 

 

 

раметр динамического блока.

Рис. 51. Различие между статическим и динамическим блоками на чертеже

5. ПРАКТИКА СОЗДАНИЯ 2D-ЧЕРТЕЖЕЙ В СРЕДЕ AUTOCAD

В практике работы с файлом чертежа необходимо выполнить несколько подготовительных действий: создание слоев, использованиеЦентра управлениядля переноса слоев, стилей размеров итекстов ит. д. вовновь созданный файл.

5.1. Создание слоев

Для выполнения чертежей в среде AutoCAD создают слои с параметрами линий, соответствующими ГОСТ 2.30368 ЕСКД. Для этого используют команду Слой... падающего меню Формат. При этом активируется окно Дис-

петчер свойств слоев (рис. 52).

36

Рис. 52. Окно создания и редактирования слоев

Все необходимые для чертежа слои создают с помощью пиктограммы Создать слой (см. рис. 52). Далее слою дают имя, редактируют его цвет, выбирают тип линии и ее толщину (вес линии) щелчком ЛКМ в соответствующей ко-

лонке редактируемого слоя. Для выбора типа линии с помощью кнопки Загру-

зить открывают окно Загрузка/перезагрузка типовИлиний (рис. 53).

 

 

 

Д

 

 

А

 

 

б

 

 

и

 

 

 

Рис. 53. Загрузка типов линий, необходимых для чертежа

С

 

 

 

 

Во время выполнения чертежа слой

 

выбирают из списка панели Слои (рис. 54).

 

Выбор слоя необходимо выполнять щелч-

 

ком ЛКМ на названии в правой области

 

списка, так как значки, расположенные с

 

левой стороны, могут погасить, заморозить

 

или заблокировать слой для его дальней-

Рис. 54. Список слоев панели Слои

шего редактирования и работы в нем.

 

37

5.2. Использование Центра управления

Центр управления программы AutoCAD является инструментом переноса созданных в других файлах слоев, стилей размеров, текстов, мультилиний и пр. во вновь созданный файл чертежа. Активация центра управления выполняется последовательностью команд Сервис → Палитры → Центр управления .

Также для активации окна центра управления (DesignCenter) можно использовать горячие клавиши Ctrl+2.

В этом окне из выбранного файла можно выделить необходимые слои, стили и пр. для последующего переноса их во вновь созданный файл чертежа

(рис. 55).

 

 

 

И

 

 

Д

 

А

 

б

 

 

Р с. 55. Окно центра управления DesignCenter

и

 

 

 

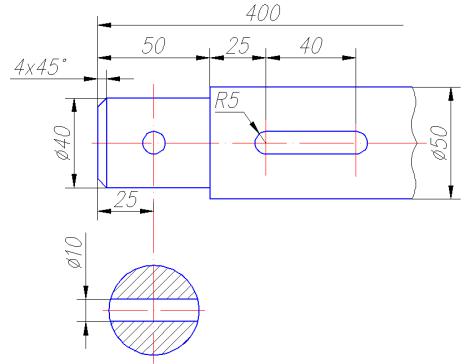
5.3. Пример выполнения графической работы №1 «Вал»

В качествеСпрактических рекомендаций к освоению программы AutoCAD предлагаем выполнить чертеж детали (рис. 56, 57). Для этого необходимо создать файл чертежа Вал.dwg и сохранить его на диске D в своей папке. Для освоения множества возможных инструментов программы рекомендуем придерживаться последовательности операций:

1.Создать слои с помощью команды Формат → Слои…(см. подр. 5.1): Слой 1 для линий видимого контура: цвет – синий, тип линии – сплош-

ная (continuous), вес линии – 0.7;

Слой 2 для осевых линий: цвет – красный, тип – штрихпунктирная

(ISO04W100), вес линии – 0.25;

Слой 3 для линий штриховки и нанесения текста и размеров: цвет – черный, тип линии – сплошная (continuous), вес линии – 0.25.

2. Создать текстовый стиль, следуя указаниям подр. 2.6.5, с параметрами:

38

Стиль текста Simplex, Степень растяжения 0.8, Угол наклона 15.

3.Создать размерный стиль, следуя указаниям подр. 2.6.6, с параметрами:

Стрелка Разомкнутая, размером 5; Удлинение за размерную 3; Текст: стиль 1, высотой 5; Глобальный масштаб 1; Точность 0.

4.Вычертить главный вид детали (см. рис. 57):

4.1.Включить режимы (см. подр. 1.2) ORTO, ПРИВЯЗКА, ВЕС.

4.2.Выбрать Слой 2 (см. подр. 5.1).

4.3.Вычертить осевую линию с помощью команды Рисование Отрезок → щелчок ЛКМ в произвольной точке экрана → отвести курсор вправо,

160 .

4.4. Вычертить верхний контур вала (Слой 1) в последовательности, предложенной на рис. 56, используя команды Рисование Отрезок → ЛКМ с привязкой Ближайшая (см. подр. 1.7) на выполненной оси (точка1) 20 50 5 100 . Выполняя отрезкипо заданнымточкам,отводитькурсорвнужнуюсторону.

 

 

И

 

Д

А

 

Р с. 56. Процесс выполнения чертежа

б

 

 

4.5. Удлин ть отрезок 3-4 до осевой линии с помощью команд Редак-

тировать Удлинитьи(см. подр. 3.2.9). При указании удлиняемого отрезка

щелчок ЛКМ делать ближе к границе удлинения (см. рис. 56).

4.6. копироватьСвыполненный контур относительно оси с помощью команд Редактировать Зеркальное отражение (см. подр. 3.2.2).

4.7. Выполнить линию обрыва (Слой 3) с помощью операций Рисова-

ние Сплайн (см. подр. 2.5).

4.8. Выполнить фаску (Слой 1) с помощью операций Редактирование Фаска (см. подр. 3.2.9). Так как в начале сеанса AutoCADа в команде Фаска назначается режим С обрезкой, длина катетов фаски 0, угол 450, то для задания параметров фаски использовать опции Длина 1: 4 , Длина 2: 4 и затем щелчком ЛКМ указать отрезки для создания фаски.

4.9. Выполнить оси цилиндрических выемок для отверстия и шпоночного паза (Слой 2). Для этого использовать операции Рисование Прямая Отступ →25 → ЛКМ на отрезке 1-2 → ЛКМ справа. Аналогично построить оси шпоночного паза с отступами 75 и 115 от отрезка 1-2.

39

4.10.Выполнить окружность для сквозного отверстия радиусом 5 (Слой 1) с помощью операций Рисование Круг → ЛКМ в точке пересечения осей (см. подр. 2.2).

4.11.Копировать окружность с базовой точкой в центре окружности, указывая центры новых положений щелчками ЛКМ в точках пересечения осей шпоночного паза (см. подр. 3.2.1).

4.12.Провести верхний и нижний отрезки шпоночного паза командой Отрезок. Обрезать внутренние части окружностей, используя операции Редак-

тирование Обрезать (см. подр. 3.2.9).

 

 

 

 

И

 

 

 

Д

 

 

А

 

 

б

 

 

и

 

 

 

С

 

 

 

 

Р с. 57. Пр мер выполнения чертежа «Вал»

4.13. Вычертить вынесенное сечение вала со сквозным отверстием: 4.13.1. Провести горизонтальную ось (Слой 2) сечения с помо-

щью команды Отрезок.

4.13.2. Выполнить окружность (Слой 1) радиусом 20 с центром в пересечении осей.

4.13.3. Выполнить отверстие (Слой 1) с помощью операций Рисование Прямая Отступ → 5 ЛКМ на горизонтальной оси → ЛКМ сверху → ЛКМ снизу от оси.

4.13.4.Обрезать все лишние линии с помощью команды Обрезать. Осевые линии вытянуть с помощью «ручек» за границы изображений на

1…5 мм.

4.13.5.Выполнить штриховку сечения (Слой 3) с помощью опе-

раций Рисование Штриховка (см. подр. 2.6.4).

4.14.Нанести размеры (Слой 3) в соответствии с рис. 57 (см. подр.

2.6.6).

40