Материал: Строительные машины (в вопросах и ответах)

Внимание! Если размещение файла нарушает Ваши авторские права, то обязательно сообщите нам

ка с питанием от внешней силовой сети и двигатели внутреннего сгорания, не зависящие от внешних источников энергии.

Электродвигатели приводят в действие переносные (ручные), передвижные и стационарные машины, длительное время работающие на одном месте (башенные, козловые и мостовые краны, смесительные установки, конвейеры, насосные установки и т.п.). Электродвигатели преобразуют электрическую энергию в механическую. Они характеризуются постоянной готовностью к работе, простотой пуска, управления и реверсирования, сравнительно небольшими габаритами и массой. Основной их недостаток – зависимость от внешних источников энергии.

Двигатели внутреннего сгорания применяют в основном в самоходных строительных машинах. Их достоинствами являются независимость от внешних источников энергии, высокая экономичность, небольшой вес, приходящийся на единицу мощности, постоянная готовность к работе. По виду потребляемого топлива и способу его воспламенения различают карбюраторные двигатели, работающие на бензине или газе с воспламенением топливовоздушной смеси, приготовленной в карбюраторе, электрической искрой, и дизельные двигатели, работающие на дизельном топливе с воспламенением топливовоздушной смеси в результате ее нагрева при сжатии в цилиндрах. Дизели получили преимущественное распространение, так как они экономичнее карбюраторов в 1,3…1,5 раза, имеют более высокий КПД (на 30…40 %) и способны работать на более дешевом топливе. К недостаткам двигателя внутреннего сгорания относятся: невозможность реверсирования и пуска под нагрузкой, сравнительно небольшой диапазон непосредственного регулирования скорости и крутящего момента, большая чувствительность к перегрузкам, сложность пуска при низких температурах, сравнительно малый срок службы (3000…4000 ч), высокая стоимость эксплуатации.

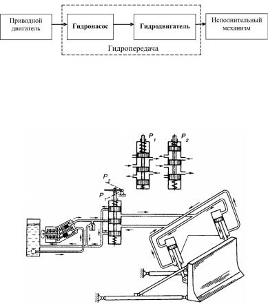
8. Каков принцип действия гидравлического привода?

Гидравлический привод применяется в большинстве современных строительных машин (экскаваторов, кранов, подъемников, по-

21

грузчиков, бульдозеров, скреперов и др.) для передачи мощности от основного двигателя к рабочему органу и исполнительным механизмам, а также в системе управления машинами.

Принцип действия основан на преобразовании механической энергии приводного двигателя в потенциальную энергию давления рабочей жидкости в гидропередаче (гидронасос – гидродвигатель) и последующем преобразовании в механическую энергию выходного звена исполнительного механизма (рис. 9).

Рис. 9. Структурная схема объемного гидропривода

В гидроприводе, называемом объемным (рис. 10), или статическим, используется энергия практически несжимаемой рабочей жидкости (минеральное масло), нагнетаемой гидравлическими насосами.

Рис. 10. Принципиальная схема объемного гидропривода

22

Рис. 11. Шестеренный односекционный насос

Основными достоинствами гидропривода являются: высокий КПД, экономичность, удобство управления и реверсирования, способность обеспечивать большие передаточные числа, бесступенчатое независимое регулирование в широком диапазоне скоростей исполнительных механизмов, простота преобразования вращательного движения в поступательное, предохранение двигателя и механизмов от перегрузок, компактность конструкции и надежность в работе.

Гидропривод включает в себя следующие основные элементы: насосы (рис. 11, 12), баки с рабочей жидкостью, гидродвигатели поступательного (гидроцилиндры) (рис. 13) и вращательного (гидромоторы) (рис. 14) действия, гидрораспределители потоков рабочей жидкости от насосов к гидроцилиндрам или гидромоторам, а также регулирующие устройства, фильтры и соединительные трубопроводы.

Рис. 12. Принципиальные схемы поршневых насосов

23

Рис. 13. Гидравлические цилиндры

Рис. 14. Радиально-поршневой гидромотор

В гидродвигателях давление рабочей жидкости, создаваемое насосом, преобразуется в поступательное движение поршня со штоком или во вращательное движение ротора, связанных с рабочим органом.

24

9.Что представляют собой механические передачи

игде они используются?

Механические передачи представляют собой систему механизмов для передачи энергии от двигателя к исполнительным органам машины с изменением скоростей крутящих моментов, направления и вида двигателя. В строительных машинах наиболее распространены передачи вращательного движения, одни из которых используют трение (фрикционные и ременные), а другие – зацепление (зубчатые, червячные, цепные и винтовые). В каждой передаче вал, передающий мощность, называется ведущим (входным), а воспринимающий ее – ведомым (выходным).

Передачи могут выполняться с постоянным и переменным (регулируемым) передаточным числом, определяемым как отношение частоты вращения одного вала к частоте вращения другого. Различают понижающие (редукторные) передачи и повышающие (мультипликаторные).

Редуктором называют механизм, предназначенный для уменьшения частоты вращения выходного вала по сравнению с входным, увеличения крутящего момента и состоящий из одной или нескольких механических передач, помещенных в общем закрытом корпусе

(рис. 15).

Фрикционные передачи (рис. 16) работают за счет сил трения, возникающих в месте контакта цилиндрических, конических и клиновых катков при их взаимном прижатии друг к другу с усилием.

Ременные передачи (рис. 17) состоят из ведущего и ведомого шкивов, расположенных на определенном расстоянии друг от друга и охватываемыхмеждусобойоднимилинесколькимибесконечнымиремнями.

Зубчатые передачи (рис. 18) в общем случае состоят из двух зубчатых колес, находящихся в заземлении. Ведущее, обычно меньшее, колесо называется шестерней, а ведомое большое – колесом. По взаимному расположению колес зубчатые передачи подразделяют на передачи с внутренним и внешним зацеплением. По расположению геометрических осей валов, на которых установлены зубчатые колеса, различают передачи: с параллельными осями – ци-

25