Материал: Строительные машины (в вопросах и ответах)

Внимание! Если размещение файла нарушает Ваши авторские права, то обязательно сообщите нам

Крюки (рис. 25) служат для подвешивания штучных грузов и специальных захватных приспособлений к канатам, они могут быть однорогие и двурогие.

Рис. 25. Крюки

Канатные стропы (рис. 26) служат для подвешивания грузов к крюкам и петлям, стропы разделяют на кольцевые универсальные, прямые облегченные, имеющие петли с двух сторон или с одной стороны петлю, а с другой – крюк или кольцо, а также многоветвевые, включающие в себя от 2 до 8 одинарных стропов.

Рис. 26. Стропы

Траверсы (рис. 27) служат для подъема и перемещения крупногабаритных и длинномерных грузов, предохраняют конструкции от сжимающих усилий, возникающих в конструкциях грузов при применении многоветвевых (наклонных) стропов.

31

Рис. 27. Траверсы

Условное обозначение канатов строительных машин записывается в паспорте машины. Крюки и петли должны иметь клеймо за- вода-изготовителя и паспорт, в котором приводится их полная техническая характеристика.

12.Какова роль полиспастов

вгрузоподъемных машинах?

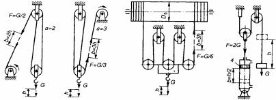
Полиспаст представляет собой систему подвижных (перемещающихся в пространстве) и неподвижных блочных обойм, огибаемых по определенной системе одним общим канатом.

Подвижная обойма имеет крюк или петлю для захвата груза, неподвижная крепится к элементу конструкции. Полиспасты применяют для выигрыша в силе (редукторные полиспасты) или в скорости (мультипликаторные полиспасты). В строительных машинах наибольшее применение получили редукторные полиспасты, уменьшающие натяжения каната, грузовой момент и передаточное число механизма привода при соответствующем проигрыше в скорости подъема груза. Мультипликаторные полиспасты используют реже, в основном в гидравлических подъемниках, погрузчиках, механизмах выдвижения телескопических стрел кранов, экскаваторов.

По количеству ветвей каната, навиваемых на барабан и определяющих тип полиспаста, различают одинарные и сдвоенные полиспасты. Основной характеристикой полиспаста является его крат-

32

ность Uп. Ее определяют как отношение числа ветвей каната, на которых подвешен груз, к числу ветвей каната, наматываемых на барабан.

Длина каната L одинарного полиспаста, наматываемого на барабан, при высоте подъема груза h и кратности полиспаста Uп рассчитывается по формуле

L = Uп h.

Рис. 28. Полиспасты

Применение силовых полиспастов позволяет уменьшить диаметр каната, а следовательно, диаметры блоков и барабанов, снизить передаточное число редуктора, уменьшить габариты и массу машины. Однако при этом увеличивается длина каната, канатоемкость барабана и потери мощности на трение.

13. Каковы виды и основные параметры ходового оборудования строительных машин?

Ходовое оборудование предназначено для передачи на опорную поверхность (грунт, дорожное покрытие, рельсы) веса машины и внешних нагрузок, действующих на нее при работе, а также для передвижения и стопорения машины. Оно включает гусеничное, пневмоколесное, гусенично-колесное или рельсовое ходовое устройство и механизмы для его привода.

Каждое ходовое устройство состоит из движителя и подвески. Движитель находится в постоянном контакте (сцеплении) с опорной

33

поверхностью и обеспечивает поступательное движение машины. Самоходные строительные машины монтируют на базе серийных грузовых автомобилей, колесных и гусеничных тракторов, пневмоколесных тягачей и специальных гусеничных и пневмоколесных шасси с приводом от общей трансмиссии машины или от индивидуальных электрических и гидравлических двигателей.

Рис. 29. Гусеничное ходовое оборудование

Пневмоколесное ходовое оборудование обеспечивает машинам маневренность, мобильность, высокие скорости (до 60…70 км/ч) и плавность хода. У большинства строительных машин все колеса – ведущие.

Гусеничное ходовое оборудование (рис. 29) характеризуется хо-

рошим сцеплением с грунтом, высокой тяговой способностью, большой опорной поверхностью, низким удельным давлением на грунт (0,04…0,1 МПа), определяющими в комплексе его высокую проходимость. Недостатки гусеничного оборудования – тихоходность (не более 10…12 км/ч), сравнительно большая масса (30…40 % от массы машины), сложность конструкции. Для транспортирования оборудования с одного объекта на другой применяют пневмоколесные прицепы-тяжеловозы (трайлеры).

34

Рис. 30. Рельсовое ходовое оборудование

Рельсовое ходовое оборудование (рис. 30) имеют башенные,

козловые, мостовые и специальные стреловые самоходные краны, электротали – тельферы, сваебойные установки и др. Оно характеризуется простотой конструкции, небольшими сопротивлениями передвижения, а также малыми маневренностью и скоростью передвижения.

14. Каковы конструктивные особенности гидрообъемных трансмиссий?

Гидрообъемные трансмиссии включают в себя низкомоментный гидромотор в качестве привода ведущих колес через систему передач и валов, а также индивидуальные гидромоторы на каждое колесо от приводных ступичных блоков, встроенных в ступицу каждого колеса (мотор-колеса) и включающих в себя гидромотор, планетарный редуктор и тормоз.

Скорость машины с мотор-колесами можно плавно регулировать в широком диапазоне в зависимости от дорожных условий и действующих на нее нагрузок. Каждое мотор-колесо может быть поворотным, за счет чего улучшается маневренность машины.

Гидрообъемные трансмиссии применяются в тихоходных машинах.

15. Что представляют собой гидродинамические передачи в трансмиссиях машин?

Гидродинамические передачи представляют собой гидромуфту (рис. 31, а) или гидротрансформатор (рис. 31, б), которые устанавли-

35