Материал: Строительные машины (в вопросах и ответах)

Внимание! Если размещение файла нарушает Ваши авторские права, то обязательно сообщите нам

наименьший радиус закругления R оси внутреннего рельса на криволинейном участке подкранового пути;

конструктивная масса Mк – масса крана без балласта, противовеса и съемных устройств;

допустимая скорость ветра vв на высоте 10 м от земли для рабочего и нерабочего состояний, при которой кран сохраняет прочность и устойчивость в процессе эксплуатации.

а

б

Рис. 73. Типы и параметры башенных кранов: а – с поворотной башней; б – с поворотным оголовком; 1 – опорно-поворотное устройство; 2 – поворотная платформа; 3 – стреловая лебедка; 4 – противовес; 5 – стреловой полиспаст; 6 – распорка; 7 – оголовок; 8 – стреловой расчал; 9 – стрела; 10 – крюковая подвеска; 11 – башня; 12 – грузовая лебедка; 13 – ходовая рама; 14 – ходовые тележки; 15 – противовесная консоль; 16 – тележечная лебедка; 17 – грузовая тележка; 18 – монтажная стойка;

19 – плиты балласта

В настоящее время промышленность серийно выпускает башенные строительные краны серии КБ 3…6-й размерных групп с грузовым моментом от 100 до 400 т·м.

86

Краны 3-й размерной группы максимальной грузоподъемностью 8 т снабжены подъемной и балочной с грузовой тележкой стрелами и применяются при возведении жилых, административных и промышленных зданий высотой до девяти этажей.

Рис. 74. Кран КБ 4-й размерной группы с поворотной башней и подъемной стрелой: 1 – ходовая кольцевая рама коробчатого сечения; 2 – поворотная платформа; 3 – противовес; 4 – телескопические подкосы; 5 – стреловой канат; 6 – грузовой канат; 7 – головка; 8 – расчал; 9 – стрела; 10 – крюковая подвеска; 11 – канатные тяги; 12 – кабина машиниста; 13 – башня; 14 – портал; 15 – однорядное роликовое опорно-поворотноеустройство; 16 – балансирная двухколесная тележка

87

Краны 4-й размерной группы (рис. 74) максимальной грузоподъемностью 8…10 т оборудованы подъемными стрелами (прямыми и с гуськом), балочными стрелами с грузовой тележкой и предназначены для выполнения строительно-монтажных работ зданий высотой до 12…16 этажей.

Краны 5-й размерной группы максимальной грузоподъемностью 10 т предназначены для механизации строительства крупнопанельных жилых зданий, а также уникальных зданий культурнобытового предназначения высотой до 75 м. Они оборудованы балочной стрелой, устанавливаемой горизонтально и под углом 30o.

Рис. 75. Кран КБ 6-й размерной группы с неповоротной башней и горизонтальной балочной стрелой: 1 – противовес; 2 – противовесная консоль; 3 – оттяжка консоли, поворотный оголовок; 5 – кабина управления; 6 – оттяжка стрелы; 7 – стрела; 8 – грузовая тележка; 9 – крюковая подвеска; 10 – башня; 11 – подъемник для машиниста; 12 – подкосы; 13 – плиты балласта; 14 – ходовая рама; 15 – ходовые тележки; 16 – монтажная стойка; 17 – опорно-поворотное устройство; 18

приспособления для монтажа и демонтажа настенных опор

88

Краны 6-й размерной группы (рис. 75) оборудованы балочной стрелой с грузовой тележкой и предназначены для возведения жилых, общественных и промышленных зданий высотой от 12 до 40 м из объемных и тяжелых элементов массой 2,5…25 т.

а

б

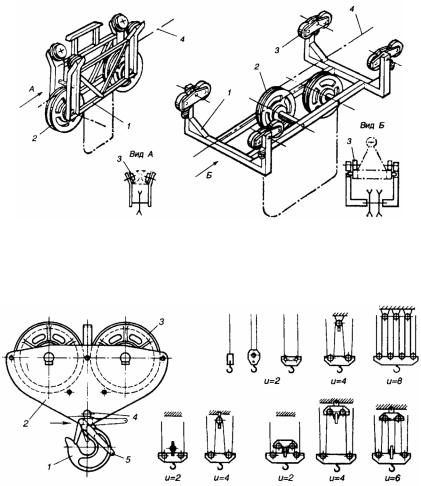
Рис. 76. Грузовые тележки башенных кранов: а – с жесткими катками; б – с балансирными катками; 1 – сварная рама; 2 – блоки грузового каната; 3 – опорные катки; 4 – грузовой канат

Рис. 77. Грузовые полиспасты башенных кранов: 1 – крюк; 2 – щеки; 3 – блоки; 4 – траверса; 5 – предохранительныйзамок

89

Башенные краны состоят из стрелы, башни, опорной части, опорно-поворотного устройства, противовеса, стреловых канатов, грузовой тележки (рис. 76, 77), лебедок и механизма передвижения.

Монтаж современных мобильных, а также тяжелых и высотных кранов осуществляется собственными механизмами с участием одного и иногда двух стреловых самоходных кранов необходимой грузоподъемности.

Для подъема и опускания верхней части крана при монтаже

идемонтаже секций башни служит монтажная стойка, состоящая из собственно стойки, лебедки, площадок, обойм полиспаста, блока

икатушки. При монтаже или демонтаже стойка крепится на секциях башни в специальных кронштейнах. Стойка состоит из трехгранной формы, имеющей внизу портал, в котором располагается лебедка.

Внастоящее время готовится выпуск башенных кранов нового поколения – кранов модульной системы КБМ с грузовым моментом от 100 до 400 т·м и числом исполнений от 21 до 47.

Все башенные краны оборудуются приборами безопасности. К ним относятся ограничители крайних положений всех видов движения, расположенные перед упорами: передвижения крана, грузовой и контргрузовой тележек, угла наклона стрелы, поворота, высоты подъема, выдвижения башни и др. Для защиты кранов от перегрузки при подъеме груза на определенных вылетах применяют ограничители грузоподъемности.

30. Что представляют собой краны пролетного типа? Области их применения

Козловые краны применяют в городском строительстве для выполнения погрузо-разгрузочных работ на складских территориях заводов и комбинатов строительных изделий и конструкций, для предварительной сборки конструкций и основных монтажных работ на строительстве эстакад, путепроводов, мостов и метрополитена (при открытом способе строительства), а также монтажа зданий и технологического оборудования.

90