Материал: Строительные машины (в вопросах и ответах)

Внимание! Если размещение файла нарушает Ваши авторские права, то обязательно сообщите нам

мощностные и массово-геометрические параметры. Автомобильные стреловые краны могут быть с механическим

приводом (рис. 65) грузоподъемностью 6,3 т, дизель-электрическим приводом (рис. 66) грузоподъемностью до 40 т, а также на специальных и короткобазовых шасси (рис. 63, 67).

Рис. 63. Кран на шасси автомобильного типа

Рис. 64. Пневмоколесные краны

76

Автомобильные краны (рис. 64, 65) – стреловые полноповоротные краны, смонтированные на стандартных шасси грузовых автомобилей нормальной и повышенной проходимости.

а

б

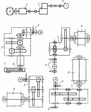
Рис. 65. Автокран с механическим приводом: а – общий вид; б – кинематическая схема; 1 – гидронасос; 2 – коробка отбора мощности; 3 – промежуточный редуктор; 4 – зубчатый венец; 5 – поворотная шестерня; 6 – поворотный механизм; 7 – реверсивно-распределительный механизм; 8 – грузовая лебедка; 9 – ленточные нормально замкнутые тормоза; 10

стреловая лебедка

Автокраны обладают довольно большой грузоподъемностью (до 40 т), высокими скоростями передвижения (до 70…80 км/ч), хорошей маневренностью и мобильностью. Они могут производить следующие рабочие операции: подъем и опускание груза; изменение

77

угла наклона стрелы; поворот стрелы на 360° в плане; изменение длины телескопической стрелы; передвижение с грузом.

Рис. 66. Кинематическая схема автокрана с дизель-электрическим приводом: 1 – коробка передач; 2 – коробка отбора мощности; 3 – генератор; 4 – колодочные тормоза; 5 – редукторы; 6 – поворотная шестерня; 7 – зубчатый венец опорно-поворотного устройства; 8 – барабаны лебедок

Гусеничные стреловые самоходные краны (рис. 68) монтируют на базе специальных двухгусеничных шасси, обеспечивающих за счет большой опорной поверхности гусениц высокие проходимость и устойчивость машин. Такие краны имеют дизель-электрический привод и отличаются от пневмоколесных кранов в основном конструкцией ходового устройства, способны работать без выносных

78

опор, передвигаться с грузом и могут применяться на объектах с большими объемами строительно-монтажных и погрузочно-раз- грузочных работ.

а

бв

Рис. 67. Кран на короткобазном шасси: а – общий вид; б – схема крана в рабочем положении; в – графики грузоподъемности (главный подъем); 1 – крюковая подвеска; 2 – гидроцилиндр; 3 – грузовой полиспаст; 4 – выдвижные секции трехсекционной телескопической стрелы; 5 – основная секция трехсекционной телескопической стрелы; 6 – опорно-поворотное устройство; 7 – кабина машиниста; 8 – поворотная часть; 9 – главная грузовая лебедка; 10 – вспомогательная грузовая лебедка; 11 – противовес; 12 – дизельный двигатель; 13 – выносные гидроуправляемые опоры;

14 – шасси

79

Промышленность серийно выпускает гусеничные краны грузоподъемностью 16; 25; 40; 63; 100 и 160 т, которые оснащаются стреловым и башенно-стреловым оборудованием и могут работать как от собственного дизель-электрического агрегата, так и от внешней сети трехфазного тока напряжением 380 В, частотой 50 Гц.

Рис. 68. Гусеничный кран

Гусеничные краны (рис. 70) имеют небольшие транспортные скорости (до 1,0 км/ч), поэтому их перевозят с объекта на объект на трайлерах.

Самоходные шасси снабжены следующими приборами безопасности: выключателями подъема крюковых подвесок и сматывания канатов с барабанов, указателями вылета стрелы и грузоподъемности.

27. Каковы конструктивные особенности специальных самоходных кранов?

Специальные стреловые краны на рельсовом ходу (рис. 69) под-

разделяют на железнодорожные (установленные на железнодорожных платформах), стреловые и башенно-стреловые с использованием сборочных единиц гусеничных кранов и стреловые на базе башенных рельсовых кранов.

80