Материал: Система автоматизированного управления мобильной газораспределительной станцией

Внимание! Если размещение файла нарушает Ваши авторские права, то обязательно сообщите нам

Для измерения температуры на входе и выходе мобильной ГРС принимаем датчики температуры ТСМУ Метран-274-Ех (ЗАО «Метран») следующих модификаций:

-       на входе ГРС - ТСМУ Метран-274-02-Ехd-100М-80-0,5-Н10-(-50±+50)-4-20;

-       на выходе ГРС - ТСМУ Метран-274-02-Ехd-100М-120-0,5-Н10-(-50±+50)-4-20;

Чувствительный элемент первичного преобразователя и встроенный в головку датчика температуры (ТСМУ Метран-274-02) измерительный преобразователь преобразуют измеряемую температуру в унифицированный токовый выходной сигнал. Зависимость выходного токового сигнала от измеряемой температуры - линейная. Технические характеристики датчика температуры ТСМУ Метран-274-02 представлены в таблице 10.

Таблица 10 - Технические характеристики датчика температуры ТСМУ Метран-274-02

п/п

Наименование параметра

Значение

1

Напряжение питания, В

18÷42 VDC

2

Выходной сигнал, мА

4-20

3

Основная приведенная погрешность, %

±0,25

4

Диапазон температур окружающей среды, 0С

-50 ÷ +50

5

Взрывозащищенное исполнение

искробезопасная цепь и взрывонепроницаемая оболочка


Конструктивное исполнение датчика температуры ТСМУ Метран-274-02 представлено на рисунке 25.

- чувствительный элемент; 2 - защитная арматура; 3 - выводы; 4 -изоляция; 5 - герметик; 6 - головка; 7 - клеммная сборка; 8 - зажимы; 9 - жилы кабеля; 10 - кабель; 11 - гайка.

Рисунок 25 - Конструктивное исполнение датчика температуры ТСМУ Метран-274-02

Принцип работы датчика температуры ТСМУ Метран-274-02 основан на явлении изменения электрического сопротивления металлов при изменении их температуры. Величина изменения электрического сопротивления определяется типом материала чувствительного элемента (в датчике температуры ТСМУ Метран-274-02 - медь) и величиной изменения температуры. Изменение электрического сопротивления материала чувствительного элемента преобразуется в нормирующем измерительном преобразователе в изменение выходного токового сигнала 4-20 мА. Схема внешних электрических соединений и внешний вид датчика температуры ТСМУ Метран-274-02 приведены на рисунке 26 и рисунке 27.

Рисунок 26 - Схема внешних электрических соединений датчика температуры ТСМУ Метран-274-02

.        Измерение уровня загазованности в помещении мобильной ГРС (система контроля загазованности) необходимо для оперативного контроля, обеспечения мер безопасной эксплуатации оборудования, предотвращения повышения значения уровня загазованности свыше допустимых пределов (1 порог - 5% НКПР и 2 порог - 20% НКПР). При достижении уровня загазованности «1 порог» в помещении мобильной ГРС, САУ формирует сигнал предупредительной сигнализации, свидетельствующий о возникновении предаварийной ситуации (местная утечка газа на технологическом оборудовании мобильной ГРС), требующий принятия незамедлительных мер по устранению неисправности. При достижении уровня загазованности «2 порог» в помещении мобильной ГРС, САУ формирует сигнал аварийной сигнализации, свидетельствующий о возникновении аварийной ситуации (сильная утечка газа на технологическом оборудовании мобильной ГРС) и задействует алгоритм останова мобильной ГРС с полным стравливанием газа из коммуникаций.

Для измерения уровня загазованности в помещении мобильной ГРС принимаем сигнализаторы СТМ-30М (ФГУП СПО «Аналитприбор»). Сигнализатор СТМ-30М предназначен для непрерывного автоматического измерения довзрывоопасных концентраций одиночных горючих газов, паров горючих жидкостей и их совокупности в воздухе рабочей зоны, и выдачи сигнализации о превышении установленных пороговых значений. Принцип измерений сигнализатора - термохимический, основанный на окислении горючего газа на поверхности электрически нагреваемого катализатора. При окислении температура чувствительного элемента термохимического датчика повышается пропорционально содержанию определяемого горючего газа. СТМ-30М является сигнализатором совокупности компонентов и представляет собой стационарный автоматический прибор непрерывного действия. Конструктивно сигнализатор состоит из:

блока сигнализации и питания (БСП);

блока датчика (БД).

Внешний вид сигнализатора СТМ-30М представлен на рисунке 28.

Сигнализатор обеспечивает выполнение следующих функций:

-       непрерывной световой двухцветной индикации НОРМА;

-       непрерывной световой сигнализации ПОРОГ1, ПОРОГ2, свидетельствующей о том, что содержание определяемых компонентов в контролируемой среде достигло порога срабатывания сигнализации ПОРОГ1, ПОРОГ 2 соответственно;

-       непрерывной световой сигнализации ОТКАЗ при неисправности сигнализатора, обрыве или коротком замыкании чувствительных элементов ТХД, обрыве или коротком замыкании линии связи БСП с БД;

-       индикацию измеренного значения довзрывоопасных концентраций горючих газов и паров;

Сигнализатор СТМ-30М имеет унифицированный выходной сигнал постоянного тока 4-20 мА с линейной функцией преобразования, относится к взрывозащищенному оборудованию и имеет маркировку взрывозащиты «1ExdIICT4». Параметры электропитания сигнализатора от источника постоянного тока 24 В.

.        Контроль состояния пожарной безопасности в помещении мобильной ГРС (пожарная сигнализация) необходимо для оперативного контроля за состоянием пожарной безопасности мобильной ГРС, обеспечения мер безопасной эксплуатации оборудования. При поступлении сигнала от одного пожарного извещателя в помещении мобильной ГРС, САУ формирует сигнал предупредительной сигнализации, свидетельствующий о возникновении предаварийной ситуации (задымление или повышение температуры внутри помещения мобильной ГРС), требующий принятия незамедлительных мер по устранению неисправности. При поступлении сигналов от двух пожарных извещателей в помещении мобильной ГРС одновременно, САУ формирует сигнал аварийной сигнализации, свидетельствующий о возникновении аварийной ситуации (возникновение пожара в помещении мобильной ГРС) и задействует алгоритм останова мобильной ГРС с полным стравливанием газа из коммуникаций.

В качестве первичных датчиков пожарообнаружения принимаем взрывозащищенные дымо-тепловые пожарные извещатели с дифференциальным тепловым каналом ИП212/101-18-R1 ИБ (НПП «Специнформатика-СИ»). Данные пожарные извещатели предназначены для обнаружения возгораний, сопровождающихся выделением дыма или тепла, во взрывоопасных зонах помещений и наружных установок. Извещатель ИП212/101-18-R1 ИБ формирует извещение «ПОЖАР» при задымленности среды, соответствующей оптической плотности (0,15± 0,05) дБ/м или при повышения температуры в помещении мобильной ГРС cо скоростью 5°С/мин и более. Питание извещателей и передача ими извещений «ПОЖАР» осуществляется подвухпроводному шлейфу сигнализации приемно-контрольного прибора. Основные технические характеристики приведены в таблице 11.

Таблица 11 - Технические характеристики пожарного извещателя ИП212/101-18-R1 ИБ

п/п

Наименование параметра

Значение

1

Напряжение питания, В

9÷20 VDC

2

Ток, потребляемый извещателем в дежурном режиме с оптической индикацией исправногосостояния шлейфа сигнализации, мА

100

3

Маркировка взрывозащиты

0ExiaIIBT6

4

Диапазон температур окружающей среды, 0С

-30 ÷ +60

5

Взрывозащищенное исполнение

искробезопасная цепь и взрывонепроницаемая оболочка


Дежурный режим извещателя характеризуется отсутствием свечения его оптического индикатора. Режим извещателя «ПОЖАР» характеризуется непрерывным свечением его оптического индикатора и падением напряжения не более 9 В, при обязательном ограничении тока в шлейфе сигнализации прибора не более 20 мА.

Схема включения извещателей ИП212/101-18-R1 ИБ и внешний вид приведены на рисунке 29 и рисунке 30.

Рисунок 29 - Схема включения извещателей ИП212/101-18-R1 ИБ

.        Контроль за состоянием несанкционированного доступа в помещение мобильной ГРС (охранная сигнализация) необходимо для обеспечения мер безопасной эксплуатации оборудования. При поступлении сигнала от охранного извещателя в помещении мобильной ГРС, САУ формирует сигнал предупредительной сигнализации, свидетельствующий о возникновении попытки несанкционированного доступа в помещение мобильной ГРС, требующий принятия мер по обеспечению сохранности оборудования.

В качестве первичного датчика охранной сигнализации принимаем извещатель охранный точечный магнитноконтактный взрывозащищенный ИО102-26/В «АЯКС» (ООО ПКФ «ДУАЛТЕК»). Данный охранный извещатель предназначен для блокировки входных дверей мобильной ГРС на открывание с выдачей сигнала «Тревога» на приемно-контрольный прибор. Извещатель ИО102-26/В «АЯКС» имеет уровень взрывозащиты «особовзрывобезопасный» - «0ExiaIICT6». Извещатель конструктивно состоит из магнитоуправляемого датчика на основе геркона и задающего элемента (магнита). Крепление извещателя производится на входную дверь мобильной ГРС. Контакты извещателя при закрытой двери находятся в замкнутом состоянии и в разомкнутом состоянии при открытой двери или на расстоянии 70 мм и более магнита от извещателя. Максимально допустимый допуск соосности крепления извещателя и магнита - 10 мм. Основные технические характеристики извещателя ИО102-26/В «АЯКС» приведены в таблице 12.

Таблица 12 - Технические характеристики извещателя ИО102-26/В «АЯКС»

п/п

Наименование параметра

Значение

1

Выходное сопротивление при замкнутых контактах, Ом

не более 0,5

2

Входное сопротивление при разомкнутых контактах, мОм

не менее 5

3

Коммутируемый ток, А

0,001…0,5

4

Коммутируемое напряжение, В

0,02…72

5

Максимальная коммутируемая мощность, Вт

не более 10

6

Диапазон температур

-50…+50

7

Степень защиты от внешних воздействий

IP66


Электрическая схема извещателя и внешний вид извещателя ИО102-26/В «АЯКС» приведены на рисунке 31 и 32 соответственно.

Рисунок 31 - Электрическая схема извещателя ИО102-26/В «АЯКС»

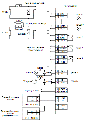
В качестве приемно-контрольного прибора для пожарных извещателей ИП212/101-18-R1 ИБ и охранного извещателя ИО102-26/В «АЯКС» принимаем прибор приемно-контрольный охранно-пожарный «СИГНАЛ-20М» (ЗАО НВП «Болид»).

Приемно-контрольный прибор «СИГНАЛ-20М» предназначен для использования в качестве совмещённого приёмно-контрольного блока в составе охранной и пожарной сигнализации для приема сигналов от первичных пожарных и охранных датчиков и передачи данных в САУ мобильной ГРС по интерфейсу RS-485. Электропитание блока осуществляется с помощью источников постоянного тока напряжением 24 В. Электрическая схема подключения приемно-контрольного прибора «СИГНАЛ-20М» представлена на рисунке 33.

Рисунок 33 - Электрическая схема подключения приемно-контрольного прибора «СИГНАЛ-20М»

.        Управление запорной арматурой, установленной на технологических трубопроводах мобильной ГРС необходимо для перераспределения потоков транспорта газа на газораспределительной станции. Управление запорной арматурой может производиться в нескольких режимах:

-       ручное - перестановка запорной арматуры производится вручную с помощью штурвала или рукоятки;

-       дистанционное по месту - перестановка запорной арматуры производится оперативным персоналом по сигналу от кнопки на блоке управления (электро-пневмо-управляемого узла - ЭПУУ);

-       дистанционное от САУ мобильной ГРС - перестановка запорной арматуры производится оперативным персоналом по сигналу от САУ мобильной ГРС или в зависимости от алгоритма управления САУ в автоматическом режиме;

-       дистанционное из удаленной диспетчерской, по каналу линейной телемеханики - перестановка запорной арматуры производится диспетчерским персоналом по каналам линейной телеметрии.

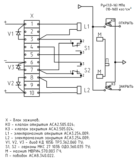
В качестве узлов управления запорной арматурой мобильной ГРС принимаем ЭПУУ-8 (ООО Завод «Калининградгазавтоматика»). ЭПУУ-8 предназначены для эксплуатации при температурах от минус 60 до плюс 55 ºС и относительной влажности до (95±3) % при температуре 35 ºС и более низких температурах без конденсации влаги. Место размещения на открытом воздухе. Питание узлов природным газом, очищенным и имеющим температуру точки росы ниже минимальной температуры окружающей среды не менее чем на 10 ºС. Узлы имеют уровень взрывозащиты «взрывобезопасное электрооборудование», вид взрывозащиты «взрывонепроницаемая оболочка», маркировку взрывозащиты 1ExdIIАТ3. Технические характеристики ЭПУУ-8 приведены в таблице 13.

Узел управления ЭПУУ-8, представленный на рисунке 34, состоит из двух электромагнитов 2, двух герконов 18, установленных во взрывонепроницаемой оболочке. В корпусе 10 установлены два клапана 1. Клапаны связаны каналами, размещёнными в плате 12. Для ручного управления узлом предусмотрен рычаг 6. Корпус 10 закрыт крышкой 11. Для переключения герконов предусмотрен поводок с магнитами 5, который через паз в плате 12 соединен с поршнем привода крана 20.

Узел работает следующим образом: к штуцеру с маркировкой « » подводится газ давлением 10-160 кгс/см2, штуцер с маркировкой « » служит для организованного отвода отработанного газа.

Таблица 13 - Технические характеристики ЭПУУ-8

п/п

Наименование параметра

Значение

1

Давление питания, кгс/см²

10 - 160

2

Мощность, потребляемая одним электромагнитом при номинальном напряжении и температуре окружающей среды (20±5) ºС, Вт, не более

20

3

Режим работы электромагнитов

длительный, ПВ 100%

4

Ток отпускания электромагнитов узлов, мА, не менее:

40

5

Минимальное допустимое сопротивление изоляции цепей при температуре окружающего воздуха (20±5) ºС и относительной влажности от 30 до 80%, МОм

20

6

Диаметр условного прохода клапана, мм

3

7

Допустимая величина утечки воздуха (газа) в сработанном положении клапана, см³/с, не более

50

8

Средний ресурс циклов, не менее

1·104

9

Напряжение постоянного тока управляющего сигнала, В

24

10

Число кабельных вводов

2

11

IP54


Рисунок 34 Схема ЭПУУ-8

Управление узлом осуществляется путём подачи управляющего сигнала от САУ мобильной ГРС на катушку электромагнита или нажатием на рычаг 6 оперативным персоналом.

Схема электропневматическая принципиальная узла показана на рисунке 35. К штуцеру с маркировкой «            » подводится газ давлением10 - 160 кгс/см². При подаче напряжения на клеммы 1 и 6 или 10 и 6 нормально замкнутый контакт геркона обеспечивают срабатывание соответствующего электромагнита, толкатель которого соединяет камеру питания клапана с полостью привода крана. Поршень привода крана, перемещаясь, увлекая закрепленный на нем поводок с магнитами, размыкает нормально замкнутый контакт геркона, обесточивает электромагнит, и полость привода соединяется с атмосферой.

Рисунок 35 - Схема электропневматическая ЭПУУ-8

.        Данные о текущем расходе газа через мобильную ГРС передаются в САУ от измерительного комплекса СГ-ЭК (ООО «ЭЛЬСТЕР Газэлектроника») по интерфейсной шине RS-485. Комплекс СГ-ЭК состоит из следующих составных частей: