Материал: Система автоматизированного управления мобильной газораспределительной станцией

Внимание! Если размещение файла нарушает Ваши авторские права, то обязательно сообщите нам

-       турбинного счетчика газа СГ16-1000 (ОАО «Арзамасский приборостроительный завод») с низкочастотным датчиком импульсов;

-       корректора объема газа ЕК270 (ООО «ЭЛЬСТЕР Газэлектроника») со встроенным преобразователем абсолютного давления и преобразователями температуры газа и окружающей среды - термопреобразователи сопротивления c номинальной статической характеристикой преобразования 500П (Рt500), преобразователем перепада давления на счетчике.

Внешний вид измерительного комплекса СГ-ЭК представлен на рисунке 37.

Принцип работы счетчика СГ16-1000 основан на использовании энергии потока газа для вращения чувствительного элемента счетчика - измерительного турбинного колеса. При этом при взаимодействии потока газа с измерительным турбинным колесом последнее вращается со скоростью, пропорциональной скорости (объемному расходу) измеряемого газа. Вращательное движение измерительного турбинного колеса через механический редуктор и магнитную муфту передается на счетный механизм, показывающий объемное количество газа, прошедшее через счетчик за время измерения. На последнем цифровом ролике счетного механизма закреплен постоянный магнит, а вблизи колеса - герконы, частота замыкания контактов которых пропорциональна скорости вращения турбинного колеса, т.е. скорости потока (объемному расходу) газа. Импульсный сигнал от первого геркона поступает в корректор объема газа (канал измерения объема при рабочих условиях). Одновременно преобразователь температуры (термометр сопротивления), установленный в потоке газа вблизи турбинного колеса, вырабатывает сигнал, пропорциональный текущему значению температуры газа, а преобразователь давления, встроенный в корректор, - сигнал, пропорциональный давлению газа. Сигналы обрабатываются корректором ЕК-270 и отображаются на дисплее.

Корректор объема газа ЕК270 представляет собой самостоятельное микропроцессорное устройство с автономным питанием (от литиевых элементов питания) или от источника постоянного тока 24 В, предназначенное для преобразования по определенному алгоритму сигналов, поступающих с турбинного счетчика СГ16-1000, преобразователя давления, перепада давления и температуры (газа и окружающей среды), и регистрации этих параметров. Функционально корректор объема газа ЕК-270 обеспечивает:

-       вычисление приведенного к стандартным условиям объема и расхода газа;

-       просмотр на дисплее текущих измеряемых и рассчитываемых параметров, данных архива;

-       автоматическое измерение перепада давления на счетчике газа;

-       программирование и считывание информации с корректора;

-       формирование архива по рабочему и стандартному объему, давлению газа, перепаду давления на счетчике, температуре газа, температуре окружающей среды, коэффициенту сжимаемости и коэффициенту коррекции;

-       интеграцию в САУ мобильной ГРС с дистанционной передачей данных с помощью интерфейса RS-485.

На рисунке 38 представлена схема питания измерительного комплекса СГ-ЭК и передачи данных в САУ мобильной ГРС по RS-485.

Рисунок 38 - Схема питания измерительного комплекса СГ-ЭК и передачи данных в САУ мобильной ГРС по RS-485

10.    Для придания запаха природному газу на мобильной ГРС используется блок автоматической одоризации газа БАОГ (ОАО «БЗМТО» Брянский завод металлоконструкций и технологической оснастки). Управление процессом одоризации производится блоком управления БУ-103. Работа блока одоризации осуществляется в зависимости от текущего значения мгновенного расхода газа через ГРС. Информация о значении расхода газа по интерфейсной шине RS-485 передается от измерительного комплекса СГ-ЭК в САУ мобильной ГРС, а из САУ в блок управления одоризацией БУ-103

.        Система вытяжной вентиляции мобильной ГРС используется для обеспечения принудительного воздухообмена в помещении мобильной ГРС при возникновении местной загазованности. Система вытяжной вентиляции задействована в алгоритме управления системой контроля загазованностью. В системе вентиляции применены вентиляторы крышного типа ВКР-4 (ООО «ЧебЭнерго»). Вентилятор ВКР-4 представляет собой радиальный вентилятор низкого давления, одностороннего всасывания, с рабочими лопатками, загнутыми назад. Корпус вентилятора изготовлен из углеродистой стали с высококачественным полимерным покрытием. Дефлектор вокруг корпуса вентилятора защищает от попадания осадков в вентидяционный канал. Привод вентилятора - однофазный 220 В.

3.3 Выбор промышленного контроллера

Основным элементом системы автоматизированного управления газораспределительной станции является центральный контроллер, обеспечивающий управление работой всех составляющих САУ (модулей ввода/вывода аналоговых, дискретных сигналов, панели оператора). В САУ мобильной ГРС, для обеспечения полной совместимости с другим оборудованием производства ЗАО «ЭМИКОН», принимаем в качестве центрального контроллера - модуль центрального процессорного устройства CPU-17В АЛГВ.426469.032 (ЗАО «ЭМИКОН»). Данный модуль предназначен для работы в составе распределенной системы автоматизированного управления ГРС на базе программируемого контроллера DCS-2000 для сбора информации, обработки ее по заданным алгоритмам и выдачи управляющих команд и сигналов по четырем каналам RS-485 с гальванической изоляцией и цепями грозозащиты. Рабочие условия эксплуатации модуля CPU-17В:

-       температура окружающего воздуха от минус 5 °С до плюс 60 °С (без конденсации влаги);

-       относительная влажность воздуха до 85% при температуре плюс 25 °С;

-       атмосферное давление от 84 до 107 кПа.

Технические характеристики модуля центрального процессорного устройства CPU-17В представлены в таблице 14.

Таблица 14 - Технические характеристики модуля центрального процессораCPU-17В

п/п

Наименование параметра

Значение

1

Тип процессора

Am186CU-50KC AMD

2

Тактовая частота процессора, МГц

50

3

Объем памяти программ пользователя и операционной системы, Кбайт

512 FLASH AMD

4

Объем памяти данных, Кбайт

512 энергонезависимая

5

Количество внешних модулей прерывания

4

6

Количество программируемых 16-битных таймеров

3

7

Количество каналов низкоскоростных последовательных интерфейсов RS-232

1 (скорость до 115200 бод, ASYNC)

8

Количество каналов высокоскоростных последовательных интерфейсов RS-232

1 (скорость до 460800 бод, ASYNC)

9

Количество каналов высокоскоростных последовательных интерфейсов RS-485

4 (скорость до 2304000 бод, ASYNC, BISYNC, SDLC с гальванической изоляцией и цепями грозозащиты)

10

Количество каналов USB-A

1 (до 12 Мбод)


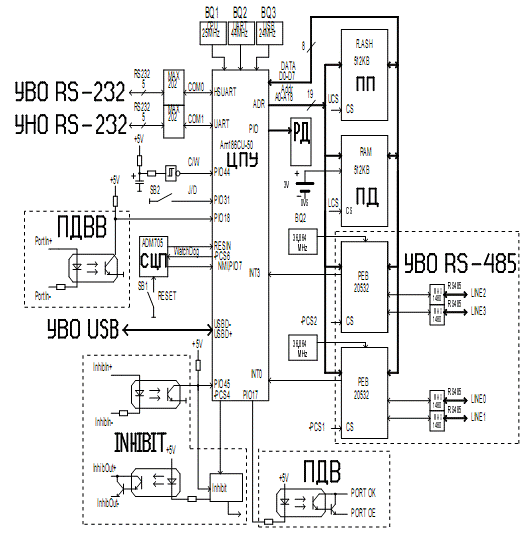
Питание модуля CPU-17B осуществляется от стабилизированного источника питания 24 В (модуль питания PU-22). Конструктивно модуль центрального процессора выполнен в виде двух четырехслойных плат CPU-17.1B и CPU-17.2B, установленных в пластмассовый корпус. Внешний вид модуля центрального процессора CPU-17B показан на рисунке 41.

Рисунок 41 - Внешний вид модуля центрального процессора CPU-17B

В качестве интерфейсных разъемов используются соединители: Х1 - вилка MSTBA на 6 контактов, Х2 - вилка MSTBA на 6 контактов, Х3 - вилка MSTBA на 2 контакта, Х4 - вилка MSTBA на 3 контакта, Х5 - вилка MSTBA на 12 контактов, Х6 - вилка MSTBA на 5 контактов. Соединитель Х1 предназначен для подключения к цепям организации режима горячего резервирования модулей CPU-17B. Соединители Х2 и Х6 предназначены для подключения к интерфейсу RS-232. Соединитель Х3 - для подключения нагрузки 24 В, 100 мА. Соединитель Х4 - для подключения к источнику питания. Соединитель Х5 - для подключения к последовательным каналам RS-485. Соединитель Х7 - для подключения к разъему USB. На торце корпуса расположены 12 светодиодов и 2 кнопки. Светодиоды «HL1…HL8» индицируют состояние модуля по результатам самодиагностики и могут быть использованы в прикладных программах. Кнопка «Job/Debug» предназначена для перевода модуля в режим загрузки и отладки пользовательских программ. Кнопка «Reset» предназначена для «горячего» сброса модуля CPU-17B. Светодиоды «L0…L3» индицируют происхождение данных в высокоскоростных каналах RS-485 «Line1 - Line3» соответственно.

В качестве центрального процессора используется плата CPU-17.1B в состав которой входит 16-ти разрядный высокопроизводительный микропроцессор Am186CU-50 фирмы AMD. Для адресации памяти программ, данных и периферийных устройств используется 19-ти разрядная шина адреса А0 - А18. Обмен данными ведется по 8-ми разрядной шине D0 - D7. Для организации надежного запуска центрального процессора используется устройство супервизора центрального процессора, выполненное на базе микросхемыADM705AR фирмы Analog Devices.

Супервизор центрального процессора формирует сигнал сброса центрального процессора (-RESIN) при подаче питания, а также при сбое программы, когда она не формирует сигнала (WatchDog) на время не более 1,6 секунды. Память программ реализована в виде 512 Кбайт CMOS FLASH Memory и содержит 32 Кбайта кода операционной системы и программу пользователя объемом 480 Кбайт.

Память данных представляет собой статическое ОЗУ емкостью 512 Кбайт. Память данных выбирается при низком уровне сигнала на линии (-CSRAM). Память данных предназначена для организации стека, хранения векторов прерываний, системных переменных и флагов, буферов данных. Также в ней располагаются все переменные пользовательской программы: регистры, таймеры и флаги. Энергонезависимость памяти данных обеспечивается за счет автоматического перехода на питание от литиевой батареи под управлением микросхемы DS1314S-2 фирмы Dallas Semiconductor.

Устройство высокоскоростного обмена данными по последовательным каналам RS-485 реализовано на базе двух БИС PEB20532 фирмы Infineon и занимает в пространстве ввода/вывода зону в 2х256 байт, образуя четыре независимых канала, работающих на скорости до 2,304 Мбод в стандартах ASYNC, BISYNC, HDLC/SDLC. Физическая реализация стандарта RS-485 обеспечивается платой преобразования интерфейсов CPU-17.2B, работающей совместно с платой CPU-17.1B.

Устройство приоритетных прерываний обеспечивает обработку до 4 внешних источников инициативных сигналов:

-       1 вектор от монитора батареи;

-       2 вектора от устройства высокоскоростного обмена RS-485;

-       сигнал немаскируемого прерывания NMI;

Кроме внешних источников прерываний существуют и внутренние прерывания от: UART, High Speed UART, USB, PIO, DMA, Timer0, Timer1, Timer2. Вся система прерываний является приоритетной (кроме NMI), что позволяет программно устанавливать высший приоритет любому из источников.

Охранный таймер (WatchDog) реализован в ИС ADM705AR супервизора центрального процессора и служит для формирования сигнала сброса (-RESIN) центрального процессора, если он не производит обращения через линию (-PCS6) за время более 1,6 секунды. Охранный таймер гарантирует перезапуск программы пользователя в случае сбоя по «горячей» линии алгоритма.

Сигнал исправности и разрешения выходов (Inhibit) служит для формирования сигнала разрешения работы BINH порта дискретного вывода, а также его надежной блокировки при первоначальном включении модуля или необратимом отказе, когда «горячий» перезапуск не привел к восстановлению работоспособности. Также формируются сигналы INHOUT+ и INHOUT-, позволяющие оценить исправность модуля при выполнении пользовательской программы. Электрические характеристики цепи следующие:

-       номинальное напряжение 24 В;

-       номинальный ток 100 мА;

-       гальваническая развязка 2500 В.

Отсутствие тока в цепи INHOUT+/- в ходе выполнения пользовательской программы расценивается как неисправность модуля центрального процессора.

Регистр дисплея выполнен на базе универсального порта вывода БИС ЦПУ (использованы линии PIO36 - PIO43) и предназначен для обслуживания 8-ми транзисторных ключей, управляющих светодиодами с токоограничивающими резисторами.

Устройство низкоскоростного обмена последовательными данными RS-232 состоит из встроенного в БИС ЦП независимого канала приема/передачи UART. Канал COM0 формирует сигналы RxD0, TxD1, CTS1, RTS1. Канал COM0 работает в стандарте RS-232. Операционная система изначально инициализирует канал в режим ASYNC MODBUS SLAVE на скорость 9600 бод.

Устройство высокоскоростного обмена последовательными данными RS-232 состоит из встроенного в БИС ЦП независимого канала приема/передачи High-Speed UART. Канал COM1 формирует сигналы RxD1, TxD1, CTS1, RTS1. Канал COM1 работает в стандарте RS-232. Операционная система изначально инициализирует канал в режим ASYNC MODBUS SLAVE на скорость 9600 бод.

Порт дискретного вывода образует линия PIO17 совместно с элементами оптронной развязки. Электрические характеристики цепи следующие:

-       номинальное напряжение 24 В;

-       номинальный ток 100 мА;

-       гальваническая развязка 2500 В.

Порт дискретного ввода образует линия PIO18 совместно с элементами оптронной развязки. Электрические характеристики цепи следующие:

-       номинальное напряжение 24 В;

-       номинальный ток 10 мА;

-       гальваническая развязка 2500 В.

Устройство высокоскоростного обмена последовательными данными USB состоит из встроенного в БИС ЦП независимого канала приема/передачи USB. Канал формируется линиями USBD- и USBD+, непосредственно подключенными к разъему USB-A на лицевой панели модуля CPU-17B.

Модуль CPU-17B работает под управлением кода операционной системы, который располагается в верхней зоне FLASH начиная с адреса 0F8000H и имеет объем 32 Кбайта. В зоне адресов 080000H - 0F7FFFH расположен код пользовательской программы. Программное обеспечение модуля предусматривает тестирование, управление загрузкой прграмм пользователя и выполнение их в реальном и отладочном режимах, а также обмен информацией по последовательным каналам в различных протоколах. Структурная схема модуля CPU-17B представлена на рисунке 42.

Рисунок 42 - Структурная схема модуля CPU-17B

Создание алгоритмов, управляющих работой мобильной газораспределительной станцией, осуществляется на проблемно-ориентированном языке программирования CONT в интегрированной системе разработки прикладного программного обеспечения CONT-Designer (ЗАО «ЭМИКОН»).

3.4   
Выбор схем согласования

.4.1   Схема согласования датчиков давления Метран-150 представлена на рисунке 43

Рисунок 43 - Схема согласования датчиков давления Метран-150

3.4.2 Схема согласования датчиков температуры ТСМУ Метран-274-02 представлена на рисунке 44

Рисунок 44 - Схема согласования датчиков температуры ТСМУ Метран-274-02

3.4.3
Схемы согласования блока управления запорной арматурой ЭПУУ-8 представлены на рисунке 45, 46

Рисунок 45 - Схема согласования блока управления запорной арматурой ЭПУУ-8

Рисунок 46 - Схема согласования блока управления запорной арматурой ЭПУУ-8

3.4.4 Схема согласования вентилятора ВКР-4

Для управления вентилятором ВКР-4 в системе принудительной вытяжной вентиляции предусмотрен модуль контроля и управления нагрузкой (ЗАО «Эмикон»), к которому подключен крышный вентилятор ВКР-4 через промежуточное реле РРМ77/3 (ГК «IEK»). Схема согласования вентилятора ВКР-4 представлена на рисунке 47.

Рисунок 47 - Схема согласования вентилятора ВКР-4

3.4.4 Схема согласования пожарного извещателя, охранного извещателя представлена на рисунке 48

Рисунок 48 - Схема согласования пожарного извещателя, охранного извещателя

3.4.5
Схема согласования сигнализатора загазованности представлена на рисунке 49

Рисунок 49 - Схема согласования сигнализатора загазованности

3.4.6 Передача данных от измерительного комплекса объема газа ЕК-270 производится по интерфейсу RS-485

Схема согласования измерительного комплекса ЕК-270 представлена на рисунке 50