Материал: Система автоматизированного управления мобильной газораспределительной станцией

Внимание! Если размещение файла нарушает Ваши авторские права, то обязательно сообщите нам

Модуль DI-11 работает в составе распределенной САУ мобильной ГРС, все устройства которой объединены локальной информационной сетью, работающей по протоколу MODBUS (интерфейс RS-485), и имеют свой логический адрес. Модуль DI-11 принадлежит к устройствам нижнего уровня. В составе сети он работает в качестве подчиненного устройства (SLAVE), исполняя команды ведущего устройства (MASTER) процессорного модуля CPU-17B.

Таблица 7 - Технические характеристики модуля ввода дискретных сигналов DI-11

п/п

Наименование параметра

Значение

1

Количество каналов ввода

8

2

Напряжение питания датчиков, В

24,5±5%

3

Номинальный входной ток

6…8

4

Сопротивление датчика, соответствующее состоянию «ВКЛЮЧЕНО», Ом

не более 1000

5

Сопротивление датчика, соответствующее состоянию «ВЫКЛЮЧЕНО», Ом

не более 10

6

Постоянная времени аппаратного фильтра, мс

22

7

Постоянная фильтрации программного фильтра

10…125

8

Количество информационных каналов

2

9

Интерфейс

RS-485

10

Протокол

MODBUS RTU

11

Скорость передачи данных, бод

2400, 9600, 38400, 115200

12

Напряжение питания модуля, В

25±2%

13

Максимальный потребляемый ток, мА

150

14

Гальваническая развязка между внешним стабилизированным источником питания и системными цепями модуля, В

не менее 500


Модуль DI-11 имеет два независимых информационных канала для подключения локальной сети. Модуль DI-11 состоит из двух основных устройств:

-       устройства приема дискретных сигналов (УПДС);

-       устройства управления (УУ).

Устройство приема дискретных сигналов предназначено для питания дискретных датчиков, обеспечения гальванической развязки входных сигналов от системных цепей, фильтрации входных сигналов и преобразования этих сигналов в TTL-уровень для дальнейшей обработки в устройстве управления.

Рисунок 18 - Внешний вид модуля ввода дискретных сигналов DI-11

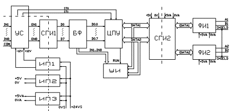
Устройство управления обеспечивает обработку сигналов, формируемых устройством приема дискретных сигналов, их преобразование в 8-разрядный цифровой код , работу модуля в локальной сети, индикацию состояния модуля. Структурная схема модуля ввода дискретных сигналов DI-11 представлена на рисунке 19 и содержит следующие основные функциональные узлы:

-       устройство сопряжения с входными сигналами (УС);

-       схемы гальванической изоляции (СГИ1, СГИ2);

-       буферный формирователь (БФ);

-       изолирующие преобразователи напряжения (ИП1, ИП2, ИП3);

-       центральное процессорное устройство (ЦПУ);

-       формирователи интерфейса RS-485 (ФИ1, ФИ2);

-       устройство индикации (УИ).

Рисунок 19 - Структурная схема модуля ввода дискретных сигналов DI-11

7.      DО-11 - модуль вывода дискретных сигналов.

Модуль вывода дискретных сигналов DО-11 АЛГВ.426436.012 предназначен для работы в составе распределенной системы САУ мобильной ГРС, имеет два информационных канала для подключения к сети RS-485 и восемь изолированных дискретных каналов вывода с выходом типа MOSFET OUTPUT. Модуль DО-11 управляет состоянием выходов по команде ведущего устройства (процессорного модуляCPU-17B) по сети RS-485. Рабочие условия эксплуатации:

-       температура окружающего воздуха от минус 25 °С до плюс 60 °С (без конденсации влаги);

-       относительная влажность воздуха до 85% при температуре плюс 25 °С;

-       атмосферное давление от 84 до 107 кПа.

Технические характеристики модуля вывода дискретных сигналов DО-11 представлены в таблице 8.

Таблица 8 - Технические характеристики модуля вывода дискретных сигналов DО-11

п/п

Наименование параметра

Значение

1

Количество каналов вывода дискретных сигналов

8

2

Количество групп выходов

2

3

Максимальный ток нагрузки выхода, мА

не менее 100

4

Максимальное напряжение на закрытом ключе выхода, В

не менее 100

5

Ток утечки выхода в состоянии «ВЫКЛЮЧЕНО», мА

не более 5

6

Сопротивление выхода в состоянии «ВЫКЛЮЧЕНО», Ом

не более 35

7

Ток срабатывания защиты выходов, мА

не более 300

8

Количество информационных каналов

2

9

Интерфейс

RS-485

10

Протокол

MODBUS RTU

11

Скорость передачи данных, бод

2400, 9600, 38400, 115200

12

Напряжение питания модуля, В

25±2%

13

Максимальный потребляемый ток, мА

100

14

Гальваническая развязка между внешним стабилизированным источником питания и системными цепями модуля, В

не менее 500


Конструктивно модуль выполнен в виде многослойной печатной платы, установленной в пластмассовый корпус. Корпус имеет крепление для установки на стандартный DIN-рельс. Внешний вид модуля вывода дискретных сигналов DО-11 представлен на рисунке 20.

Модуль DО-11 работает в составе распределенной САУ мобильной ГРС, все устройства которой объединены локальной информационной сетью, работающей по протоколу MODBUS (интерфейс RS-485), и имеют свой логический адрес. Модуль DО-11 принадлежит к устройствам нижнего уровня.

Рисунок 20 - Внешний вид модуля вывода дискретных сигналов DО-11

В составе сети он работает в качестве подчиненного устройства (SLAVE), исполняя команды ведущего устройства (MASTER) процессорного модуля CPU-17B. Модуль DО-11 имеет два независимых информационных канала для подключения локальной сети. Модуль DО-11 состоит из двух основных устройств:

-       устройства вывода дискретных сигналов (УВДС);

-       устройства управления (УУ).

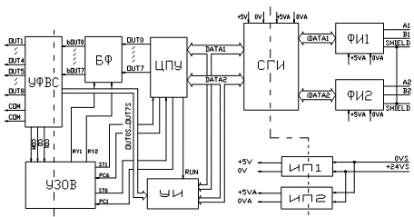
Устройство вывода дискретных сигналов предназначено для управления дискретными выходами модуля по командам устройства управления, обеспечения гальванической развязки выходных сигналов от системных цепей и отключение выходов при их перегрузке по току. Устройство управления обеспечивает формирование сигналов для управления устройством вывода дискретных сигналов, управление устройством защитного отключения выходов (УЗОВ), работу модуля в локальной сети, индикацию состояния модуля. Структурная схема модуля вывода дискретных сигналов DО-11 представлена на рисунке 21 и содержит следующие основные функциональные узлы:

-       схема гальванической изоляции (СГИ);

-       буферный формирователь (БФ);

-       устройство формирования выходных сигналов (УФВС);

-       устройство защитного отключения выходов (УЗОВ);

-       изолирующие преобразователи напряжения (ИП1, ИП2);

-       центральное процессорное устройство (ЦПУ);

-       формирователи интерфейса RS-485 (ФИ1, ФИ2);

-       устройство индикации (УИ);

Рисунок 21 - Структурная схема модуля вывода дискретных сигналов DО-11

3.2 Выбор датчиков

Первичное датчиковое оборудование, контролирующее состояние и управляющее технологическим процессом мобильной газораспределительной станции по следующим параметрам:

-       измерение давления газа на входе мобильной ГРС;

-       измерение давления газа на выходе мобильной ГРС;

-       измерение температуры газа на входе мобильной ГРС;

-       измерение температуры газа на выходе мобильной ГРС;

-       измерение давления газа после регулятора давления на линии редуцирования №1;

-       измерение давления газа после регулятора давления на линии редуцирования №2;

-       измерение уровня загазованности в помещении мобильной ГРС (система контроля загазованности);

-       контроль состояния пожарной безопасности в помещении мобильной ГРС (пожарная сигнализация);

-       контроль состояния доступа в помещение мобильной ГРС (охранная сигнализация);

-       узлы управления запорной арматурой;

-       блок управления расходомером газа;

-       блок управления узлом одоризации газа;

-       принудительная вытяжная вентиляция.

1.      Измерение давления газа на входе мобильной ГРС - служит для оперативного контроля, обеспечения мер безопасной эксплуатации оборудования, предотвращения повышения значения входного давления газа свыше допустимого предела (верхняя уставка) и понижения значения давления газа ниже допустимого предела (нижняя уставка). При достижении давления газа верхней или нижней уставок САУ мобильной ГРС формирует сигнал предупредительной сигнализации, свидетельствующий о возникновении аварийной ситуации (неправильно собранная схема линейной части магистральных газопроводов, возникновение гидратной пробки в газопроводе-отводе к мобильной ГРС).

.        Измерение давления газа на выходе мобильной ГРС - служит для оперативного контроля, обеспечения мер безопасной эксплуатации оборудования, предотвращения повышения значения выходного давления газа свыше допустимого предела (верхняя уставка) и понижения значения давления газа ниже допустимого предела (нижняя уставка). При достижении давления газа на выходе ГРС верхней или нижней уставок САУ мобильной ГРС формирует сигнал предупредительной сигнализации, свидетельствующий о возникновении аварийной ситуации (неисправность регулятора давления, повышенный отбор газа потребителем или разрыв газопровода потребителя).

.        Измерение давления газа на нитках редуцирования №1 и №2 после регуляторов давления - служит для оперативного контроля, обеспечения мер безопасной эксплуатации оборудования, предотвращения повышения значения давления редуцирования газа свыше допустимого предела (верхняя уставка) и понижения значения давления редуцирования газа ниже допустимого предела (нижняя уставка). При достижении давления газа на выходе ГРС верхней или нижней уставок САУ мобильной ГРС формирует сигнал предупредительной сигнализации, свидетельствующий о возникновении аварийной ситуации (неисправность регулятора давления) и переключает нитки редуцирования №1 и №2.

Для измерения давления на входе, выходе, нитках редуцирования №1, №2 мобильной ГРС принимаем датчики давления Метран-150 (ЗАО «Метран») следующих модификаций:

-       на входе ГРС - Метран 150TG421AM5EMS52GB1;

-       на выходе ГРС - Метран 150TG321AM5EMS52GB1;

-       на нитках редуцирования №1, №2 - Метран 150TG321AM5EMS52GB1.

Данные датчики давления (Метран-150) предназначены для непрерывного преобразования в унифицированный токовый выходной сигнал входной измеряемой величины - избыточного давления газа. Технические характеристики датчика давления Метран-150 представлены в таблице 9.

Таблица 9 - Технические характеристики датчика давления Метран-150

п/п

Наименование параметра

Значение

1

Напряжение питания, В

12÷42 VDC

2

Выходной сигнал, мА

4-20

3

Основная приведенная погрешность, %

±0,075

4

Диапазон температур окружающей среды, 0С

-40 ÷ +80

5

Дополнительная температурная погрешность, /100С

±0,05

6

Диапазон перенастройки пределов измерения

50:1

7

Взрывозащищенное исполнение

искробезопасная цепь и взрывонепроницаемая оболочка


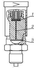
Конструктивное исполнение датчика давленияМетран-150 штуцерного типа представлено на рисунке 22.

Рисунок 22 - Конструктивное исполнение датчика давленияМетран-150

В датчиках давления Метран-150 штуцерного типа используется тензорезистивный тензомодуль на кремниевой подложке Rosemount. Чувствительным элементом тензомодуля является пластина 1 из кремния с пленочными тензорезисторами (структура КНК - кремний на кремнии). Давление через разделительную мембрану 3 и разделительную жидкость 2 передается на чувствительный элемент тензомодуля. Воздействие давления вызывает изменение положения чувствительного элемента, при этом изменяется электрическое сопротивление его тензорезисторов, что приводит к разбалансу мостовой схемы. Электрический сигнал, образующийся при разбалансе мостовой схемы, измеряется АЦП и подается в электронный преобразователь, который преобразует это изменение в выходной сигнал. Датчик Метран-150 имеет программируемую характеристику выходного сигнала в соответствии с функцией преобразования входной величины - линейно-возрастающую. Датчик имеет электронное демпфирование выходного сигнала, характеризующееся временем усреднения результатов измерения (0,5 с).

Схема внешних электрических соединений и внешний вид датчика Метран-150 приведены на рисунке 23 и рисунке 24.

Рисунок 23 - Схема внешних электрических соединений датчика Метран-150

.        Измерение температуры газа на входе и выходе мобильной ГРС - служит для оперативного контроля, обеспечения мер безопасной эксплуатации оборудования, предотвращения понижения значения входной температуры газа за допустимые пределы (нижняя уставка), повышения и понижения значений выходной температуры газа за допустимые пределы (верхняя и нижняя уставки). При достижении входной или выходной температуры газа верхней или нижней уставок САУ мобильной ГРС формирует сигнал предупредительной сигнализации, свидетельствующий о возникновении аварийной ситуации (возникновение гидратной пробки в газопроводе-отводе к мобильной ГРС, возможности выхода из строя - «замерзание» регуляторов давления).