Материал: Система автоматизированного управления мобильной газораспределительной станцией

Внимание! Если размещение файла нарушает Ваши авторские права, то обязательно сообщите нам

-       входной и выходной схем фильтрации и индикации СФИ1 и СФИ2;

-       изолирующего преобразователя напряжения ИПН;

-       схемы регулировки выходного напряжения СРВН.

Фильтры СФИ1 и СФИ2 - емкостного типа, предназначены для сглаживания пульсаций и «просадок» напряжения. Вход модуля защищиен плавким предохранителем номиналом 6,3 А. Основным элементом модуля является изолирующий преобразователь напряжения. Он представляет собой DC/DC конвертер с гальванической развязкой вход/выход и возможностью подстройки выходного напряжения переменным резистором. Встроенная в ИПН схема защиты от короткого замыкания на выходе срабатывает при получении выходного тока110 - 140% от максимального (36 В). Внешний вид модуля питания PU-22 представлен на рисунке 11.

Рисунок 11 - Внешний вид модуля питания PU-22

3.      CI-17B - модуль повторителя интерфейса RS-485 (ЗАО «ЭМИКОН»).

Модуль повторителя интерфейса RS-485 CI-17B АЛГВ.426459.044 предназначен для работы в составе САУ мобильной ГРС для ретрансляции информации, поступающей по четырем каналам RS-485, с гальванической изоляцией и цепями грозозащиты. Рабочие условия эксплуатации:

-       температура окружающего воздуха от минус 5 °С до плюс 60 °С (без конденсации влаги);

-       относительная влажность воздуха до 85% при температуре плюс 25 °С;

-       атмосферное давление от 84 до 107 кПа.

Технические характеристики модуля повторителя интерфейса RS-485 CI-17B представлены в таблице 4.

Таблица 4 - Технические характеристики модуля CI-17B

п/п

Характеристика

Величина

Примечание

1

Тип процессора

Am186CU-50KC

AMD

2

Тактовая частота процессора, МГц

50


3

Объем памяти программ пользователя и операционной системы, Кбайт

512

FLASH AMD

4

Объем памяти данных, Кбайт

512


5

Количество внешних уровней прерывания

2


6

Количество программируемых 16-ти битных таймеров

3


7

Количество сервисных низкоскоростных последовательных интерфейсов RS232, (до 15 м)

1

Скорость до 115200 бод, ASYNC

8

Количество каналов высокоскоростных последовательных интерфейсов RS485, (128 нагрузoк, до 0,3 км (на максимальной скорости обмена)

4

Скорость до 2304000 бод, ASYNC, BISYNC, SDLC с гальванической изоляцией (1500B) и цепями грозозащиты

9

Габаритные размеры модуля, мм:

114х102х30



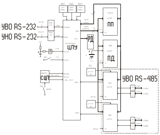
Электропитание модуля осуществляется от стабилизированного источника питания 23-26В, мощность потребления не более 5 Вт. Структурная схема модуля повторителя интерфейса RS-485 CI-17B представлена на рисунке 12.

Рисунок 12 - Структурная схема модуля повторителя интерфейса RS-485 CI-17B

Конструктивно модуль повторителя интерфейса RS-485 CI-17B выполнен в виде одной двухслойной печатной платы CI-17B, установленной пластмассовый корпус. В качестве интерфейсных разъемов используются соединители: Х1-вилка MSTBA на 3 контакта, Х2-вилка MSTBA на 12 контактов. Соединитель Х1 - для подключения к источнику питания. Соединитель Х2 - для подключения к последовательным каналам RS-485. На торце корпуса расположены семь светодиодов и одна кнопка. Светодиоды «OK», «PGM», «ERR» индицируют состояние модуля по результатам самодиагностики и отражают качество ретрансляции последовательных данных. Кнопка «Reset» предназначена для «горячего» сброса процессора модуля. Светодиоды «L0», «L1», «L2», «L3» индицируют прохождение данных в высокоскоростных каналах RS-485 «Line0 - Line3» соответственно. Внешний вид модуля повторителя интерфейса RS-485 CI-17B представлен на рисунке 13.

Рисунок 13 - Внешний вид модуля повторителя интерфейса RS-485 CI-17B

.        СП310-Р - панель оператора (ООО «ПО ОВЕН»).

Панель оператора СП310-Р - с сенсорным экраном размером 10 дюймов расширенной модификации представляет собой устройство класса «человеко-машинный интерфейс», предназначенное для загрузки управляющей программы функционирования центрального процессорного устройства CPU-17B к которому подключается панель, мониторинга функционирования и редактирования значений параметров функционирования технологического оборудования мобильной ГРС. Панель оператора СП310-Р позволяет отображать на экране ход выполнения технологического процесса и редактировать значения параметров, отвечающих за функционирование системы. Панель СП310-Р предназначена для выполнения следующих функций:

-       отображение состояния управляемой мобильной газораспределительной станцией в режиме реального времени, с использованием графических пиктограмм (индикаторы, графики, линейки, условные обозначения оборудования и т. д.);

-       отображение сенсорных элементов, при помощи которых осуществляется непосредственное управление технологическим оборудованием мобильной ГРС (запорная арматура);

-       управление функционированием центральным процессорным устройством CPU-17B САУ, запись и чтение значений регистров CPU-17B, к которому подключена панель;

Технические характеристики панели оператора СП310-Р представлены в таблице 5.

Рабочие условия эксплуатации:

-       температура окружающего воздуха от 0 °С до плюс 50 °С (без конденсации влаги);

-       относительная влажность воздуха до 90% при температуре плюс 35 °С;

-       атмосферное давление от 84 до 106,7 кПа;

закрытые взрывобезопасные помещения без агрессивных паров и газов.

Сенсорный экран панели оператора СП310-Р резистивного типа. При работе с панелью оператора применяется программное обеспечение «Конфигуратор СП300» (ООО «ПО ОВЕН»), работающее под управлением операционных систем MS Windows XP/Vista/7/8/10. Внешний вид панели оператора СП310-Р представлен на рисунке 14. Схема подключения панели оператора приведена на рисунке 15.

Таблица 5 - Технические характеристики панели оператора СП310-Р

п/п

Характеристики

Значение

Процессор

1

Модель

AT91SAM9G35-CU

2

Частота, МГц

400

Человеко-машинный интерфейс

3

Тип дисплея, диагональ (дюйм)

16,7 млн. цветов, TFT (10,1”)

4

Разрешение дисплея, пиксел

800х480

5

Рабочая зона дисплея (ширина х высота), мм

219,6 х131,8

6

Встроенные часы реального времени

Есть

Память

7

Память программ (Flash-RAM), Мбайт

128

Питание

8

Тип питающего напряжения

постоянное

9

Диапазон питающего напряжения, В

23…27

10

Номинальное напряжение питания, В

24

11

Потребляемый ток, А

не более 0,27

12

Потребляемая мощность, Вт

не более 10

Корпус панели

13

Конструктивное исполнение

для щитового крепления

14

Габаритные размеры (ширина х высота х глубина), мм

272,2х191,7х51,2

15

Степень защиты корпуса ГОСТ 14254 - с лицевой стороны - со стороны разъемов

 IP65 IP20

Интерфейсы связи и программирования

16

Количество (тип) портов

1 х PLC (DB9M) - RS-485, RS-232 1 х Download (DB9M) - RS-485, RS-232 1 х USB - Host (USB-A) 1 х USB - Device (USB-B) 1 х Ethernet (RJ45)

17

Протокол (тип связи и особенности работы)

Modbus RTU, Modbus ASCII, Modbus TCP

18

Скорость обмена по интерфейсам RS, бод

от 4800 до 187500

Характеристики подключаемых устройств хранения данных

19

Поддерживаемые файловые системы

FAT16, FAT32

20

Максимальная емкость накопителя, Гб

32


Рисунок 15 - Схема подключения панели оператора СП310-Р

5.      AI-12 - модуль ввода аналоговых сигналов.

Модуль ввода аналоговых сигналов AI-12 АЛГВ.426431.027 предназначен для работы в составе распределенной системы САУ мобильной ГРС, имеет четыре дифференциальных канала для подключения первичных датчиков с унифицированным токовым сигналом (4-20 мА). Модуль AI-12 преобразует сигналы, полученные с датчиков, в 12-разрядный цифровой код и передает информацию об измерениях по сети RS-485 по запросу ведущего устройства (модуля центрального процессорного устройства CPU-17B). В модуле AI-12 предусмотрена возможность питания датчиков от встроенного источника питания. Модуль AI-12 устанавливается вне взрывоопасной зоны и искробезопасными цепями связывается с датчиками, расположенными во взрывоопасных зонах классов В-1а и В-1г. Рабочие условия эксплуатации:

-       температура окружающего воздуха от минус 25 °С до плюс 60 °С (без конденсации влаги);

-       относительная влажность воздуха до 85% при температуре плюс 25 °С;

-       атмосферное давление от 84 до 107 кПа.

Технические характеристики модуля ввода аналоговых сигналов AI-12 представлены в таблице 6.

Конструктивно модуль выполнен в виде многослойной печатной платы, установленной в пластмассовый корпус. Корпус имеет крепление для установки на стандартный DIN-рельс.

Модуль AI-12 работает в составе распределенной САУ мобильной ГРС, все устройства которой объединены локальной информационной сетью, работающей по протоколу MODBUS (интерфейс RS-485), и имеют свой логический адрес. Модуль AI-12 принадлежит к устройствам нижнего уровня. В составе сети он работает в качестве подчиненного устройства (SLAVE), исполняя команды ведущего устройства (MASTER) процессорного модуля CPU-17B.

Таблица 6 - Технические характеристики модуля ввода аналоговых сигналов AI-12

п/п

Наименование параметра

Значение

1

Количество каналов ввода

4

2

Входное сопротивление каналов, Ом

50

3

Напряжение питания измерительных каналов, В

24,5±5%

4

Внутреннее сопротивление встроенного источника тока, Ом

440

5

Защита от короткого замыкания в измерительном канале, мин

не более 5

6

Диапазон входных токовых сигналов, мА

0…5, 0…20, 4…20

7

Диапазон измеряемого напряжения, В

0…10

8

Время коммутации канала, мкс

не более 50

9

Время преобразования, мкс

не более 10

10

Минимальное время полного образования массива входов, мс

360

11

Разрядность аналого-цифрового преобразования, бит

12

12

Постоянная времени аппаратного фильтра, мс

40

13

Постоянная фильтрации программного фильтра

36, 40, 48, 64

14

Основная погрешность преобразования, %

не более 0,3 или 0,2

15

Дополнительная температурная погрешность, %/0С

0,01

16

Количество информационных каналов

2

17

Интерфейс

RS-485

18

Протокол

MODBUS RTU

19

Скорость передачи данных, бод

2400, 9600, 38400, 115200

20

Напряжение питания модуля, В

25±2%

21

Максимальный потребляемый ток, мА

460

22

Гальваническая развязка между внешним стабилизированным источником питания и системными цепями модуля, В

не менее 500

23

Габаритные размеры модуля с радиатором, мм

114х102х30


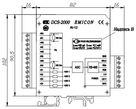
Внешний вид модуля ввода аналоговых сигналов AI-12 представлен на рисунке 16.

Рисунок 16 - Внешний вид модуля ввода аналоговых сигналов AI-12

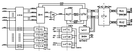
Модуль AI-12 имеет два независимых информационных канала для подключения локальной сети. Модуль AI-12 состоит из двух основных устройств:

-       устройства аналогового (УА);

-       устройства управления (УУ).

Устройство аналоговое предназначено для фильтрации входных токовых сигналов, преобразования этих сигналов в потенциальные и их усиления, а также питания токовых датчиков от встроенного в модуль преобразователя напряжения (24 В). Устройство управления обеспечивает преобразование аналогового сигнала, формируемого устройством аналоговым, в 12-разрядный цифровой код, передачу этого кода в процессорную часть модуля по протоколу SPI, работу модуля в локальной сети, индикацию состояния модуля. Структурная схема модуля аналоговых сигналов AI-12 представлена на рисунке 17 и содержит следующие основные функциональные узлы:

-       схема фильтрации входных сигналов и защиты входов аналогового коммутатора (СФЗ);

-       входной и дифференциальный измерительный усилитель (ИУ);

-       развязывающие преобразователи напряжения (ПН1, ПН2, ПН3, ПН4);

-       изолирующие преобразователи напряжения (ИП1, ИП2, ИП3);

-       вторичный источник опорного напряжения (ВИОН);

-       аналогово-цифровой преобразователь (АЦП);

-       центральное процессорное устройство (ЦПУ);

-       схема гальванической изоляции (СГИ);

-       формирователи интерфейса RS-485 (ФИ1, ФИ2);

-       устройство индикации (УИ).

Рисунок 17 - Структурная схема модуля аналоговых сигналов AI-12

6.      DI-11 - модуль ввода дискретных сигналов.

Модуль ввода дискретных сигналов DI-11 АЛГВ.426434.009 предназначен для работы в составе распределенной системы САУ мобильной ГРС, имеет восемь каналов для подключения датчиков дискретных сигналов типа «сухой контакт» с целью дальнейшей обработки сигналов процессорным модулем CPU-17B. Модуль DI-11 преобразует сигналы, полученные с датчиков, в 8-разрядный цифровой код и передает информацию о состоянии входов по сети RS-485 по запросу ведущего устройства (процессорного модуля CPU-17B). Модуль DI-11 является взрывозащищенным с маркировкой взрывозащиты [Exib]IIC X в соответствии с [5], устанавливается вне взрывоопасных зон и искробезопасными цепями связывается с датчикам, расположенными во взрывоопасных зонах классов В-1а и В-1г. Рабочие условия эксплуатации:

-       температура окружающего воздуха от минус 25 °С до плюс 60 °С (без конденсации влаги);

-       относительная влажность воздуха до 85% при температуре плюс 25 °С;

-       атмосферное давление от 84 до 107 кПа.

Технические характеристики модуля ввода дискретных сигналов DI-11 представлены в таблице 7.

Конструктивно модуль выполнен в виде многослойной печатной платы, установленной в пластмассовый корпус. Корпус имеет крепление для установки на стандартный DIN-рельс. Внешний вид модуля ввода дискретных сигналов DI-11 представлен на рисунке 18.