Материал: РНП ЛР 6-8

Внимание! Если размещение файла нарушает Ваши авторские права, то обязательно сообщите нам

"часы" (на НКА Блок-ІІ используются два рубидиевых со стабильностью 5·10-13 и два цезиевых стандарта частоты со стабильностью 2·10-13), бортовое вычислительное устройство в составе основной и двух резервных ЭВМ, подсистемы ориентации в процессе наведения и на орбите, телеметрии, приема команд и ретрансляции сигналов наземного комплекса управления, терморегулирования и электропитания.

Табл.2. Некоторые характеристики НКА

 

Масса

Мощность

Расчетный

Год запуска

Тип

на

энергоисточников,

срок активного

первого НКА

НКА

орбите,

Вт

существования,

 

 

кг

 

лет

 

Блок-1

525

440

-

1978

Блок-II

844

710

5,0

1989

Блок-IIR

1094

1250

7,5

1997

Блок-IIF

-

-

14-15

2001-2002

Антенная система в линии передачи данных использует конические и спирально-конические антенны. Для передачи навигационных сигналов используются фазированные антенные решетки из спиральных излучающих элементов.

На НКА имеются также двигатели для коррекции орбиты и двигатели системы ориентации. Ориентация в пространстве осуществляется с помощью системы специальных датчиков. Подсистема телеметрии включает радиолинии передачи данных о состоянии бортовой аппаратуры в сегмент управления. По этим же линиям с земли поступают поправки к эфемеридам и показаниям бортовых "часов". Для точного определения орбит НКА используется запросный метод и на НКА аппаратура ретрансляции запросных сигналов с земли. По соответствующим измерениям задержки этих сигналов осуществляется точное определение параметров орбит и параметров движения НКА.

СТРУКТУРА НАВИГАЦИОННЫХ РАДИОСИГНАЛОВ

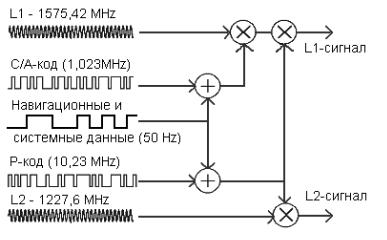
Передатчики НКА GPS излучают два непрерывных сигнала на частотах

L11575,42 МГц и с 1998 года - L2 - 1227,6 МГц [1,2,3].

Несущая частота L1 состоит из двух компонентов, которые находятся по фазе в квадратуре друг к другу (сдвинуты на π/2) для удобства их разделения.

Первая модулируется двумя двоичными последовательностями (дальномерный псевдослучайный Р-код (P - Protect) и информационная последовательность линии передачи данных), складывающимися по модулю 2 (см. рис. 8).

Вторая также модулируется двумя двоичными последовательностями (дальномерный псевдослучайный С/А-код (Clear (Coarse)/Acquision и

36

информационная последовательность), складывающимися по модулю 2.

Обе информационные последовательности содержат информацию об эфемеридах НКА, системном времени, поведении "часов" НКА, статусе сообщения и др.

Рис. 8. Кодирование несущих сигналов

Сигнал L2 имеет только P-код и используется военными потребителями США. Это позволяет им исключить погрешности от влияния ионосферы (т.к. используются сигналы на двух частотах). Соотношение погрешностей определения выходных параметров по C/A-коду и P-коду 10:1. Т.е., использование P-кода позволяет выполнить измерения с погрешностями, значительно меньшими, чем с C/A-кодом.

Использование соответствующих кодов образует такие возможные режимы работы АП [1,2,5]:

SPS (Standart Positioning Service) для C/A-кода - обеспечивает гражданских потребителей.

PPS (Precise Positioning Service) для P-кода - обеспечивает военных потребителей США.

Основным навигационным дальномерным псевдослучайным кодом является точный Р-код (P – Protect).

В распоряжении мирового сообщества находится открытый псевдослучайный код С/А (Clear (Coarse)/Acquisition), иногда переводимый как "легкий (грубый) захват", который сначала использовался для первого вхождения в режим слежения с последующим переходом к использованию Р- кода.

Сигналы с обеими кодами (P и C/A) несут навигационную информацию, передаваемую со скоростью 50 бит/с. Сообщения передаются по кадрам, каждый из которых содержит 1500 бит информации, т.е. длительность его равна 30 с. Кадр подразделяется на 5 субкадров, однако субкадры №4 и №5 повторяются по 25 раз, поэтому для передачи полного сообщения требуется 25 кадров, что занимает 12,5 мин. следует, однако, иметь ввиду, что для измерения текущей псевдодальности и получения поправок времени бортового времязадающего устройства получения всего объема информации не требуется.

37

К тому же, субкадры №1, 2 и 3 повторяют во всех кадрах специфическую для каждого ИСЗ информацию: №1 несет сообщение об уходе бортового стандарта частоты, по которому определяется работоспособность спутника, №2 и 3 представляют высокоточные данные о реальных параметрах его орбиты. Они необходимы для захвата кода и поэтому повторяются каждые 30 с. Это время является стандартным для первоначального определения пользователем своего местоположения.

Основная навигационная информация включает время системы NAVSTAR в момент излучения сигнала и коэффициент коррекции запаздывания сигнала при искривлении его пути на ионосферном участке (расчетное, а не реальное значение). Сигналы с обоих кодов представляют собой псевдошумовую последовательность импульсов, с помощью которых осуществляется фазовая манипуляция несущей частоты. При этом в случае передачи сигналов с кодами P и C/A на одной несущей частоте фазы передаваемых сообщений сдвигаются на 90.

В результате псевдошумовой манипуляции ширина полосы сигнала, несущего информацию, увеличивается со 100 Гц (удвоенная частота навигационных посылок 50 Гц) до 20,46 МГц (код Р) или до 2,046 МГц (код

C/A).

Все НКА используют одни и те же частоты, но каждый шифрует эти частоты своим уникальным шифр-кодом, свойственный только данному номеру КА. Это позволяет ПИ судна "узнать" номер КА при измерении расстояния до него – то есть при измерении навигационного параметра.

НАВИГАЦИОННОЕ СООБЩЕНИЕ

В навигационном сообщении информационной последовательности GPS содержится информация об эфемеридах НКА, позволяющих рассчитать их координаты и составляющие скорости, альманах созвездия НКА, частотновременные поправки, метки времени, параметры ионосферной модели, сведения о работоспособности бортовой аппаратуры НКА и др.

Эта информация используется в аппаратуре потребителя при решении навигационно-временной задачи по определению координат, скорости и временной поправки к местной шкале времени.

СЕГМЕНТ УПРАВЛЕНИЯ

Сегмент управления состоит из сети наземных станций слежения, расположенных по всему миру. Сеть включает главную (ведущую) станцию (ГС), контрольные станции (КС) или станции слежения (СС) и три земные станции ввода данных на НКА. Главная станция контроля и управления находится на авиабазе Фалкон ВВС США в районе г. Колорадо-Спрингс, штат Колорадо.

В настоящее время КС размещены на атолле Диего-Гарсиа (архипелаг Чагос в Индийском океане), на о. Вознесения (в Атлантическом океане), на

38

Гавайях и атолле Кваджалейн (в Тихом океане); одна КС совмещена с ГС

[1,2,3,5].

Рис.9. Сегмент контроля и управления глобальной навигационной системы GPS

КС расположены сравнительно равномерно по Земному шару вблизи экватора, что создает благоприятные условия для наблюдений НКА. В случае некоторого критического сбоя в системе есть также два поста управления, дублирующих центральный пост управления (один из них расположенный в Саннивейле, Калифорния, и другой в Роквилле, Мэриленд).

Стационарные контрольные посты – станции слежения - пассивно сопровождают все спутники GPS (видимые ими в любой момент времени), принимают от них сигналы и осуществляют специальные прецизионные измерения дальности до НКА. Затем эта информация передается на центральный пост управления в Колорадо-Спрингс через безопасный канал связи DSCS (Defense Satellite Communication System - защищенный канал спутниковой связи) (см. рис. 6). Главная станция осуществляет сбор измерений от всех КС. Там все измерения обрабатываются. По ним осуществляются точные расчеты параметров орбит, ионосферной модели и корректирующих поправок для бортовых часов, которые с главной станции через земные станции связи (атолл Диего-Гарсиа, о. Вознесения, атолл Кваджелейн) совместно с данными обработки метеорологической информации, позволяющей уточнить параметры модели тропосферы, передаются на борт каждого НКА. Производится также мониторинг состояния НКА и управление их работой.

Основу ГС составляет центр управления с вычислительным комплексом (координационно-вычислительный центр, КВЦ) и средства передачи данных на земную станцию связи с НКА (станция закладки служебной информации СЗСИ [2,3]). Канал "Земля - НКА" использует частоту 2227,5 МГц; канал "НКА - Земля" использует частоту 1783,74 МГц [1].

Сегмент управления устанавливает шкалу времени GPS, которая

39

привязана к шкале времени UTC (шкала Универсального координированного времени), поддерживаемой Военно-морской обсерваторией США. Начало отсчета времени установлено в полночь с 5.1. на 6.1.1980 г. Самой крупной единицей времени GPS является одна неделя, которая состоит из 604800 с. Время GPS может отличаться от времени UTC, поскольку первое является непрерывным, а второе может корректироваться на целое число секунд. Между ними имеется также некоторое постоянно растущее расхождение. Поэтому ГС контролирует шкалу времени GPS с тем, чтобы она не уходила от UTC больше, чем на одну 1 мкс.

Передаваемые с НКА навигационные данные содержат информацию о расхождениях шкал времени. Точность этих данных такова, чтобы точность алгоритмической привязки шкалы времени GPS к UTC находилась в пределах

90 нс (СКО).

СЕГМЕНТ АППАРАТУРЫ ПОТРЕБИТЕЛЕЙ (АП) СРНС «НАВСТАР»

Приемоиндикаторы (АП) предназначается для приёма сигналов КА с целью выделения навигационного сообщения, измерения навигационных параметров и обработки полученных данных для определения координат подвижного объекта и составляющих скорости его движения, а также поправок по времени и по частоте к местному хранителю времени и опорному генератору. Навигационно-временные определения выполняются для безопасного и наиболее выгоднейшего вождения объектов (морских, воздушных, наземных и космических) или их точной координатной привязки.

На рис. 10 изображена структурная схема АП, в состав которой входят следующие блоки:

-антенное устройство (антенна и блоки предусилителя и управления антенной);

-приёмное устройство (блоки преобразования и усиления; поиска сигналов);

-блок навигационных измерений и выделения навигационного сообщения; синтезатора частот;

-вычислительное устройство (процессор и блок связей - интерфейс);

-блок управления и индикации;

-блок питания.

Основными задачами, решаемыми АП, являются:

-контроль работоспособности блоков и аппаратуры в целом;

-решение навигационных задач и оценка точности определения. К частным задачам относятся:

-выбор рабочего созвездия; расчет данных целеуказания;

-поиск и слежение за сигналами, выделение и декодирование навигационных сообщений, в том числе эфемеридной информации, а также альманаха по сигналам одного из КА;

-проведение навигационных измерений;

-расчет координат на момент навигационных измерений.

40