Материал: Попов Э.Г. Основы аналоговой техники. Учеб. пособие для студ. радиотехнических спец

Внимание! Если размещение файла нарушает Ваши авторские права, то обязательно сообщите нам

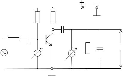
ший резисторный каскад на биполярном транзисторе (рис. 1.5).

На входе каскада включен источник ЭДС ЕИ с внутренним сопротивлением RИ, на выходе - нагрузка R2. Параллельно нагрузке включена емкость C2, состоящая из выходной емкости транзистора, емкости монтажа и емкости нагрузки (величина C2 обычно лежит в пределах десятков-сотен пикофарад). Сопротивления RБ и RК задают рабочий режим транзистора. Конденсаторы CР разделяют источник сигнала EИ, каскад на транзисторе и нагрузку R2 по постоянному току. Для того чтобы CР не препятствовали прохождению переменного тока, их величина выбирается достаточно большой (несколько десятков микрофарад).

Для измерения частотной характеристики схему рис. 1.5 необходимо дополнить двумя вольтметрами переменного тока, включенными на входе и выходе. Вольтметр V1 позволяет поддерживать постоянную величину сигнала на входе каскада независимо от частоты. Вольтметр V2 фиксирует изменения выходного напряжения U2 в зависимости от изменения частоты.

 

 

 

 

Е0

 

RБ

RK

 

 

 

 

2

 

 

 

 

CР

 

 

RИ

CР

 

 

u2

ЕИ

V1

V2

R2

C2

 

 

2

 

 

Рис. 1.5

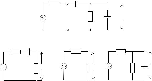
Анализ частотной и фазовой характеристик проведем для выходной цепи каскада, расположенной правее точек 2-2. Часть схемы, расположенную левее этих точек, заменим эквивалентным генератором с параметрами Е1 и R1. Ради упрощения будем считать, что транзистор не является частотнозависимым элементом и, следовательно, параметры эквивалентного генератора не зависят от частоты.

При таких условиях эквивалентная схема для анализа частотной характеристики каскада приобретает вид, представленный на рис. 1.6, а. Величины

16

емкостей C1 и C2 отличаются на несколько порядков (C1>>C2), что обуславливает их влияние в разных областях частотного диапазона и позволяет пользоваться при анализе более простыми схемами (рис. 1.6, б, в, г).

С помощью схемы (рис. 1.6, б) легко объясняются низкочастотные части частотной и фазовой характеристик. Емкость C2 на этой схеме отсутствует, так как сопротивление этой маленькой емкости на низких частотах стремится к бесконечности, ток через нее практически не протекает, и она не оказывает ни-

какого влияния на работу схемы в области низких частот.

 

R1

2

CР

 

 

E1

 

R2

C2

u2

 

2

 

 

 

 

 

 

а

 

R1 CР

 

R1

 

R1

E1

R2 u2

E1

R2 u2

E1 R2 C2 u2

 

б

 

в

г

 

 

 

Рис. 1.6

 

Согласно второму закону Кирхгофа ЭДС в схеме рис. 1.6, б распределяется между сопротивлениями R1 и R2 и сопротивлением емкости CР пропорционально величине этих сопротивлений. С уменьшением частоты сопротивление емкости CР возрастает, растет падение напряжения на ней, а напряжение u2 на сопротивлении R2 уменьшается, что и приводит к уменьшению коэффициента передачи. При объяснении фазовой характеристики следует учесть, что для области нижних частот цепь (см. рис. 1.6, б) имеет емкостной характер, и, следовательно, ток в этой цепи опережает по фазе приложенное напряжение. Этот ток, протекая по активному сопротивлению R2, создает на нем падение напряжения u2, совпадающее по фазе с током. Следовательно, выходное напряжение u2 опережает по фазе приложенную ЭДС E1. По мере увеличения частоты ха-

17

рактер этой цепи из емкостного превращается в активный (сопротивление емкости стремится к нулю, и конденсатор СР перестает влиять на ток в цепи), при этом сдвиг по фазе между E1 и u2 уменьшается до нуля. Математически частотная и фазовая характеристики для области нижних частот описываются следующими выражениями:

 

 

 

u2

 

 

 

 

 

 

 

 

 

 

 

 

R2

 

 

 

 

 

 

 

 

 

 

 

 

 

 

 

 

R2

 

 

 

&

 

&

 

&

 

 

 

 

 

 

 

 

 

 

 

 

 

 

 

 

 

 

 

 

 

 

 

 

 

 

 

 

 

 

K(ω)

=

 

E&

 

= КН

=

R1

+ R

2 +

1

 

=

 

(R

 

+ R

 

 

 

 

1

 

 

 

=

 

 

1

 

 

 

 

 

 

 

jωCP

 

1

2

) 1+

jωCP (R1

+ R2 )

 

 

 

 

 

 

 

 

 

 

 

 

 

 

 

 

 

 

 

 

 

 

 

 

 

 

 

 

 

 

 

 

 

=

 

 

 

 

 

 

K0

 

 

 

=

 

 

 

K0

 

 

 

 

,

 

 

(1.15)

 

 

 

 

1+ 1

 

 

 

 

 

 

1+

1

 

 

 

 

 

 

 

 

 

 

 

 

 

 

 

 

 

 

 

 

jωCP (R1

+ R2 )

 

 

 

 

 

jωτН

 

 

 

 

 

где

 

 

 

 

K0 =

 

 

R2

 

,

 

τН = CP (R1 + R2 ) .

 

 

 

 

 

 

 

 

 

 

R1

+ R2

 

 

 

 

 

 

 

 

 

 

 

 

 

 

 

 

 

 

 

 

 

 

 

 

 

 

 

 

 

 

 

 

 

 

 

 

 

 

 

 

Для

 

нахождения

 

амплитудно-частотной

 

 

 

характеристики

для

 

схемы

(см. рис. 1.6, б) определим модуль выражения (1.15):

 

 

 

 

 

 

 

 

 

&

 

=

 

 

 

 

 

 

 

 

K0

 

 

 

 

 

 

=

 

 

 

K0

 

.

(1.16)

 

 

 

 

 

 

 

 

 

 

 

 

 

 

 

 

 

 

 

 

 

 

 

 

 

 

 

КН

 

 

 

 

 

 

 

 

 

 

 

 

 

 

 

 

 

 

 

 

 

1

 

 

 

 

 

 

 

 

 

 

 

 

 

 

 

 

1

 

 

 

 

2

 

1+

 

 

 

 

 

 

 

 

 

 

 

 

 

 

 

 

 

 

 

 

 

 

 

 

 

 

 

 

 

 

 

 

 

 

 

 

 

 

 

 

 

1+

 

 

 

 

 

 

 

 

 

 

 

 

(ωτН )

2

 

 

 

 

 

 

 

 

 

 

 

 

 

 

 

 

 

 

 

 

 

 

 

 

 

 

 

 

 

 

 

 

 

 

 

 

 

 

 

 

 

 

 

 

jωCP (R1

 

 

 

 

 

 

 

 

 

 

 

 

 

 

 

 

 

 

 

 

 

 

 

 

 

 

 

 

 

 

 

+ R2 )

 

 

 

 

 

 

 

 

 

 

 

 

 

 

 

 

Для нахождения фазовой характеристики цепи необходимо комплексный коэффициент усиления К&(ω) представить в алгебраической форме (в виде

К(ω) = а + jb ):

 

 

 

 

 

 

 

 

 

 

 

 

 

 

 

 

&

 

K0

 

K

0

+ jK

0

1

ωτH

 

 

K0

+ j

K0

ωτH

 

 

 

 

 

 

 

 

 

 

KН =

1

j 1

ωτH

=

1

+

1

 

 

 

=

1+

1

1+

1

(ωτH )2

 

 

 

 

 

 

 

(ωτH )2

 

 

(ωτH )2

 

 

 

и найти арктангенс отношения мнимой части к действительной:

ϕH = arctg

1

= arctg

1

(1.17)

ωCP (R1 + R 2 )

ωτH

 

 

 

Области средних частот соответствует эквивалентная схема (см. рис. 1.6,

18

в), в которой отсутствуют частотно-зависимые элементы. Для этой схемы фазовый сдвиг между E1 и u2 равен нулю, а коэффициент передачи оказывается чисто активным и определяется выражением

K(ω) = K0 =

R2

= const .

(1.18)

 

 

R1 + R2

 

Проделав аналогичные выкладки для схемы (см. рис. 1.6, г), получим

 

 

K(ω) = KB =

 

 

Z

, где

 

Z =

 

 

 

1

 

 

=

 

 

R2

,

 

 

 

 

 

 

 

 

 

&

 

 

 

 

 

 

 

 

 

1

 

 

+ jωC2

 

1+ jωC2R2

 

 

 

 

 

 

 

 

 

 

 

 

R

1

+ Z

 

 

 

 

 

R2

 

 

 

 

 

 

 

 

 

 

 

 

 

 

 

 

 

 

 

 

 

 

 

 

 

 

 

 

 

 

 

 

&

 

 

 

 

 

R2

 

 

 

 

 

 

 

 

 

 

 

R2

 

 

 

 

 

 

=

KB

=

R1

+ R2 + R1 jωC2R2

=

 

(R1 + R

2 )[1 + jωC2R1R2

(R1 + R2 )]

 

 

 

 

 

 

 

=

 

 

 

 

 

 

K0

 

 

 

 

=

 

K0

 

, где τB

= C2

 

R1R2

.

(1.19)

1

+ jωC2R1R2 (R1 + R2 )

1+ jωτB

 

 

 

 

 

 

 

 

 

 

 

R1 + R2

 

 

 

Отсюда

 

 

 

 

 

 

 

 

 

 

 

 

 

 

 

 

 

 

 

 

 

 

 

 

 

 

 

 

 

 

&

 

=

 

 

 

 

K0

 

 

 

 

 

=

K0

 

 

,

 

 

 

(1.20)

 

 

 

 

 

 

 

 

 

 

 

 

 

 

 

 

 

 

 

 

 

 

 

 

 

KB

+[ωC2R1R2 (R1 + R2 )]2

+(ωτB )2

 

 

 

 

 

 

 

 

 

 

1

1

 

 

 

 

 

 

 

 

 

 

 

 

 

 

 

 

 

 

 

 

 

 

 

 

ϕ = −arctgωτB = −arctgωC2

 

R1R2

.

 

 

 

 

 

 

(1.21)

 

 

 

 

 

 

 

 

 

 

 

 

 

 

 

 

 

 

 

 

 

 

 

 

 

 

 

 

 

 

 

 

 

 

R1 + R2

 

 

 

 

 

 

 

 

Физический смысл уравнений (1.19 - 1.21) заключается в том, что на высоких частотах сопротивление параллельного соединения R2 и C2 уменьшается и, следовательно, уменьшается падение напряжения u2, приводящее к снижению коэффициента передачи.

При рассмотрении фазовой характеристики учтем то обстоятельство, что схема (см. рис. 1.6, г) в области высоких частот имеет активный характер, так как сопротивление емкости C2 при этом стремится к нулю. Ток, протекающий по такой цепи, совпадает по фазе с приложенным напряжением. Однако протекая через конденсатор C2, этот ток создает на нем отстающее по фазе напряжение U2.

19

Анализируя выражения (1.15 - 1.21)можно видеть:

1)при изменении частоты от f = 0 в сторону увеличения модуль коэф-

фициента передачи KН растет и стремится к величине K0, а фазовый сдвиг уменьшается от +900 до 00;

2)для области частот между fН и fВ коэффициент передачи K0 не зависит от частоты, а фазовый сдвиг между входным и выходным напряжениями равен нулю;

3)для области частот выше частоты fВ коэффициент передачи уменьшается по сравнению с K0, а фазовый сдвиг изменяется от 00 до -900.

Области частот, в которых снижение коэффициента передачи становится весьма ощутимым, не являются приемлемыми для работы усилительного каскада. Рабочий диапазон частот усилителя ∆f, называемый также диапазо-

ном усиливаемых частот или полосой пропускания усилителя, определяется

граничными частотами, на которых K(ω) изменяется на заданную величину. Обычно полоса пропускания усилителя оценивается граничными частотами fН и fВ, на которых коэффициент усиления уменьшается в 2 раз (в логарифмических величинах на –3дб) по сравнению со значением K0. Согласно этому определению верхнюю и нижнюю граничные частоты можно определить, приравняв к двум выражения, стоящие под корнем квадратным в (1.16) и (1.20).

1+1 [ωНСР(R1 + R2 )]2 = 2 ,

(1.22)

1+[ωBC2R1R2 (R1 + R2 )]2 = 2 .

(1.23)

Решив эти уравнения относительно fН и fВ ,получим

 

fH =

 

1

 

,

 

(1.24)

2πCP

(R1

+ R2 )

 

 

 

 

 

 

fB =

 

 

1

 

 

.

(1.25)

2πC2R1

R2

(R1 + R2 )

 

 

 

Фазовые сдвиги при этом будут равны

ϕН = arctg

1

= arctg1 = 45o,

(1.26)

2πfHCP (R1 + R2 )

 

 

 

20