Материал: Попов Э.Г. Основы аналоговой техники. Учеб. пособие для студ. радиотехнических спец

Внимание! Если размещение файла нарушает Ваши авторские права, то обязательно сообщите нам

усиления мощности, работающий в режиме В, почти не потребляет ток от источника питания.

Величина выходного тока IMAX линейно зависит от уровня входного сигнала, следовательно, согласно (3.60) и (3.62), такую же зависимость имеет величина среднего тока за период I0 и потребляемая каскадом мощность P0. Мощность в нагрузке Р2 зависит квадратично от входного сигнала (3.63). Мощность, рассеиваемая на выходном электроде активного элемента РК, определяется как разность между мощностями Р0 и Р2:

P

= P

P = 0,636I

KM

E

0

0,5

UKM2

= 0,636

UKM

E

0

0,5

UKM2

. (3.65)

 

 

 

K

0

2

 

 

R2

 

R2

 

R2

 

 

 

 

 

 

 

 

 

 

 

 

Из полученного выражения следует, что зависимость рассеиваемой мощности от входного сигнала и от коэффициента использования активного элемента по напряжению ψ носит экстремальный характер. Выразим РК в (3.65) через ψ и исследуем полученное выражение на экстремум:

P =

E02

(0,636ψ −0,5ψ2 ).

(3.65а)

 

K

R2

 

 

 

 

 

Найдем производную по ψ от (3.65а), приравняем ее к нулю и найдем из полученного уравнения критическое значение ψКР, при котором рассеиваемая мощность будет максимальной:

0.636 −ψKP = 0 , ψКР = 0,636 .

(3.66)

Зависимости мощностей Р0, Р2 и РК от коэффициента использования активного элемента по напряжению представлены на рис. 3.26.

На рис. 3.26 приведена также зависимость коэффициента полезного действия η от ψ. Согласно (3.64) КПД в режиме В линейно зависит от коэффициента использования по напряжению и в критическом режиме ( ψ = ψКР = 0,636 ) равняется 0,5.

101

Режим В используется в двухтактных каскадах усиления мощности, со-

стоящих из двух усилительных элементов,

η

Р0, Р2, РК,

работающих со сдвигом во времени на поло-

 

Р0

вину периода. Сигналы каждого плеча скла-

 

0,786

 

дываются в общей нагрузке, чётные гармони-

Р2

ки при этом уничтожаются [1], и нелинейные

 

0,5

η

искажения оказываются сравнительно не-

большими. В однотактных каскадах режим В

 

РК

используется только для усиления импульс-

 

 

 

ных сигналов неизменной полярности или в

 

ψ

каскадах, работающих на селективную на-

 

 

ψКР= 0,636

грузку (колебательный контур, узкополосный

 

 

Рис. 3.26

полосовой фильтр).

 

 

 

3.3.4. Режим С

 

 

При работе в режиме С рабочая точка и амплитуда усиливаемого сигнала выбираются таким образом, чтобы иметь угол отсечки меньше 90о и по возможности полнее использовать активный элемент. В этом случае заметно увеличивается КПД каскада, уменьшается ток потребления от источника питания. Однако уровень всех высших гармоник (четных и нечетных) возрастает настолько, что режим С оказывается непригодным для усиления широкополосных гармонических сигналов.

Режим С используется в усилителях мощности, работающих на резонансную нагрузку, от которых требуется большой КПД (выходные каскады радиопередающих устройств), а также в умножителях частоты.

3.3.5. Режим D

Режимом D называют такой режим использования усилительного элемента, при котором он работает в качестве электронного ключа. При этом активный элемент может поочередно находиться только в двух состояниях: то полностью открытом, то полностью закрытом. В момент, когда активный элемент открыт, падение напряжения на нем близко к нулю. Когда же он заперт – ток в его выходной цепи отсутствует. В обоих состояниях мощность, рассеи-

102

ваемая активным элементом, близка к нулю, следовательно, практически вся энергия, потребляемая от источника питания, превращается в энергию полезного сигнала. В результате КПД каскада, работающего в режиме D, стремится к 100 %.

Однако такой режим в чистом виде применяется только в устройствах, в которых допустимо иметь на выходе усиленный импульсный сигнал прямоугольной формы с постоянной амплитудой (примерно равной напряжению источника питания) независимо от амплитуды сигнала на входе. Широкое применение такой режим находит в устройствах вычислительной техники и системах управления.

Для усиления гармонических сигналов произвольной формы и амплитуды предварительно необходимо преобразовать эти сигналы в прямоугольные импульсы с постоянной амплитудой, ширина которых пропорциональна мгновенному значению сигнала. Частота следования импульсов выбирается существенно более высокой, чем наивысшая частота усиливаемого сигнала. Полученные после преобразования сигналы с широтно-импульсной модуляцией усиливаются усилителем класса D с высоким КПД, после чего снова преобразуются в сигнал первоначальной формы. Однако схема такого усилителя оказывается довольно сложной, и в ней затрудняется борьба с нелинейными искажениями, что и ограничивает область применения усилителей класса D.

3.4.Цепи питания активных элементов

3.4.1.Общие положения

Активные элементы могут нормально функционировать только при наличии источника питания, энергия которого с их помощью превращается в энергию полезного сигнала. Цепи питания, связывающие источник энергии с активным элементом, должны удовлетворять следующим требованиям:

а) обеспечить условия для задания необходимой рабочей точки; б) стабилизировать положение рабочей точки в процессе работы.

Необходимость стабилизации рабочей точки диктуется тем, что в процессе эксплуатации на активный элемент действует большое количество дестабилизирующих факторов (изменение состояния окружающей среды, нестабильность источников питания, изменение нагрузки, старение элементов

103

схемы, замена в случае ремонта элементов, потерявших работоспособность, и т.д.). Нестабильность рабочей точки каскада ведет к изменению условий работы всего усилителя, изменению его параметров, появлению искажений, особенно нелинейных. При разработке цепей питания немаловажное значение имеет их простота и экономичность.

Для активных полупроводниковых элементов основным дестабилизирующим фактором является изменение температуры. В основном все усилия по стабилизации рабочей точки направляются на борьбу с этим неприятным явлением.

Для биполярных транзисторов изменение температуры приводит к изменению коэффициента усиления по току h21, изменению обратного тока коллектора IКО и сдвигу входной вольт-амперной характеристики.

При повышении температуры на один градус свыше 25о параметр h21 увеличивается на 0,4 – 0,5 %, а при снижении температуры ниже 25о уменьшается на 0,2 – 0,3 % на каждый градус. Кроме того, замена транзистора может привести к изменению h21 в 2 – 3 раза из-за разброса этой величины, существующего даже для транзисторов одной серии.

Обратный ток коллектора зависит от температуры следующим образом:

IKO = IKOT (2 3)0,1(t0 250 )

 

(3.67)

где IKOT – справочное значение обратного тока коллектора, измеренное при

температуре 250;

 

 

 

t0 – температура окружающей среды.

 

 

 

Множитель 2 относится к кремние-

IБ

t1

t2

вым транзисторам, а 3 – к германиевым.

I0Б1

 

 

Под воздействием изменения темпе-

∆I

 

ратуры входная вольт-амперная характери-

 

 

 

 

стика сдвигается практически параллельно

I0Б2

 

t1>t2

самой себе. С ростом температуры характе-

 

 

UБ

ристика сдвигается влево со скоростью

 

∆U

2,2·10-3 В на каждый градус изменения тем-

 

U

 

 

 

пературы (рис. 3.27). Из этого рисунка вид-

 

Рис.3.27

но, что сдвиг характеристики при заданном

 

 

 

значении напряжения на базе Uприводит к изменению тока базы, а затем и

104

тока коллектора, связанного с током базы через параметр h21. Сдвиг характеристики ∆U, показанный на рисунке, оценивается следующим выражением [1]:

U= 2,2 10-3(t0MAX t0MIN ) + 0,06 ,

(3.68)

где (t0MAX t0MIN ) – перепад температур,

0,06 – величина, учитывающая технологический разброс параметров [1]. Для оценки температурной нестабильности довольно часто используют коэффициент нестабильности S, равный отношению приращения тока коллек-

тора к приращению обратного тока коллектора:

S =

I0K

.

(3.69)

 

 

IKO

 

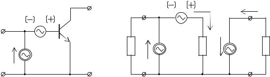
Такой подход не отражает влияния двух других факторов (h21, ∆U) на нестабильность рабочей точки и не позволяет рассчитать элементы схемы для получения заданной нестабильности. В [1] приводится более наглядная методика, позволяющая рассчитать приращение тока коллектора при заданном приращении температуры для различных схем питания. В данном случае реальный транзистор заменяется идеальным (не подверженным влиянию температуры) с генераторами тока и напряжения, включенными в его входную цепь (рис. 3.28) и отражающими температурную нестабильность реального транзистора.

∆U

∆U

∆IБ

∆IK

RБ

h11

R2

∆I0

∆I0

h21∆I0

а

 

б

Рис. 3.28

 

 

Генератор напряжения ∆Uвключен последовательно с входными зажимами транзистора и отражает температурную нестабильность, зависящую от сдвига входной вольт-амперной характеристики. Величина напряжения этого

105