Материал: МЕТОДА САПР 03.06.2015

Внимание! Если размещение файла нарушает Ваши авторские права, то обязательно сообщите нам

площину ZX, і вмикаємо режим редагування деталі Ескіз .

2. Викреслимо Ескіз №2 за розмірами наведеними на рис. 2.4. Натиснувши на Ескіз завершуємо редагування ескізу.

Рис. 2.4 – Ескіз 2

3.Використовуючи Операцію обертання будуємо просторову модель гайки розпилювача.

4.Будуємо зміщену площину відносно площини ZY на відстані 56,0 мм. На інструментальній панелі обираємо Допоміжна геометрія → Зміщена площина , на панелі властивостей задаємо відстань.

5.В дереві побудови виділяємо Зміщена площина 1, на цій площині побудуємо Ескіз №3 за формою наведеною на рис. 2.5. Проводимо операцію Вирізати видавлюванням , на панелі властивостей у вікні Відстань вкажемо глибину отвору – Через все, у вікні Напрям вкажемо – Зворотній напрям.

5.У дереві моделі обираємо площину ZY та будуємо Ескіз 4 (рис. 2.6). Проведемо операцію Вирізати видавлюванням , на панелі властивостей у вікні Відстань вкажемо глибину отвору – Через все.

6.За допомогою операції Умовне позначення різьби вказуємо місце її розташування на гайці розпилювача (рис. 2.7).

Рис. 2.5 – Ескіз 3

Рис. 2.6 – Ескіз 4

Рис. 2.7 – Місце

розташування різьби

 

 

Контрольні завдання та запитання

1.Яким вимогам повинен відповідати ескіз для правильного виконання операції обертання?

2.Перелічіть команди які використовуються при побудові гайки розпилювача.

3.Перелічіть команди які використовуються при побудові голки форсунки.

11

Практична робота №3 СТВОРЕННЯ ОБ’ЄМНОГО ВИДУ ШТУЦЕРА ПІДВОДУ ПАЛИВА, БОЛТА

РЕГУЛЮЮЧОГО ТА КОНТРГАЙКИ ФОРСУНКИ ДИЗЕЛЯ Д50

Мета роботи: оволодіти навиками створення тривимірних моделей та побудувати об’ємний вид штуцера підводу палива, болта регулюючого та контргайки форсунки.

Завдання: побудувати тривимірні моделі штуцера підводу палива, болта регулюючого та контргайки.

1. Порядок виконання роботи

І. Створення штуцера підводу палива.

1.Створюємо Новий документ → Деталь. У дереві моделі обираємо площину ZX, і вмикаємо режим редагування деталі Ескіз .

2.Викреслимо Ескіз №1 за розмірами наведеними на рис. 3.1. Обов’язково слід поставити вісь обертання стилем лінії Осьова. Натиснувши на Ескіз завершуємо редагування ескізу.

Рис. 3.1 – Ескіз 1

3.Створюємо об’ємну модель штуцера підводу палива. У дереві побудови виділяємо Ескіз №1 на інструментальній панелі обираємо Редагування деталі → Операція обертання , на панелі властивостей обираємо тип тонкої стінки Нет

.

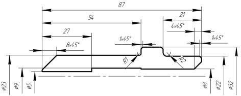
4.Будуємо зміщену площину відносно площини ZY на відстані 54,0 мм. На інструментальній панелі обираємо Допоміжна геометрія → Зміщена площина , на панелі властивостей задаємо відстань.

В дереві побудови виділяємо Зміщена площина 1, на цій площині побудуємо Ескіз №2 за формою наведеною на рис. 3.2 Проводимо операцію Вирізати видавлюванням , на панелі властивостей у вікні Відстань вкажемо глибину отвору – 12,0 мм, у вікні напрям вкажемо – Зворотній напрям.

5.За допомогою операції Умовне позначення різьби вказуємо місце її розташування на штуцері підводу палива. Крок різьби 1 мм, довжина 19. На рис. 3.3 показане ребро від якого починається різьба.

12

Рис. 3.2 – Ескіз 2

Рис. 3.3 – Ребро початку побудови умовного позначення різьби

ІІ. Створення контргайки.

1.Створюємо Новий документ → Деталь. У дереві моделі обираємо площину ZX, і вмикаємо режим редагування деталі Ескіз .

2.Викреслимо Ескіз №3 за розмірами наведеними на рис. 3.4. Натиснувши на Ескіз завершуємо редагування ескізу.

3.В дереві побудови виділяємо Ескіз 4 та проводимо операцію

Видавлювання на відстань 7,0 мм.

4.Будуємо фаски розміром 1,5˟45º граней які показані на рис. 3.5, з обох сторін деталі.

Рис. 3.4 – Ескіз 3

Рис. 3.5 – Місця побудови фасок

5.Викреслимо Ескіз №5 за розмірами наведеними на рис. 3.6.

6.У дереві моделі обираємо площину ZY та будуємо Ескіз 5 та проведемо операцію Вирізати видавлюванням на відстань 7,0 мм в напрямку осі Х.

7.За допомогою операції Умовне позначення різьби вказуємо місце її розташування на контргайці (кроком різьби 1,75 мм та її довжиною 4). На рис. 3.7 показане ребро від якого починається різьба.

Рис. 3.6 – Ескіз 5

Рис. 3.7 – Ребро початку побудови

 

умовного позначення різьби

 

13

ІІІ. Створення болта регулюючого.

1. Створюємо Новий документ → Деталь. У дереві моделі обираємо площину ZX, і вмикаємо режим редагування деталі Ескіз .

2. Викреслимо Ескіз №6 за розмірами наведеними на рис. 3.8. Обов’язково слід поставити вісь обертання стилем лінії Осьова. Натиснувши на Ескіз завершуємо редагування ескізу.

3.За допомогою Операція обертання побудуємо просторову модель регулюючого болта.

4.У дереві побудови обираємо площину ZY та будуємо на ній Ескіз 7 (рис. 3.9) та проведемо операцію Вирізати видавлюванням на відстань 7,0 мм в напрямку осі Х.

Рис. 3.9 – Ескіз 7

Рис. 3.8 – Ескіз 6

5. Будуємо скруглення радіусом 1,0 мм грані, що показана на рис. 3.10.

6. За допомогою операції Умовне позначення різьби вказуємо місце її розташування на регулюючому болті (кроком різьби 1,75 мм та у вікні довжина вказуємо – на всю довжину). На рис. 3.11 показане ребро від якого починається різьба.

Рис. 3.10 – Місце побудови

Рис. 3.11 – Місце розміщення

скруглення

зовнішньої різьби

Контрольні завдання та запитання

1.Опишіть порядок побудови умовного позначення зовнішньої різьби.

2.Які операції були використані при побудові болта регулюючого?

3.Опишіть порядок побудови зміщеної площини.

14

Практична робота №4 СТВОРЕННЯ ОБ’ЄМНОГО ВИДУ ТАРІЛКИ ПРУЖИНИ (НИЖНЬОЇ ТА

ВЕРХНЬОЇ) ТА ПРОБКИ КОРПУСА ФОРСУНКИ ДИЗЕЛЯ Д50

Мета роботи: оволодіти навиками створення тривимірних моделей та побудувати об’ємний вид тарілки пружини та пробки корпуса форсунки.

Завдання: побудувати тривимірні моделі пробки корпуса форсунки та тарілки пружини (верхньої та нижньої).

1. Порядок виконання роботи

І. Створення пробки корпуса форсунки.

1.Створюємо Новий документ → Деталь. У дереві моделі обираємо площину ZX, і вмикаємо режим редагування деталі Ескіз .

2.Викреслимо Ескіз №1 за розмірами наведеними на рис. 4.1. Обов’язково слід поставити вісь обертання стилем лінії Осьова. Натиснувши на Ескіз завершуємо редагування ескізу.

Рис. 4.1 – Ескіз 1

3.За допомогою Операція обертання побудуємо просторову модель пробки корпуса форсунки.

4.Вибираємо площину ZY та будуємо Ескіз 2 у вигляді точки в центрі координат.

5.В дереві побудови виділяємо Ескіз 2, на інструментальній панелі обираємо

Редагування деталі → Операція отвір , в бібліотеці отворів обираємо отвір 02 (будуємо отвір з параметрами: H=30 мм, a=120º, D=22 мм).

6.Будуємо фаску розміром 1,5˟45º грані, що показана на рис. 4.2.

7.Будуємо Зміщену площину відносно площини ZY на відстані 47,0 мм. На цій площині побудуємо Ескіз №2 за формою наведеною на рис. 4.3

8.В дереві побудови виділяємо Ескіз 2 та проведемо операцію Вирізати видавлюванням на відстань 18,0 мм в напрямку осі Х.

9.За допомогою операції Умовне позначення різьби вказуємо місце її розташування на пробці корпуса розпилювача. Крок різьби 1,75 мм, у вікні довжина вказуємо – на всю довжину, у вікні тип різьби вказуємо - внутрішня. На рис. 4.4

15