Материал: Лабораторная работа №1 - 2018

Внимание! Если размещение файла нарушает Ваши авторские права, то обязательно сообщите нам

имитирование в первом приближении работы реального высоковольтного выключателя: переход блока из состояния «Включен» в состояние «Отключен» осуществляется в момент первого после подачи сигнала на отключение перехода тока через нулевое значение. Это свойство облегчает моделирование поведения дугового разряда, гаснущего при нулевом значении тока разряда.

По завершении сборки расчетной схемы перед ее запуском на счет рекомендуется сохранить модель во избежание потерь данных в результате возможного непредвиденного завершения работы программы из-за ошибок при сборке схемы. Также необходимо задать параметры расчета (пункт «Параметры расчета» в меню «Расчет» программы). Шаг расчета следует принять равным 1 мкс, время счета – несколько периодов промышленной частоты в зависимости от выполняемого пункта задания.

Для определения максимальных напряжений фаз сети следует по окончании расчета двойным щелчком по блоку Осциллограф, на который выводятся фазные напряжения, открыть окно с осциллограммами. Далее, дважды щелкнув мышью по интересующей расчетной кривой, открыть диалоговое окно «Свойства кривой». В появившемся диалоге на закладке «Информация» максимальное расчетное значение напряжения отобража-

ется в поле «Максимальное значение координаты Y».

По итогам выполнения пунктов задания, расчетные графики целесообразно сохранить путем их копирования и вставки в доступный на компьютере текстовый редактор WordPad. Графики можно скопировать в буфер обмена или сохранить в файл с помощью меню Правка окна графопострои-

теля XYGraph (пункты «Копировать рисунок» и «Сохранить рисунок» со-

ответственно).

Расчетные векторы сигналов при необходимости можно сохранить в тестовом формате для дальнейшей цифровой обработки в специализированных приложениях (например, в пакете инженерных расчетов MATLAB). Для этого в окне блока осциллографа необходимо выделить подграфик, на котором отображается интересующий сигнал. После этого станет активной кнопка «Экспорт данных» Панели инструментов, по нажатию которой открывается окно одноименного диалога. В диалоге выбираются интересующие кривые, имя файла, в который будут экспортироваться данные и путь сохранения этого файла.

28

Таблица 10 – Элементы расчетной модели, используемые в лабораторной работе

Элемент

Описание

Источник переменного напряжения для моделирования фазных ЭДС источника питания сети, изменяющихся во времени по формуле E(t) = U·sin(2πft + φ0).

Параметры:

амплитудное значение напряжения U, кВ;

циклическая частота изменения напряжения, Гц;

начальная фаза φ0, град.

Местонахождение блока в библиотеке элементов: Источники

Напряжения.

Активное сопротивление для представления внутренних активных сопротивлений источника питания сети, фазных активных проводимостей сети на землю, активного сопротивления канала дуги и активного сопротивления резистора в заземлении нейтрали.

Местонахождение блока в библиотеке элементов: Элементы

RLC-цепи.

Индуктивность для представления внутренних индуктивных сопротивлений источника питания сети.

Местонахождение блока в библиотеке элементов: Элементы

RLC-цепи.

Емкость для представления фазных и междуфазных емкостей сети.

Местонахождение блока в библиотеке элементов: Элементы

RLC–цепи.

Нелинейный ограничитель перенапряжений для задания фаз-

ных ОПН сети.

Параметры: точки вольтамперной характеристики – пары соответствующих друг другу значений тока (кА) и напряжения

(кВ).

Местонахождение блока в библиотеке элементов: Элементы

Ограничители перенапряжений.

Выключатель однофазный для моделирования ОЗЗ путем коммутации фазы модели сети на блок заземлителя.

Параметры:

начальное состояние («Отключен» или «Включен»);

сопротивление выключателя в состоянии «Включен», Ом;

шунтирующее сопротивление, Ом;

шунтирующая емкость, Ф;

вектор моментов переключения состояния, с.

Местонахождение блока в библиотеке элементов: Элементы

Выключатели

29

Аналоговый заземлитель.

Местонахождение блока в библиотеке элементов: Коннекто-

ры Заземлители.

Вольтметр.

Местонахождение блока в библиотеке элементов: Измерите-

ли Непрерывные.

Амперметр.

Местонахождение блока в библиотеке элементов: Измерите-

ли Непрерывные.

Цифровой осциллограф.

Местонахождение блока в библиотеке элементов: Измерите-

ли Блоки вывода.

30

Приложение 1

Параметры переходных процессов при однофазном замыкании на землю

Параметры переходных процессов при ОЗЗ

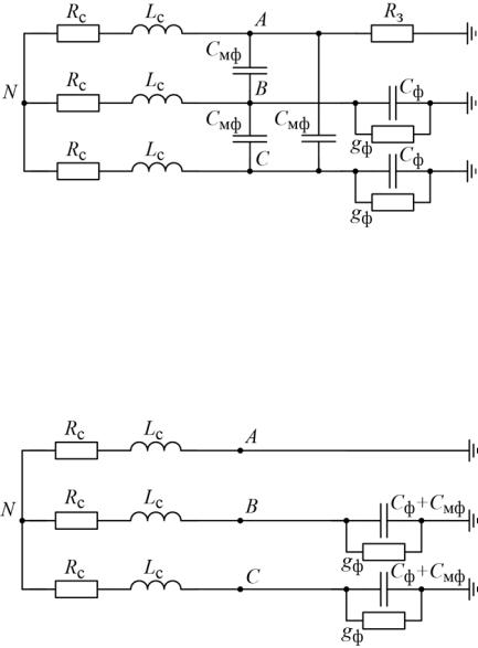
Частоту собственных колебаний сети при наличии однофазного замыкания на землю ω1 и коэффициент затухания α1 можно оценить, проанализировав схему замещения рис. П1.

Рис. П1. Схема замещения для оценки параметров переходного процесса при ОЗЗ

Если принять сопротивление в месте ОЗЗ Rз = 0, то междуфазные емкости Cмф, соединенные с поврежденной фазой A, оказываются включенными параллельно емкостям на землю Cф неповрежденных фаз. Емкость между фазами B и C можно исключить из рассмотрения, так как для собственных колебаний схемы при ОЗЗ точки B и C имеют одинаковый потенциал. Упрощенная схема замещения показана на рис. П2.

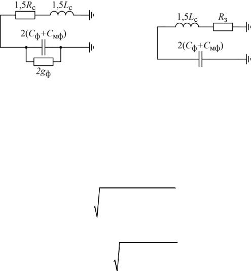
Рис. П2. Упрощение схемы замещения при Rз = 0.

Еще большего упрощения схемы можно добиться, объединяя в схеме рис. П2 две параллельные ветви фаз B и C, в результате чего получается одночастотный колебательный контур (рис. П3а). Собственную частоту ко-

31

лебаний этого контура можно найти, приравняв нулю его входное операторное сопротивление относительно места ОЗЗ:

Zвх p 1,5 Rс pLс

 

 

1

0.

(П.1)

 

 

 

2

 

 

gф p Cф Смф

 

 

а) б)

Рис. П3. Упрощенные схемы замещения

а – при Rз = 0; б – при gф = 0 и Rс = 0

Решая это уравнение, получим

 

p1,2 α1 jω1,

 

 

 

 

 

 

 

 

где

 

 

gф

 

 

 

R

 

 

 

 

 

 

 

 

 

 

 

 

 

 

 

 

α

 

 

 

 

 

 

 

 

с

 

;

 

 

(П.2)

2 Cф Cмф

 

 

 

 

 

1

 

 

2Lc

 

 

ω

 

1 3gфRс

 

 

 

 

α2 .

 

(П.3)

 

3Lс Cф Cмф

 

 

1

 

 

1

 

 

 

Если пренебречь малыми значениями gф и Rс, то частоту колебаний

можно оценить по простой формуле

 

 

 

 

 

 

 

 

 

ω1 f1

 

 

 

1

 

 

 

 

 

 

.

(П.4)

 

3Lс Cф Cмф

 

 

 

 

 

 

Характерное для распределительных сетей значение f1 составляет сот-

ни и тысячи Гц. Например, для сети с Lс = 2 мГн, Cф = 1 мкФ и Cмф = 0, получим f1 = 2 кГц. Период колебаний при этом T1 = 1/f1 = 0,5 мс, что в 40 раз

меньше периода промышленной частоты.

Коэффициент успокоения сети

d α

T1

 

α1

π. Оценим постоянную

ω

 

1

2

 

 

 

 

 

 

1

 

времени затухания свободных колебаний, если d = 0,1, как это принято в лабораторной работе:

τ

 

1

 

T1

 

T1

5T .

(П.5)

α

2d

0,2

1

 

 

 

1

 

 

 

1

 

 

 

 

 

 

32