Материал: Лабораторная работа №1 - 2018

Внимание! Если размещение файла нарушает Ваши авторские права, то обязательно сообщите нам

Компьютерная лабораторная работа ПЕРЕНАПРЯЖЕНИЯ ПРИ ОДНОФАЗНЫХ ЗАМЫКАНИЯХ НА ЗЕМЛЮ В СЕТЯХ 6–35 КВ

ПРЕДВАРИТЕЛЬНЫЕ СВЕДЕНИЯ

Однофазные замыкания на землю (ОЗЗ) в электрических сетях являются самым распространенным видом повреждения. По происхождению эти замыкания могут быть двух видов – металлические и дуговые. Если замыкания первого вида неустранимы без отключения поврежденного присоединения, то для дуговых замыканий имеется возможность самоустранения за счет погасания дуги в случае, если ток в месте замыкания достаточно мал.

Характер процессов при однофазных замыканиях на землю и уровень возникающих перенапряжений определяются в первую очередь режимом (способом заземления) нейтрали сети. В отечественных распределительных электрических сетях 6–35 кВ режим нейтрали выбирают таким образом, чтобы дать возможность однофазному дуговому замыканию самоустраниться, и не прерывать при этом электроснабжение потребителей. Наиболее простым техническим решением является режим полностью изолированной нейтрали.

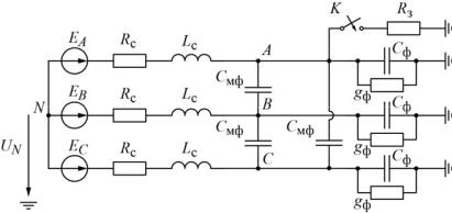
Рассмотрим схему замещения сети с изолированной нейтралью, показанную на рис. 1.

Рис. 1. Схема сети с изолированной нейтралью

При возникновении однофазного замыкания на землю ток замыкания может протекать только по контурам, образованным через емкости неповрежденных фаз сети Cф. Так как нейтраль нагрузки изолирована, то ее влияние на ток замыкания сводится лишь к небольшому (не более 10%) падению напряжения на активно-индуктивном входном сопротивлении сети. Поэтому контур нагрузки можно не учитывать. Входные сопротивления се-

3

а)
б)
Рис. 2. К определению тока замыкания
а – упрощенная схема сети; б – векторные диаграммы до и после замыкания

ти в установившемся на частоте 50 Гц режиме также пренебрежимо малы – фазные емкости сети обладают сопротивлением в сотни и тысячи Ом, на несколько порядков превышая активно-индуктивные сопротивления источника питания. Поэтому для расчета тока однофазного замыкания можно использовать схему, приведенную на рис. 2а.

При условии равенства емкостей всех фаз сети в нормальном режиме работы (ключ на схеме разомкнут) фазные напряжения образуют симметричную тройку векторов (рис. 2б). При замыкании на землю в фазе A (ключ замкнут) напряжение в точке А становится равным нулю и возникает напряжение смещения нейтрали UN, равное фазному напряжению сети Uф. Треугольник линейных

напряжений UAB, UBC и UCA при этом сохраняется, поэто-

му можно продолжать электроснабжение потребителей.

Найдем с помощью векторной диаграммы рис. 2б ток замыкания на землю Iз. Этот ток определяется суммой токов, протекающих по емко-

стям фаз B и C. Токи IB и IС опережают приложенные к фазным емкостям

напряжения UAB, и UAC на 90º. Их геометрическая сумма равна Iз IB cos30 IC cos30 . Ток в фазе C совпадает по модулю с током в фа-

зе B: IB ωCфU AB ωCф 3Uф, что дает известную формулу для определения тока однофазного замыкания на землю

Iз CфUф .

(1)

Как следует из (1), для сети заданного напряжения ток замыкания определяется емкостью фаз относительно земли, которая преимущественно складывается из емкостей воздушных или кабельных линий Cф C 'lс , где

C ' – удельная (на единицу длины) емкость линии на землю, lс – протяженность сети.

4

При малых значениях тока замыкания на землю, энергии, выделяемой в дуге, оказывается недостаточно для ее устойчивого горения, и канал дуги распадается, при этом устраняется и замыкание на землю. Предельные значения токов замыкания, при которых устойчивое существование дугового замыкания еще затруднено, нормированы Правилами устройства электроустановок (ПУЭ) [1] и определяют область применения сетей с изолированной нейтралью. Если расчетный ток замыкания Iз превышает нормированные значения, то такая сеть должна эксплуатироваться в режиме нейтрали, заземленной через дугогасящий реактор (лабораторная работа №2).

Емкость C ' для кабельных сетей составляет 0,1÷1,0 мкФ/км, для воздушных сетей она значительно меньше – 0,005÷0,006 мкФ/км. В таблице 1 для сетей 6–35 кВ приведены допустимые по ПУЭ токи однофазного замыкания на землю Iдоп и соответствующие им диапазоны предельных значений протяженности воздушных (lВЛ) и кабельных (lКЛ) сетей.

Таблица 1 – Предельные протяженности ВЛ и КЛ по условию Iз = Iдоп

Uном, кВ

6

10

20

35

Iдоп, А

30

20

15

10

lВЛ, км

1530–1840

610–740

230–280

85–105

lКЛ, км

9,2–92

3,7–37

1,4–14

0,5–5

Перенапряжения при металлическом замыкании на землю

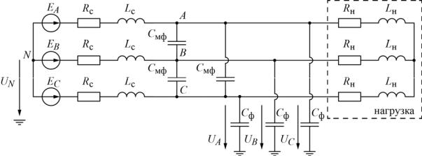
Как было установлено, в установившемся режиме ОЗЗ напряжение на поврежденной фазе становится равным нулю, а на здоровых фазах – линейному напряжению. Наличие в сети индуктивностей приводит к тому, что этот режим устанавливается в ходе колебательного переходного процесса, который можно рассмотреть с помощью схемы, показанной на рис. 3.

Переходный процесс содержит две стадии. Сначала, в момент замыкания tз ключа К, емкость Cф фазы A разряжается через сопротивление в месте замыкания Rз, а междуфазные емкости

Cмф, подключенные к Рис. 3. Схема сети с изолированной нейтралью для фазе А, оказываются анализа перенапряжений

соединенными параллельно с емкостями Cф неповрежденных фаз. Напря-

жения на этих емкостях почти мгновенно уравниваются и приобретают

5

значения UB,нач и UС,нач, которые можно найти из уравнения баланса зарядов. Для фазы B суммарный заряд на фазной и междуфазной емкости до замыкания ключа составлял

Q CфUB tз Cмф UB tз U A tз Cмф UB tз UC tз *;

после коммутации эти емкости соединяются параллельно, и

Q Cф Cмф UB,нач Cмф UB tз UC tз ,

откуда, с учетом того, что заряд не может мгновенно измениться, получаем:

 

 

 

 

C U

t

з

C

U

t

з

U

A

t

з

 

UB,нач

 

ф B

 

 

мф B

 

 

 

 

UB tз kU A tз , (2)

 

 

 

 

 

Cф Cмф

 

 

 

 

 

 

 

 

 

 

 

 

 

 

 

 

 

 

 

 

 

где k

 

Cмф

 

 

. Для воздушных сетей k ≈ 0,15, для сетей из кабелей трех-

C

C

 

 

 

мф

 

 

 

 

 

 

 

 

 

 

 

 

 

ф

 

 

 

 

 

 

 

 

 

 

 

 

фазного исполнения k ≈ 0,2. Если сеть выполнена кабелями однофазного исполнения, то емкостная связь между жилами отсутствует, и k = 0. Аналогично можно показать, что начальное напряжение в фазе С составит

UC,нач UC tз kU A tз .

(3)

Рис. 4. Однофазное металлическое замыкание на землю

Если замыкание происходит как показано на рис. 4 – в момент времени, когда напряжение в фазе A минимально, то, в силу малости падений

* Знак «–» в индексе момента времени замыкания tз– означает, что в формулу нужно подставлять значения напряжений до коммутации (замыкания).

6

напряжения на активном сопротивлении сети Rс и ее индуктивности Lс (сопротивления сети много меньше емкостных), можно записать:

U A tз EA tз Uфm , UB tз EB tз 0,5Uфm , UC tз EC tз 0,5Uфm ,

и, в соответствии с (2) и (3), начальные напряжения на фазах B и C равны:

Uнач (0,5 k)Uфm .

(4)

Вторая стадия переходного процесса связана с повышением фазных напряжений до линейных значений в установившемся режиме замыкания. В зависимости от переходного сопротивления в месте замыкания этот процесс может носить колебательный или апериодический характер. В большинстве случаев в сетях реализуется колебательный процесс, характеризующийся угловой частотой ω1 и коэффициентом затухания α1 (краткий анализ с выводом формул приведен в Приложении 1).

Напряжение на неповрежденных фазах B и C можно представить в виде суммы напряжения нового установившегося режима, к которому стремится переходный процесс, и свободной составляющей:

U

B

t U уст t U св t E

B

t E

A

t Aсвe α1 t tз cosω

t t

;

(5)

 

B

B

 

B

1

з

 

 

U

C

t U уст t U св t E

 

t E

A

t Aсвe α1 t tз cosω

t t

.

(6)

 

C

C

C

 

C

1

з

 

 

Амплитуду колебаний можно оценить как взятую в момент замыкания tз разность между напряжением установившего режима UBуст tз = EB tз

EA tз , к которому стремится переходный процесс, и начальным напряже-

нием. Для фазы B:

ABсв UBуст tз UB,нач EB tз EA tз EB tз kEA tз (k 1)EA tз . (7)

Аналогично для фазы C:

ACсв UCуст tз UC,нач EC tз EA tз EC tз kEA tз (k 1)EA tз . (8)

Для случая, показанного на рис. 4 (U A tз Uфm ), амплитуды колебаний составляют ABсв ACсв 1 k Uфm .

Оценим возможные кратности перенапряжений при металлическом замыкании на землю. Напряжения на неповрежденных фазах будут максимальны через половину периода свободных колебаний T1:

UB,max

UC,max

 

 

 

 

T

 

 

 

 

 

T

 

 

EB tз

1

 

EA tз

1

 

 

 

 

 

2

 

 

 

 

 

2

 

 

E

t

з

T1

 

E

t

з

T1

 

 

C

 

2

 

 

A

 

2

 

 

 

 

 

 

 

 

 

 

 

 

 

(k 1)EA tз e αT21 cosω1 T21 ,

(9)

(k 1)EA tз e αT21 cosω1 T21 .

7