Материал: Лабораторная работа №1 - 2018

Внимание! Если размещение файла нарушает Ваши авторские права, то обязательно сообщите нам

Формула (П.5) означает, что при d = 0,1 напряжения и токи переходного процесса затухают в e = 2,72 раз за 5 периодов свободных колебаний.

Полученные соотношения справедливы для ОЗЗ через малые переходные сопротивления в точке замыкания Rз. Сделаем оценку параметров переходного процесса, учитывая Rз, но полагая gф = 0 и Rс = 0 (рис. П3б). Для рассматриваемого контура собственная частота свободных колебаний равна

 

 

 

 

 

 

ω

ω2 α2 ,

(28)

 

 

 

 

 

 

1

LC

1

 

где ωLC

 

1

 

 

– частота колебаний схемы без учета активных

3Lс Cф Cмф

 

 

 

 

 

 

сопротивлений,

α

Rз

– коэффициент затухания.

 

 

 

 

 

 

1

3Lс

 

 

 

 

 

 

 

 

 

 

 

 

 

 

Переходный процесс имеет колебательный характер при выполнении

условия

ωLC α1 . Это неравенство

перестает

соблюдаться при

R R

 

3Lс .

Если замыкание на землю произошло через достаточно

кр

 

Cф

 

 

 

 

 

 

 

 

 

 

 

 

 

 

 

 

большое переходное сопротивление или грунт в окрестности замыкания характеризуется малой проводимостью, то процесс будет иметь апериодический характер. Полагая индуктивность сети равной Lc = 2 мГн, а фазную

емкость – Cф = 1 мкФ, получим Rкр ≈ 77 Ом.

При апериодическом характере переходного процесса перенапряжения оказываются значительно меньше.

Параметры переходных процессов после погасания дуги ОЗЗ

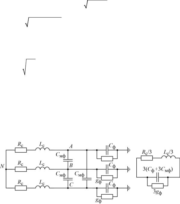
После погасания дуги ОЗЗ в сети восстанавливается симметричная трехфазная схема, показанная на рис. П4а.

а) б)

Рис. П4. Схема замещения для оценки параметров переходного процесса после погасания дуги ОЗЗ

а – полная схема; б – упрощенная схема

33

Треугольник междуфазных емкостей в схеме рис. П4а можно преобразовать в звезду и, поскольку схема симметрична, объединить нейтральные точки с землей. Это приводит к простейшей схеме, показанной на рис. П4б. Если пренебречь затуханием, то собственная частота колебаний схемы составит

ω2 f2

1

,

Lс Cф 3Cмф

что несколько больше, чем при существовании в сети ОЗЗ. Для рассмотренного выше примера сети с Lс = 2 мГн, Cф = 1 мкФ и Cмф = 0 получим f2 = 3,6 кГц.

34

ЛИТЕРАТУРА

1. Правила устройства электроустановок.

35

ОГЛАВЛЕНИЕ

 

ПРЕДВАРИТЕЛЬНЫЕ СВЕДЕНИЯ......................................................................................

3

ЗАДАНИЕ НА ПРЕДВАРИТЕЛЬНУЮ ПОДГОТОВКУ ..................................................

18

ЗАДАНИЕ НА ИЗМЕРЕНИЯ ...............................................................................................

19

КОНТРОЛЬНЫЕ ВОПРОСЫ...............................................................................................

23

УКАЗАНИЯ ПО СОСТАВЛЕНИЮ МОДЕЛИ И ВЫПОЛНЕНИЮ РАСЧЕТОВ..........

24

Предварительные сведения о работе со стендом............................................................

24

Сборка и редактирование модели.....................................................................................

25

Расчет модели и отображение результатов .....................................................................

26

Указания по выполнению расчетов и сохранению результатов....................................

27

Приложение 1 .........................................................................................................................

31

ЛИТЕРАТУРА........................................................................................................................

35

36

Учебное издание

Жуйков Антон Владимирович, Ларин Василий Серафимович, Матвеев Даниил Анатольевич

Компьютерная лабораторная работа «Защита подстанций от набегающих волн»

Методическое пособие по учебной дисциплине

«Перенапряжения и координация изоляции» для студентов, обучающихся по направлению «Электроэнергетика»

Редактор издательства

 

 

 

 

 

 

Темплан издания МЭИ 2017(I),

метод.

Подписано в печать xx.xx.xx

Печать офсетная

Формат 60x84/16

Физ. печ. л. 2,0

Тираж 300 экз.

Изд. № xx

 

Заказ № xxx

ЗАО«ИздательскийдомМЭИ», 111250, Москва, Красноказарменнаяул., д. 14 ОтпечатановтипографииФКП«НИИ«Геодезия», 141292, Московскойобл., г. Красноармейск, просп. Испытателей, д. 14

© Национальный технический университет «Московский энергетический институт», 2017

37