Незадовільна енергетика. Коефіцієнт корисної дії перетворювань виду Е→L чи L→E в кращих сучасних приладах (лазери, світлодіоди, р-і-п- фотодіоди), як правило, не перевищує 10-20%. Тому якщо в пристрої здійснюються ці перетворення лише двічі (на вході і виході), як, наприклад, в оптопарах або в волоконно-оптичних лініях зв'язку (ВОЛЗ), то загальний ККД зменшується до одиниць відсотків; кожен додатковий акт перетворення інформаційних сигналів із однієї форми в іншу зменшує ККД ще на порядок і більше. Низьке значення ККД спричиняє зростання енергоспоживання, що неприпустимо із-за обмежених можливостей джерел живлення; утруднює мініатюризацію, оскільки не вдається відвести тепло, що виділяється; знижує ефективність і надійність більшості оптоелектронних приладів. Відмітимо, що в окремих експериментальних зразках лазерів, світлодіодів, фотоприймачів вдається отримувати внутрішній ККД, властивий активній області напівпровідниковій структурі, близьким до 100°, що свідчить про принципову можливість подолання даного недоліку.
Гібридність. Складові ОЕ-го пристрою, окремі елементи і прилади, як правило, виготовляються із різних матеріалів: наприклад, в оптопарі це арсенід галію (випромінювач), полімерний оптичний клей, кремній (фотоприймач); у ВОЛЗ до цих матеріалів добавляють кварц (світловод). Ще більш "строката" картина у складних оптоелектронних системах. Наявність різнорідних матеріалів обумовлює: низький ККД пристрою із-за поглинання у пасивних областях структур, відбиття і розсіювання на оптичних межах; зниження надійності із-за відмінності коефіцієнтів температурного розширення матеріалів, роз'юстировки при механічних впливах, складності загальної герметизації пристрою; технологічну складність та високу вартість. В традиційній мікроелектроніці ці недоліки визначили домінування монолітних інтегральних мікросхем над гібридними.
Деградація. Деградація - це зниження ефективності ОЕ – них приладів під впливом температури Т, проникаючої радіації R, а також довготривалої роботи Д. Принципова особливість ОЕ - них перетворювань і процесів розповсюдження випромінювання у речовині полягає у їх виключно високій чутливості до порушень оптичної однорідності матеріалів і навіть до субмікронних включень. До появи таких дефектів приводять Т, R і Д - дії. Практично для усіх видів випромінювачів спостерігається зменшення потужності випромінювання при підвищенні температури; у фотоприймачів зростають темнові струми та рівень шумів. Також проявляється дія проникаючої радіації (швидкі електрони, протони, α-частинки, нейтрони, γ-кванти), з тією різницею, що спричинені порушення є незворотні. Ступінь деградації фізичних властивостей ОЕ -го приладу за час тривалої роботи залежить від його технологічного удосконалення, одначе завжди неминуче помутніння оптичних середовищ і погіршення світлопропускання на межах різнорідних матеріалів.
Співставлення переваг і недоліків, значимість перших і можливість подолання (хоч би частково) других дозволяє зробити загальний оптимістичний висновок про великі можливості ОЕ - ки.
Різноманітність фізичних ефектів визначила велику кількість різних приладів ОЕ -ки. Нижче розглянуто основні із них.
Індикатори - прилади для систем візуального відображення інформації. Широко використовуються в електронних годинниках, мікрокалькуляторах, табло і приладних щитах, в дисплеях і системах людина - ЕОМ. Розвиток індикаторної техніки дозволив створити плоскі екрани телевізійного типу. Фізичну основу приладів індикаторного типу складають різні види електролюмінісценції і електрооптичні явища. В промисловості найширше представленні рідкокристалічні, напівпровідникові (світлодіоди), вакуумні люмінесцентні, газорозрядні індикатори. Ці вироби виконуються у вигляді цифрових і цифро-літерних індикаторів, багаторозрядних моно дисплеїв, універсальних інформаційних плоских екранів, що відображають цифри, літери, символи, графіки, а також рухомі двомірні картини.
Формувачі сигналів зображення (ФСЗ) чи формувачі відеосигналів (ФВС) - прилади, що призначенні для перетворення зображень в адекватну їм послідовність електричних сигналів. Використовуються в телевізійних передавачах, фототелеграфії, під час зчитування інформації на вході в ЕОМ, в приладах контролю технологічних процесів тощо. Мініатюрні твердотільні ФСЗ разом з мікропроцесорами використовуються під час розробки систем штучного бачення роботів, а в майбутньому і людини. Робота приладів базується на фізиці фотоелектричних явищ. Типовими представниками є фоточутливі прилади із зарядовим зв'язком (ФПЗЗ) - багатоелементні інтегральні фотоприймачі із вмонтованим електронним самоскануванням, що забезпечує послідовне зчитування інформації від усіх фоточутливих комірок.
Волоконно-оппшчні лінії зв'язку (ВОЛЗ) - пристрої і системи, основу яких складає гнучкий волоконно-оптичний світловод (у вигляді кабелю), зчленований з випромінювачем на передаючому кінці і з фотоприймачем - на другому. Вони виконують функції лінії зв'язку і передачі даних: це найкоротші лінії (до 1 м) для обміну інформацією у високовольтовій апаратурі; короткі бортові внутрішньо об’єктні ВОЛЗ (5...100 м); лінії середньої довжини (1...20 км, які складають основу між машинних інтегральних мереж передачі даних і розгалужених внутрішньо міських АТС; магістральні ВОЛЗ довжиною в тисячу кілометрів, у тому числі трансконтинентальні, а також підводні.
Фізичну основу ВОЛЗ складають процеси розповсюдження оптичних сигналів за волоконним світловодом, а також світло-генераційні і фотоелектричні явища у випромінювачах і приймачах. Для технічної реалізації використовують в основному надчисті кварцові світловоди, напівпровідникові гетеролазери і світлодіоди на сполуках A3B5, фотодіоди на основі кремнію та сполуках A3B5, A2B6.
Оптопари чи елементи електричної розв'язки, що представляють собою прилади, в яких світлодіодний випромінювач (вхідне коло) зв'язаний з фотоприймачем (вихідне коло) оптично і розв'язаний електрично. Оптопари широко використовуються у мікроелектронній та електротехнічній апаратурі для забезпечення електричної розв'язки при передачі інформаційних сигналів, безконтактної комунікації великострумних та високовольтних кіл, при створенні фотоприймачів, що можуть перестроюватися, в пристроях контролю і керування.
Сонячні фотоперетворювачі - напівпровідникові фотодіоди, що оптимізовані для прямого перетворення сонячного випромінювання в електричну енергію. Їх функціональне призначення не відповідає визначенню оптоелектроніки, однак історично склалось так, що стало загальноприйнятим відносити сонячні батареї до ОЕ-них приладів. Ці прилади основані на фотовольтаічному ефекті у напівпровідниках. Визначальний напрям їх конструктивно-технологічної реалізації - створення великої фоточутливої площі, досягнення високого ККД і малої вартості.
Оптична пам'ять основана на ЗП, в яких на носій записується інформація, що представлена в оптичній формі. Висока щільність запису обумовлює перспективність цих пристроїв в архівних ЗП ЕОМ та інформаційно-пошукових системах, до яких багаторазово звертається велика кількість користувачів. Додаткова перевага оптичної пам'яті - великий термін збереження інформації, підвищена швидкість інформаційного обміну, можливість запису аналогової інформації і двовимірних образів. Фізичною основою оптичної пам'яті є теплова дія на речовину лазерного променя. Досліджуються ЗП з паралельним записом масивів інформації на фотопластинках у вигляді голограм. Промисловістю випускаються оптичні дискові накопичувачі з послідовним (побітовим) записом інформації на поверхню диску, що обертається, гостро сфокусованим променем лазеру.
Оптична обчислювальна техніка - комплекс оптоелектронних апаратурних засобів, що дозволяють ефективно здійснювати математичні і логічні операції з інформацією, яка представлена в оптичній формі. Алгоритмічна основа цього напряму зв'язана зі здібністю лінійних оптичних систем здійснювати деякі аналогові математичні перетворення (двомірне інтегральне перетворення Фур'є та операцію згортки), а також паралельну обробку великих масивів цифрової інформації. Принциповим конструктивно-технологічним досягненням є інтегральна оптика, на основі якої створюються прилади і пристрої на базі тонкоплівкових плоских діелектричних хвилеводів.
Оптоелектронні датчики - прилади, що перетворюють зовнішні фізичні дії: температуру, тиск, вологість, прискорення, магнітне поле тощо, в електричні сигнали. До таких датчиків відносяться формувачі сигналів зображення і оптопари з відкритим оптичним каналом. Інтенсивний розвиток цього напряму зв'язаний з появою волоконно-оптичних датчиків, у яких зовнішні дії змінюють характеристики оптичного сигналу, що розповсюджується по волокну. Перевагою волоконно-оптичних датчиків є те, що чутливий елемент (волокно) одночасно є і каналом передачі інформації до місця її обробки.
Інші ОЕ-і прилади: дискретні світлодіоди, фотодіоди, фоторезистори, модулятори світлових променів тощо.
Св́ітло це електромагнітні хвилі видимого діапазону. До видимого діапазону належать електромагнітні хвилі в інтервалі частот, що сприймаються людським оком (7,5×1014 - 4,0×1014 Гц), тобто з довжиною хвилі від 390 до 750 нм. У фізиці термін «світло» має дещо ширше значення і є синонімом до оптичного випромінювання, тобто включає в себе інфрачервону та ультрафіолетову області спектру.
Електромагнітна хвиля – це розповсюдження електромагнітного поля (електромагнітних коливань) у просторі. Електромагнітна хвиля є плоскою поперечною хвилею. Як і будь-які інші електромагнітні хвилі світло характеризується частотою, довжиною хвилі, поляризацією та інтенсивністю. У вакуумі світло розповсюджується зі сталою швидкістю, яка не залежить від системи відліку - швидкістю світла (с=3106 м/c). Швидкість поширення світла в речовині залежить від властивостей речовини і загалом менша від швидкості світла у вакуумі. Взаємодіючи з речовиною, світло розповсюджується і поглинається. При переході з одного середовища в інше змінюється швидкість розповсюдження світла, що призводить до його заломлення. Поряд із заломленням на границі двох середовищ світло частково відбивається.
Звичайне денне світло складається з некогерентних електромагнітних хвиль із широким набором частот. Таке світло заведено називати білим. Біле світло має спектр, що відповідає спектру випромінювання Сонця. Світло з іншим спектром сприймається як кольорове. Як і будь-яка інша електромагнітна хвиля світло характеризується поляризацією. Денне світло зазвичай неполяризоване, або частково поляризоване. |
|
е
ннгенуннуекн
=
T
=
/,
E = h
= hv/,
де
- довжина хвилі;
- її швидкість;
- частота;
Е
- енергія
ЗОННА ДІАГРАМА МАТЕРІАЛІВ
Зону дозволених енергій, яка виникла з того рівня, на якому знаходяться валентні електрони в основному стані атому називають валентною зоною, вільну від носіїв зону над валентною називають зоною провідності. Залежно від заповнення валентної зони та ширини забороненої зони можливі три випадки зображені на рис.

При попаданні світла на напівпровідник скінченної товщини можливі наступні процеси: відбиття від границі розділу матеріалів, поглинання у напівпровіднику, проходження через матеріал. Коли пучок монохроматичного випромінювання проходить через речовину, то внаслідок відбиття від поверхні і поглинання в об'ємі його інтенсивність I1=IT зменшується. Якщо інтенсивність світла що падає I0, а відбитого IR то відношення R = IR/I0 називається коефіцієнтом відбиття. Відповідно відношення інтенсивності світла що пройшло IT до вхідної T = IT/I0 називається коефіцієнтом проходження світла. Залежність коефіцієнта відбиття (пропускання) від енергії світла що падає R(hv) (Т(hv)) або довжини хвилі R() (Т()) називається спектром відбиття (пропускання).
|
|
Існують такі основні механізми поглинання світла напівпровідником:
2. Домішкові поглинання. Енергія фотонів йде на іонізацію або збудження домішкових атомів. Можливе якщо E = hv>Ea(d) 3. Поглинання носіями заряду. Енергія квантів світла поглинається вільними електронами. При цьому енергія квантів світла витрачається на перенесення носіїв заряду на більш високі для них енергетичні рівні в межах відповідної дозволеної зони.
|
ЗАКОНИ ПОГЛИНАННЯ СВІТЛА
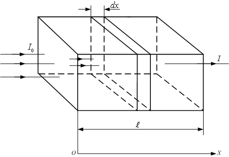
Cвітло з інтенсивністю I0 яке падає на тіло товщиною l частково відбивається від границь розділу середовищ (рис.). З урахуванням відбиття від першої поверхні у зразок пройде випромінювання з інтенсивністю (1 - R)I0. Внаслідок поглинання у шарі товщиною dx інтенсивність випромінювання I зменшиться на величину dI. Кількість поглиненої енергії dI пропорційна кількості енергії I що падає і товщині поглинаючого шару dx -dI = Idx
|
|
Коефіцієнт пропорціональності , що виражає кількість енергії поглинутої з пучка одиничної інтенсивності у шарі одиничної довжини, називається коефіцієнтом поглинання (абсорбції) світла. Проінтегровавши цей вираз отримаємо закон Бугера: I = I0exp(-l) Звідси
легко знайти інтенсивність випромінювання
що досягло другої поверхні зразка (1
- R)I0exp(-l).
Інтенсивність світла що вийшла зі
зразка дорівнює (1 - R)
(1
- R)I0exp(-l).
Якщо врахувати багаторазове повторне
відбиття світла від поверхонь отримаємо
T
= Звідси Якщо l велике, то другим доданком у знаменнику можна знехтувати тоді для інтенсивності світла що пройшло крізь зразок отримаємо I = (1-R) 2I0exp(-l) Для коефіцієнта поглинання у цьому випадку справедливе співвідношення Ламберта
= -
|
При розповсюдженні світла в прозорій речовині, змінюється його швидкість. Для характеристики оптичних властивостей середовища вводять абсолютний і відносний показники заломлення.
Абсолютним показником заломлення середовища називається величина, що дорівнює відношенню швидкості електромагнітної хвилі у вакуумі до їх фазової швидкості в середовищі:
n
= c/v = ![]()
Для
середовища, яке не має феромагнітних
властивостей n
= ![]()
Відносним показником заломлення двох середовищ називається величина, яка дорівнює відношенню показників заломлення цих середовищ: n21 = n2/n1
Відбиття світла від твердих тіл характеризується коефіцієнтом відбиття
R = IR/I0.
Коефіцієнт
відбиття пов’язаний з показником
заломлення n
і
показником поглинання (екстинції) k
формулою
Френеля
R
=
![]()
де k
=
.
.
|
|
Звідси можна знайти коефіцієнт n n
= ( Існує зв’язок між показниками заломлення та поглинання та реальною і уявною частинами діелектричної сталої матеріалу =1+2=(n+ik)2 1 = n2- k2, 2 = 2nk
|
При отриманні зв'язку коефіцієнта заломлення з довжиною хвилі у визначеній області значень користуються основами теорії гармонічних коливань, а також емпіричною формулою Друде-Фойгта.
У відповідністю з теорією гармонічних коливань коефіцієнт заломлення n можна представити у вигляді
n2
= 1 +
ln
,