Материал: fomin-n-v-sistemy-upravlenija-elekt-437151079-unlocked

Внимание! Если размещение файла нарушает Ваши авторские права, то обязательно сообщите нам

на рис.7.13. На вход РЭ подается напряжение задания номинальной ЭДС двигателя uзэн = kоэE, снимаемое с потенциометра R1 . Поскольку

при изменении направления вращения электродвигателя, изменяется полярность ЭДС (т.е. изменяется полярность напряжения обратной связи

по ЭДС uоэ = kоэEa ), то для обеспечения отрицательной обратной связи

на вход РЭ подается модуль напряжения uоэ с выхода схемы выделения модуля СВМ1. При неподвижном электродвигателе на вход РЭ поступает только напряжение задания ЭДС uзэн , под действием которого выходное

напряжение интегрального РЭ возрастает. Для того, чтобы величина магнитного потока не превысила номинальную, выход РЭ должен быть ограничен на уровне задания номинального тока возбуждения (магнитного потока), что и выполняется при помощи блока ограничения БО, включенного в цепи обратной связи РЭ.

БО

Uп

 

 

 

 

 

 

 

 

РЭ

 

 

 

 

 

 

 

 

 

 

ДУ

 

 

uзтв

 

 

 

 

uзэн

 

 

 

 

 

 

 

 

 

 

 

 

 

 

 

 

 

 

 

 

 

 

 

 

 

 

 

 

1

 

 

 

 

 

 

 

 

 

 

 

 

R1

 

 

 

 

 

 

 

 

 

 

 

 

 

 

 

 

 

÷

 

 

 

 

 

 

 

 

 

 

 

 

 

 

 

 

 

 

 

 

Tиэ p

 

 

 

 

 

 

 

 

 

 

 

 

Uп

 

 

 

 

 

 

 

uоэ

 

 

 

 

 

 

 

 

 

 

 

 

 

 

 

 

 

 

 

 

 

 

 

 

 

 

 

 

 

 

 

 

 

 

 

 

 

 

 

 

 

 

 

 

 

 

 

 

 

 

 

 

 

 

 

 

 

 

 

 

 

 

 

 

 

 

 

 

 

 

 

VD1

uсн

 

 

 

 

 

 

 

 

 

 

 

 

 

 

 

 

 

 

 

 

 

 

 

 

 

 

 

 

 

 

 

 

 

 

 

 

 

 

 

 

 

 

 

 

 

 

 

 

 

 

 

 

 

 

 

 

 

uоэ

 

 

СВМ1

 

 

 

 

 

 

 

 

 

 

 

 

 

 

R2

 

 

 

 

 

 

 

 

 

 

 

 

 

 

 

 

 

 

 

 

 

 

 

 

 

 

 

 

 

 

 

 

 

 

 

 

 

 

 

 

 

СВМ2

VD 2

 

 

 

 

 

 

(ωн )

 

 

 

 

 

 

 

 

 

 

 

 

 

 

 

 

 

 

 

 

 

 

 

 

 

 

 

 

 

 

 

 

 

 

 

 

 

 

 

 

 

 

 

 

 

 

 

 

 

 

 

 

 

 

 

 

 

 

 

 

uос

 

 

 

 

 

 

 

 

 

 

 

 

 

uос

 

 

 

 

 

 

 

 

 

 

 

 

 

 

 

 

 

 

 

 

 

 

 

 

 

 

 

 

 

 

 

 

 

 

 

 

 

 

 

 

 

 

 

 

 

 

 

 

 

 

 

 

 

 

 

 

 

 

 

 

 

 

 

 

 

 

 

 

 

 

 

 

 

 

 

 

 

 

 

 

 

 

 

 

 

 

 

 

 

 

 

 

 

 

 

 

 

 

 

 

 

 

 

 

 

 

 

 

 

 

 

 

 

 

 

 

 

 

 

 

 

 

 

 

 

 

(ω)

Рис.7.13. Функциональная схема регулятора ЭДС

Для сохранения настройки контура на МО во второй зоне регулирования на выходе РЭ устанавливают делительное устройство ДУ.

В первой зоне регулирования ( ω≤ ωн ) на делительный вход ДУ

поступает напряжение, пропорциональное величине номинальной скорости uсн = kосωн , снимаемое с потенциометра R2 , которое

271

запирает диод VD2 , поэтому происходит деление на постоянную величину, что не влияет на работу РЭ в первой зоне регулирования. Во

второй зоне регулирования

( ω > ωн ) напряжение

с выхода схемы

 

uос

 

становится больше

напряжения uсн ,

выделения модуля СВМ2

 

снимаемого с потенциометра R2 , что вызывает запирание диода VD1 , и на вход ДУ поступает напряжение, пропорциональное скорости вращения электродвигателя uос . Следовательно, во второй зоне

регулирования при помощи ДУ сохраняется настройка контура регулирования на МО при любом значении скорости электродвигателя.

Для обеспечения деления на напряжение одной и той же полярности при любом направлении вращения электродвигателя применяют СВМ2, через который проходит сигнал напряжения обратной связи по скорости.

Если датчик ЭДС будет представлен инерционным звеном с передаточной функцией:

Wдэ (p) =

kоэ

 

,

(7.15)

Tдэp +1

 

 

 

то в этом случае передаточная функция регулятора ЭДС с учетом постоянной времени Тдэ , примет вид:

W

(p) =

 

kоф

 

 

 

ω

=

1

1

 

 

 

 

 

 

 

н

 

 

 

 

.

(7.16)

2(2T

+ T

pk

 

 

T/

p ω*

рэ

 

оэ

ω ω

 

 

 

 

 

µв

дэ)

 

 

н

 

иэ

 

 

 

 

 

Для обеспечения надежной работы РЭ при переходе во вторую зону регулирования рекомендуется принимать максимальные напряжения задания ЭДС и обратной связи по ЭДС на уровне 7…9 В,

чтобы выполнялось следующее условие: uзсmax > uзэmax .

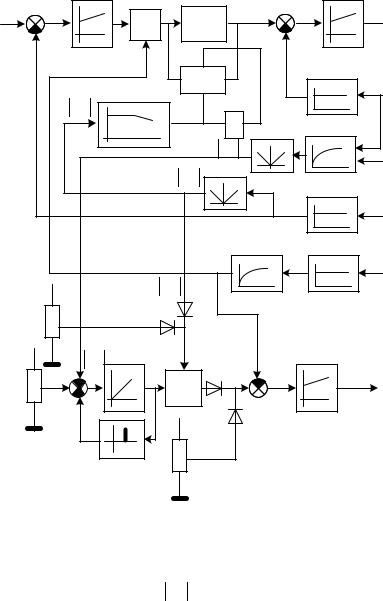
В качестве примера на рис.7.14 показана функциональная схема двухзонной системы регулирования скорости электродвигателя. Контур регулирования скорости изменением подводимого к якорю электродвигателя напряжения включает в себя внутренний контур

272

регулирования якорного тока с ПИ регулятором тока РТ и внешним контуром регулирования скорости с ПИ регулятором скорости РС. Для сохранения настройки контура регулирования скорости во второй зоне регулирования на выходе РС установлено делительное устройство ДУ1, а также реализовано зависимое от скорости вращения токоограничение при помощи промежуточного усилителя ПУ, блока ограничения БО1 и нелинейного элемента НЭ, моделирующего эксплуатационную характеристику электродвигателя.

273

uзс

РС

uрс ДУ1

 

 

 

 

 

 

РТ

 

 

 

 

 

uзт

 

U

uос

 

÷

 

ПУ

 

 

 

 

 

uоп

 

 

 

 

 

 

uот

ДТ

 

 

 

 

 

БО1

 

 

 

 

 

НЭ

 

 

Uогр

 

I

 

uос

 

 

 

 

 

 

 

 

 

 

 

 

-1

 

 

ДЭ

 

 

 

 

+ Uогр

СВМ1

 

 

 

 

uоэ

 

 

 

 

 

 

 

 

 

 

 

 

 

 

 

uос

СВМ2

 

 

ДН

 

 

 

 

 

 

 

uос

 

 

 

 

 

 

 

 

 

 

 

 

 

 

 

 

uоп

 

ФП

 

ДТВ

 

 

 

 

 

 

 

 

 

I

 

Uп

 

uос

 

 

 

 

 

 

R2

uсн

 

VD1

 

VD 2

 

 

 

 

Uп

uоэ

РЭ

ДУ 2

 

VD 3uзп

uоп

РТВ

R1

uзэн

 

÷

 

 

Uув

 

 

 

 

 

 

 

 

 

 

 

 

 

 

 

 

 

 

 

Uп

 

 

VD 4

 

 

 

БО2

 

R3

 

uзпmin

 

 

 

 

 

 

 

 

 

 

 

 

Рис.7.14. Функциональная схема двухзонной СУЭП

 

При помощи схемы выделения модуля сигнала СВМ2 формируется модуль напряжения uос для обеспечения нормальной работы при различном направлении вращения электродвигателя, которое

274

поступает на вход нелинейного элемента НЭ и делительного устройства ДУ2 на выходе регулятора ЭДС РЭ.

В контур регулирования скорости вращения изменением величины магнитного потока входят внутренний контур регулирования магнитного потока, состоящий из ПИ регулятора тока возбуждения РТВ (регулятора

магнитного потока). На вход РТВ при помощи диодов VD3 и VD4 подается большее из напряжений: или напряжение задания величины номинального магнитного потока uзп или напряжение, снимаемое с потенциометра R3 , задания минимальной величины

магнитного потока uзпmin , что исключает снижение магнитного потока

меньше минимального значения. При помощи датчика тока возбуждения ДТВ и функционального преобразователя ФП выделяется напряжение

обратной связи по величине магнитного потока uоп , которое подается на

вход РТВ и на вход делительного устройства ДУ1, изменяя настройку контура регулирования скорости при ослаблении магнитного потока.

Внешним контуром регулирования является контур регулирования ЭДС. На вход И регулятора ЭД С РЭ с потенциометра R1 подается постоянное по величине напряжение задания номинальной ЭДС электродвигателя uзэн . Сигнал обратной связи по ЭДС uоэ выделяется с

помощью датчика ЭДС ДЭ и схемы выдел ения модуля СВМ1. Выход РЭ ограничен при помощи блока ограничения БО2 на уровне задания номинального магнитного потока. На выходе РЭ включено делительное устройство ДУ2 для сохранения настройки контура регулирования ЭДС во второй зоне регулирования. На вход ДУ2 при помощи диодов

VD1 и VD2 подается

больший из сигналов:

задания

номинальной

скорости вращения

uсн с

потенциометра R2

и модуль

напряжения

обратной связи по скорости

 

uос

 

.

 

 

 

 

 

 

Рассмотрим работу двухзонной СУЭП при следующих параметрах, выраженных в относительных единицах (по отношению к номинальным

величинам): величина динамического момента М*дин = 0,7; максимальная скорость вращения ω*max = 1,5; при скорости ω* = 0,5

происходит наброс момента сопротивления М*с = 0,5 при разгоне и сброс этого момента при торможении. Рассчитаем остальные величины,

275