Материал: fomin-n-v-sistemy-upravlenija-elekt-437151079-unlocked

Внимание! Если размещение файла нарушает Ваши авторские права, то обязательно сообщите нам

7.2.1. Настройка контура регулирования тока возбуждения (магнитного потока)

Контур регулирования тока возбуждения (магнитного потока) является внутренним контуром регулирования. Структурная схема контура регулирования тока возбуждения представлена на рис.7.9. В контур регулирования тока возбуждения входят регулятор тока возбуждения РТВ, тиристорный возбудитель ТВ с коэффициентом

передачи kв и минимальной постоянной времени Tµв , объект

регулирования (обмотка возбуждения) ОВ и цепь отрицательной обратной связи по току возбуждения с безинерционным датчиком тока возбуждения ДТВ.

Коэффициент пропорциональности между током возбуждения и напряжением uотв обратной связи по току возбуждения (напряжением

задания тока возбуждения uзтв ) получил название коэффициента

обратной связи по току возбуждения:

kотв

= uотвmax = uзтвmax

=

(8 -10)В ,

(7.4)

 

Iвmax

Iвmax

 

Iвн

 

где Iвmax = Iвн - максимальное

значение

тока возбуждения,

обычно

принимаемое за номинальное, т.к. в большей величине тока возбуждения нет необходимости; А.

Тиристорный возбудитель ТВ выбирается с учетом обеспечения максимального быстродействия контура регулирования тока возбуждения (потока) с коэффициентом форсировки α = 2…4, для чего применяют ТВ с максимально возможным выпрямленным напряжением

440 – 460 В.

261

uзтв

 

РТВ

Uув

 

ТВ

E

ОВ

Iв

 

Wртв (p)

 

kв

Ткр +1

 

 

 

Тµвр +1

Rв (ТвΣр +1)

 

 

 

 

 

 

 

uотв

 

 

 

ДТВ

 

 

 

 

 

 

 

 

kотв

 

 

 

 

 

 

 

 

а)

 

 

 

uзп

РП

ТВ

E

 

Iв

 

kв

 

 

Ткр +1

1

 

Wрп (p)

 

 

 

 

 

Тµвр +1

Rв (ТвΣр +1)

Ткр +1

 

 

uопДМП

 

 

ФП

Ф

 

ДТВ

 

 

 

 

 

 

1

 

kотв

 

 

 

uоф

 

Ткр +1

 

 

 

 

 

 

kоф

 

 

 

 

 

 

б)

 

 

 

 

 

 

 

 

 

 

 

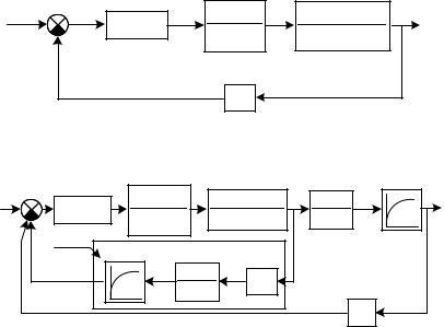
Рис.7.9. Структурная схема контура регулирования тока

 

возбуждения (а) и магнитного потока (б)

 

Объектом регулирования в контуре регулирования тока возбуждения является обмотка возбуждения с передаточной функцией

Wор1(p) =

Tкp +1

,

(7.5)

Rв (TвΣp +1)

 

 

 

где Tк - электромагнитная постоянная времени контура вихревых токов, с;

TвΣ = Tов + Lтв / Rтв + Tк Tов + Tк -

суммарная

электромагнитная постоянная времени цепи возбуждения, с;

Tов - электромагнитная постоянная времени обмотки возбуждения,

с;

262

Lтв - индуктивность тиристорного возбудителя, Гн;

Rтв - активное сопротивление тиристорного возбудителя, Ом;

Rв = Rов + Rтв Rов - активное сопротивление цепи возбуждения, Ом;

Rов - активное сопротивление обмотки возбуждения, Ом.

Электромагнитная постоянная времени обмотки возбуждения двигателя рассчитывается по формуле:

 

L

ов

 

2p

w2

dФ Ф

н

(σ

н

1)

 

 

Tов =

 

=

 

п

 

в

 

 

+

 

 

,

(7.6)

R

ов

R

ов

a2

 

dF

 

F

 

 

 

 

 

в

 

 

 

 

н

 

 

 

где pп – число пар главных полюсов электродвигателя,

aв – число параллельных ветвей обмотки возбуждения;

Rов - активное сопротивление обмотки возбуждения, приведенное к рабочей температуре, Ом;

Фн ,Fн – номинальный магнитный поток и намагничивающая сила, приходящиеся на один главный полюс двигателя, соответственно, Вб, А;

σн =(1,1…1,2) – коэффициент рассеяния;

wв – число витков обмотки возбуждения, приходящееся на один главный полюс электродвигателя.

При учете контура вихревых токов постоянная времени Tк принимается равной:

Tк = (0,1...0,15)Tов .

(7.7)

Если подойти к настройке контура регулирования тока возбуждения так же, как это рассматривалось при реализации контура регулирования якорного тока в 5.1, то в этом случае передаточная

263

функция регулятора тока возбуждения будет определяться в соответствии со структурной схемой на рис.7.9,а выражением:

Wртв (p) =

TВ p +1

 

1

 

.

(7.8)

2T

kвkотв

p

 

T p

+1

 

 

 

 

 

 

 

к

 

 

 

 

µв RВ

 

 

 

 

 

 

При получившейся передаточной функции (7.8) затрудняется техническая реализация как самого регулятора тока возбуждения, так и контура регулирования ЭДС.

Поэтому на практике поступают следующим образом: в цепь обратной связи по току возбуждения вводят фильтр Ф с постоянной

времени контура вихревых токов Tк и нелинейный элемент

(функциональный преобразователь) ФП, моделирующий кривую намагничивания двигателя (рис.7.9,б) (данные элементы образуют датчик магнитного потока ДМП). В этом случае сигнал обратной связи с выхода ФП оказывается пропорциональным величине магнитного потока двигателя, что позволяет перейти к регулированию магнитного потока

(обратная связь с коэффициентом kоф по величине магнитного потока

показана пунктирной линией на рис.7.9,б) и регулятор тока возбуждения становится регулятором магнитного потока.

Коэффициент обратной связи по магнитному потоку рассчитывается по следующему выражению:

kоф =

uофmax

=

(8 10)В

.

(7.9)

н

н

 

 

 

 

Поскольку магнитный поток при регулировании изменяется от номинального значения до минимального, то для упрощения реализации регулятора потока можно линеаризовать кривую намагничивания

двигателя, введя коэффициент линеаризации kf , равный:

kf =

(kФ)

=

k(Фн Фmin )

,

(7.10)

Iв

Iвн Iв min

 

 

 

 

 

264

 

 

 

где Iвн н - номинальный ток возбуждения и соответствующий ему магнитный поток, А, Вб;

Iвmin min - минимальный ток возбуждения и соответствующий ему магнитный поток, А, Вб.

Тогда передаточная функция регулятора тока возбуждения (регулятора магнитного потока) будет иметь следующий вид:

Wрп (p) =

 

TВ p +1

.

(7.11)

2T

 

kвkf kоф

p

 

 

 

 

 

 

 

 

 

µв

RВ

 

 

 

 

 

 

 

Т. е. регулятор получился пропорционально – интегральным, реализация которого не вызывает затруднения. В этом случае на МО настраивается контур регулирования магнитного потока, следовательно, магнитный поток будет иметь оптимальный переходный процесс для первого контура регулирования в соответствии с таблицей 1.

Если принять коэффициенты пропорциональности kf и обратной связи по потоку kоф равными следующим выражениям:

kоф =

Uоф max

; kf =

н ,

н

 

 

 

Iвн

то в этом случае их произведение равно значению коэффициента обратной связи по току возбуждения:

kофkf

=

Uоф maxн

=

(8

10)В

= kотв ,

(7.12)

нIвн

 

Iвн

 

 

 

 

 

 

и передаточная функция регулятора тока возбуждения (7.11) будет

равна:

265