Материал: fomin-n-v-sistemy-upravlenija-elekt-437151079-unlocked

Внимание! Если размещение файла нарушает Ваши авторские права, то обязательно сообщите нам

постоянным временем торможения). Для обеспечения временных задержек применяют реле времени: электромагнитные,

пневматические или электронные.

Рассмотрим узел пуска электродвигателя в две ступени в функции времени (рис. 1.4). В данной схеме использованы два (по числу пусковых ступеней) электромагнитных реле времени КТ1 и КТ2, которые управляют работой контакторов ускорения КМ1 и КМ2.

В исходном состоянии схемы, когда подано напряжение UП в оперативные цепи (цепи управления), ток протекает через размыкающий контакт контактора КМ, катушку реле времени КТ1 и реле КТ1 срабатывает (втягивается), размыкая свой контакт в цепях катушек контакторов ускорения КМ1 и КМ2, обеспечивая тем самым включение в силовой цепи пусковых резисторов R1 и R2.

Рис. 1.4. Схема управления пуском двигателя в функции времени

Для пуска электродвигателя, необходимо нажать на кнопку SB2 («Пуск»), обеспечивая протекание тока по катушке линейного контактора КМ, который срабатывает и силовым контактом подключает напряжение силовой цепи к якорю двигателя с введенными пусковыми резисторами R1 и R2. Вспомогательный замыкающий контакт (блок – контакт)

21

контактора КМ в цепи управления шунтирует кнопку SB2, после чего кнопку можно отпустить, т.к. ток теперь протекает через контакт КМ. Размыкающий контакт КМ в цепи катушки реле КТ1 размыкается, обесточивая катушку КТ1, и реле времени КТ1 начинает «отсчет» выдержи времени. При этом происходит разгон двигателя по реостатной характеристике 1 (рис. 1.3) с введенными пусковыми резисторами R1 и R2. Якорный ток, протекая через резистор R1, создает на нем падение напряжения, достаточное для срабатывания реле времени КТ2. Поэтому, контакт КТ2 в цепи питания катушки контактора КМ2 размыкается, предотвращая включение контактора КМ2. По истечении выдержки времени реле КТ1, его контакт в цепи катушек КМ1 и КМ2 замыкается, по катушке КМ1 протекает ток, КМ1 срабатывает и своим замыкающим контактом в силовой цепи шунтирует (выводит) пусковой резистор R1. Двигатель переходит на вторую реостатную характеристику и продолжает разгоняться (рис. 1.3). Контакт КМ1 замыкает накоротко катушку реле времени КТ2, поэтому магнитный поток реле времени КТ2 будет спадать медленно, обеспечивая необходимую выдержку времени. После завершения выдержки времени КТ2 оно отпадет и своим контактом подключит напряжение к катушке контактора КМ2. Контактор КМ2 втягивается, шунтирует пусковой резистор R2, выводя двигатель на естественную характеристику.

В данном примере представлен словесный алгоритм работы РКСУ. Наряду с ним на практике используют символические, аналитические и графические способы описания работы РКСУ [2].

Для символического описания работы РКСУ предварительно вводятся символы, обозначающие соответствующие воздействия в аппаратуре. Например, если обозначить горизонтальной стрелкой → воздействие одного аппарата на другой, изменяющее состояние системы, а вертикальными стрелками ↑ и ↓ соответственно включение и отключение аппаратов, то описание работы ранее рассмотренной схемы будет более компактным.

UП→ КТ1↑

SB2↑→КМ↑→ пуск по хар-ке 1 →КТ2↑

└→КТ1↓→(Δt) →КМ1↑→(R1↓) пуск по хар-ке 2

└→КТ2↓→(Δt)→КМ2↑→(R2↓) пуск по

естественной хар-ке

Продолжительность работы двигателя на пусковой (тормозной) i – той характеристике определяется выражением:

22

t

= T

ln

I1 IC

= T

ln M1 MC

 

i

мi

 

I2 IC

мi

M2 MC

 

 

 

 

Зная время работы электродвигателя на i – той характеристике,

можно определить время выдержки (уставки) реле времени tустКТi в соответствии с уравнением:

tустКТi = ti tсрКМi

где tсрКМi

- время срабатывания контактора ускорения для i – той

характеристики.

 

Например,

если t1 = 1,5 с, t 2 = 0,8 с, время срабатывания

контакторов ускорения tсрКМ1 = tсрКМ2= 0,22 с, то tустКТ1= 1,5 - 0,22= 1,28 с,

а tустКТ2= 0,8 – 0,22 = 0,58 с.

Достоинствами данного способа управления являются:

-простота и надежность;

-удобство регулирования уставок реле времени;

-возможность применения однотипных серийных реле времени;

-время пуска практически не изменяется при изменении момента нагрузки на валу двигателя и напряжения питающей сети;

-всегда обеспечивается вывод на естественную характеристику.

К недостаткам можно отнести изменение выдержки времени при нагреве катушек реле времени.

Принцип управления пуском двигателя в функции времени, благодаря своим достоинствам, получил преимущественное применение

вобщепромышленных электроприводах.

1.4.Управление пуско – тормозными режимами в функции скорости

(ЭДС)

Данный способ пуска требует контроля скорости двигателя с последующим автоматическим воздействием на контакторы ускорения. Скорость вращения электродвигателя можно измерять, например, при помощи тахогенератора, соединенного с валом двигателя. Однако этот вариант для простой схемы управления не является достаточно экономичным и надежным. Поэтому на практике скорость двигателя

23

контролируется косвенным путем: через ЭДС для машин постоянного тока или через ЭДС и частоту тока в роторе для машин переменного тока.

Контролировать через ЭДС скорость двигателя постоянного тока можно благодаря тому, что при постоянном магнитном потоке в якоре наводится ЭДС, пропорциональная скорости вращения. Катушки реле (или контакторов) в этом случае можно включить на напряжение якоря двигателя, которое превосходит ЭДС только на величину падения напряжения в якоре.

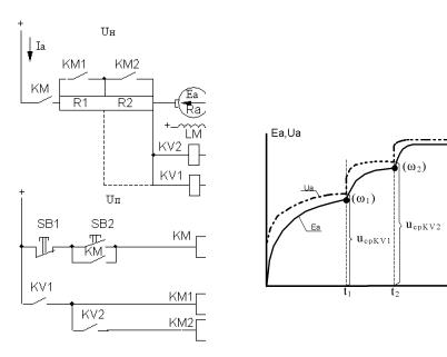
На рис. 1.5,а изображен узел схемы пуска двигателя постоянного тока в функции скорости (ЭДС), а на рис. 1.5,б – переходные процессы изменения ЭДС и напряжения на якоре двигателя во времени.

а)

б)

Рис. 1.5. Схема пуска двигателя в функции скорости (а) и переходные процессы при пуске (б)

Реле напряжения KV1 и KV2, включенные параллельно якорю двигателя, настроены на определенное значение напряжения срабатывания (втягивания). Пуск двигателя начинается после нажатия

24

кнопки SB2 («Пуск») и включения линейного контактора КМ. В начале пуска напряжение на якоре двигателя мало, т.к. при неподвижном двигателе его ЭДС равна нулю и напряжение будет определяться

падением напряжения на якоре Ua = I1Ra .

По мере увеличения скорости двигателя его ЭДС возрастает (пуск по характеристике 1 на рис. 1.3), и при скорости двигателя, равной ω1, напряжение на катушке реле KV1 станет равным напряжению срабатывания реле KV1 (рис.1.5,б):

uсрKV1 = ω1 + I2Ra .

Реле KV1 втягивается и своим замыкающим контактом подключает питание к катушке контактора KM1. Контактор KM1 срабатывает и шунтирует пусковой резистор R1. Двигатель переходит на вторую характеристику, ток возрастает скачком до величины I1, двигатель продолжает разгон. При достижении скорости ω2, напряжение на катушке реле KV2 достигает величины срабатывания

uсрKV2 = ω2 + I2Ra ,

реле KV2 втягивается, подключая напряжение к катушке контактора KM2. Контактор KM2 срабатывает, шунтирует пусковой резистор R2, двигатель переходит на естественную характеристику и разгоняется до установившейся скорости, определяемой величиной нагрузки на валу.

Как видно при таком пуске uсрKV2 > uсрKV1, что требует

различной регулировки реле. Последний недостаток можно несколько сгладить, если катушку KV1 подключить на резистор R2 и якорь двигателя (пунктирная линия на рис. 1.5); в этом случае

uсрKV1 = ω1 + I2 (R2 + Ra) uсрKV2 .

Либо для подстройки напряжения срабатывания реле последовательно с катушкой включают регулировочный резистор.

25