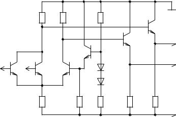
Источник опорного напряжения собран на транзисторе VT4. Схема эта представляет собой эмиттерный повторитель. Делитель, состоящий из резисторов R5, R6 и диодов VD1 и VD2, обеспечивает постоянное напряжение на базе транзистора, а следовательно, ток через транзистор также будет постоянным и падение напряжения на резисторе R4 будет постоянным. Это напряжение и подаётся на базу транзистораVT3 как опорное. Диоды VD1, VD2 предназначены для температурной стабилизации работы схемы.
3) Базовый элемент ЭСЛ серии К500.
Недостатком рассмотренной выше схемы является малый коэффициент разветвления по выходу. Для увеличения его на выходе схемы включают эмиттерные повторители. В результате мы получили базовый элемент ЭСЛ.
|
|
R1 |
R3 |
R5 |
|
|
|
|
|
|
|
|
VT6 |
|
|
|
VT4 |
|
VT5 |
Y1 |
|
|
|
|
|
|
|
|
VT1 |
|
VT3 |
|
|
Y2 |
X1 |
X2 |
VT2 |
|
VD1 |
|
|
|
|
|
||||
|
|
|
|
|
||
|
|
|
|
VD2 |
|
|
|
|
R2 |
R4 |
R6 |
R7 |
R8 |
|
|
|
|
|
|
-Uип |
|
|
|
Рис. 213 |
|
|
|
Аналоговые электронные устройства Классификация и основные технические показатели усилителей
1)Классификация усилителей.
2)Основные технические показатели усилителей.
3)Характеристики усилителей.
1) Классификация усилителей.
Устройство, предназначенное для усиления электрических сигналов, называется электронным усилителем.
Основной классификацией усилителей является классификация по диапазону усиливаемых частот.
1.Усилители низкой частоты (УНЧ) – диапазон усиливаемых частот от 10Гц до 100кГц.
2.Усилители высокой частоты (УВЧ) – диапазон усиливаемых частот от 100кГц до 100МГц.
3.Усилители постоянного тока (УПТ). Они могут усиливать постоянный ток. Диапазон усиливаемых частот от 0Гц до 100кГц.
4.Импульсные усилители (ИУ) – широкополосные импульсные- и видеоусилители. Частотный диапазон усиливаемых частот от 1кГц до 100кГц.
5.Избирательные, или резонансные усилители – это усилители, работающие в узком диапазоне частот.
Е.А. Москатов. Стр. 81
2)Основные технические показатели усилителей.
1.Коэффициент усиления.
Кn Uвых
Uвх
Если коэффициент усиления недостаточен, применяются многокаскадные усилители.
Uвх |
|
Uвых |
К1 |
К2 |
Кn |
Рис. 214
В многокаскадных усилителях общий коэффициент усиления равен произведению коэффициентов усиления каждого каскада.
2. Входное и выходное сопротивление. Эквивалентную схему усилителя можно представить следующим образом.
Ri Rвых
Uвх |
Rвх |
Uвых |
Rн |
|
Усилитель
Рис. 215
Задача передачи максимальной энергии от источника сигнала на вход усилителя, а также с выхода усилителя на нагрузку называется согласованием. Для оптимального согласования входное сопротивление усилителя должно быть как можно больше, т. е. значительно больше внутреннего сопротивления источника сигнала, а выходное сопротивление значительно меньше сопротивления нагрузки. Вопросы согласования возникают и в многокаскадных усилителях. Если два усилительных каскада не согласованы между собой по входному и выходному сопротивлению, то между ними ставится эмиттерный повторитель, имеющий очень большое входное и малое выходное сопротивление.
3.Выходная мощность и КПД усилителя. Выходная мощность может быть определена по формуле:
Pвых Uвых2
Rн
Значительно увеличить выходную мощность усилителя нельзя, т. к. при большом выходном напряжении появляются искажения усиливаемого сигнала за счёт нелинейности характеристик усилительных элементов. Поэтому вносится понятие номинальной выходной мощности. Это наибольшая выходная мощность, при которой сигнал не искажается.
КПД усилителя можно определить по следующей формуле:
ηPPвыхист 100%
4.Уровень собственных шумов состоит из следующих составляющих:
Тепловые шумы при нагревании сопротивлений, ёмкостей.
Шумы усилительных элементов.
Шум за счёт пульсаций источника питания.
5.Диапазон усиливаемых частот (полоса пропускания усилителя). Это полоса частот, в которой выходное напряжение уменьшается не более чем до 0,7 своей максимальной величины.
6.Искажения усилителя возникают за счёт нелинейности характеристик транзисторов. Искажения происходят за счёт появления в спектре сигнала высших гармонических со-
Е.А. Москатов. Стр. 82
ставляющих, и характеризуется коэффициентом нелинейных искажений (или коэффициент гармоник).
Кг |
|
U 2 2 |
U 3 2 |
Un |
2 |
100% |
|
|
U 1 |
|
|
||
|
|
|
|
|
|
3) Характеристики усилителей.
1. Амплитудная характеристика – это зависимость амплитуды выходного сигнала от амплитуды входного сигнала (смотрите рисунок 216). Uвых = f (Uвх).
Uвых |
|
Uвых.max |
|
Uвых.min |
Uвх |
|
|
Uвх.min |
Uвх.max |
Рис. 216 |
|
2. Динамический диапазон:
Д 20 lg Uвх.max дБ Uвх.min
3. Амплитудно-частотная характеристика (АЧХ) представляет собой зависимость амплитуды выходного сигнала от частоты при постоянной амплитуде входного сигнала.
Uвх = f (F) при Uвх = Const.
Часто АЧХ представляют в виде зависимости Кn f (F) приUвх Const |
|
Кu |
|
Кmax |
|
0,7 Кmax |
|
2 f |
F |
Рис. 217 |
|
4.Зависимость коэффициента усиления от частоты характеризуется коэффициентом частотных искажений. Коэффициент частотных искажений для низких частот определяется соотношением:
Mнч |
Kу.ср |
|
|
|
Kу.н |
|
|
Коэффициент частотных искажений для высоких частот определяется соотношением: |
|||
Mвч |
Kу.ср |
|
|
|
Kу.в |
|
|
Кu |
|
|
|
Кmax |
|
|
|
0,7 Кmax |
|
|
|
Кнч |
Ксрч |
Квч |
|
|
|
Рис. 218 |
F |
5.В радиотехнике часто применяют нормированные АЧХ. Нормированная АЧХ представляет собой следующую зависимость:
Е.А. Москатов. Стр. 83
Ku |
|
f (F ) приUвх Const |
Ku.max |
||
Ku |
|
|
Ku.max |
|
|
1 |
|
|
|
|
F |
|
|
Рис. 219 |
6.Фазовая характеристика – это зависимость разности фаз между входными и выходными сигналами от частоты. φ = f (F).
ϕ
F
Рис. 220
Питание цепи базы транзисторов и температурная стабилизация рабочей точки
1)Питание цепи базы транзистора по схеме с фиксированным током базы.
2)Питание цепи базы транзистора по схеме с фиксированным напряжением базы.
3)Температурная стабилизация (термостабилизация) рабочей точки при помощи терморезистора и полупроводникового диода.
4)Термостабилизация рабочей точки при помощи отрицательной обратной связи (ООС) по постоянному напряжению.
5)Термостабилизация рабочей точки при помощи ООС по постоянному току.
1) Питание цепи базы транзистора по схеме с фиксированным током базы. В
практических схемах включения с ОЭ и ОК источник питания базы Eб не применяется, а цепь базы питается от коллекторного напряжения Eк при помощи дополнительных элементов схемы. Наиболее простой является схема питания цепи базы с «фиксированным током базы» (смотрите рисунок 221).
|
+ |
|
|
Rб Rк |
Eк |
|
+ |
|
- |
Rб |
|
|
Eк |
||
Cр2 |
|
||
Cр1 |
|
U0 |
- |
VT1 |
Uвых |
Uбэ |
|
Uv1 |
|
||
|
rэ |
|
|
Рис. 221 |
|
Рис. 222 |
|
Е. А. Москатов. Стр. 84
В данной схеме базовая цепь представляет собой делитель напряжения (смотрите рисунок 222), состоящий из Rб и сопротивления эмиттерного перехода транзистора VT1 rэ.
Ток базы Iб0, соответствующий выбранному положению рабочей точки, будет протекать через эмиттерный переход, создавая на нём падение напряжения Uбэ, которое и является исполнителем функции источника Eб. Из второго закона Кирхгофа получаем:
Eк = URб + Uбэ;
Eк = Rб ∙ Iб0.
В символе «Iб0» ноль соответствует рабочей точке.
Rс= Eк−Uбэ ;
Iб0
Eк >> Uбэ;
Rб ≈ Eк ∙ Iб0.
Недостаток данной схемы: не может работать в широком диапазоне температур, т. к. сопротивление эмиттерного перехода rэ очень сильно зависит от температуры. Несколько лучше работает схема с фиксированным напряжением базы.
2) Питание цепи базы транзистора по схеме с фиксированным напряжением базы.
|
+ |
|
|
|
Rб' Rк |
Eк |
|
+ |
|
|
- |
Rб' |
||
|
Eк |
|||
Cр2 |
|
|||
|
|
- |
||
Cр1 |
|
|
||
|
|
|
||
VT1 |
Uвых |
Rб'' |
rэ |
|
Uv1 Rб'' |
||||
|
|
|
||
Рис. 223 |
|
Рис. 224 |
||
В данной схеме делитель напряжения состоит из резистора Rб` и Rб``, включённого параллельно сопротивлению эмиттерного перехода rэ.
Eк = URб` + URб``; URб` = Rб` ∙ (Iб0 ∙ Iд);
Iд – ток, проходящий через делитель напряжения.
URб`` = Uбэ;
Eк = Rб` ∙ (Iб0 ∙ Iд) + Uбэ;
Rб ' = Eк−Uбэ ;
Iб0 Iд
Eк >> Uбэ;
Iд = (3 - 5) ∙ Iб0;
Uбэ = Iд ∙ Rб``;
Rб ' ' =UбэIд
Напряжение Uбэ находится из входной характеристики транзистора по заданному току базы. Данная схема в диапазоне температур работает лучше, чем схема с фиксированным током базы, однако для нормальной её работы необходима температурная стабилизация.
3) Температурная стабилизация (термостабилизация) рабочей точки при помощи терморезистора и полупроводникового диода.
При нагревании рабочая точка смещается по нагрузочной прямой, что приводит к увеличению коллекторного тока Iк и уменьшению напряжения Uкэ (смотрите рисунок 225). Это равносильно приоткрыванию транзистора. Поэтому основной задачей температурной стабилизации яв-
Е. А. Москатов. Стр. 85