Материал: Электроника

Внимание! Если размещение файла нарушает Ваши авторские права, то обязательно сообщите нам

ТТЛ с открытым коллектором применяется для подключения элементов индикации (миниатюрные лампы накаливания, светодиоды, семисегментные индикаторы [один сегмент]).

2) ТТЛ с Z-состоянием. Третьим, или Z-состоянием называется запрет приёма информации, при котором выходное сопротивление логического элемента стремится к бесконечности, а выходной ток – к нулю.

 

 

 

 

 

+

 

 

R1

R2

R4

Uип

 

 

 

-

 

 

 

 

 

 

 

VT1

A

VT3

 

X1

 

 

VT2

VD2

Y

 

 

 

X2

 

 

 

VT4

 

 

DD1

VD1

 

 

Eo

 

 

 

1

 

R3

 

 

 

 

 

 

 

 

 

 

 

 

 

 

 

 

 

 

X1

 

X2

 

Y

 

 

 

 

 

 

 

 

 

 

 

 

0

 

0

 

0

 

1

0

 

0

 

1

 

1

0

 

1

 

0

 

1

0

 

1

 

1

 

0

1

 

0

 

0

 

Z

1

 

0

 

1

 

Z

1

 

1

 

0

 

Z

1

 

1

 

1

 

Z

 

 

 

 

 

 

 

 

 

Рис. 189

Рис. 190

Если на запрещающий вход с инверсией подать логический ноль, то на выходе инвертора DD1 установится высокий уровень логической единицы, диод VD1 закроется, что равносильно разрыву цепи, и схема будет работать как базовый элемент ТТЛ, выполняющий функцию И- НЕ. При подаче на запрещающий вход логической единицы на выходе инвертора DD1 будет логический ноль, и диод VD1 откроется. Точка «А» схемы окажется под напряжением близким к нулю, т. е. под напряжением логического нуля выходного сигнала инвертора DD1. Это приведёт к тому, что транзистор VT3 закроется. Ток через транзистор VT2, а следовательно, в базе VT4, будет близок к нулю, и транзистор VT4 тоже закроется. Таким образом, оба транзистора – и VT3 и VT4 - будут одновременно закрыты при любых состояниях на информационных входах X1 и X2. Это и является Z-состоянием схемы.

3)ТТЛШ.

Кодному из недостатков ТТЛ можно отнести сравнительно невысокое быстродействие. Это объясняется тем, что при переключении транзистора из режима насыщения в режим отсечки база транзистора оказывается насыщенной неосновными носителями заряда. И коллекторный ток транзистора будет продолжать течь до тех пор, пока неосновные носители заряда не перейдут из базы в коллектор. Для повышения быстродействия в ТТЛШ между базой и коллектором транзистора включают быстродействующий переход Шоттки. В этом случае неосновные носители будут переходить из базы в коллектор не через коллекторный p-n переход, а через переход Шоттки (смотрите Рис. 192).

На принципиальных схемах транзистор с переходом Шоттки обозначается следующим образом:

Э

 

-

 

К

-

-

-

 

 

 

 

p -

n

 

=

Б

 

Рис. 191

Рис. 192

 

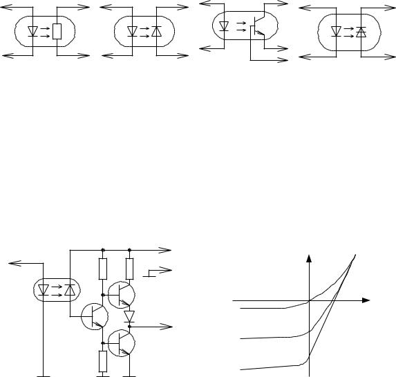
4) Оптоэлектронные ИМС.

Оптроном, или оптоэлектронной парой называется устройство, состоящее из светоизлучателя, фотоприёмника и оптически прозрачной среды между ними.

Светоизлучателем служит излучающий диод, фотоприёмником может служить фоторезистор, фотодиод, фототранзистор, поэтому оптроны называют резисторными, транзисторными, диод-

Е. А. Москатов. Стр. 76

ными, симисторными, динисторными. Основная задача оптрона – обеспечить передачу информации без электрической связи между входом и выходом.

УГО оптронов изображено на рисунках 193 – 196.

Рис. 193

Рис. 194

Рис. 195

Рис. 196

На рисунке 193 изображён резисторный оптрон, на 194 – диодный, на 195 – транзисторный и на рисунке 196, соответственно, динисторный.

Маркировка оптронов.

 

А

О

Д

103

А

 

1

2

3

4

5

Расшифровывается маркировка так:

1

группа – материал полупроводника. Буква «А» означает арсенид галлия.

2

группа. Буква «О» означает, что мы имеем дело с оптроном.

3

группа. Тип оптрона по виду фотоприёмника. «Д» – диодный оптрон, «У» – тиристорный.

4

группа – группа по электрическим параметрам.

5

группа – модификация прибора в четвёртой группе.

В цифровых ИМС применяют диодные оптроны (смотрите рисунок 197).

X1

 

+

 

I

R3

Uип

 

R1

 

VD1

 

-

 

 

 

 

 

 

VT1

VT2

 

 

 

 

 

 

 

 

VD2

Y

Ф=0

U

 

VT3

 

Ф1>0

 

R2

 

 

Ф2>Ф1

 

 

 

 

 

Рис. 197

 

 

 

Рис. 198

Принцип действия.

При подаче на вход логического нуля ток через светодиод не протекает, светодиод не светится, и через фотодиод будет протекать очень маленький темновой ток, которого не достаточно для отпирания транзистора VT1 (смотрите рисунок 198).

При подаче на вход логической единицы светодиод зажигается, и через фотодиод будет протекать достаточно большой световой обратный ток, который открывает транзистор VT1. Оставшаяся часть схемы работает как базовый элемент ТТЛ.

Логические элементы на полевых транзисторах МОП-структуры

1)Ключи на МОП–транзисторах.

2)Комплементарная МОП – пара (КМОП).

3)Реализация функции И-НЕ в КМОП – логике.

4)Реализация функции ИЛИ-НЕ в КМОП – логике.

Е. А. Москатов. Стр. 77

1) Ключи на МОП–транзисторах.

 

 

+

И Канал

З SiO2

С

 

 

R

Uип

 

 

 

-

 

 

 

 

 

 

 

Y

 

n

 

x

y

 

С

VT1

n+

n+

 

 

X

 

 

 

 

 

0

1

З

И

 

 

Подложка p-

 

1

0

 

 

 

 

 

Рис. 199

 

Рис. 200

 

Рис. 201

Недостатком данных ключей является наличие резисторов, которые занимают в подложке значительно больше места, чем транзистор. Поэтому наиболее широко применяются ИМС, у которых вместо резистора также применяется МОП - транзистор, но с каналом другого типа проводимости. Такие взаимодополняющие структуры получили название МОП - пар.

2) Комплементарная МОП – пара (КМОП).

 

 

+

 

 

 

 

VT1

Uип

 

 

Ic

"1"

-

 

 

 

 

 

 

 

 

X

Y

 

 

 

"0"

VT2

x

y

 

 

 

 

 

 

 

 

 

0

1

"p"

"n"

 

 

1

0

 

Uзи

 

Рис. 202

Рис. 203

 

Рис. 204

Если на затвор подать сигнал логического нуля, то в транзисторе VT2 (c каналом «n»типа проводимости) канал будет отсутствовать, а в транзисторе VT1 с каналом «p» типа канал будет индуцирован, т. к. на затворе относительно истока будет действовать отрицательное напряжение. Через этот канал выход Y соединяется с плюсом ИП, и на выходе будет высокий уровень логической единицы.

При подаче на вход логической единицы канал в транзисторе VT1 исчезает, а в VT2 канал индуцируется и через этот канал соединяется с нулевым потенциалом общего провода, следовательно, на выходе будет логический ноль.

Достоинства комплементарной МОП – пары – отсутствие резисторов, что позволяет повысить степень интеграции; очень малое потребление тока от ИП, т. к. между плюсом и минусом ИП всегда оказывается транзистор, у которого нет канала.

Недостаток комплементарной МОП – пары: низкое быстродействие.

3) Реализация функции И-НЕ в КМОП – логике.

 

 

+

 

 

VT1

VT2

Uип

 

 

 

 

-

 

 

 

 

Y

 

 

 

VT3

X1 X2

Y

 

0

0

1

X1

 

 

 

0

1

0

X2

VT4

1

0

0

 

1

1

0

Рис. 205

 

Рис. 206

Е. А. Москатов. Стр. 78

Если хотя бы на одном из входов имеется сигнал логического нуля, в соответствующем транзисторе с каналом p-типа – VT1 или VT2 – будет индуцирован канал, через который выход Y соединяется с плюсом ИП, и на выходе будет логическая единица. При подаче на оба входа логических единиц в VT1 и в VT2 каналы исчезают, а в транзисторах VT3 и VT4 каналы индуцируются, и через эти каналы выход Y соединяется с общим проводом, следовательно, на выходе будет логический ноль.

4) Реализация функции ИЛИ-НЕ в КМОП – логике.

 

+

"p"

VT2 Uип

 

-

 

 

VT3

 

 

 

 

 

 

"p"

Y

X1 X2

Y

"n"

 

 

 

0

0

1

VT1

X2

VT4

 

1

0

0

X1

 

 

0

1

0

 

 

"n"

 

 

 

 

 

1

1

0

Рис. 207

 

Рис. 208

Если на оба входа поданы нули, то в транзисторах VT1 и VT4 с каналами n-типа каналы отсутствуют, а в VT2 и VT3 каналы индуцируются, и через них выход Y связан с плюсом ИП, следовательно, на выходе логическая единица.

Если хотя бы на один из входов подать логическую единицу, то в соответствующем транзисторе p-типа канал исчезает, и выход Y отключается от плюса ИП, а в соответствующем транзисторе с каналом n-типа канал индуцируется, и через него выход Y соединяется с общим проводом, следовательно, на выходе будет логический ноль.

Эмиттерно-связная логика

1)Реализация функций ИЛИ и ИЛИ-НЕ в эмиттерно-связной логике (ЭСЛ).

2)Источник опорного напряжения.

3)Базовый элемент ЭСЛ серии К500.

1) Реализация функций ИЛИ и ИЛИ-НЕ в эмиттерно-связной логике (ЭСЛ).

ЭСЛ является самой быстродействующей из всех типов логики. Это объясняется тем, что транзисторы в ЭСЛ работают в линейном режиме, не переходя в режим насыщения или отсечки. Основой ЭСЛ является дифференциальный эмиттерный каскад, изображённый на рисунке 209.

 

+

R1

R2 Uип

Uвых

-

VT2

Uвх1

Uвх2

VT1

 

Ia Генератор стабильного

тока

Рис. 209

Е. А. Москатов. Стр. 79

Uвх1 = Uвх2; I1 I2 Io2 ; Uвх1 > Uвх2; I1 = I0 + ΔI; I2 = I0 – ΔI.

Особенность ЭСЛ: разница уровней логической единицы и нуля очень мала, следовательно, помехоустойчивость плохая. Чтобы повысить помехоустойчивость, в ЭСЛ используется схема, при которой в цепи коллектора – соединение с общим проводом, а в цепь эмиттера подаётся минус напряжения ИП. Это приводит к тому, что все уровни напряжения отрицательны и ЭСЛ плохо согласуются с другими типами логики.

Рассмотрим следующую схему (смотрите рисунок 210), в которой U0 ≈ -1,6 В; U1 ≈ -0,8 В; Uоп ≈ -1,2 В.

Y1

 

R1

R2

 

 

 

 

 

 

 

Y2

 

 

 

 

 

 

X2

VT2

VT3

Y

 

 

 

 

 

 

 

 

 

 

 

 

X1

VT1

 

 

 

 

 

 

 

 

 

 

 

 

 

 

 

 

 

 

 

 

X1 X2 Y1 Y2

 

 

 

R3

 

0

0

1

0

 

 

 

 

 

 

 

 

-

 

0

1

0

1

 

 

 

Uип

1

0

0

1

 

 

 

+

 

1

1

0

1

 

 

Рис. 210

 

 

 

Рис. 211

В данной схеме роль генератора стабильного тока (ГСТ) выполняет источник стабилизированного напряжения U = -5,2 В вместе с последовательно включённым резистором R3 достаточно большого номинала.

При подаче на оба входа логического нуля опорное напряжение оказывается более положительным, чем на базах транзисторов VT1 и VT2, следовательно, транзистор VT3 открыт в большей степени, чем VT1 и VT2. Значит, ток через R2 будет больше, чем через R1, и напряжение на Y2 (логический ноль) будет более отрицательным, чем на выходе Y (логическая единица).

Если хоть на один из входов подать логическую единицу, то напряжение на базе соответствующего транзистора становится более положительным, чем опорное. Этот транзистор (VT1 или VT2) открывается в большей степени, чем VT3. Ток через R1 будет больше, чем через R2. Напряжение на выходе Y будет более отрицательным, т. е. логическим нулём, а напряжение на выходе Y2, более положительным, т. е. логической единицей.

Вывод: ЭСЛ реализует функцию ИЛИ-НЕ по выходу Y и функцию ИЛИ по выходу Y2.

2) Источник опорного напряжения.

 

 

 

 

+Uип

 

 

R1

R3

R5

 

VT1

 

VT4

 

 

 

 

 

X1

X2

VT2

VT3

VD1

 

 

 

 

 

VD2

 

 

R2

R4

R6

 

 

 

 

-Uип

 

 

Рис. 212

 

 

Е. А. Москатов. Стр. 80