Материал: Электроника

Внимание! Если размещение файла нарушает Ваши авторские права, то обязательно сообщите нам

 

 

Т.П.

t1

Uбэ

 

Eсм

 

t

 

 

t1

Q

t

Io

 

 

 

 

Q>900

Рис. 238

В этом случае будет иметь место ток покоя, но величина его будет значительно меньше, чем в режиме класса А. Угол отсечки Θ в режиме класса АВ будет меньше 90°. Режим класса АВ имеет несколько меньший КПД, чем режим класса В (η = 50 ÷ 60 %) и несколько меньшие нелинейные искажения. Применяется так же, как и режим класса В, в двухтактных усилителях мощности.

5) Режим работы класса С. Это режим, при котором величина Eсм имеет отрицательное

значение (смотрите рисунок 239).

 

 

 

 

 

 

 

t1

Uбэ

t1

Q

t

Eсм

 

 

 

Q<900

t

Рис. 239

 

 

 

 

 

 

 

Е. А. Москатов. Стр. 91

Режим класса С характеризуется максимальным КПД η = 80 %, но и наибольшими нелинейными искажениями. Режим С в усилителях применяется в выходных каскадах мощных передатчиков.

6) Режим работы класса D. Режим работы класса D – это ключевой режим работы транзистора.

Межкаскадные связи в усилителях

1)Виды межкаскадных связей.

2)Эквивалентная схема усилительного каскада с резисторно - ёмкостными связями.

3)Анализ эквивалентной схемы на низких, средних и высоких частотах.

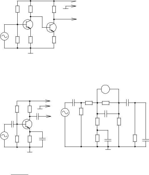
1) Виды межкаскадных связей. Для увеличения коэффициента усиления могут применяться многокаскадные усилители. В этом случае между каскадами, а также между входом усилителя и источником сигнала или же между выходом усилителя и нагрузкой могут существовать следующие виды межкаскадных связей.

1) Резисторно-ёмкостная связь (смотрите рисунок 240).

 

 

 

 

 

+

 

Rб1'

Rк1

Rб2' Rк2

 

 

Cp

 

 

-

 

 

 

Cp Uвых

Cp

 

 

 

 

 

 

 

 

 

 

VT1

 

VT2

 

 

 

 

 

 

Uвх

Rб1''

 

Rб2''

 

 

 

Rэ1 Cэ1

Rэ2

Cэ2

 

 

 

Рис. 240

Резисторно-ёмкостная связь является наиболее широко распространённой в усилителях переменного напряжения.

2) Трансформаторная связь (смотрите рисунок 241).

 

 

 

+

Rб1'

Tp1

Rб2' Rк2

 

 

-

 

 

 

Cp

 

 

 

Cp Uвых

 

 

Cp

 

 

 

 

VT1

 

 

 

 

 

VT2

 

 

 

 

 

 

Uвх

Rб1''

 

Rб2''

 

 

 

Rэ1 Cэ1

Rэ2

Cэ2

 

 

 

Рис. 241

Трансформаторная связь позволяет осуществить оптимальное согласование между каскадами путём подбора коэффициента трансформации трансформатора.

Недостатки:

Сравнительно большие габариты и вес трансформаторов.

Е. А. Москатов. Стр. 92

Большие частотные искажения, так как сопротивления обмоток трансформатора зависят от

частоты XL = ω ∙ L, поэтому трансформаторная связь применяется на низких частотах и в узком диапазоне.

3) Гальваническая (непосредственная) связь (смотрите рисунок 242).

+

Rб' Rк1 Rк2

-

Uвых

VT1

VT2

 

Um

 

Rб'' Rэ1

Rэ2

Рис. 242

Гальваническая связь применяется в УПТ.

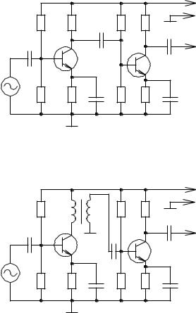
2) Эквивалентная схема усилительного каскада с резисторно - ёмкостными связями.

 

 

 

 

 

<<

 

 

 

 

Cp

Cp

 

 

 

+

 

 

 

 

 

 

 

 

 

 

Rб'

Rк1

 

 

 

 

 

-

Uвх

 

 

 

 

 

 

 

Cp Um.вых

 

 

 

 

 

Cp

 

 

 

 

Rвхода

 

VT1

 

 

 

 

 

 

 

 

 

следую-

Um

 

 

 

 

 

 

щего

 

 

 

 

 

 

каскада

Rб''

Rэ1

 

 

R2

C0

Рис. 243

 

 

 

Рис. 244

 

Rб – это Rб′ и Rб″, включённые параллельно, т. к. Rб′ через малое сопротивление Eк можно считать подключённым на корпус (общий провод).

Rб Rб' Rб"

Rб' Rб"

Со = Свх.сл. + См, где Свх.сл. – это ёмкость следующего каскада, а См – ёмкость монтажа.

3) Анализ эквивалентной схемы на низких, средних и высоких частотах.

Проанализируем эквивалентную схему на низких, средних и высоких частотах. На низких частотах ёмкостное сопротивление параллельно включённых Cк и Cо будет иметь очень большую величину и на работу схемы влиять не будет. Сэ имеет большую величину, следовательно, ёмкостное сопротивление её будет очень мало. Уже на низких частотах эта ёмкость шунтирует сопротивление Rэ и, значит, на низкой частоте схема усилительного каскада будет иметь вид, изображённый на рисунке 245.

Разделительные конденсаторы включены последовательно. На НЧ сопротивление их будет велико, что приводит к уменьшению коэффициента усиления.

Е. А. Москатов. Стр. 93

 

 

<<

 

Cp

 

Cp

 

 

 

 

 

 

 

Rвхода

Um

следую-

щего

 

 

 

 

каскада

Рис. 245

На средних частотах сопротивление разделительных конденсаторов уменьшается до такой величины, что их влияние можно не учитывать. А сопротивление ёмкостей Ск и Co уменьшаются не на столько, чтобы оказывать шунтирующее действие, и поэтому их на средних частотах их также можно не учитывать, поэтому на средних частотах эквивалентная схема будет иметь вид, изображённый на рисунке 246. Так как на Ср.Ч ни барьерная ёмкость коллекторного перехода Ск, ни Со не оказывают влияние на работу усилителя, то коэффициент усиления на средних частотах будет наибольшим.

 

 

<<

 

 

 

 

 

Um

Рис. 246

На ВЧ разделительные конденсаторы имеют очень малое сопротивление и, так как они включены последовательно, они не оказывают влияние на работу схемы усилителя, а ёмкости Ск и Co, включённые в параллель, шунтируют коллекторный переход транзистора и выход усилителя своим малым сопротивлением, что приводит к уменьшению коэффициента усиления. Эквивалентная схема усилителя на высокой частоте изображена на рисунке 247.

 

 

 

 

<<

 

Um

Rн C0

 

 

 

 

Рис. 247

На рисунке 248 показано, как влияет на коэффициент усиления усилителя изменение частоты.

K

Н.Ч.

Ср.Ч.

В.Ч.

 

 

Влияние Ср

Влияние Ск и С0

 

 

Рис. 248

f

 

 

Е. А. Москатов. Стр. 94

Выходные каскады усиления

1)Однотактный выходной трансформаторный каскад

2)Двухтактный выходной трансформаторный каскад

3)Двухтактный выходной бестрансформаторный каскад

1) Однотактный выходной трансформаторный каскад. Однотактный выходной трансформаторный каскад работает в режиме класса А. В виде коллекторной нагрузки он имеет первичную обмотку согласующего трансформатора (смотрите рисунок 249).

 

 

Tp1

 

+

 

Rб1'

 

 

 

 

 

 

 

-

Cp

 

 

 

 

 

 

VT1

 

 

Uвх

Rб1''

 

 

 

 

C0

 

 

 

 

 

 

 

 

Рис. 249

Выходные каскады усиления являются усилителями мощности. Применение согласующих трансформаторов позволяет осуществлять оптимальное согласование выхода усилителя с нагрузкой. В этом случае можно считать, что P1 = P2, где Р1 – мощность первичной обмотки, а Р2 – мощность вторичной обмотки, или, что то же самое, мощность нагрузки.

U12

U 22

 

 

 

 

 

 

 

 

 

 

 

R к. опт

 

 

 

 

 

 

 

 

 

 

 

Разделим обе части последнего уравнения на U12.

Получим:

 

 

 

 

 

 

 

 

 

 

 

1

U 2

 

2

1

 

, где

U 2

- коэффициент трансформации.

R к. опт

 

 

 

U1

U1

 

 

 

 

 

 

 

 

1

h 2

1

; n

 

 

; R к .опт

1

R к.опт

 

 

 

 

R к.опт

 

 

1

 

 

 

 

 

 

 

 

 

Iб4

 

 

 

 

 

 

А

 

 

 

 

 

Iб3

 

 

 

 

 

 

 

 

 

 

 

 

Imк

 

 

 

 

 

 

 

Р.Т.

 

Iб2

 

 

 

 

 

 

 

 

 

 

 

 

 

 

 

 

 

 

 

 

 

 

 

 

 

 

 

 

 

 

В

 

 

 

С

Iб1

 

 

 

 

 

 

 

 

Umк

 

 

Uкэ

 

 

 

 

 

 

 

 

 

 

 

 

 

 

 

 

 

Рис. 250

 

 

 

 

 

Е. А. Москатов. Стр. 95