Рис. 30
Естественно скорость двигателя непрерывно пульсирует, изменяясь в пределах от 1 до 2, причѐм в установившемся режиме абсолютные значения изменений скорости при разгоне
р и торможении 
одинаковы.
В связи с большой частотой импульсов пульсации скорости незначительны.
7.5. Вентильные двигатели
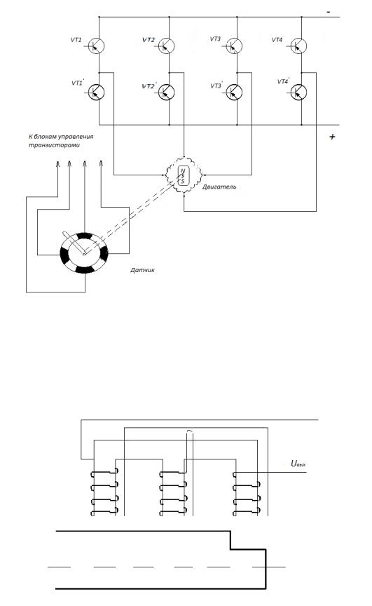
Машины постоянного тока, как правило, имеют более высокое технико-экономические показатели по сравнению с машинами переменного тока, но у них есть существенный недостаток – наличие щѐток и коллектора. Для исключения этого недостатка можно использовать полупроводниковый коммутатор. Такие двигатели с коммутатором получили название вентильных. Якорь у них неподвижен, а ротор представляет собой постоянный магнит (рис. 31).
41
Рис. 31
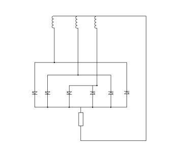
Основным элементом в системе управления вентильным двигателем является датчик положения, который может быть основан на разных принципах: фотоэлектрические, индуктивные, емкостные (рис. 32).
Рис. 32
42
По команде от датчика последовательно включаются транзи-
сторные пары VT1, VT3 ; VT2, VT4 ; VT3, VT1 ; VT4, VT2 .
Чаще применяются индуктивные или емкостные датчики положения.
8.Электрические машины переменного тока
Ксожалению, двигатели переменного тока по своим свойствам и, прежде всего, по управляемости, существенно уступают двигателям постоянного тока.
Среди машин переменного тока различают два основных типа: синхронные и асинхронные. В синхронных двигателях скорость вра-
щения ротора р всегда равна скорости вращения магнитного поля. В асинхронных же р
о.
Синхронные и асинхронные машины обладают свойством обратимости и могут работать как генераторы и как двигатели. Синхронные преимущественно используются в энергетических установках как генераторы. Асинхронные машины в основном используются как двигатели.
Синхронная машина работает на том же принципе, что и машина постоянного тока. Ротор синхронной машины создаѐт магнитное поле. В большинстве случаев возбуждение электромагнитное – за счѐт обмотки, питаемой постоянным током (в случае использования синхронной машины как генератора) или возбуждение за счѐт намагничивания ротора, магнитным потоком статора (двигатель).
Асинхронные машины. Основной ток асинхронных машин – трехфазный асинхронный двигатель, имеющий три обмотки на статоре, смещѐнные в пространстве на 120о, соединѐнные в звезду или в треугольник. Ротор обычно выполняется как короткозамкнутый в виде так называемой беличьей клетки, составленной из металлических стержней с кольцевыми накладками.
Три обмотки статора, по которым протекает переменный ток, создают вращающееся магнитное поле, взаимодействующее с токами, индуцируемыми в роторе. При этом создается вращающий момент, который стремится повернуть ротор в направлении вращения поля и потока.
Двухфазные двигатели. Двигатели малой мощности в большинстве случаев выполняются как двухфазные. В отличие от трѐх-
43
фазных они имеют на статоре две обмотки возбуждения, смещенные в пространстве на угол /2, токи в которых для создания вращающегося магнитного поля, должны быть сдвинуты на тот же угол /2. Так как питание двухфазных двигателей, как правило, однофазное, то сдвиг между такими в обмотках возбуждения, создаѐтся искусственно, за счѐт включения конденсаторов. При этом маломощные двухфазные двигатели часто используются как регулируемые за счѐт изменения тока в одной из обмоток, называемой обмоткой управления, по амплитуде или фазе. Вторая обмотка (возбуждения) подключается к сети непосредственно или через конденсатор.
8.1. Управление трѐхфазными двигателями
Управление асинхронными двигателями, так же как и двигателями постоянного тока может быть параметрическим, либо от индивидуального преобразователя.
Параметрическое управление связано с большими потерями энергии и поэтому его применяют для кратковременного снижения скорости, введением в цепь ротора (при условии, что он фазный) добавочного сопротивления, когда управление скоростью связано с пуском и торможением рабочей машины (подъемные установки).
Регулирование скорости изменением подводимого напряжения осуществляется за счѐт использования магнитных усилителей или тиристорных преобразователей.
8.2. Частотное управление
Плавно регулировать скорость в широких пределах с сохранением эффективности механических характеристик асинхронного двигателя можно только изменяя частоту питающего тока, а следовательно, и скорость вращения магнитного поля. Преобразователь частоты должен быть построен так, чтобы имелась возможность регулировать на его выходе частоту и напряжение. В настоящее время в системах электропривода используют два типа преобразователей частоты: с непосредственной связью первичной и вторичной цепей (НПЧ) и со звеном постоянного тока (рис. 33).
44
Рис. 33
По этой схеме напряжение трѐхфазной сети с неизменной частотой f1 преобразуется в напряжение однофазной сети, с переменной частотой f2. Существенный недостаток НПЧ преобразователей – большое число тиристоров, для преобразователя трѐхфазного напряжения в трѐхфазное их необходимо иметь 18. Чтобы сократить число тиристоров, можно использовать специальные асинхронные двигатели с двухфазной обмоткой. Регулировать частоту в системах с НПЧ можно только в зоне низких частот.
Более широкий диапазон регулирования частоты и соответственно скорости двигателя обеспечивает система с преобразователем со звеном постоянного тока, которая содержит два независимых канала управления по частоте и напряжению.
8.3. Управление двухфазными двигателями
Вследствие того, что управлять скоростью трѐхфазных двигателей трудно, в приводах малой мощности (до 200 Вт), где энергетические показатели не играют большой роли, используют двухфазные асинхронные двигатели. Чтобы упростить систему управления, воздействуют только на одну обмотку – обмотку управления. Вторую обмотку подключают непосредственно к сети и ток в ней не меняет-
45