Материал: Д6590 Данин ВБ Автоматизированные комплексы

Внимание! Если размещение файла нарушает Ваши авторские права, то обязательно сообщите нам

Одним из наиболее нагруженных элементов в контуре САР является магнитный пускатель электропривода насоса. В технических характеристиках пускателей типа ПМ гарантируется работоспособность прибора до lp = 1,5·106 циклов переключений. При выбранной настройке ПЗ-регулятора ресурс пускателя может быть израсходован через

Tp = lp p = 1,5·106·0,43 = 6,45·105 ч.

СТРУКТУРА И МАТЕМАТИЧЕСКОЕ ОБЕСПЕЧЕНИЕ СИСТЕМЫ ПРОПОРЦИОНАЛЬНОГО ЗАКОНА РЕГУЛИРОВАНИЯ

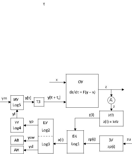
Структурно-параметрическая схема контура реализации ПЗрегулирования рис. 4 рассматривается на примере регулирования уровня в баке-накопителе (несбалансированный астатический объект).

В схеме предусмотрена сигнализация при переполнении и опорожнении бака.

Рис. 4. Структурная схема позиционной САР

21

На схеме рис. 4 обозначены: ОУ – объект управления.

z – переменная, формируемая на выходе объекта (регулируемый параметр);

x неуправляемое возмущающее воздействие на объект; y управляемое воздействие на объект.

Д – датчик.

ИП – измерительный преобразователь.

z(i) численное значение результата измерения регулируемого параметра.

ЗУ – задающее устройство.

zu ввод задания (уставок) регулятору (см. табл. 1);

zp(i), (где i =1 …n) численное значение i-ой уставки регулятору (условие перехода по программе).

БК – блок компаратора, реализация логических операций Log1 (контроль моментов перехода по программе; см. табл. 2).

ai = {10 , (где i = 1 …n) команда перехода по программе при

наступлении zp(i)-го условия. БУ – блок управления:

реализация логических операций Log2 (формирование алгоритма ПЗ-регулирования);

реализация логических операций Log3 (формирование алгоритма аварийной сигнализации);

yp = {10 – команда управления объектом формируемая регуля-

тором;

ysl = {10 – команда вкл/откл аварийной сигнализации НИЖ-

НИЙ УРОВЕНЬ;

ysw = {10 – команда вкл/откл аварийной сигнализации ВЕРХ-

НИЙ УРОВЕНЬ.

АН, АВ – информационные табло о выходе в аварийную зону.

22

УУ– устройство изменения управляемого воздействия на объект (например, магнитный пускатель электропривода насоса).

yl = {10 команда формируемая устройством управления ..

ИУ – исполняющее устройство (например, насос с электроприводом).

y*τ+ численное значение управляющего воздействия на выходе из ИУ (например, количество воды подаваемой насосом) в момент времени [τ].

y*τ+ = {y0n , где yn – производительность насоса

ТЗ – звено запаздывания (например, объѐм трубопровода от насоса до бака)

y [τ+ τz] численное значение управляющего воздействия на входе в объект (например, количество воды подаваемой в бак) в момент времени [τ+ τz];

y*τ+ = {y0n , где yn –производительность насоса, τz время запаз-

дывания, с.

Математическое описание функций структурных звеньев ПЗ САР

Объект.

(например, бак-накопитель системы водоснабжения)

 

dz

 

τ2

 

ε( y

x) или z ε ( y x)dτ ;

 

 

 

 

dτ

 

 

τ1

 

 

 

 

для бака:

 

 

dh

ε(g1

g2 ) ,

 

 

 

 

dτ

 

 

 

где dhd – скорость изменения уровня в баке, м/с; g1 – количество жид-

кости, поступающей в бак за секунду, кг/с; g2 – количество жидкости,

отбираемой из бака за секунду, кг/с; ε

1

– коэффициент передачи

ρf

 

 

данного объекта (константа), м/кг, ρ – плотность жидкости, кг/м3, f – площадь сечения бака, м2.

23

Измерительный преобразователь

Масштабирование измеренного значения регулируемого параметра с использованием тарировочной характеристики датчика:

z(i) = kd·z,

где z(i) – численное, размерное значение результата измерения параметра, например, уровень воды в баке h, м из диапазона измерения датчика, например, h = 0 …6, м; z – численное значение унифицированного сигнала поступившего от датчика, например, значение тока из диапазона z = 4…20, µA; kd = h/ z, м/µA – масштабный коэффициент датчика.

Блок компаратора

Анализирует результаты измерения z(i), формирует команды перехода по программе предусмотренные в табл. 2.

В компараторе реализуется блок логических операций Log1:

ЕСЛИ z(i) ≤ z1

ТО a1 = 1

ИНАЧЕ a1 = 0:

ЕСЛИ z(i) ≥ z2

ТО a2 = 1

ИНАЧЕ a2 = 0:

ЕСЛИ z(i) ≥ z3

ТО a3 = 1

ИНАЧЕ a3 = 0:

ЕСЛИ z(i) ≥ z4

ТО a4 = 1

ИНАЧЕ a4 = 0:

Блок управления

1. Формирует команды управления объектом по алгоритму ПЗрегулирования (реализация логических операций Log2);

Диаграмма работы блока при реализации ПЗ-закона регулиро-

вания.

Рис. 5. Реализация логических операций Log2

24

В блоке Log2 реализуются логические операций формирования управляющих воздействий ПЗ-регулятора:

ЕСЛИ a2 = 0 И a3 = 0 ТО yp = 1 ЕСЛИ a2 = 1 И a3 = 1 ТО yp = 0:

yl = yp (сохранение сформированной команды).

2. Формирует алгоритм аварийной сигнализации (реализация логических операций Log3).

Диаграмма работы блока аварийной сигнализации показана на

рис. 6.

Рис. 6. Реализация логических операций Log3

В блоке Log3 реализуются логические операции:

ЕСЛИ a1 = 1 ТО ysl = 1 ИНАЧЕ ysl = 0 ЕСЛИ a4 = 1 ТО ysw = 1 ИНАЧЕ ysw = 0

Устройство изменения управляемого воздействия на объект

(например,магнитный пускатель электропривода насоса). Реализует логическую операцию Log4

ЕСЛИ yp*τ+ = 1 ТО yl = 1 (команда включения насоса) ЕСЛИ yp*τ+ = 0 ТО yl = 0 (команда выключения насоса)

Исполняющее устройство

(например, насос с электроприводом). Реализует логическую операцию Log5

ЕСЛИ yl*τ+ = 1 ТО y [τ] = yn (производительность насоса)

ЕСЛИ yl*τ+ = 0 ТО y [τ] = 0.

Звено запаздывания

(например, объѐм трубопровода от насоса до бака)

ЕСЛИ y*τ+ = yn ТО y [τ+ τz] = yn (производительность насоса) ЕСЛИ y*τ+ = 0 ТО y [τ+ τz] = 0, (τz время запаздывания, с).

25