Материал: Д6590 Данин ВБ Автоматизированные комплексы

Внимание! Если размещение файла нарушает Ваши авторские права, то обязательно сообщите нам

Из данного примера следует, что зависимость выходного параметра z от возмущения x и управляющего воздействия y для астатического объекта представляет собой дифференциальное уравнение вида:

dz

 

 

τ2

ε( y x)

или

z ε ( y x)dτ

 

dτ

 

 

τ1

 

 

 

Равновесное (статическое) состояние такого объекта в момент времени [τ] возможно только при условии:

y[τ] = x[τ], тогда

dz

[τ] 0 и z[τ] = const

d

 

 

dh

Для бака: ε(g1 g2 ) , dτ

где dh – скорость изменения уровня в баке, м/с; g1 количество жид- d

кости, поступающей в бак за секунду, кг/с; g2 – количество жидкости,

отбираемой из бака за секунду, кг/с; ε

1

– коэффициент передачи

ρf

 

 

данного объекта (константа), м/кг, ρ – плотность жидкости, кг/м3, f – площадь сечения бака, м2.

Инерционные свойства такого объекта определяются численным значением коэффициента ε. Так, для примера с баком аккумулятором является объем бака V = f h, при этом, чем больше f, тем с меньшей скоростью будет изменяться уровень жидкости в баке при той же разнице притока и оттока ∆g = g1 – g2.

Взависимости от технологической схемы и режимов работы астатического объекта различают несбалансированный объект (неустойчивое звено) и сбалансированный объект (интегрирующее звено).

Вкачестве примера анализа свойств астатического несбалансированного объекта при разработке системы регулирования (САР) рассматривается бак-накопитель в системе водоснабжения предприятия. Параметрическая схема объекта на рис. 1, А. На схеме обозначены регулируемый параметр z – уровень в баке, канал управления y – включение и отключение насоса подачи воды в бак, возмущения x – отборы воды из бака для технологических потребностей.

Астатические, несбалансированные объекты в диапазоне варьирования переменных z, x, y являются звеном неустойчивым.

6

На рис. 1, Б приведены переходные (разгонные) характеристики такого объекта. При появлении рассогласования ∆ = y – x выходной параметр z начинает нарастать или убывать в зависимости от знака и величины рассогласования вплоть до предельных значений.

Астатическими, несбалансированными объектами автоматизации является также следующее оборудование:

холодильная камера для хранения или заморозки продуктов. Регулируемый параметр z – температура воздуха в камере, канал управления y – включение и отключение компрессора холодильной установки, возмущения x – теплопритоки в объем воздуха камеры (инерционное звено) из продукта, через ограждения и т.п.;

ресивер в комплексе подготовки сжатого воздуха для технологического процесса. Регулируемый параметр z – давление воздуха, в объеме ресивера (инерционное звено), канал управления y – включение и отключение воздушного компрессора, заполняющего ресивер, возмущения x – отборы сжатого воздуха из ресивера для технологических потребностей;

бак для нагревания и выдержки при заданной температуре партии жидкости с подводом энергии от электронагревателя (ТЭНа). Регулируемый параметр z – температура продукта в баке (объем жидкости в баке – инерционное звено), канал управления y – включение и отключение электропитания ТЭНа, возмущения x – частичная или полная замена объема нагретой жидкости в баке на холодную, а также потери тепла в окружающую среду.

Динамические свойства сбалансированного астатического объекта определяются также дифференциальными уравнениями вида

dz

 

 

τ2

ε( y x)

или

z ε ( y x)dτ

 

dτ

 

 

τ1

 

 

 

Особенностью сбалансированного объекта является возможность изменять управляющее воздействие y функционально в диапазоне варьирования y[τ] = y{ymin…ymax}, что позволяет получить на объекте статические (равновесные) состояния, при которых

y[τ] = x[τ];

dz

[τ] 0 ; z[τ] = const.

dτ

 

 

Вывод объекта в равновесное состояние может осуществлять функциональный регулятор, формирующий управляющее воздействие y.

7

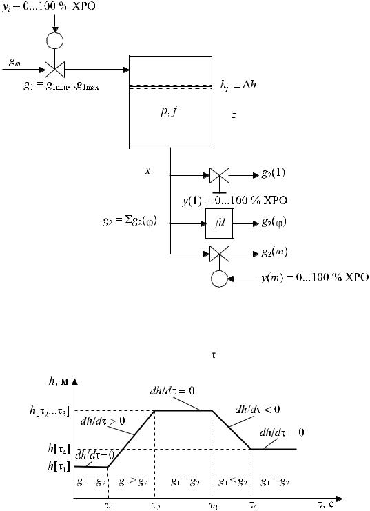
В качестве примера астатических сбалансированных объектов в пособии рассматривается бак дозатора жидких компонентов в технологических циклах (рис. 2, А, Б). Регулируемый параметр z – уровень жидкости в баке, канал управления y – величина закрытия клапана подачи жидкости в бак, возмущения x – отбор жидкости из бака для технологических нужд. Статическое состояние такого объекта в момент времени [τ]:

dz

[ ] 0

d

 

возможно только при балансе притока и оттока: g1[τ] – g2[τ] = 0, при этом численное значение уровня в баке h[τ ] может принимать любое значение из диапазона варьирования: h[τ] =h{hmin…hmax}, в том числе,

hmin – бак пуст, hmax – бак полный.

На рис. 2 приведены также переходные характеристики объекта (h = f(τ)) при различных сочетаниях возмущающих g2 и управляющих g1 воздействий: g1 > g2, g1 = g2 и g1 < g2. Переходные характеристики соответствуют характеристикам интегрирующего звена [2].

Сбалансированными астатическими объектами являются также:

– бак для нагревания и выдержки при заданной температуре партии жидкости, подвод энергии от энергоносителя (пар, горячая вода) циркулирующего через «рубашку» или через змеевик, размещенный в баке. Регулируемый параметр z – температура жидкости в баке, канал управления y – величина закрытия клапана подачи энергоносителя в «рубашку», возмущения x – частичная или полная замена объема нагретой жидкости в баке на холодную, вызывающая изменение теплопритока от энергоносителя в объѐм бака, а также потери тепла в окружающую среду;

– установка насыщения воздухом, например, смеси зефирной массы или мороженного (взбивание). Регулируемый параметр z – плотность смеси на выходе из установки, канал управления y – величина закрытия клапана подачи сжатого воздуха в смеситель, возмущения x – изменения количества и плотности смеси на входе в установку.

8

А. Параметрическая схема бака-дозатора

Сбалансированный астатический объект

z = const = h{hmin hmax} (dz/d = 0), если y x = 0

Б. Переходные процессы в сбалансированном астатическом объекте

при изменениях возмущения g2 и управляющего воздействия g1

Рис. 2. Анализ состояний сбалансированного астатического объекта

9

АНАЛИЗ УСЛОВИЙ ЭКСПЛУАТАЦИИ НЕСБАЛАНСИРОВАННОГО АСТАТИЧЕСКОГО ОБЪЕКТА

На рис. 1 вариант использования астатического объекта в качестве бака-накопителя воды в системе водоснабжения предприятия из артезианской скважины.

Состояния объекта в динамике определяет уравнение:

dh

dτ ε(g1 g2 )

В этом случае возмущающее воздействие – отбор воды из бака может изменяться в широком диапазоне g2min < g2[τ] < g2max в зависимости от интенсивности производственного процесса на предприятии. Управляющее воздействие yp – подкачка воды из скважины в бак g1 осуществляется периодическими включениями электродвигателя насоса подкачки. Если yp = 1, то g1 = gn; если yp = 0, то g1 = 0, где yp команда включения/отключения электродвигателя насоса, gn производительность насоса, кг/с.

Для обеспечения оптимального режима эксплуатации системы водоснабжения следует установить насос с производительностью gn > g2max.

Отбор из бака-накопителя (g2, кг/с) может производиться насосами откачки или самотеком через открываемые запорные клапаны в количестве g2(j), необходимом для обеспечения работы j-го комплекта

оборудования.

 

 

Максимальное возмущающее

воздействие на объект

 

m

 

g2 max

g2 ( j) , где m – число комплектов оборудования использую-

 

j 1

 

щих воду на данном предприятии.

 

 

Минимальное возмущение теоретически может быть нулевым

g2min = 0, т. е. отбора воды из бака нет.

 

 

Объект такого типа является несбалансированным астатиче-

ским звеном.

 

 

При эксплуатации объекта, в диапазоне варьирования перемен-

ных,

не обеспечиваются статические,

равновесные состояния (не

возможны состояния g1 = g2 когда dh/dτ = 0 и h = const).

На рис. 1 графики переходных процессов (h = ƒ(τ)) объекта (разгонных характеристик) при постоянном значении возмущающего воздействия g2 = 0,5gn и при изменении команды по каналу управле-

ния yp = 0 на yp = 1; yp = 1 на yp = 0.

10