Материал: АСКВ2 БУ max90-ru_v1.20

Внимание! Если размещение файла нарушает Ваши авторские права, то обязательно сообщите нам

 

 

 

 

 

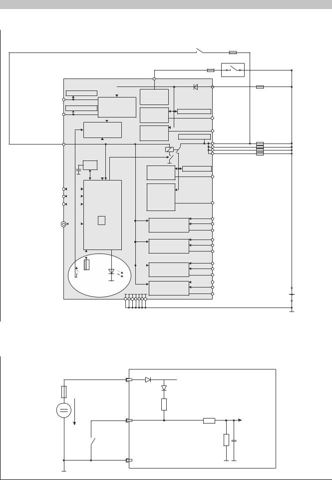
Модули мобильной системы X90

5.2.1.6 Функциональная схема

 

 

 

 

 

 

 

 

 

Выключатель

1 А с задержкой

 

 

 

 

 

(опциональный)

 

 

 

 

 

 

 

срабатывания

 

 

 

 

 

 

 

Замок зажигания

 

 

 

 

 

 

1 A

 

 

 

 

Электронный блок управления

KL15

 

15

30

 

 

 

Датчик

 

 

 

KL30

 

 

 

 

 

 

 

 

 

 

 

5/10 В

АЦП

 

 

 

 

 

 

 

 

 

(дискретный)

ЦП

 

 

 

 

Питание датчика 1

Питание датчика

Источник

 

 

 

 

 

 

 

 

 

 

5 В

АЦП

питания

MF-DI

АЦП

 

 

 

 

 

 

 

 

 

 

Питание датчика 2

 

 

(дискретный)

 

1–8

 

 

 

 

 

 

 

 

 

 

 

Сброс

MF-AI

 

1–16

 

 

 

 

контроллера

 

 

 

 

 

(аналоговый)

АЦП

 

 

 

Разрешающий сигнал

 

 

Vcc

 

 

 

 

 

 

 

 

 

 

 

 

 

Разрешающее

 

 

 

 

 

 

 

 

реле

 

 

 

 

 

 

RTC

 

 

 

 

4 x 10 А с задержкой

 

 

 

MF-DO

АЦП

 

срабатывания

 

 

 

 

 

 

 

 

 

 

 

 

(верхнее плечо)

 

1–8

 

 

 

CAN1

 

 

MF-PWM

 

 

 

 

 

CAN2

 

 

 

 

 

 

 

 

 

(двухтактный)

 

1–16

 

 

 

CAN3

 

 

 

 

 

 

 

 

 

 

 

 

 

 

 

ϑ

Дополнительная

 

Функция/Vcc1/Заземление

 

 

Ethernet

 

ЦП

 

Функция/Vcc1/Заземление

 

 

 

 

плата 1

 

1–8

 

 

 

 

 

 

 

 

 

 

 

 

 

 

Дополнительная

 

Функция/Vcc2/Заземление

 

 

 

 

 

 

Функция/Vcc2/Заземление

 

 

 

 

 

плата 2

 

1–8

 

 

 

 

 

 

 

 

 

 

 

 

 

 

Дополнительная

 

Функция/Vcc3/Заземление

 

 

 

USB

 

 

Функция/Vcc3/Заземление

 

 

 

 

плата 3

 

1–8

 

 

 

 

Перезагрузка

 

 

 

 

 

 

 

 

 

 

Функция/Vcc4/Заземление

 

12 В

 

LED-индикаторы

Дополнительная

 

 

 

 

Функция/Vcc4/Заземление

30

 

 

состояния

плата 4

 

24 В

 

 

 

1–8

 

 

 

 

 

 

 

 

31

0 В

 

 

 

 

 

 

 

 

 

 

 

 

 

 

Заземление

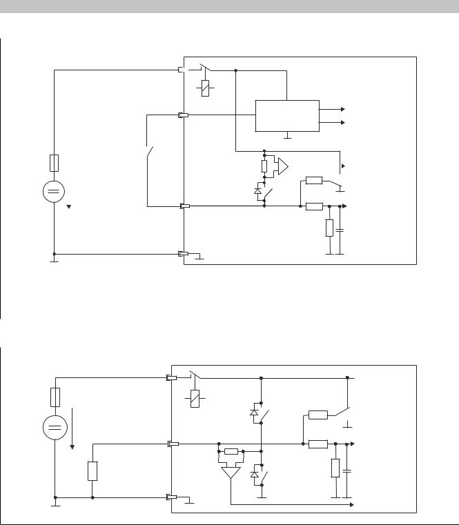
5.2.1.6.1 Схема входной цепи

 

 

 

 

 

 

 

Многофункциональные дискретные входы MF-DI / MF-AI, отрицательное напряжение

 

Электронный блок управления

KL30

Линия питания Vb2

 

5 А с задержкой

Подключение в

срабатывания

 

режиме источника

12/24 В

6,9/10/22 кОм

АЦП

Дискретный вход

или

 

Компаратор

Заземление

 

 

 

 

 

 

 

 

 

 

 

 

 

 

Мобильная система управления X90 Руководство пользователя V 1.20 - Перевод руководства

51

Модули мобильной системы X90

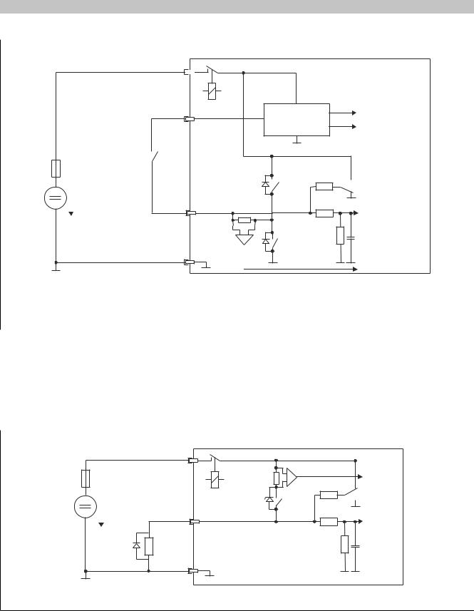
Многофункциональные дискретные входы MF-DI / MF-AI, положительное напряжение

 

Электронный блок управления

KL30

 

5 А с задержкой

Подключение в

срабатывания

 

режиме потребителя

12/24 В

АЦП

 

или

Дискретный вход

Компаратор

 

 

6,9/10/22 кОм

Заземление

 

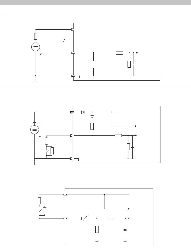
Многофункциональный аналоговый вход напряжения MF-AI, с возможностью диагностики

 

Электронный блок управления

KL30

Напряжение питания Vb2

 

5 А с задержкой

 

срабатывания

 

 

6,9 кОм

12/24 ВАналоговый вход

АЦП

1 кОм

 

10 кОм

 

 

Заземление

Многофункциональный аналоговый вход тока MF-AI, с возможностью диагностики

Электронный блок управления

 

Линия питания датчика

5 В

 

1 кОм

 

10 кОм

АЦП

 

Аналоговый вход

 

52

Мобильная система управления X90 Руководство пользователя V 1.20 - Перевод руководства

Модули мобильной системы X90

Многофункциональный аналоговый вход MF-AI, вход напряжения

 

Электронный блок управления

Аналоговый вход

АЦП

 

Источник напряжения

 

от 0 до 10/32 В

6,9 / 24,9 кОм

Заземление для цепи

 

аналоговых сигналов

 

Многофункциональный аналоговый вход MF-AI, вход тока

Электронный блок управления

Аналоговый вход

АЦП

Позистор

Источник тока

0–20 мА

Шунт

Заземление для цепи аналоговых сигналов

Многофункциональный выход MF-DO, дискретный вход, отрицательное напряжение

 

Электронный блок управления

 

 

Vcc

Линия питания Vs1

 

 

10 А с задержкой

 

 

Ток

срабатывания

 

10 кОм

 

 

Разрешающее

Подключение в

 

 

 

реле

 

режиме источника

12/24 В

 

 

 

 

 

Дискретный вход

 

 

Логическое

 

 

 

 

 

 

состояние

Заземление

Мобильная система управления X90 Руководство пользователя V 1.20 - Перевод руководства

53

Модули мобильной системы X90

 

 

 

Многофункциональный выход MF-DO, дискретный вход, положительное напряжение

Электронный блок управления

 

 

Vcc

Линия питания Vs1

 

 

Разрешающее

 

Логическое

Дискретный выход реле

 

 

(линия питания датчика)

 

 

состояние

 

 

Ток

10 А с задержкой

 

 

 

срабатывания

 

10 кОм

Ток

 

 

Подключение в

 

 

 

12/24 В

 

 

режиме потребителя

 

 

 

Дискретный вход

 

 

Логическое

 

 

состояние

Заземление

 

 

 

Дискретный выход

 

 

 

Линия питания датчика (постоянно включен)

 

 

 

Дискретный вход

 

 

 

Вход датчика (положительное напряжение)

 

 

 

Многофункциональный выход MF-PWM, дискретный вход, отрицательное напряжение

 

Электронный блок управления

 

 

Vcc

Линия питания Vs1

 

 

10 А с задержкой

 

 

 

срабатывания

 

10 кОм

 

 

Разрешающее

Подключение в

 

 

 

реле

 

режиме источника

12/24 В

 

 

 

Дискретный вход

 

 

Логическое

 

 

 

 

 

 

состояние

Заземление

 

 

 

 

 

 

Ток

54

Мобильная система управления X90 Руководство пользователя V 1.20 - Перевод руководства

 

Модули мобильной системы X90

Многофункциональный выход MF-PWM, дискретный вход, положительное напряжение

 

Электронный блок управления

 

Vcc

Напряжение питания Vs1

 

 

Разрешающее

 

Дискретный выход

реле

Состояние

(линия питания датчика)

 

Ток

10 А с задержкой

 

 

срабатывания

10 кОм

Подключение в

 

 

 

режиме потребителя

12/24 В

 

 

Дискретный вход

 

Состояние

 

 

Заземление

 

 

 

 

Ток

Дискретный выход

 

 

Линия питания датчика (постоянно включен)

 

Дискретный вход

 

 

Вход датчика (положительное напряжение)

 

Обратите внимание, что при сбое питания или отключении разрешающего реле источник питания датчика

также отключится. Это связано с тем, что модуль может быть поврежден из-за наличия шунтирующего

диода в цепи питания. Поэтому питание на входы с положительным напряжением рекомендуется подавать

через выход.

 

 

5.2.1.6.2 Схема выходной цепи

Многофункциональный выход MF-DO, дискретный выход, подключение в режиме источника

 

Электронный блок управления

Vcc

Линия питания Vs1

10 А с задержкой

Ток

срабатывания

10 кОм

 

 

Разрешающее

12/24 В Дискретный выход

реле

Логическое

Шунтирующий диод*

состояние

 

Заземление

 

* См. главу «Коммутация индуктивных нагрузок»

Мобильная система управления X90 Руководство пользователя V 1.20 - Перевод руководства

55