;
(2.47)
;
(2.48)
.
(2.49)
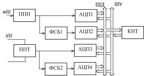
Информационно-измерительная система,
реализующая метод, представлена на рисунке 2.18.
Рис. 2.18. Структурная схема ИИС,
реализующей третий метод
ИИС содержит те же блоки, что и предшествущие схемы, дополнительно в каналы напряжения и тока добавлены нуль-органы НО1 и НО2 для определения переходов сигналов через ноль.
В этом методе время измерений также зависитят от угла сдвига фаз между сигнала напряжения и тока.
Если принимать, что ФСБ в каналах
напряжения и тока имеют угол сдвига фазы равный (90°+Δβ), то выражения для
мгновенных значений сигналов равны:
(2.50)
В соответствии с (2.46) - (2.50)
выражения для выявления относительных погрешностей измерения СКЗ напряжения и
тока и приведенных погрешностей измерения АКТМ и РКМ будут иметь вид:
(2.51)
(2.52)
(2.53)
Анализ выражений (2.51) - (2.53) показывает, что погрешности измерения интегральных характеристик соответсвенно зависят от отклонения угла сдвига фаз ФСБ от 90°, кроме того, погрешности измерений АКТМ и РКМ зависят от угла сдвига фаз между сигналами напряжения и тока φ.
На рис. 2.19 - 2.21 приведены
графики зависимостей погрешностей измерения ИХГРС в соответствии с выражениями
(2.51) - (2.53).
Рис. 2.19. Зависимость погрешности
от Δ β
Рис. 2.20. Зависимость погрешности
от φ
Рис. 2.21. Зависимость погрешности
от φ
Погрешности по модулю ФСБ отсутствует, так как дополнительные сигналы применяются только для выявления переходов через ноль.
При отличии правдивого сигнала от
гармонической модели возникает погрешность. К примеру, при наличии пятых
гармоник в сигналах напряжения и тока с коэффициентами hu5=hi5=0,5%,
относительная погрешность измерений СКЗ составляет около 0,5%; приведенная
погрешность определения АКМ изменяется в диапазонах от 0,5 до 1%, принимая
минимальные значения при
и
максимальные при
;
приведенная погрешность измерения РЕМ имеет минимальное значение 1 % при
.
.5 Метод измерения интегральных
параметров по ортогональным составляющим, связанным с переходами через ноль
входных сигналов напряжения и тока
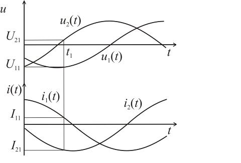
Четвертый метод построен на определении ИПГРС по двум мгновенным значениям напряжения и одному мгновенному значению тока. В данном методе мгновенные значения тока взяты в моменты перехода через ноль сигнала напряжения, мгновенные значения напряжений взяты одновременно в момент перехода сигнала тока через ноль, причем второе мгновенное значение напряжения сдвинуто относительно первого на 90º.
Временные диаграммы, поясняющие
метод, представлены на рисунке 2.22.
Рис. 2.22. Временные диаграммы,
поясняющие четвертый метод
Для данного метода мгновенные
значения сигналов имеют вид:
(2.54)
Для гармонических моделей напряжения и тока примеры для определения интегральных характеристик сигналов имеют такой вид:
- СКЗ напряжения и
тока:
;
(2.55)
;
(2.56)
АКМ и РЕМ:
;
(2.57)
.
(2.58)
Рассмотренный метод заметно сокращает время измерений при φ=0 или φ=π.
Если в моменты перехода сигнал напряжения через ноль I1=0, то это означает, что угол сдвига фаз между напряжением и током принимает одно из двух значений: φ1=0 или φ2= π, что соответствует cosφ1=1 или cosφ2=-1.
В этом случае для определения ИПГРС производится измерение мгновенных значений тока и напряжения u'(t) в момент времени t2=t1+Δt.
Временные диаграммы при φ=0 представлены на рисунке
2.23.
Рис. 2.23. Временные диаграммы при φ=0
При этом РКМ приравнена нулю, а
остальные интегральные характеристики определяют в соответствии с выражениями:
(2.59)
(2.60)
(2.61)
где
,
,
.
В данном методе время измерения также зависит от угла сдвига фаз между сигналами напряжения и тока.
Структурная схема ИИС, реализующей,
метод представленна на рисунке 2.24.
Рис. 2.24. Структурная схема ИИС,
реализующей четвертый метод
В состав ИИС входят так же блоки, что и у предшествующих схем.
Если считать, что ФСБ в канале
напряжения имеет угол сдвига фазы равный (90°+Δβ),
то выражения для мгновенных значений сигналов равны:
(2.62)
В соответствии с (2.55), (2.56) и
(2.62) относительные погрешности измерения СКЗ напряжения и тока определяется
соответственно выражениями:
(2.63)
В соответствии с (2.57), (2.58) и
(2.62) приведенные погрешности измерения АКМ и РЕМ соответствуют выражениям:
(2.64)
(2.65)
На рис. 2.25 представлены графики
зависимостей относительных погрешностей определения СКЗ напряжения и тока от
угла сдвига фаз между сигналами и отклонения угла сдвига фазы ФСБ от 90° в
соответствии с выражением (2.40).
Рис. 2.25. Зависимости погрешностей
от φ
Анализируя рис. 2.25 кажется, что
при
погрешность равна нулю, а при
- принимает максимальные значения.
На рис. 2.26 и 2.27 представлены
графики зависимости приведенной погрешности определения АКМ и РЕМ от угла
сдвига фаз между сигналами напряжения и тока в соответствии с выражениями
(2.90) и (2.91) для различных значений угла Δβ.
Рис. 2.26
Рис. 2.27. Зависимости погрешностей
от φ
Анализ рис. 2.26 указывает, что при
значении
l=0,1,… погрешность имеет минимальные значения.
Анализ рис. 2.27 указывает, что при
погрешность практически равна нулю, а при
погрешность задает максимальные значения.
Когда амплитудное значение сигнала
на выходе ФСБ в канале напряжения отличаются от входного на величину ΔUm, то мгновенное значение
дополнительного напряжения будет иметь вид:
.
Предельные значения абсолютных
погрешностей измерения СКЗ напряжения и тока, АКМ и РЕМ имеют вид:
;
(2.66)
;
(2.67)
;
(2.68)
.
(2.69)
Используя (2.55) - (2.58), с учетом
абсолютных погрешностей (2.66) - (2.69) можно определить относительные
погрешности измерения СКЗ напряжения и тока и приведенные погрешности
определения АКМ и РЕМ (при φ≠πl):
;
(2.70)
;
(2.71)
;
(2.72)
.
(2.73)
Анализ выражений (2.70) - (2.73) указывает, что погрешности определения ИПГРС зависят не только от погрешности по модулю ФСБ в канале напряжения, но и от угла сдвига фаз между сигналами напряжения и тока φ.
На рис. 2.28 - 2.31 предоставлены
графики зависимостей относительного погрешностей определения СКЗ напряжении и
тока и приведенных погрешностей измерений АКМ и РЕМ от угла сдвига фаз между
сигналами φ при
hmU=hmI=0,05%.
Рис. 2.28. Зависимость погрешности
от φ
Рис. 2.29. Зависимость погрешности
от φ

Рис. 2.31. Зависимость погрешности
от φ
Анализ показывает прибыль
погрешностей при углах сдвига фаз между сигналом напряжения и тока в пределах φ=
.
При наличии в сигналах высших
гармоник появляется погрешность. Например, при hu5=hi5=0,5% относительные
погрешности измерения СКЗ напряжения и тока имеют минимальные значения, равные
0,22% и 0,5% соответственно. Приведенные погрешности измерения АКМ и РЕМ при
тех же значениях коэффициенты пятых гармоник равно 0 и 1% соответственно.
.6 Метод измерения интегральных
параметров по мгновенным значениям ортогональных составляющих сигналов,
измеренным в произвольный момент времени
Пятый метод основан на определении интегральных характеристик сигналов по двум мгновенным значениям напряжения и тока, одновременно измеренным в произвольный момент времени, причем вторые мгновенные значения напряжения и тока сдвинуты относительно первых на угол 90° в сторону опережения.
Если сигналы напряжения и тока в
исследуемой цепи имеют гармонические модели, то их точные значения в
произвольный момент времени t1 равны:
(2.74)
Выражения для определения ИПГРС принимают следующий вид:
- СКЗ напряжения и
тока:
;
(2.75)
;
(2.76)
АКМ и РЕМ:
;
(2.77)
.
(2.78)
Временные диаграммы, поясняющие
метод, приведены на рисунке 2.32.
Рис. 2.32. Временные диаграммы,
поясняющие пятый метод ИИС, реализующая метод, представлена на рисунке 2.33
Рис. 2.33. ИИС, реализующая пятый
метод
Время измерений ИПГРС в данной ИИС не зависит от момента начала измерения и угла сдвига фаз между током и напряжением, а определяется только временем аналого-цифрового преобразования мгновенных значений сигналов, ввода кодов в контроллер и выполнения вычислительных операций.
В связи с наличием в составе схемы ФСБ, методу свойственна угловая погрешность. Значения погрешностей измерения ИПГРС похожи приведенным в разделе 2.3.
Если амплитудное значение сигнала на
выходе ФСБ в канале напряжения отличное от входного на величину ΔUm, то мгновенное значение
дополнительного напряжения примет вид:
. Так же, при отличии дополнительного тока от входногых на величины ΔIm, мгновенные значения
дополнительного сигнала будут равны
.
Предельные значения абсолютных
погрешностей измерения СКЗ напряжения тока, АКТМ и РКМ примут вид:
;
(2.79)
;
(2.80)
;
(2.81)
.
(2.82)
Используя (2.75) - (2.78), с учетом
абсолютных погрешностей (2.79) - (2.82) возможно определить относительные
погрешность измерений СКЗ напряжения и тока и приведенная погрешности
определения АКМ и РЕМ:
;
(2.83)
;
(2.84)
;
(2.85)
.
(2.86)
Графики зависимостей относительных погрешностей измерений СКЗ напряжения и тока похожи представленным на рисунке 2.22.
На рис. 2.34 и 2.35 представлены
графики зависимостей приведенных погрешности определения АКМ и РЕМ от α1 и α2 при hmU= hmI =0,05%.
Рис. 2.34. Зависимость погрешности γP от α1 и α2
Рис. 2.35. Зависимость погрешности γQ от α1 и α2
Анализ графиков (рис. 2.34 и 2.35) указывает на уменьшение погрешности измерения АКМ и увеличение погрешностей определения РЕМ с ростом α1 и α2.
При разности реального сигнала от
гармонической модели появляется погрешность [56]. К примеру, при наличии пятой
гармоник в сигналах напряжения и тока с коэффициентами hu5=hi5=0,5%,
относительно погрешности измерения СКЗ принимает минимальное значение, равное
0,5% при
и максимальное 0,7% при
; приведенная погрешность измерения АКМ и РЕМ зависит от начальнго
фаз сигнала и принимает минимальные значения, равные 1 % при
.