Фотоприймачі призначені для перетворення світлових сигналів в електричні. У напівпровідникових фотоприладах використовується внутрішній фотоефект, який полягає в тому, що при опроміненні електрони напівпровідникового кристала набирають додаткової енергії, що необхідна для вивільнення їх з ковалентних зв’язків. Тому в напівпровідниках з’являються додаткові носії електричного заряду, які збільшують електропровідність.
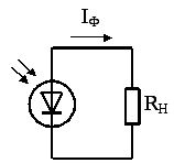
Фоторезисторами називають напівпровідникові прилади, електричний опір яких змінюється під дією світла. Конструктивно фоторезистор складається з діелектрика 3, на який нанесено світлочутливий шар напівпровідника 1, і зовнішніх електродів 2 (рис. 6.5 а).

а) б) в)
Рисунок 6.5 – Будова (а), схема вмикання (б) та статична характеристика (в) фоторезистора
Схема вмикання фоторезистора до електричного кола показана на рис. 6.5 б. Увімкнення джерела Е не залежить від полярності, оскільки фоторезистор не має вентильних властивостей.
Вихідним матеріалом виготовлення світлочутливого шару фоторезистора є PbS, CdSe або CdS.
За
відсутності світла (світловий потік
)
фоторезистор має великий темновий
опір, і при прикладенні зовнішньої
напруги через нього протікає малий
темновий струм
.
Під дією світла опір фоторезистора
зменшується, і через нього проходить
струм
=
+
,
(6.1)
де
- коефіцієнт пропорціональності;
-
світловий потік;
-
темновий струм (темновий опір фото
резистора – сотні кілоомів).
Залежність
=
(
)
при
=
відповідно
до формули (6.1) показана на рис. 6.5 в.
При
низьких рівнях освітлення залежність
=
(
)
можна вважати лінійною:
=
+
,
(6.2)
де
- інтегральна чутливість фоторезистора.
Недоліками
фоторезисторів є нелінійність
характеристики
та
мала швидкодія (граничні частоти приладу
не перевищують 1 кГц). Фоторезистори
застосовують як оптоелектронні датчики,
а також як фотоприймачі в оптронах.
У
фотодіодах кристал НП обернений до
скляного вікна, через яке надходить
світловий потік. Під дією світла на
–
перехід фотодіода внаслідок явища
внутрішнього фотоефекту в областях
біля переходу відбувається додаткова
генерація пар “електрон-дірка”. Під
дією дифузійного поля
–
переходу фотодірки переміщуються до
області
,
а фотоелектрони – до області
.
При цьому створюється фотоЕРС
=
(0,1
1) В, залежність якої від світлового
потоку показана на рис. 6.6.

Рисунок 6.6 – Залежність фотоЕРС від світлового потоку
Під
дією цієї фотоЕРС у зовнішньому колі
фотодіода протікає фотострум
,
що збігається за напрямком зі зворотним
струмом p-n
–
переходу (рис. 6.7).

Рисунок 6.7 – До пояснення принципу дії фотодіода
Оскільки фотострум протікає незалежно від струму, який викликається зовнішнім джерелом напруги, то вираз для повного струму може бути записаний у вигляді
, (6.3)
де
- струм насичення (екстракції)
–
переходу;
- зовнішня напруга;
- фотострум.
Дія
фотоЕРС на
–
перехід еквівалентна додатковому
зворотному зміщенню переходу, наслідком
чого є збільшення зворотного струму
фотодіода на величину
.
Сім’я ВАХ фотодіода показана на рис. 6.8.

Рисунок 6.8 – Сім’я ВАХ фотодіода
Оскільки
фотоЕРС і пряма напруга ввімкнені
назустріч одна одній, то при їх рівності
струм діода дорівнює нулю, що відповідає
режимові холостого ходу. ЕРС холостого
ходу при
можна визначити за формулою (6.3):
=
.
Цю фотоЕРС знаходять також з ВАХ рис. 6.8.
Фотодіоди використовують у двох режимах: вентильного фотоелемента (рис. 6.9) та фотодіодному (рис. 6.10).

Рисунок 6.9 – Режим вентильного фотоелемента
У
першому режимі фотодіод використовують
як джерело струму, датчик, що генерує
ЕРС
,
у чутливому індикаторі випромінювання
або сонячній батареї. ФотоЕРС може
досягати 1 В.
У цьому режимі робоча точка пересувається
вздовж осі
на ВАХ рис. 6.8 залежно від інтенсивності
світла.
У
другому режимі (рис. 6.10) фотодіод працює
на зворотній гілці ВАХ як фоторезистор,
опір якого залежить від світлового
потоку. Робоча точка може займати
будь-яке положення між осями
,
залежно від напруги джерела
і світлового потоку
.

Рисунок 6.10 – Фотодіодний режим
Фотострум
залежить не тільки від потоку
,
але й від довжини хвилі світлового
випромінювання, яке діє на
–
перехід. Цей факт ілюструє спектральна
характеристика рис. 6.11.

Рисунок 6.11 – Спектральна характеристика германієвого фотодіода
Параметрами фотодіода є:
-
темновий струм
струм, що проходить через діод при
робочій напрузі і відсутності світла;
-
робоча напруга
напруга на діоді у фотодіодному режимі;
інтегральна
чутливість.
До таких фотоприймачів належать фоторезистори та фототиристори.
Крім перетворення світлової енергії в електричну з утворенням фотоструму, як у фотодіодах, фототранзистор ще й підсилює цей фотострум.
Розглянемо
роботу фототранзистора у ССЕ в режимі
з вимкненою базою (
)
(рис. 6.12).


a) б)
Рисунок 6.12 – Структура і схема вмикання фототранзистора (а), статичні вихідні характеристики (б)
Якщо
,
то через фототранзистор проходить
невеликий темновий струм
=
(
+1).
(6.4)
При
освітленні області бази через вікно
(
)
в ній генеруються нерівноважні пари
носіїв заряду – фотоелектрони та
фотодірки, які дифундують до ЕП та КП.
При цьому поле КП розділяє заряди:
електрони рухаються до n
- колектора, дірки – до p-
бази. У колі колектора під дією цих
електронів зростає струм на величину
.
Дірки створюють у базі позитивний
заряд, який зміщує ЕП у прямому напрямі
і викликає інжекцію електронів. Унаслідок
інжекції електронів через ЕП, їх дифузії
через базу та екстракції через КП струм
колектора додатково зростає на величину
![]()
.
Тобто фотодірки у базі відіграють роль
вхідного струму бази.
Загальний колекторний струм фототранзистора
=
+![]()
+
=
(1+
)
+
. (6.5)