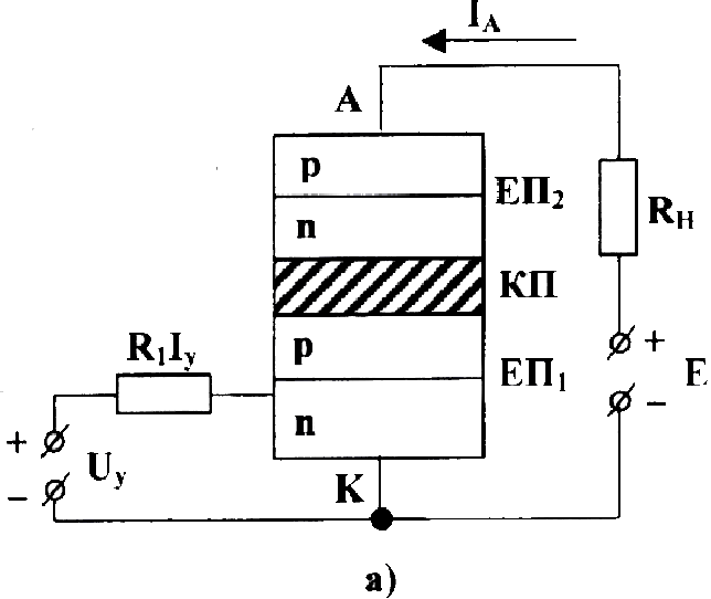
Триністор
відрізняється від диністора наявністю
третього виводу, з’єднаного з базовою
областю. Це дозволяє керувати величиною
напруги ввімкнення
,
змінюючи струм у колі керувального
електрода.
Керувальний електрод може з’єднуватися з будь-якою базою тиристора (рис. 5.5 а, б).
Збільшуючи
струм керування
,
можна збільшити коефіцієнт передачі
струму
відповідного емітера, це приводить до
того, що рівність
виконуватиметься при меншій анодній
напрузі, і ввімкнення тиристора
відбуватиметься при меншому значенні
(рис. 5.5 в). Фізично це означає, що
накопичення надлишкових зарядів у
базах структури відбуватиметься швидше,
ніж у випадку диністора, тому що джерело
напруги керування
у
колі будь-якої з баз прискорює інжекцію
через відповідний ЕП.



а) б) в)
Рисунок 5.5 – Структура триністора: а) з керуванням по катоду; б) з керуванням по аноду; в) сім’я ВАХ триністора
Струм
і напруга кола керування невеликі,
струм у анодному колі може досягати
одиниць амперів (у тиристорах середньої
потужності) або десятків – сотень
амперів (у силових тиристорах) при
анодних напругах від десятків – сотень
вольтів до тисяч вольтів. Тому триністори –
це своєрідні підсилювачі потужності
з коефіцієнтом підсилення
.
Триністори серед інших тиристорних структур мають найбільше практичне застосування в електроніці. Для більш зручного керування тиристором керувальний електрод з’єднують з базою, що має меншу ширину, оскільки коефіцієнтом передачі струму емітера саме такої транзисторної структури (n-p-n – на рис. 5.5 а і p-n-p – на рис. 5.5 б) легше керувати, ніж коефіцієнтом передачі транзистора з товстою базою.
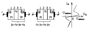
Симетричний
тиристор, або симістор, - це тиристор,
який має практично однакові ВАХ при
різних полярностях прикладеної напруги.
Симістор являє собою багатошарову
структуру
-
-
-
-
типу, що складається з п’яти
напівпровідникових областей, типи
провідності яких чергуються і утворюють
чотири
переходи (рис. 5.6).

a) б) в)
Рисунок 5.6 – Структура (а, б) та ВАХ (в) симетричного тиристора
Якщо
до такого тиристора прикласти напругу
плюсом до області
,
а мінусом
до області
(рис. 5.6 а), то перехід 1 ввімкнеться
у зворотному напрямі, і струм, що протікає
через нього, буде дуже малим. Робочою
частиною у такому режимі буде
-
-
-
структура, в якій проходитимуть
процеси, характерні для диністора.
Якщо
зовнішню напругу прикласти плюсом до
області
,
а мінусом
до області
,
то в зворотному напрямі ввімкнеться
перехід 4, і робочою частиною симістора
буде диністор структури
-
-
-
(рис. 5.6 б).
Таким чином, симістор може бути поданий у вигляді двох тиристорів, увімкнених паралельно і назустріч один одному. ВАХ симістора показана на рис. 5.6 в.
Крім
описаного у попередньому параграфі
способу ввімкнення тиристора шляхом
повільного збільшення анодної напруги
до величини
,
існують й інші способи.
Цей
спосіб уможливлює ввімкнення тиристора
у триністорному режимі у разі, коли на
аноді приладу є деяка напруга (
<
).
Тоді, збільшуючи струм
,
можна ввімкнути тиристор. Найбільш
поширеним способом керування є імпульсний
спосіб. При цьому процес накопичення
нерівноважних носіїв відбувається
немиттєво, і тому для ввімкнення
тиристора необхідно, щоб імпульс струму
керування мав певну тривалість і
амплітуду. Розглянемо випадок керування
по катоду.
Час перемикання тиристора можна розбити на два інтервали, що відповідають різним законам зміни струму через тиристор (рис. 5.7).
Час
задержки
визначається часом дифузії інжектованих
з
-
емітера електронів через
-
базу до КП. Струм через КП і, отже, через
тиристор зростатиме відчутно лише
тоді, коли інжектовані електрони
досягнуть КП. На діаграмі рис. 5.7 –
це проміжок часу, за який струм збільшиться
до 0,1 від усталеного значення (або час,
за який анодна напруга на тиристорі
знизиться до 0,9 від свого початкового
значення).

Рисунок 5.7 – Перехідні процеси струму і напруги при ввімкненні тиристора
Час
наростання
зв’язаний з інерційністю процесу
накопичення нерівноважних носіїв
заряду в базах тиристора. За цей час
струм анода різко зростає до величини
0,9
,
а напруга на аноді зменшується від 0,9
до 0,1
.
Цей інтервал часу відповідає перебуванню
робочої точки на ділянці негативного
диференціального опору (ділянка III на
ВАХ рис. 5.2 в), і тому процес
перемикання має регенеративний,
лавиноподібний, нестійкий характер.
Цей процес обов’язково закінчиться
зміною стану приладу, навіть якщо в цей
час припиниться дія імпульсу керування.
Саме тому тривалість імпульсу керування
може вибиратись у межах
.
Закінчення перемикання тиристора
відповідає моменту, коли знак напруги
на КП зміниться на протилежний. Реальна
тривалість імпульсу керування досягає
15-20 мкс. Після закінчення імпульсу
тиристор перебуватиме у відкритому
стані і надалі, якщо
або
(див. ВАХ рис. 5.2 в), тобто якщо робоча
точка буде на IV ділянці ВАХ.
Процес відкривання тиристора за допомогою імпульсу струму керування має ще й інші особливості. Спочатку відкривання КП відбувається у вузькому каналі біля керувального електрода, оскільки більша частина амплітуди імпульсу керування спадає на розподіленому опорі бази, і тому інжекція через ЕП збільшується не на всій його площі, а на ділянці біля керувального електрода. Виникає струмопровідний “шнур”, який може призвести до локального перегріву тиристорної структури. Лише потім за рахунок дифузії носіїв канал розширюється на всю площу переходу.
При
імпульсному керуванні по аноду також
спостерігається явище, коли напруга
ввімкнення зменшується порівняно з
напругою ввімкнення у неперервному
режимі. Тиристор вмикатиметься за
допомогою імпульсу анодної напруги,
амплітуда якого менша за величину
у режимі, коли напруга на аноді тиристора
зростає повільно. Це явище зумовлене
дією бар’єрної ємності КП, струм через
яку під час перезаряду дорівнює
(5.3)
і
буде тим більшим, чим більша швидкість
наростання анодної напруги на тиристорі
(ефект
).
Цей струм, протікаючи через емітерні
переходи приладу, викликає збільшення
коефіцієнтів передачі
та
,
і тоді сума
+
дорівнює одиниці при меншій напрузі.
Інакше кажучи, дія ємнісного струму КП
аналогічна до дії струму керування у
триністорі.
Вимкнення тиристора шляхом розриву анодного кола
Тиристор переходить до вимкненого стану тільки після розсмоктування нерівноважних носіїв заряду в базах. Якщо перед закінченням процесу вимкнення знову до тиристора прикласти анодну напругу, прилад опиниться у ввімкненому стані. Тому, оскільки процес розсмоктування носіїв відбувається немиттєво, для вимкнення тиристора потрібен деякий час.
При вимкненні тиристора шляхом розриву анодного кола розсмоктування відбувається тільки внаслідок рекомбінації, і тому час вимкнення тиристора великий і залежить від тривалості життя носіїв заряду.
Вимкнення за рахунок зміни полярності анодної напруги
Очікуваний виграш часу при вимкненні тиристора цим способом відбудеться лише при великих зворотних напругах (рис. 5.8).

Рисунок 5.8 – Залежність часу вимкнення тиристора від величини зворотної напруги
Це зумовлено тим, що для прискорення процесу розсмоктування носіїв у базах треба забезпечити їх ефективну екстракцію через емітерні переходи. Для цього треба ввімкнути ЕП1 та ЕП2 у зворотному напрямі й значно підвищити їх потенціальні бар’єри. Зробити це одразу, в момент подачі на анод зворотної напруги, неможливо, тому що, поки носії у базах не розсмокталися, негативний заряд у n-базі та позитивний надлишковий заряд у p-базі підтримуватимуть емітерні переходи у відкритому стані. При помірних зворотних напругах практично відбувається підвищення потенціальних бар’єрів ЕП1 та ЕП2. Крім того, перезаряд бар’єрної ємності КП також заважає швидкій зміні стану тиристора. Саме тому, як правило, тиристор вимикають шляхом подачі великої зворотної напруги на анод.
Для вимкнення тиристора необхідно відвести нерівноважні носії заряду з бази, з’єднаної з керувальним електродом. Анодний струм, що протікає через ще відкритий тиристор, постійно поповнює кількість нерівноважних носіїв заряду в базах. Тому значення струму керування (викликаного напругою на керувальному електроді зворотної полярності), необхідне для вимкнення тиристора, залежить від значення анодного струму через тиристор (рис. 5.9).

Рисунок 5.9 – Залежність зворотного струму керування, необхідного для вимкнення тиристора, від прямого анодного струму
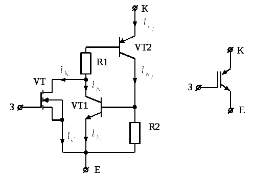
У другій половині 80-х років з'явилася ідея створення комбінованого силового біполярного транзистора з МОН - керуванням на вході, названого в закордонних публікаціях IGBT (Insulated Gate Bipolar Transistor), тобто БТІЗ - біполярний транзистор з ізольованим затвором. Прообразом БТІЗ є схема складеного транзистора на комплементарних біполярних транзисторах – схема Шиклаї (рис. 5.10). Тип провідності конструкції (рис. 5.10) у цілому визначається типом провідності VT1.

Рисунок 5.10 – Схема Шиклаї
Структурне ввімкнення транзистора у такому складанні і умовне його позначення, показані на рис. 5.11 а та 5.11 б, відповідно.

а) б)
Рисунок 5.11 – Транзистор БТІЗ: а) структурна схема, б) умовне позначення
Транзистори
БТІЗ
були виготовлені закордонними фірмами
у 1992 році. БТІЗ
- транзистор
являє собою р-n-р
структуру, керовану
від низьковольтного
МОН
транзистора
з
індукованим каналом. Отримана структура
із транзисторів VT1
і VT2
має внутрішній позитивний зворотний
зв'язок, оскільки струм колектора VT2
впливає на струм бази VT1
і навпаки. Коефіцієнти передачі струму
емітера транзисторів VT1
і VT2
відповідно рівні
і
.