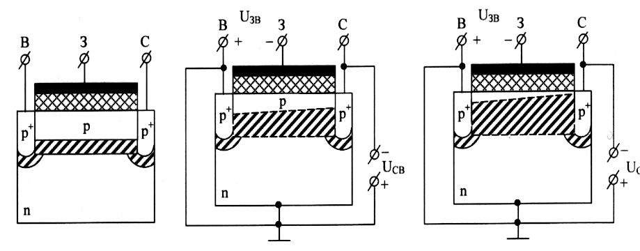
4.2.2 МДН - транзистори з індукованим каналом
Будова
МДН (МОН) - транзистора з індукованим
каналом p
– типу зображена на рисунку 4.12. У НП
- типу (підкладці) дифузійним способом
створені дві збагачені
-
області, які не мають між собою
електричного зв’язку, бо відділені
одна від одної зустрічними
–
переходами. Одна з цих областей є
витоком, друга – стоком. Металева
пластина, відділена від поверхні
підкладки ізолювальним шаром двоокису
кремнію, відіграє роль затвора.
При
і ненульовій напрузі стоку (рис. 4.12 а)
між витоком і стоком проходить малий
зворотний струм
–
переходу. Транзистор закритий.
Якщо
тепер до металевого затвора прикласти
відносно підкладки негативну напругу,
то під дією електричного поля починається
дрейф електронів від поверхні вглиб
кристала. При пороговій напрузі
відбувається інверсія типу
електропровідності приповерхневого
шару і виникає канал
p
- типу, що з’єднує електрично області
витоку і стоку (рис. 4.12 б).

а) б) в)
Рисунок
4.12 – Будова МДН - транзистора з індукованим
каналом: а)
=0;
б)
<0;
в) схемні позначення
При
ненульовій напрузі стоку через канал
і в зовнішньому колі потече струм
,
який у каналі зумовлений рухом дірок
від витоку до стоку. Оскільки струм
,
що протікає через канал, створює на
його опорі падіння напруги
,
як у ПТКП, то електричне поле біля витоку
стає більшим, ніж біля стоку, і тому
канал біля витоку ширший.
При
збільшенні негативної напруги на
затворі глибина проникнення інверсного
шару в НП збільшується , канал розширюється,
його провідність і струм стоку
зростають. Цей режим, коли збільшення
за модулем напруги
приводить до зростання струму стоку
,
називають режимом збагачення.
Очевидно,
що при прикладенні до затвора позитивної
напруги струм стоку буде складати
мізерну величину, як струм
–
переходу в зворотному ввімкненні,
оскільки каналу не існуватиме.
Статична стокозатворна характеристика МДН – транзистора показана на рис. 4.13.
Форма характеристики відповідає принципу дії МДН – транзистора з індукованим каналом. З характеристики бачимо, що такі МДН - транзистори збагаченого типу.

Рисунок 4.13 – Стокозатворна характеристика МДН - транзистора з індукованим p - каналом
Стокові (вихідні) характеристики МДН - транзистора з індукованим каналом показані на рисунку 4.14.

Рисунок 4.14 – Вихідна характеристика МДН - транзистора збагаченого типу
За
формою вони аналогічні до вихідних
характеристик ПТКП і зумовлені подібними
процесами у каналі. Зміщення вихідних
характеристик угору при збільшенні
негативної напруги
зумовлене розширенням каналу і
зменшенням його електричного опору
(зростанням струму стоку).
МДН – транзистори з індукованим каналом, крім їх використання як дискретних приладів (КП 301, КП 304 з р - каналом, КП 350 з n - каналом), використовують у мікроелектроніці в так званих КМОН - структурах.
4.2.3 МДН - транзистори із вбудованим каналом
У
МДН - транзисторах із вбудованим каналом
канал створюється конструктивно, на
стадії виготовлення, а не виникає
внаслідок інверсії типу електропровідності
приповерхневого шару, як у транзисторах
з індукованим каналом. Тому в таких
транзисторах при нульовій напрузі на
затворі і при напрузі між стоком та
витоком, відмінній від нуля, через канал
протікає деякий струм, який називається
початковим струмом стоку
(рис. 4.15). У МДН – транзисторах з вбудованим
каналом p
- типу збільшення негативної напруги
на затворі приводить до розширення
каналу і збільшення струму стоку (рис.
4.15 б). Збільшення на затворі такого
транзистора позитивної напруги (рис.
4.15 в) спричиняє надходження електронів
з товщі напівпровідника до приповерхневого
шару. Ширина каналу, його електропровідність,
а також струм стоку зменшуються.

а) б) в)
Рисунок 4.15 – Будова МДН - транзистора з вбудованим каналом
При
деякій позитивній напрузі на затворі
(
)
відбувається інверсія типу провідності
каналу, і області стоку й витоку
розділяються областю n
- типу. Струм стоку зменшується до
значення зворотного струму
–
переходу.
Режим
роботи транзистора, коли збільшення
напруги
за модулем приводить до зменшення
струму стоку, називають режимом
збіднення. Оскільки лише МДН – транзистори
з вбудованим каналом, крім режиму
збагачення, мають ще й режим збіднення,
то вони називаються польовими
транзисторами збідненого типу.
Статичні
характеристики МДН – транзистора з
вбудованим каналом
-
типу наведені на рисунку 4.16. Вигляд їх
подібний до вигляду характеристик
інших польових транзисторів. Однак ці
характеристики, на відміну від попередніх,
мають область позитивних затворних
напруг (область збіднення) і область
негативних затворних напруг (область
збагачення).


а) б) в)
Рисунок 4.16 – Статичні характеристики МДН – транзисторів
з вбудованим p - каналом:
а) стокозатворні; б) стокові; в) схемні позначення
Переваги
польових транзисторів – високий вхідний
опір і, як наслідок, дуже мале споживання
енергії в керувальному колі, високий
порівняно з БТ коефіцієнт підсилення
потужності, ще більший, ніж ПТКП,
властивий МДН – транзисторам. Та
обставина, що металевий затвор у цих
приладах ізольований від напівпровідникової
підкладки тонким шаром діелектрика,
зумовлює, що вхідний опір МДН –
транзисторів у десятки – сотні разів
вищий, ніж у ПТКП, і досягає десятків
мегаомів, тобто затворний струм
не перевищує одиниць наноамперів. До
того ж, ця властивість польових
транзисторів з ізольованим затвором
зумовлює збільшення завадостійкості
і надійності роботи електронних схем,
у яких вони використовуються. Але у
таких приладів є суттєвий недолік.
Відомо, що шар діелектрика завтовшки
1 мкм пробивається напругою 500 - 600
В. У МДН - транзисторах ізолювальна
плівка має товщину 0,1 – 0,15 мкм, і тому
її пробивна напруга не перевищує кількох
десятків вольтів. Внаслідок цього МДН–
транзистори є дуже чутливими до статичної
електрики, навіть до тієї, що накопичується
на людському тілі. Тому в довідниках
рекомендовано паяння і згинання виводів
цих транзисторів здійснювати не ближче
3 мм від корпусу. Під час транспортування,
зберігання і монтажу виводи приладів
повинні закорочуватись, а руки оператора
і паяльник потрібно заземляти.
Прикладами МДН – транзисторів з вбудованим каналом є малопотужні прилади: КП 305, КП 306, КП 313. Усі ці транзистори високочастотні і тому мають провідність каналу n - типу. До потужних МДН - транзисторів із вбудованим n - каналом належать транзистори КП 901.
У
ПТКП зміна температури приводить до
зміни контактної різниці потенціалів
на
–
переході, зворотного струму через
перехід, а також до зміни рухомості
основних носіїв заряду.
Зміна
супроводжується, згідно з формулою
(4.2), зміною глибини проникнення
–
переходу до каналу, а це дещо змінює
напругу відсічення
.
Наприклад, при збільшенні температури
на 1˚С
зменшується на 2мВ,
товщина
–
переходу зменшується, а напруга
відсічення зростає, причому
![]()
=![]()
.
Зменшення товщини
– переходу
спричиняє розширення каналу, тобто
збільшення струму
.
Водночас залежність рухомості основних носіїв у каналі від температури може бути виражена формулою
=
, (4.18)
де
,
- рухомость носіїв при температурі
і
відповідно;
-
коефіцієнт.
З
формули (4.18) випливає, що при збільшенні
температури рухомість основних носіїв
зменшується, опір каналу внаслідок
цього збільшується, струм стоку
зменшується.
Отже,
зміна
і рухомості основних носіїв у каналі
при зміні температури протилежно
впливають на опір каналу та струм
стоку
.
За певних умов дія цих факторів взаємно
компенсується, і при деякій напрузі на
затворі струм стоку
не залежатиме від температури (рис.
4.17).

Рисунок 4.17 – Температурний дрейф стокозатворних характеристик ПТКП
Точку
А на стокозатворній характеристиці
ПТКП КП 103М (рис. 4.17), в якій струм
не залежить від температури, називають
термостабільною точкою. Лівіше від
цієї точки струм
зі збільшенням температури зменшується,
правіше – збільшується. При цьому
збільшення температури приводить до
деякого збільшення напруги відсічення.
Але на основній ділянці роботи ПТКП
(лівіше т. А) струм стоку і крутизна
зменшуються при зростанні температури.
Ця обставина зумовлює істотну перевагу
ПТ перед БТ, у яких внаслідок явища
самоперегріву зростання колекторного
струму при нагріванні може призвести
остаточно до теплового пробою.
Вплив температури на хід стокових характеристик ПТКП показаний на рисунку 4.18.

Рисунок 4.18 – Вплив температури на стокові характеристики ПТКП
Разом
з тим збільшення температури приводить
до зростання зворотного (теплового)
струму керувального
переходу,
тобто вхідного струму ПТКП
(приблизно у 2 рази при збільшенні
температури на 10˚С ). Тому при збільшенні
температури вхідний опір ПТКП зменшується.
У
МДН - транзисторах температурну
залежність напруги відсічення (порогової
напруги) визначають зміною рівня Фермі,
зміною об’ємного заряду в збідненому
шарі
переходу між каналом та підкладкою, а
також залежністю величини заряду в
діелектрику від температури. Величина
порогової напруги в МДН – транзисторах
змінюється на 4-10 мВ при зміні температури
на 1 градус (залежно від типу приладу).
Температурні зміни характеристик і
параметрів МДН – транзисторів більші,
ніж у ПТКП.
Робочий діапазон температур ПТ менший, ніж у кремнієвих БТ (від -60˚С до +125˚С , як у КП 305, КП 306).