У динамічному режимі на вхід ПТ надходить змінна напруга, яка викликає зміну вихідного струму. З метою виділення корисного сигналу до вихідного кола транзистора вмикають елемент навантаження. Транзистор при цьому можна вмикати зі спільним витоком, спільним затвором або зі спільним стоком. Найбільше поширення має схема зі спільним витоком. Розглянемо деякі різновиди схем каскадів на ПТ зі спільним витоком.
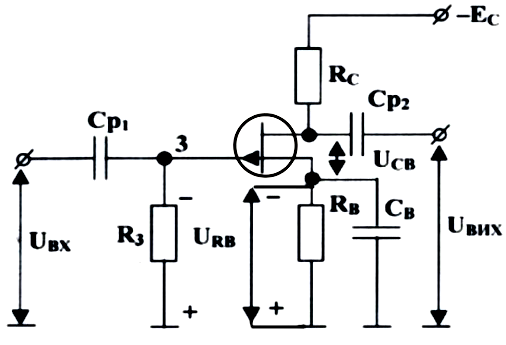
Найпростіша схема підсилювального каскаду на ПТКП зображена на рисунку 4.19 а.

а) б)
Рисунок 4.19 – Підсилювальний каскад на ПТКП (а) та стокозатворна характеристика транзистора (б)
Підсилювач
містить у собі ПТ, увімкнений зі спільним
витоком, резистор навантаження
,
ланцюжок автоматичного зміщення
,
і резистор
,
який забезпечує подачу на затвор напруги
зміщення з ланцюжка
,
і напруги вхідного сигналу, а також
роздільні конденсатори
і
.
При
в колі стоку і витоку протікає струм
спокою
,
який створює на резисторі
напругу зміщення керуювального
– переходу
.
Опір резистора
дорівнює
.
(12.1)
Резистор
-
це елемент негативного зворотного
зв’язку за постійним струмом. Збільшення
опору цього резистора приводить до
збільшення стабільності параметрів
підсилювача і разом з тим до зменшення
струму стоку і до зміщення робочої
точки на ділянку стокозатворної
характеристики з меншою крутизною
(рис. 4.19 б). Зменшення крутизни
викликає зменшення коефіцієнта
підсилення каскаду, а наближення робочої
точки до напруги відсічки зменшує
допустиму амплітуду вхідної напруги
і збільшує нелінійні спотворення
вихідної напруги. Тому для того, щоб
при збільшенні опору резистора
не зменшувався струм
,
до кола затвора потрібно або ввімкнути
додаткове джерело напруги живлення,
або ввімкнути затвор до розподільника
напруги з резисторів
і
(рис. 4.20).
Завдяки
цьому досягається часткова компенсація
падіння напруги на опорі
,
опір цього резистора може бути вибраний
більшим, ніж у схемі рисунку 4.19 а, і
спад напруги
.
У цьому випадку
.
(4.20)
Для
контура, створеного резисторами
,
та ділянкою затвор-витік ПТКП (рис.
4.20), можна записати
,
звідки
. (4.21)
Величину
опору
вибирають на основі вимог забезпечення
заданого значення вхідного опору
каскаду. Для створення на цьому резисторі
напруги за формулою (4.21) необхідно
забезпечити проходження через
розподільник
,
струму, що дорівнює
.
(4.22)

Рисунок 4.20 – Підсилювальний каскад на ПТКП з розподільником напруги на вході
Опір
резистора
визначають з рівняння
,
де
- напруга на стоці в режимі спокою.
З урахуванням формули (4.20) остаточно знаходимо
.
(4.23)
Опір
резистора
дорівнює
.
(4.24)
Властивості підсилювача на ПТКП оцінюються такими параметрами динамічного режиму:
- динамічною крутизною
; (4.25)
- динамічним коефіцієнтом підсилення
. (4.26)
Ці параметри розраховують або аналітично за формулами:
,
(4.27)
,
(4.28)
де
,
,
- статичні диференціальні параметри
ПТ (див. параграф 4.1), або за допомогою
графоаналітичного способу. Останній
дуже подібний до графоаналітичного
способу розрахунку параметрів режиму
підсилення БТ і полягає в наступному.
На сім’ї стокових (вихідних) характеристик
будують навантажувальну характеристику
для змінного струму. Оскільки змінна
складова струму
через резистор
не проходить, то рівняння навантажувальної
характеристики набирає вигляду
.
(4.29)
Перетин
цієї прямої зі статичною вихідною
характеристикою, знятою при вибраній
напрузі спокою
(рис. 4.21), визначає положення початкової
робочої точки, яка характеризується
струмом спокою
та напругою спокою
.
Після визначення цієї точки на
навантажувальній прямій за даною
амплітудою вхідної напруги
розраховують параметри режиму підсилення:
,
.
Оскільки
вхідний опір ПТКП великий, то вхідний
опір підсилювального каскаду (рис.
4.20) визначається опором розподільника
напруги
![]()
/(
+
)
.

Рисунок 4.21 – До розрахунку параметрів режиму підсилення каскаду на ПТКП
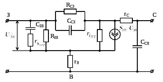
Для аналізу поведінки польових транзисторів на різних частотах використовують еквівалентну схему рис. 4.22.

Рисунок 4.22 – Еквівалентна схема польового транзистора
У
цій схемі враховано, що підкладка в
ПТКП з’єднується із затвором, а в МДН
– транзисторах – з витоком. Елементи
та
- це опори ділянки НП, які знаходяться
між омічними контактами стоку, витоку
й затвора. Елемент
-
це середній розподілений опір каналу,
через який заряджається і розряджається
ємність між затвором і витоком
.
Елементи
і
- це опори ввімкнених у зворотному
напрямі клерувальних
– переходів
у ПТКП або опори між стоком і затвором,
затвором і витоком у МДН - транзисторах.
Джерело струму
відображає процес керування вихідним
струмом ПТ за допомогою вхідної напруги
,
- внутрішній опір ПТ. Опори
та
у ПТКП становлять десятки Ом,
у МДН - транзисторів – частки Ом.
Опори
та
великі й для ПТКП становлять сотні
кілоомів, а для МДН - транзисторів
досягають значень
Ом.
Значення ємностей
і
становлять (3 - 20) пФ,
а ємність
не перевищує 10 пФ.