Польові транзистори (ПТ) – це напівпровідникові прилади, в яких протікання струму зумовлене дрейфом основних носіїв заряду під дією поздовжнього електричного поля, а керування величиною цього струму здійснюється за допомогою поперечного електричного поля, яке змінює електропровідність струмопровідної ділянки напівпровідника. Це поле створюється напругою, яку прикладено до керувального електрода.
Існують
два типи ПТ: польові транзистори з
керувальним
переходом (ПТКП) і польові транзистори
з ізольованим затвором, що мають
структуру метал – діелектрик –
напівпровідник (метал-окис-напівпровідник)
і називаються скорочено МДП (МОН) –
транзисторами.
Другий елемент позначення ПТ – літера “П”.
ПТ
з керувальним
– переходом
(ПТКП) виготовляються з кремнієвого
кристала n
- або p
- типу. Схемні позначення ПТКП показано
на рисунку 4.1.
![]()
а) б)
Рисунок 4.1 – Схемні позначення ПТКП з n - каналом (а) і з p - каналом (б)
До таких транзисторів належать прилади: КП 101, КП 102, КП 103, КП 201 – транзистори з p - каналом; КП 302, КП 303, КП 307, КП 312 – транзистори з n - каналом. Як бачимо з позначень, низькочастотні ПТКП мають канал p - типу, високочастотні – канал n - типу. Справа у тому, що в p - каналі основні носії – дірки, а їх рухомість менша, ніж у електронів, які є основними носіями в каналах n - типу.
Схематично
будова ПТКП з p
- каналом показана на рис. 4.2.
Транзистор
складається з напівпровідникової
області p
- типу і двох областей n
- типу. Останні з’єднуються разом і
утворюють керувальний електрод –
затвор. На межах поділу n
- областей та p
- області виникають високоомні
запірні шари – керувальний
–
перехід.

Рисунок 4.2 – Схематична будова польового транзистора з керувальним переходом і p - каналом
Частина
p
- області між запірними шарами називається
каналом. Під дією джерела напруги
у каналі утворюється поздовжнє електричне
поле, яке примушує дірки рухатися до
“-”
в напрямі від електрода, що називається
витоком, до електрода, який називається
стоком. Отже, в каналі і в зовнішньому
колі стоку протікає струм стоку
під дією напруги на стоці стосовно
витоку
.
На затвор відносно витоку подається
напруга
,
яка зміщує
– переходи
в зворотному напрямі. У колі затвора
протікає малий струм
.
Приклади
конструкції ПТКП зображені на рисунку
4.3 (КП 102) та рисунку 4.4 (КП 103). У рамках
планарної технології (рис. 4.3) засобом
дифузії в приповерхневому шарі
кремнієвого кристала
типу
створюються вузька область
типу
(канал) і дві високолеговані області p
- типу (витік і стік). На ці області
наноситься тонка плівка з алюмінію, до
якої припаюються виводи витоку і стоку.
Поверхня кристала покривається захисним
шаром двоокису кремнію (SiO2).
Затвором служить кристал-підкладка,
до якого припаюється вивід керувального
електрода. Уся конструкція розміщується
в герметичному металевому або
пластмасовому корпусі.

Рисунок 4.3 – Конструкція ПТКП КП 102

Рисунок 4.4 – Фрагмент структури ПТКП КП 103
Польові транзистори типу КП 103, на відміну від попередніх, мають п’ять паралельних каналів, біля кожного з яких розміщений додатковий затвор З2 (першим затвором З1 є підкладка) – рис. 4.4. Наявність п’яти каналів і додаткових затворів дозволяє збільшити струм стоку, а також підвищити ефективність керування товщиною каналу, оскільки перекриття каналу відбувається з боку затвора і зверху, і знизу.
Принцип
дії ПТКП розглянемо за допомогою
схематичного зображення приладу на
рис. 4.2. При збільшенні напруги
,
яка вмикає запірні шари в зворотному
напрямі, ці шари розширяються. Товщина
–
переходу зростає цілком у бік каналу,
оскільки у ПТКП області затвора завжди
високолеговані, а канал має низьку
концентрацію домішок (
для транзистора з p
- каналом). Розширення керувального
– переходу
приводить до зменшення ширини каналу,
зниження його електропровідності та
зменшення струму через нього (
)
при незмінній напрузі. Отже, змінюючи
напругу на затворі
,
тобто змінюючи поперечне електричне
поле, можна ефективно керувати зміною
струму стоку
(величиною внутрішнього опору
транзистора). Це найважливіша властивість
польового транзистора в режимі підсилення
вхідних сигналів. Саме вона зумовлює
суттєву відмінність ПТ від біполярних
транзисторів, яка полягає в наступному.
При зміні вхідної напруги ПТ
змінюється лише поперечне поле, що
керує інтенсивністю потоку носіїв
через канал. Вхідний струм транзистора
– струм затвора
– практично не змінюється як струм
насичення
–
переходу в зворотному вмиканні.
Отже, внаслідок слабкої зміни
при зміні затворної напруги, а також
із причини великого вхідного опору ПТ
(малого струму
)
вважають, що керування вихідним струмом
приладу
відбувається не за рахунок зміни
вхідного струму, як у БТ, а внаслідок
зміни вхідної напруги, як у вакуумному
тріоді. Великий вхідний опір усіх ПТ
порівняно з біполярними – це суттєва
перевага польових приладів.
Нехай
стокова напруга
.
Тоді при зміні
можна досягти повного перекриття каналу
внаслідок змикання запірних шарів.
Канал у цьому випадку має дуже великий
опір, а напруга, при якій це відбувається,
називається напругою відсічення (
).
Напруга
є важливим параметром ПТКП. Оцінимо
її, а також дослідимо вплив напруги
на товщину каналу
.
Товщина
– переходу,
як відомо з першого розділу конспекту,
дорівнює
(4.1)
Оскільки
,
то δ ≈ δp,
і тоді для зворотної напруги затвора
(4.2)
Ширину каналу можна визначити згідно з рисунком 4.2 за формулою
, (4.3)
де
- відстань між
-
областями затвора.
Як
було зазначено, при
канал перекривається
.
Для цього випадку з формули (4.3) випливає,
що
.
Наприклад,
для ПТКП з
см
і
см
маємо
В.
Оскільки
контактна різниця потенціалів
В,
то можна вважати, що
,
і тоді
. (4.4)
Використовуючи
рівності (4.3) та (4.4), можна одержати
аналітичну залежність ширини каналу
від напруги на затворі
:
(4.5)
Оскільки опір каналу обернено пропорційний до його ширини, то існує така залежність:
,
(4.6)
де
– опір каналу при цій напрузі затвора;
-
опір каналу при
.
Тепер
нехай
.
Напруга, що діє на стоці ПТКП, викликає
протікання через канал і в зовнішньому
колі струму
.
Струм стоку, протікаючи через ненульовий
розподілений опір каналу, створює на
ньому падіння напруги (рис. 4.5). На цьому
рисунку вибрано переріз каналу на
відстані х
від витоку. Падіння напруги
пропорційний величині опору ділянки
каналу і струму стоку
.
Таким чином, у перерізі
напруга на
– переході
+
,
оскільки напруга
має той самий напрям, що й напруга
,
і її дія на
– перехід
еквівалентна дії додаткової зворотної
напруги.
На
основі цього можна одержати залежність
ширини каналу від координати
,
тобто від величини напруги
:
(4.7)

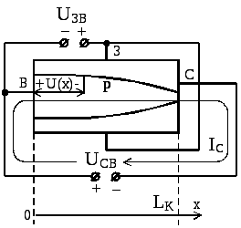
Рисунок
4.5 – До пояснення конфігурації каналу
ПТКП
при ![]()
Очевидно,
що падіння напруги при протіканні
струму через канал залежить від
координати
.
Так, біля витоку
.
Біля стоку (
,
де
- довжина каналу)
.
З цього приводу можна вважати, що при
ненульовій стоковій напрузі ширина
каналу зменшується в напрямі від витоку
до стоку згідно з формулою (4.7). Біля
стоку ширина каналу мінімальна, оскільки
![]()
:
. (4.8)
З
формули (4.8) випливає, що при протіканні
через канал ПТКП струму стоку
опір каналу, а також струм через нього
залежить і від напруги
,
і від напруги
.
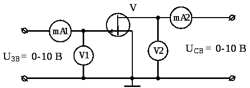
Розглянемо
статичні характеристики ПТКП, які
знімають за допомогою схеми рисунку
4.6. На цій схемі досліджуваний транзистор
має канал
-типу.

Рисунок 4.6 – Схема для експериментального зняття характеристик ПТКП
Не
потрібно забувати, що під час дослідження
транзистора з каналом
-типу
полярності підімкнення джерел живлення
і вимірювальних приладів треба змінити
на зворотні.